Бесплатная техническая библиотека
Светорегулятор для рекламного щита. Энциклопедия радиоэлектроники и электротехники

Энциклопедия радиоэлектроники и электротехники / Освещение
Комментарии к статье
Для привлечения клиентов, магазины и всевозможные организации используют световую рекламу в виде развешенных ярких лампочек и надписей. Хорошо, если это солидная организация, в которой включением и выключением наружной рекламы управляет специально назначенный человек. А если это делать некому, то часто происходит неоправданный перерасход электроэнергии. Замена ламп в рекламных щитах - процедура непростая, а если это световой шнур "дюролайт", в котором сгоревшие лампочки вообще не меняются, то и того хуже. Для увеличения срока службы ламп неплохо снизить яркость их свечения. Для этих целей и была доработана хорошо себя зарекомендовавшая схема [1]. Кроме плавной регулировки напряжения нагрузки, в ней предусмотрено отключение нагрузки в утреннее время и включение в вечернее.
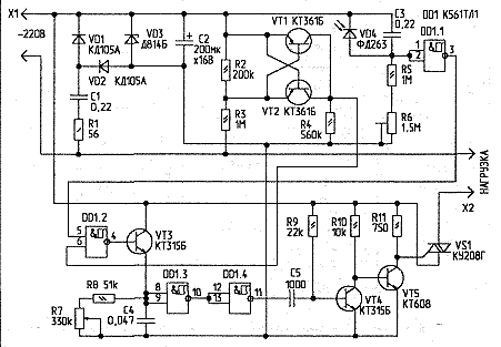
Рис. 1. Принципиальная схема светорегулятора для рекламного щита
Рассмотрим работу устройства (рис.1). Сетевое напряжение (220 В) гасится на емкости С1, выпрямляется диодами VD1, VD2, сглаживается конденсатором С2 и стабилизируется стабилитроном VD3 на уровне примерно 9 В. От данного напряжения запитывается вся схема. Формирователь импульсов (в момент перехода сетевого напряжения через ноль) собран на транзисторах VT1, VT2 и резисторах R2...R4. В момент перехода напряжения через ноль на входе 6 элемента DD1.2 образуется отрицательный импульс. Если фотодиод VD4 засвечен, то на выходе DD1.1 устанавливается нулевой уровень, который запрещает прохождение импульсов от формирователя. На выходе 4 DD1.2 - нулевой уровень, и транзистор VT3 закрыт. В ночное время на выходе 3 DD1.1 устанавливается логическая "1". Импульсы с формирователя открывают транзистор VT3 на время примерно 0,5... 1 мс. Конденсатор С4 заряжается до уровня напряжения питания. Затем он плавно разряжается через цепочку R7-R8. Напряжение на С4, достигнув уровня логического "О", переключает элементы DD1.3, DD1.4.
Нулевой уровень на выходе 11 DD1.4 заряжает конденсатор С5. На время зарядки транзистор VT4 закрывается, a VT5 - открывается и включает тиристор VS1. Длительность импульсов на управляющем электроде VS1 зависит от параметров цепочки C5-R9 и составляет 10...20 мкс. При следующем переходе через ноль цикл повторяется. Достоинством данной схемы является то, что частота открывания симистора остается неизменной, и изменение сетевого напряжения на процесс регулирования не влияет.
В устройстве применены следующие детали. Конденсаторы С1,C3,С4 - типа К73-17, С2 - К50-35, С5 - КМ6. Резистор R6 - типа СП3-1, R7 - СП-04, остальные - МЛТ. В качестве VD1 подойдут КД509, КД510, КД209 с допустимым напряжением 25...50 В и током 100...200 мА. Вместо Д814Б подойдут любые стабилитроны с напряжением стабилизации 8...15 В.
Вместо КТ315 можно применить КТ312, КТ316, КТ201, КТ3102, вместо КТ361 - КТ203, КТ209, КТ3107. Фотодиод ФД263 заменяется на ФД 320.
Если необходимо коммутировать значительную мощность, симистор необходимо установить на радиатор, или применить более мощный, например, ТС2-25.
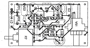
Светорегулятор собран на односторонней печатной плате толщиной 1,5...2 мм и размерами 40x70 мм (рис.2).
Рис. 2. Печатная плата и схема расположения элементов светорегулятора для рекламного щита
При наладке резистором R6 необходимо подобрать порог включения/выключения нагрузки, а резистором R7 - яркость свечения. Для нормальной работы устройства и предотвращения релаксационных колебаний на фотодиод надевают черный кембрик длиной 20...30 мм и направляют его в сторону от рекламных лампочек и ярких фонарей.
Литература
- С.Бирюков. Симисторные регуляторы мощности. - Радио, 1996, N1, С.44.
Автор: С.Абрамов, г. Оренбург, asmorgen@mail.ru; Публикация: radioradar.net
Смотрите другие статьи раздела Освещение.
Читайте и пишите полезные комментарии к этой статье.
<< Назад
Последние новости науки и техники, новинки электроники:
Хорошо управляемые луга могут компенсировать выбросы от скота
15.02.2026
Животноводство, особенно разведение крупного рогатого скота, часто обвиняют в значительном вкладе в глобальное потепление из-за мощного парникового газа - метана, который выделяется при пищеварении у жвачных животных. Это вызывает острые политические споры и призывы к сокращению потребления мяса. Однако ученые напоминают, что полная картина климатического воздействия отрасли не ограничивается только выбросами от животных: огромную роль играет окружающая экосистема - пастбища, почва и растительность, которые способны активно поглощать углекислый газ из атмосферы.
Исследователи из Университета Небраски-Линкольна решили глубже изучить этот баланс. Группа под руководством профессора Галена Эриксона сосредоточилась на том, как правильно организованные пастбища накапливают углерод в растениях и грунте благодаря естественным процессам, стимулируемым выпасом скота. Ученые подчеркивают, что при достаточном уровне осадков и грамотном управлении такие луга превращаются в мощные природные погло ...>>
NASA тестирует инновационную технологию крыла
15.02.2026
Коммерческая авиация ежегодно расходует колоссальные объемы керосина, что сказывается не только на бюджете авиакомпаний, но и на состоянии окружающей среды. В 2024 году глобальные затраты на авиационное топливо достигли 291 миллиарда долларов, и эта сумма продолжает расти. Чтобы справиться с этими вызовами, NASA активно работает над технологиями, способными заметно повысить аэродинамическую эффективность самолетов. Одним из самых перспективных направлений стало создание специальной конструкции крыла, которая максимизирует естественный ламинарный поток воздуха и минимизирует сопротивление.
В январе 2026 года специалисты NASA Armstrong Flight Research Center успешно провели важный этап наземных испытаний концепции Crossflow Attenuated Natural Laminar Flow (CATNLF). Для эксперимента под фюзеляж исследовательского самолета F-15B закрепили вертикально ориентированную масштабную модель высотой около 0,9 м (3 фута), напоминающую узкий киль. Такая компоновка позволила подвергнуть прототип р ...>>
Забота о внуках очень полезна для здоровья мозга
14.02.2026
Общение между поколениями приносит радость всей семье, но мало кто задумывается, насколько активно бабушки и дедушки, заботящиеся о внуках, поддерживают свою умственную форму. Регулярное взаимодействие с детьми стимулирует мозг пожилых людей, помогая сохранять память, скорость мышления и общую когнитивную активность.
Новые научные данные подтверждают, что такая добровольная помощь не только важна для общества, но и может замедлять возрастные изменения в мозге.
Исследователи из Тилбургского университета в Нидерландах провели анализ, чтобы понять, приносит ли уход за внуками реальную пользу здоровью пожилых людей. Ведущий автор работы Флавия Черечес отметила, что многие бабушки и дедушки регулярно присматривают за детьми, и оставался открытым вопрос, насколько это положительно сказывается на их собственном благополучии, особенно в плане когнитивных функций.
Ученые поставили цель выяснить, способен ли регулярный уход за внуками замедлить снижение памяти и других умственных способ ...>>
Случайная новость из Архива Аккумулятор с электоролитом, меняющим свою плотность
08.02.2025
Аккумуляторы играют ключевую роль в современном мире, обеспечивая энергией наши мобильные устройства, электромобили и многие другие устройства. Однако, традиционные литий-ионные аккумуляторы имеют ряд недостатков, таких как ограниченная плотность энергии, низкая безопасность и ограниченный срок службы. Компания Anthro Energy представила новую технологию, которая может революционизировать мир аккумуляторов. Они разработали аккумулятор, в котором электролит может переходить из жидкого состояния в твердое.
Эта инновационная технология открывает перспективы для создания аккумуляторов следующего поколения с повышенной стабильностью и безопасностью. Особенностью разработки Anthro Energy является то, что она не требует изменений в существующей производственной инфраструктуре. Это значит, что новые аккумуляторы могут быть легко интегрированы в современные производственные процессы. Более того, технология позволяет проектировать ячейки любого размера, формы и состава, что открывает новые возможности для различных областей применения.
Платформа Proteus от Anthro Energy обеспечивает сочетание высокой производительности, безопасности и механической целостности, что делает ее прорывной инновацией в области аккумуляторных технологий. Сообщается, что эта технология совместима с широким спектром анодов, сепараторов и катодов, что дает возможность для создания разнообразных типов аккумуляторов с различными характеристиками. Процесс отверждения электролита включает в себя химическую реакцию, в результате которой прекурсоры Proteus затвердевают непосредственно в ячейке батареи. Это приводит к образованию твердых и полужестких батарей, которые могут производиться на 100% существующем производственном оборудовании.
Одним из ключевых преимуществ платформы Proteus является непрерывный путь ионного тока внутри электрода. Это устраняет жидкую фазу внутри аккумулятора, что значительно повышает безопасность и снижает газообразование. Кроме того, вторичная эластичная соединительная сеть стабилизирует изменение объема анода в батареях, что способствует увеличению срока службы аккумулятора. Платформа Proteus также обеспечивает более высокую плотность энергии благодаря использованию новых химических составов аккумуляторов, таких как кремниевые аноды. Это позволяет достичь беспрецедентного количества энергии в аккумуляторе.
Снижение межфазной деградации и разрушение частиц в два раза увеличивают срок службы аккумулятора даже в жестких условиях эксплуатации. Компания заявляет, что ее структурные элементы в 35 раз прочнее, что позволяет создавать новые конструкции аккумуляторов, улучшая срок службы электронных устройств и запас хода транспортных средств. Электролит, который является средой, переносящей ионы лития при зарядке, может быть введен в литий-ионные аккумуляторы с использованием стандартных производственных линий. Во время формирования - этапа, когда батарея впервые заряжается перед отправкой покупателю - электролит превращается в твердое вещество внутри батареи.
Этот процесс обеспечивает преимущества твердотельных батарей, такие как высокая плотность энергии, более безопасная зарядка и более длительный срок службы. Компания Anthro Energy активно сотрудничает с несколькими клиентами в оборонном секторе и секторе потребительской электроники, а также с крупными автопроизводителями. Это свидетельствует о большом интересе к новой технологии со стороны различных отраслей промышленности.
Разработка Anthro Energy представляет собой серьезный прорыв в области аккумуляторных технологий. Аккумуляторы с изменяемой плотностью электролита могут стать основой для создания более безопасных, эффективных и долговечных источников энергии для самых разнообразных приложений. Эта технология может изменить наше представление о том, какими должны быть аккумуляторы будущего, и дать мощный импульс развитию электромобилей, мобильной электроники и многих других областей, где энергия играет ключевую роль.
|
Другие интересные новости:
▪ Умный дом от IKEA
▪ Не стоит слепо доверяться анализу ДНК
▪ Запах человека: от младенцев до подростков
▪ Ноутбук HP Envy dv7
▪ Western Digital представил устройство 3 в 1
Лента новостей науки и техники, новинок электроники
Интересные материалы Бесплатной технической библиотеки:
▪ раздел сайта Дом, приусадебное хозяйство, хобби. Подборка статей
▪ статья Электробезопасность. Справочник
▪ статья Какое музыкальное произведение планируется закончить исполнять к 2640 году? Подробный ответ
▪ статья Контент-менеджер (редактор сайта). Должностная инструкция
▪ статья Генератор ПЧ для настройки приемников. Энциклопедия радиоэлектроники и электротехники
▪ статья Универсальный программируемый таймер. Энциклопедия радиоэлектроники и электротехники
Оставьте свой комментарий к этой статье:
Главная страница | Библиотека | Статьи | Карта сайта | Отзывы о сайте

www.diagram.com.ua
2000-2026