Бесплатная техническая библиотека
Так боятся ли комары ультразвука?. Энциклопедия радиоэлектроники и электротехники

Энциклопедия радиоэлектроники и электротехники / Дом, приусадебное хозяйство, хобби
Комментарии к статье
Комары, досаждавшие когда-то лишь сельским жителям да туристам, в последние годы стали всерьез беспокоить и горожан. Размножаясь в сырых подвалах чуть ли не круглогодично - благо, обстановка для этого почти идеальная, - они расселяются затем по квартирам даже многоэтажных домов. Обычные средства борьбы сними -разного рода химические вещества - мало помогают.
В последнее время в продаже появились различные ультразвуковые "пищалки", которые, если верить рекламе, способны удерживать комаров на почтительном расстоянии. Но то ли наши комары отличаются, скажем, от сингапурских, то ли частоте излучаемого сигнала не та, то ли еще что, но на вопрос: "Ну как, помогает?", испытавшие эту новинку отвечают как-то неопределенно...
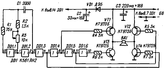
Описываемый здесь прибор, принципиальная схема которого изображена на рис.1, позволит каждому составить на этот счет собственное мнение. Задающий генератор собран на инверторах DD1.1 и DD1.2 КМОП-микросхемы К561ЛН2. Остальные элементы этой микросхемы формируют базовые токи транзисторов VT1- VT4, попеременно - через транзисторы VT1 и VT4 или через VT2 и VT3, подключая излучатель ВА1 к источнику питания.
Рис.1 (нажмите для увеличения)
Мощные транзисторы работают в ключевом режиме ив специальных теплоотводах особенно не нуждаются, но в тяжелых температурных условиях они могут и потребоваться.
Диод VD1 - любой германиевый. Возможное размещение элементов на печатной плате показано на рис. 2. Незалуженные участки фольги под транзисторами выполняют роль своего рода теплоотводов. Переменный резистор R3 может быть любого типа, например, СПЗ-4 группы А.
Рис. 2
Динамическая головка ВА1 - высокочастотная мощностью 3-4 Вт со звуковой катушкой сопротивлением не менее 4 Ом, например, 6ГДВ-4. Хотя по паспорту высшая частота излучения таких "пищалок" невелика, опыт показывает, что они способны излучать и колебания ультравысоких частот-до 40... 50 кГц и выше.
Желаемую частоту излучения устанавливают переменным резистором R3. Его можно снабдить заранее проградуированной по осциллографу шкалой. При указанных на схеме номиналах резисторов R2, R3 и конденсатора С1 генератор перекрывает частотный диапазон 16... 60 кГц. Но это его основная частоте. Поскольку же форма электрического сигнала генератора далека от синусоидальной, в акустическом спектре (при достаточной широкополосности динамической головки) могут появиться и гармоники этого основного тона, что никак не будет недостатком прибора - пугать, так пугать...
Источник питания прибора (напряжением 4,5...6 В) должен быть способен отдавать ток

Комары - раздражающие нас кровососы и распространители ряда заболеваний (малярия, желтая лихорадка и др.) - не единственно возможный объект исследований с помощью описанного здесь прибора. Мокрецы, мошка (их свыше тысячи видав - переносчики сибирской язвы, сапа, туляремии, чумы, проказы), платяная и тополиная моль, тараканы, муж, долгоносики, кожееды и прочая живность, так или иначе вторгающаяся в нашу жизнь, макет также оказаться чувствительной к такому на нее воздействию. Остается проверить... И быть может, начать тем самым новое направление в творчестве радиолюбителей. Направление, в котором эксперименты такого масштаба по силам лишь большой группе людей, владеющих электронной техникой
Автор: Ю.Виноградов, г. Москва; Публикация: Н. Большаков, rf.atnn.ru
Смотрите другие статьи раздела Дом, приусадебное хозяйство, хобби.
Читайте и пишите полезные комментарии к этой статье.
<< Назад
Последние новости науки и техники, новинки электроники:
Питомцы как стимулятор разума
06.10.2025
Помимо эмоциональной поддержки, домашние питомцы могут оказывать заметное воздействие на когнитивные процессы, особенно у пожилых людей. Новое масштабное исследование показало, что общение с кошками и собаками не просто улучшает настроение - оно действительно способствует замедлению возрастного снижения умственных способностей.
Работа проводилась в рамках проекта Survey of Health, Ageing and Retirement in Europe (SHARE), охватывающего период с 2004 по 2022 год. В исследовании приняли участие тысячи европейцев старше 50 лет. Анализ показал, что владельцы домашних животных демонстрируют более устойчивые когнитивные функции по сравнению с теми, кто не держит питомцев. Особенно выражен эффект оказался у владельцев кошек и собак.
Согласно данным ученых, владельцы собак дольше сохраняют хорошую память, в то время как хозяева кошек медленнее теряют способность к быстрому речевому взаимодействию. Исследователи связывают это с тем, что ежедневное взаимодействие с животными требует внимани ...>>
Мини-ПК ExpertCenter PN54-S1
06.10.2025
Компания ASUSTeK Computer презентовала новый мини-компьютер ASUS ExpertCenter PN54-S1. Устройство ориентировано на пользователей, которым важно сочетание производительности, энергоэффективности и универсальности - от офисных задач до мультимедийных проектов.
В основе ExpertCenter PN54-S1 лежит современная аппаратная платформа AMD Hawk Point, использующая архитектуру Zen 4. Это поколение чипов отличается улучшенным управлением энергопотреблением и повышенной вычислительной мощностью. Новинка доступна в конфигурациях с процессорами Ryzen 7260, Ryzen 5220 и Ryzen 5210, представленных AMD в начале 2025 года. Таким образом, устройство охватывает широкий диапазон задач - от базовых офисных до ресурсоемких вычислений.
Корпус мини-ПК выполнен из прочного алюминия и имеет размеры 130×130×34 мм, что делает его практически незаметным на рабочем столе или за монитором. Несмотря на компактность, внутренняя компоновка позволяет установить два модуля оперативной памяти SO-DIMM ...>>
Глазные капли, возвращающие молодость зрению
05.10.2025
С возрастом человеческий глаз постепенно теряет способность четко видеть на близком расстоянии - развивается пресбиопия, или возрастная дальнозоркость. Этот естественный процесс связан с утратой эластичности хрусталика и ослаблением цилиарной мышцы, отвечающей за фокусировку. Миллионы людей по всему миру сталкиваются с необходимостью носить очки для чтения или прибегают к хирургическим методам коррекции. Однако исследователи из Центра передовых исследований пресбиопии в Буэнос-Айресе представили решение, которое может стать удобной и неинвазивной альтернативой - специальные глазные капли, способные улучшать зрение на длительный срок.
Разработку возглавила Джованна Беноцци, директор Центра. По ее словам, цель исследования состояла в том, чтобы предоставить пациентам с пресбиопией эффективный и безопасный способ коррекции зрения без хирургического вмешательства. Новые капли, созданные на основе пилокарпина и диклофенака, показали убедительные результаты: уже через час после первого пр ...>>
Случайная новость из Архива Воду нагрели до рекордной температуры
16.05.2018
Ученые из немецкого исследовательского центра по физике частиц DESY и Уппсальского университета (Швеция) провели эксперимент по сверхбыстрому нагреванию воды рентгеновским лазером (разером) - и посмотрели, совпадает ли результат с симуляцией.
Обычно нагревание при кипячении воды заключается в передаче молекулам кинетической энергии через вибрацию с помощью конвекции или теплоизлучением. Но в данном случае физики использовали иной метод, где энергия передается через ионизацию одиночными фемтосекундными импульсами рентгеновского лазера на свободных электронах. Это вызывает быструю ионизации с появлением экзотического состояния плазмы, известного как теплое плотное вещество (warm dense matter, WOM).
Теплое плотное вещество (ТПВ) - агрегатное состояние вещества, которое по своим параметрам находится между твердым телом и идеальной плазмой. Оно слишком плотное, чтобы быть описанным как плазма, и слишком горячее, чтобы относиться к физике конденсированных сред. Другими словами, это нечто среднее между плазмой и твердым телом. Оно намного плотнее, чем плазма (от 0,01 до 100 г на см2), а в некоторых случаях имеет удельный вес в два раза больше, чем твердое вещество, из которого получено. В общем, своеобразное вещество Шредингера.
Нынешний эксперимент по получению ТПВ из воды провела группа ученых из Центра исследований лазеров на свободных электронах (CFEL) в DESY. Нагрев молекул с одновременным исследованием состояния проводилось с помощью рентгеновского лазера на свободных электронах в Национальной лаборатории ускорителей SLAC (США). Разер осуществлял чрезвычайно интенсивные сверхкороткие вспышки рентгеновского излучения 6,86 кэВ (более 106 Дж/см2) по струе воды.
Менее чем за 75 фемтосекунд, то есть 75 квинтиллионных долей секунды вода проходит фазовый переход от жидкости к плазме. Плазма - это состояние вещества, в котором электроны удалены из атомов, что приводит к своего рода электрически заряженному газу.
"Но во время превращения жидкости в плазму вода по-прежнему сохраняет плотность жидкости, так как атомы еще не успели значительно переместиться", - объясняет соавтор эксперимента Олоф Йонссон (Olof Jonsson) из Уппсальского университета.
Такое экзотическое состояние материи невозможно найти в естественном состоянии на Земле: "У него такие же характеристики, как у некоторых плазм на Солнце и в газовом гиганте Юпитер, но только более низкая плотность. Между тем оно горячее, чем ядро Земли". Проведение эксперимента именно на воде позволяет лучше узнать о свойствах воды в столь экзотическом состоянии. Это тем более важно, учитывая некоторые действительно уникальные свойства этого вещества:
"Вода действительно странная жидкость, и если бы не ее особенности, то многие вещи на Земле не были бы такими, как они есть, особенно жизнь", - подчеркнул Йонссон. У воды множество аномальных характеристик и свойств, включая плотность, теплоемкость и теплопроводность.
|
Другие интересные новости:
▪ Австралийские дети останутся без соцсетей
▪ Корпус ASUS ProArt PA602
▪ Граната-помехогенератор
▪ Готовится взрыв дамбы
▪ Видеокарты с аппаратным ограничением майнинга
Лента новостей науки и техники, новинок электроники
Интересные материалы Бесплатной технической библиотеки:
▪ раздел сайта Измерительная техника. Подборка статей
▪ статья Панацея. Крылатое выражение
▪ статья Зачем датчане установили право выкупить товар любого корабля, проходящего через Датские проливы? Подробный ответ
▪ статья Работа с кухонной электроплитой. Типовая инструкция по охране труда
▪ статья Бустер для электрогитары. Энциклопедия радиоэлектроники и электротехники
▪ статья Однопереходные транзисторы. Энциклопедия радиоэлектроники и электротехники
Оставьте свой комментарий к этой статье:
Главная страница | Библиотека | Статьи | Карта сайта | Отзывы о сайте

www.diagram.com.ua
2000-2025