Menu Home

Бесплатная техническая библиотека для любителей и профессионалов Бесплатная техническая библиотека


Радиостанция Колибри. Энциклопедия радиоэлектроники и электротехники

Бесплатная техническая библиотека

Энциклопедия радиоэлектроники и электротехники / Гражданская радиосвязь

Комментарии к статье Комментарии к статье

В настоящее время номенклатура радиостанций Си-Би диапазона, предлагаемая торговыми предприятиями, готова, кажется, удовлетворить практически любой запрос пользователей. И все же их не всегда устраивает то экономичность аппаратуры, то ее габариты, масса, цена. Вниманию читателей предлагается краткое описание радиостанции "Колибри", выполненной на основе элементов поверхностного монтажа. Ее можно изготовить самостоятельно, используя обычные элементы, только придется заново разработать печатную плату (при этом габариты радиостанции увеличатся). Заменив кварцевые резонаторы, эту радиостанцию вы изготовите и на любительский диапазон 28 МГц.

Простота схемных решений предлагаемой конструкции, использование современных импортных микросхем и применение радиоэлементов поверхностного монтажа позволяют собрать радиостанцию на одной печатной плате размерами всего 45х50 мм, добившись при этом вполне приемлемых технических характеристик. И пусть "Колибри" не поражает воображение будущих владельцев числом выполняемых ею функций и форсированной мощностью передатчика, они смогут по достоинству оценить габариты радиостанции, ее экономичность и сравнительно невысокую цену. Не сомневаемся, что эта радиостанция найдет свое применение для связи внутри офиса или с автомобильными радиостанциями на небольшие расстояния, а также для связи из дома с гуляющими на улице детьми или во время отдыха на природе.

Радиостанция Колибри. Внешний вид

"Колибри" предназначена для работы на одном из каналов Си-Би диапазона в режиме узкополосной частотной модуляции. По основным электрическим параметрам станция соответствует перечню типовых характеристик аппаратуры диапазона 27 МГц. Рабочие частоты приемника и передатчика заданы кварцевыми резонаторами. Питание осуществляется от батареи аккумуляторов или гальванических элементов напряжением 3...6 В. Ток, потребляемый радиостанцией в дежурном режиме (с закрытым шумоподавителем), - не более 8 мА, при приеме сообщений - не более 100 мА, а в режиме передачи - не более 150 мА.

Мощность передатчика при напряжении питания 4,5 В - 200 мВт, максимальная девиация частоты -1,8 кГц. Чувствительность приемника - не хуже 0,3 мкВ, мощность звукового сигнала на динамической головке сопротивлением 8 Ом - не менее 60 мВт.

Дальность связи между двумя радиостанциями "Колибри" может составлять 1 км, а с эффективными стационарными антеннами - значительно больше. Время непрерывной работы с питанием от аккумуляторов емкостью 0,6 А-ч составляет около 20 ч при соотношении прием/передача 4:1. Эта характеристика соответствует довольно интенсивной связи!

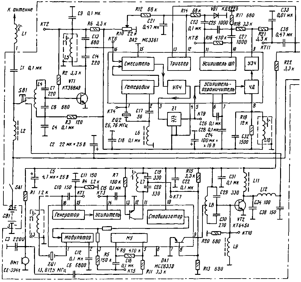
Схема радиостанции показана на рисунке. Сигнал от антенны через разделительный конденсатор С1 и кнопку SB1 поступает на вход усилителя высокой частоты приемника (транзистор VT1). Входной L4C7C8 и выходной L5C13C14 контуры усилителя настроены на рабочую частоту.

Радиостанция Колибри
(нажмите для увеличения)

Радиостанция Колибри

Микросхема DA2 выполняет функции преобразования, усиления сигнала промежуточной частоты, частотного детектирования и шумоподавителя. Частота гетеродина стабилизирована кварцевым резонатором ZQ2, работающим на третьей механической гармонике.

Полученную в результате преобразования промежуточную частоту 465 кГц усиливает УПЧ и фильтрует пьезокерамический фильтр Z1. Далее сигнал проходит усилитель-ограничитель и поступает на частотный детектор. Для детектирования ЧМ сигнала к микросхеме подключен контур L10C32, который определяет частоту настройки, а резистор R19 - полосу пропускания частотного детектора. Для нормальной работы детектора контур должен быть настроен на промежуточную частоту 465 кГц и иметь полосу пропускания около 10 кГц.

Через фильтр низших частот R21C33 низкочастотный сигнал с вывода 9 микросхемы DA2 поступает на усилитель низкой частоты (микросхема DA3). С помощью этой микросхемы осуществляется частотная коррекция сигнала и его усиление до 60... 100 мВт. Шумоподавитель приемника реализован на ОУ и пороговом устройстве, входящих в состав микросхемы DA2. Демодулированный сигнал с выхода ЧМ детектора поступает на узкополосный фильтр с максимальным коэффициентом передачи на частотах 8...10 кГц. Фильтр не пропускает речевой сигнал, находящийся в полосе 300...3000 Гц, а выделяет и усиливает шумы в полосе частот 8...10 кГц , которые выпрямляются амплитудным детектором на диоде VD1.

Если выпрямленное напряжение больше порога срабатывания порогового устройства, на выводе 13 микросхемы DA2 возникает высокий уровень, который отключает усилитель низкой частоты (при этом микросхема DA3 потребляет ток менее 60 мкА). Напряжение срабатывания порогового устройства регулируют резистором R14.

При нажатии на кнопку SB1 антенна и батарея питания подключаются к передатчику. Для развязки по высокой частоте служит дроссель L2.

Передатчик выполнен на микросхеме DA1, которая содержит микрофонный усилитель-ограничитель, задающий генератор, частотный модулятор и другие элементы. Транзистор VT2 усиливает ВЧ сигнал по мощности. П-контур C34L12C38 согласовывает выходное сопротивление усилителя с входным сопротивлением антенны, а также осуществляет фильтрацию выходного сигнала радиостанции.

Сигнал с электретного микрофона ВМ1 усиливается микрофонным усилителем (МУ) и поступает на ЧМ модулятор. С помощью подстроечника катушки L3 осуществляют установку рабочей частоты передатчика.

Сформированный и усиленный ВЧ сигнал с вывода 14 микросхемы DA1 поступает на умножитель частоты на два, функцию которого выполняет один из транзисторов микросхемы. Нагрузкой умножителя частоты служит контур L7C19C20. Далее сигнал усиливает второй транзистор микросхемы, с коллекторного контура L8C29C30 которого сигнал поступает на выходной транзистор VT2 передатчика. Транзистор VT2 работает в режиме С.

В радиостанции применимы оксидные конденсаторы К50-35 или К50-40. Резистор R10 - СПЗ-38а. Фильтр промежуточной частоты Z1 - типа ФП1П1-60.02. Тумблер SA1 - ПД9-2, кнопка SB1 -МП7.

Кварцевые резонаторы ZQ1 и ZQ2 задают частоту настройки радиостанции. Их частоты определяют так: частота ZQ1 должна быть равна Fраб/2, а частота ZQ2 - Fраб - 465, где Fраб - рабочая частота радиостанции в килогерцах.

Микрофон ВМ1 может быть применен МКЭ-332. Динамическая головка ВА1 - любая сопротивлением 8... 16 Ом.

Информация о катушках индуктивности представлена в табл. 1. Катушка L1 в таблице не показана, она является составной частью антенны. Подробно о конструкциях антенн рассказано ниже.

Радиостанция Колибри
(нажмите для увеличения)

Налаживание правильно собранной радиостанции сводится к настройке контуров. К контактам 2 и 3 платы подключают, соблюдая полярность, источник питания напряжением 4,5 В, а к контактам 4 и 5 - динамическую головку.

Включив радиостанцию, вольтметром постоянного тока измеряют напряжение на транзисторах и микросхемах. Режимы даны в табл. 2. Сильное отличие от указанных значений указывает на наличие неисправности.

Радиостанция Колибри

При исправной приемной части на выводе 9 микросхемы DA2 присутствуют шумы, а при отключенном шумоподавителе (движок резистора R10 находится в левом по схеме положении) они слышны в динамической головке.

Для настройки частотного детектора нужно подать с генератора сигналов ВЧ частотно-модулированный сигнал частотой 465 кГц с девиацией 1,1 кГц на вывод 5 микросхемы DA2. Настройку ЧМ детектора проводят подстроечником катушки ПО по максимуму демодулированного сигнала на выводе 9 микросхемы D2.

Затем на вход приемника подают с высокочастотного генератора сигнал с частотой настройки радиостанции (девиацию частоты генератора устанавливают равной 1,1 кГц ). Постепенно уменьшая уровень входного сигнала и подстраивая катушки L4, L5, добиваются максимальной чувствительности приемника.

Катушки без подстроечника настраивают сжатием или растяжением витков. Для удобства настройки такой катушки можно подносить к ней фер-ритовый или латунный стержень. Если лучшие результаты получаются при поднесении латунного подстроечника, то витки катушки нужно растянуть, а если ферритового - витки катушки необходимо сжать.

При налаживании передатчика к антенному выводу 1 радиостанции подключают эквивалент нагрузки, например, непроволочный резистор сопротивлением около 50 Ом мощностью не менее 0,25 Вт.

К контрольной точке КТ5 подключают осциллограф, и в режиме передачи проверяют наличие сигнала с микрофона, амплитуда сигнала должна быть около 0,5 В.

Проверить работу задающего генератора можно, подключив к контрольным точкам КТ1 и КТЗ высокочастотный вольтметр. В режиме передачи переменное напряжение в этих точках должно быть 0,2...0,3 В. В этих же точках измеряют частоту задающего генератора.

Затем подключают ВЧ вольтметр к контрольной точке КТ7 и, вращая подстроечник катушки L7, добиваются максимальных показаний вольтметра. Аналогично настраивают контур L8C29C30, измеряя напряжение в точке КТ10. ВЧ напряжение в КТ7 и КТ10 должно быть 0,6 и 1 В соответственно.

Следует следить, чтобы напряжение на эквиваленте нагрузки было около 3,2 В, что соответствует мощности передатчика 200 мВт. Максимальной мощности добиваются подстройкой катушки L12 и уточнением настроек катушек L7 и 18.

Завершают налаживание передатчика установкой девиации частоты (1,8 кГц ) резистором R9. Для этого можно использовать любую Си-Би радиостанцию, настроенную на рабочий канал. Передаваемый речевой сигнал не должен быть подвержен искажениям, заметным на слух.

При налаживании желательно контролировать ток потребления передатчика, не допуская его превышения более чем 150 мА.

Дальность радиосвязи во многом зависит от антенны. Известно, что одной из оптимальных является антенна, длина которой равна четверти длины радиоволны. Для диапазона 27 МГц четверть длины волны составляет около 2,7 м. Ясно, что такая длина штыревой антенны в носимом варианте неприемлема. Тогда применяют антенну, длина которой выбрана из конструктивных соображений, а настройка в резонанс осуществлена "удлиняющей" катушкой. На схеме радиостанции это катушка L1.

Широко применяют конструкции антенн со штырем, выполненным в виде спирали, намотанной виток к витку или с шагом. Спиральную антенну можно настроить в резонанс подбором числа витков и шага намотки спирали.

"Укороченные" антенны имеют узкую полосу пропускания и очень чувствительны к близкорасположенным предметам, но для малогабаритной радиостанции более приемлемого варианта не известно.

Для изготовления спиральной антенны подойдет любой стержень или трубка из пластика, стеклотекстолита, полиэтилена или другого изоляционного материала. На стержень наматывают провод виток к витку или с определенным шагом, концы провода закрепляют на стержне.

В табл. 3 указаны данные некоторых вариантов антенн. Третий вариант антенны был изготовлен на стержне от шариковой авторучки.

Радиостанция Колибри

Настраивать антенну можно с помощью индикатора напряженности поля [1, 2]. Спиральную антенну устанавливают на радиостанцию, включают режим "Передача" и оценивают напряженность поля. Подбором числа витков настраивают антенну по максимальному показанию прибора. Точность настройки будет зависеть даже от способа крепления провода и используемого при этом материала (нитки, термоусаживаемая трубка и др.).

Телескопическую антенну настраивают аналогичным способом, только элементом настройки может служить катушка индуктивности (L1), которая включена последовательно со штырем.

Литература

  1. Виноградов Ю. Индикатор напряженности поля. - Радио,1998, N 9,с.31.
  2. Голубев О. Простой волномер. - Радио, 1998. N 10, с. 102.

Авторы:Г. Минаков, М. Федотов, г. Воронеж, Д. Травинов, г. Москва; Публикация: Н. Большаков, rf.atnn.ru

Смотрите другие статьи раздела Гражданская радиосвязь.

Читайте и пишите полезные комментарии к этой статье.

<< Назад

Последние новости науки и техники, новинки электроники:

Власть является ключевым фактором счастья в отношениях 11.03.2026

Исследования семейных и романтических отношений показывают, что длительное счастье пары зависит не только от привычных факторов, таких как доверие, уважение и преданность, но и от более тонких психологических аспектов. Современные ученые ищут закономерности, которые отличают действительно счастливые пары от остальных, чтобы понять, какие механизмы поддерживают гармонию в отношениях. Группа исследователей из Университета Мартина Лютера в Галле-Виттенберге и Бамбергского университета провела опрос среди 181 пары, которые состояли в совместных отношениях более восьми лет и прожили вместе хотя бы месяц. Участники заполняли анкету, описывая различные аспекты своих отношений, включая распределение обязанностей, эмоциональную поддержку и степень вовлеченности в совместные решения. Анализ данных показал интересный паттерн: пары, где оба партнера ощущали высокий уровень личной власти, оказывались наиболее счастливыми и удовлетворенными. В данном контексте под властью понимается способност ...>>

Защищенная колонка-повербанк Anker Soundcore Boom Go 3i 11.03.2026

Компания Anker представила новую модель линейки Soundcore - колонку Soundcore Boom Go 3i, ориентированную на активное использование на улице. Новинка отличается высокой степенью защиты: корпус соответствует стандарту IP68, что обеспечивает водо- и пыленепроницаемость, а ударопрочный дизайн выдерживает падение с высоты до одного метра. За качество звука отвечает 15-ваттный драйвер, обеспечивающий пик громкости до 92 дБ, а технология BassUp 2.0 усиливает низкие частоты, делая звучание более насыщенным. Колонка обладает автономностью до 24 часов, а LED-индикатор позволяет контролировать уровень заряда батареи. Кроме того, Soundcore Boom Go 3i может выполнять функцию павербанка: согласно внутренним тестам, устройство способно зарядить iPhone 17 с нуля до 40% за один час, что делает его полезным аксессуаром в походах и поездках. Среди функциональных особенностей модели стоит выделить технологию Auracast, которая улучшает подключение и позволяет создавать стереопару из двух колонок ...>>

Раннее воздержание от алкоголя перестраивает мозг и иммунитет 10.03.2026

Алкогольная зависимость - хроническое расстройство с компульсивным употреблением спиртного, которое влияет не только на поведение, но и на функционирование мозга и иммунной системы. Недавние исследования показали, что даже на ранних этапах воздержания организм начинает перестраиваться, открывая новые возможности для терапии зависимости. Ученые сосредоточились на пациентах, находящихся в первые недели абстиненции, и зафиксировали значительные изменения в мозговой активности. С помощью функциональной магнитно-резонансной томографии они выявили перестройку сетей нейронных связей, отвечающих за контроль импульсов и принятие решений. Эти изменения могут быть ключевыми для восстановления самоконтроля и снижения риска рецидива. Одновременно с нейронной перестройкой исследователи наблюдали колебания иммунной системы. В крови повышался уровень цитокинов - сигнальных белков, регулирующих воспалительные процессы. Эти данные свидетельствуют о существовании нейроиммунного взаимодействия, при ...>>

Случайная новость из Архива

Черный кремний для эффективных солнечных панелей 20.10.2012

Солнечные панели преобразуют в электричество только три четверти энергии солнечных лучей. Таким образом, к изначально невысокому КПД добавляется еще и потеря всей инфракрасной части спектра, что является недопустимым расточительством. Ученые из Института Фраунгофера разработали новый материал для солнечных ячеек, который улавливает и инфракрасный свет.

Материал под названием черный кремний очень перспективен, и недавно немецким ученым удалось удвоить эффективность солнечных ячеек на его основе.

Из-за того, что четверть энергии солнечных лучей солнечные панели попросту не могут превратить в электричество, не только теряется энергия, но и происходит нагрев солнечных панелей, что снижает их срок службы и еще больше уменьшает КПД. Одним из способов преодоления этой проблемы является использование черного кремния, материала, который поглощает почти весь солнечный свет, в том числе инфракрасное излучение, и преобразует его в электричество.

Черный кремний получают путем облучения стандартного кремния фемтосекундными лазерными импульсами в газовой среде, содержащей серу. В ходе данного процесса атомы серы присоединяются к атомной решетке кремния. В обычном кремнии инфракрасному свету не хватает энергии для возбуждения электронов и преобразования их в электричество. Это как высокая стена, которую нельзя преодолеет одним прыжком. Но благодаря включению атомов серы черный кремний образует своего рода промежуточные уровни, которые облегчают "перескакивание" электронов. Изменяя параметры лазерного импульса, ученые смогли изменить высоту промежуточных уровней и увеличить отдачу электронов до максимального уровня.

Первоначально разработчики планируют просто добавлять ячейки из черного кремния в обычные солнечные панели. Ячейки-тандемы из обычного и черного кремния будут всего на пару процентов эффективнее обычных, но зато таким образом можно модернизировать большое количество существующих солнечных панелей, что даст хороший прирост энергии.

В перспективе черный кремний можно будет использовать как основной материал для изготовления солнечных панелей, хотя для этого потребуется разработка специальных автоматических лазерных установок.

Другие интересные новости:

▪ Если инопланетяне существуют, мы узнаем о них в ближайшие 20 лет

▪ Робот-скотовод

▪ Энергия из олив

▪ Кофе может менять чувство вкуса

▪ Солнечная батарея размером с молекулу

Лента новостей науки и техники, новинок электроники

 

Интересные материалы Бесплатной технической библиотеки:

▪ раздел сайта Большая энциклопедия для детей и взрослых. Подборка статей

▪ статья Телескоп Хаббл. История изобретения и производства

▪ статья Может ли кошка видеть в темноте? Подробный ответ

▪ статья Пожарная безопасность при работе в плетельном цехе. Типовая инструкция по охране труда

▪ статья Автомобиль. Зажигание. Справочник

▪ статья Мощный преобразователь напряжения 12/5 вольт по простой схеме. Энциклопедия радиоэлектроники и электротехники

Оставьте свой комментарий к этой статье:

Имя:


E-mail (не обязательно):


Комментарий:





Главная страница | Библиотека | Статьи | Карта сайта | Отзывы о сайте

www.diagram.com.ua

www.diagram.com.ua
2000-2026