Бесплатная техническая библиотека
Модернизация трансвертера С.Жутяева. Энциклопедия радиоэлектроники и электротехники

Энциклопедия радиоэлектроники и электротехники / Гражданская радиосвязь
Комментарии к статье
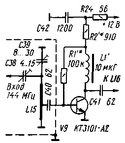
Небольшая доработка высокочастотного усилителя в трансвертере конструкции С. Жутяева (UW3FL) на диапазон 144 МГц [1] позволила сделать коэффициент шума приставки не превышающим 1,6 дБ при коэффициенте шума трансивера 10 дБ. Вновь вводимые элементы на фрагменте схемы трансвертера (рис. 1) показаны цветом. Резисторы R22, R23 необходимо исключить. Вместо транзистора ГТ329А (V9) применен КТ3101-А2.
Рис.1
Часть платы, подвергшаяся переделке, изображена на рис. 2 в масштабе 1:1.
Экранную перегородку изготавливают из луженой жести толщиной 0,3...0,8 мм и припаивают к плате по всей длине, как указано на чертеже. Ее высота - 35...40 мм. В месте соединения базы транзистора с выводом конденсатора С40 в перегородке сделано окно размерами 3Х8 мм. Все элементы нужно располагать на расстоянии не более 1 мм от платы.
Рис.2
В усилителе ВЧ применены резисторы МЛТ-0,125, дроссель ДПМ-0,6 или ему подобный. Вместо транзистора КТ3101-А2 можно включить КТ399А, КТ391-А2, КТ3115-А2, КТ3120А. Рекомендуемый режим транзисторов по постоянному току:
| Транзистор |
Iк,мА |
Uкэ,В |
| КТ3101-А2 |
5,5 |
5 |
| КТ391-А2 |
3 |
7 |
| КТ399А |
4 |
5 |
| КТ3115-А2 |
4 |
7 |
| Т3120А |
5 |
5 |
В некоторых случаях, при использовании транзистора с большим коэффициентом усиления, целесообразно на вывод базы надеть ферритовое кольцо (его начальная магнитная проницаемость особого значения не имеет) с внутренним диаметром 1...2 мм. Это повысит устойчивость усилителя к самовозбуждению.
Настройка УВЧ особенностей не имеет.
Литература
- Жутяев С. УКВ трансвертер. - Радио, 1979, N1.c. 13-16, 1-я с. вкл.
Автор:В. Харченко (RB4EXN) г. Днепродзержинск; Публикация: Н. Большаков, rf.atnn.ru
Смотрите другие статьи раздела Гражданская радиосвязь.
Читайте и пишите полезные комментарии к этой статье.
<< Назад
Последние новости науки и техники, новинки электроники:
Поцелуи полезны для здоровья
01.03.2026
Вопрос о том, как социальные связи и близость с партнером отражаются на здоровье человека, привлекает внимание не только психологов, но и специалистов в области микробиологии. Новое исследование показывает, что совместное проживание с любимым человеком может оказывать значительное влияние на микробиом кишечника и общее самочувствие.
Доктор Наоми Миддлтон, клинический психологи и эксперт по здоровью кишечника, объяснила, что все аспекты совместной жизни - поцелуи, совместное питание, физическая близость и даже просто пребывание рядом - тесно связаны с поддержанием сбалансированной кишечной микрофлоры. Она подчеркивает, что здоровье экосистемы кишечника во многом определяется социальными взаимодействиями и повседневной близостью с другими людьми.
По словам Миддлтон, длительное совместное пребывание с партнером может способствовать увеличению микробного разнообразия в кишечнике, а также снижать воспалительные процессы, связанные со стрессом. Такой эффект обусловлен тем, что микробио ...>>
Управление снами для решения важных задач
01.03.2026
Сны на протяжении веков привлекали внимание философов, психологов и ученых, вызывая вопросы о том, насколько они отражают нашу реальность и могут ли влиять на мышление. Новое исследование нейробиологов из Northwestern University показывает, что содержание человеческих сновидений можно частично направлять, а фаза быстрого сна (REM) играет ключевую роль в творческом мышлении и поиске нестандартных решений.
В эксперименте ученые использовали метод целенаправленной реактивации памяти (TMR). Пока участники спали, им подавали звуки, ассоциированные с головоломками, предложенными им ранее. Сигналы включались только после подтверждения мозговой активности, указывающей на фазу быстрого сна. В результате 75% испытуемых сообщили о появлении во сне образов или идей, связанных с нерешенными задачами. При этом головоломки, "проникшие" в сновидения, решались значительно чаще: 42% против 17% у задач, которые не фигурировали во сне.
Исследователи подчеркивают, что это не прямое доказательство тог ...>>
Новый томат с повышенным содержанием витамина A
28.02.2026
Проблема дефицита витамина A остается одной из глобальных задач здравоохранения, особенно в регионах с ограниченным доступом к разнообразной пище. Недавние достижения биотехнологий позволяют создавать продукты, способные существенно улучшить питание населения, и одним из таких примеров стал новый томат, обогащенный витамином A.
Исследователи из Университета Флориды разработали сорта томатов с повышенным содержанием бета-каротина - вещества, которое организм преобразует в витамин A. Работа была выполнена Джингвеем Фу, Дениз Тиеман и Баллой Ратиноспати в Институте пищевых и аграрных наук UF/IFAS. Созданные помидоры отличаются существенно более высоким уровнем бета-каротина по сравнению с обычными сортами, а также с продуктами, традиционно богатыми этим соединением, такими как сладкий картофель и капуста.
По словам профессора Ратинасабапати, регулярное употребление всего 50-100 граммов этих обогащенных томатов может покрыть суточную потребность человека в витамине A, что делает их п ...>>
Случайная новость из Архива Плавающие атомы для измерения гравитации
25.11.2019
Группа исследователей из Калифорнийского университета в Беркли нашла новый способ измерения сил гравитации и эффектов, связанных с этими силами. Основой этого метода является измерение мельчайших различий между атомами, находящимися в состоянии квантовой суперпозиции, которые удерживаются в "плавающем" состоянии светом лазеров внутри вакуумной камеры. Исследователи из Беркли считают, что этот новый метод в ряде случаев будет более удобен и полезен, чем традиционные методы проведения подобных измерений, используемых в настоящее время.
Нынешним стандартным способом измерения гравитации и проведения экспериментов с земной силой тяжести является сброс различных объектов с некоторой высоты. При этом, сброс объектов осуществляется внутри вертикальных труб, внутри которых создан вакуум большой глубины и которые являются одновременно экраном, блокирующим воздействие ряда внешних факторов на высокочувствительное измерительное оборудование.
К сожалению, такие методы дают ученым возможность наблюдать за воздействием сил гравитации лишь достаточно короткое время, помимо этого, результаты таких экспериментов часто искажаются непреднамеренным воздействием внешних магнитных и электрических полей. Новый же метод позволяет измерить гравитацию способом, в котором не используются вообще никакие падающие или движущиеся объекты.
Для измерения гравитации новым методом облако атомов цезия распыляется внутри небольшой вакуумной камеры. После этого при помощи вспышек лазерного света эти атомы помещаются в состояние квантовой суперпозиции, разделяются на пары, которые занимают фиксированные положения в пространстве. При этом все организовано так, что один атом пары всегда находится выше второго атома.
Измеряемой величиной в этом методе является значение, численно отражающее волновую составляющую каждого атома, который, будучи квантовой частицей, обладает свойством квантово-волнового дуализма, являясь и частицей и волной одновременно. Различия в измеренных величинах частиц, находящихся на различном расстоянии от Земли, и позволяет вычислить значение гравитации с достаточно высокой точностью.
Отметим, что новый метод измерения гравитации имеет целый ряд существенных преимуществ. При его помощи можно проводить измерения сколь угодно долго, поднимая тем самым точность получаемых значений. Кроме этого, такой же метод может быть использован не только для измерения сил земной гравитации, но и сил гравитационных взаимодействий между двумя частицами, таких, как используемые в эксперименте атомы цезия.
За счет небольших размеров вакуумной камеры ее, эту камеру, гораздо легче экранировать и защитить от всех возможных нежелательных воздействий извне. Благодаря этому в будущем можно будет создать достаточно портативное устройство, которое может быть использовано для измерения гравитации в различных точках земной поверхности и проведения подобных измерений с околоземной орбиты.
Новый метод измерения гравитации может стать чрезвычайно полезным инструментом для ученых, занимающихся проблемой темной материи и энергии, и позволяющим провести проверку других физических фундаментальных вещей, таких, как принцип эквивалентности.
|
Другие интересные новости:
▪ Новые силовые модули Infineon Eco Block
▪ Покрытие Liquipel Skins защитит телефон от повреждений
▪ На Титане падают облака
▪ Мышь Cherry MC 4900 со сканером отпечатков пальцев
▪ Если инопланетяне существуют, мы узнаем о них в ближайшие 20 лет
Лента новостей науки и техники, новинок электроники
Интересные материалы Бесплатной технической библиотеки:
▪ раздел сайта Большая энциклопедия для детей и взрослых. Подборка статей
▪ статья Чайковский Петр Ильич. Знаменитые афоризмы
▪ статья Какой писатель в конце жизни признал вред, нанесенный природе собственным произведением? Подробный ответ
▪ статья Водитель автомобиля с установленным съемным оборудованием пескосолераспределителя. Типовая инструкция по охране труда
▪ статья Генераторы сигналов на КМОП микросхемах. Энциклопедия радиоэлектроники и электротехники
▪ статья Монета на бутылке. Секрет фокуса
Оставьте свой комментарий к этой статье:
Главная страница | Библиотека | Статьи | Карта сайта | Отзывы о сайте

www.diagram.com.ua
2000-2026