Menu Home

Бесплатная техническая библиотека для любителей и профессионалов Бесплатная техническая библиотека


Микроконтроллерный измеритель емкости конденсаторов. Энциклопедия радиоэлектроники и электротехники

Бесплатная техническая библиотека

Энциклопедия радиоэлектроники и электротехники / Измерительная техника

Комментарии к статье Комментарии к статье

В основу работы устройства заложен известный метод измерения длительности зарядки и разрядки конденсатора от источника напряжения через резистор известного сопротивления. Диапазон измеряемых значений емкости - от 1 нФ до 12000 мкФ. Он разделен на два поддиапазона, которые условно названы "нФ" и "мкФ". Для измерения емкости конденсаторов без их выпаивания из платы необходима малая амплитуда напряжения на конденсаторе, чтобы этому процессу не мешали р-n переходы полупроводниковых приборов, поэтому образцовый источник имеет напряжение 0,5 В.

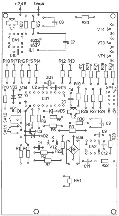
Схема устройства показана на рис. 1.

Микроконтроллерный измеритель емкости конденсаторов
Рис. 1

Основную "работу" выполняет микроконтроллер DD1. Синхронизация работы его узлов осуществляется от встроенного генератора с внешним кварцевым резонатором ZQ1. В составе микроконтроллера DD1 есть аналоговый компаратор, который использован для контроля за напряжением зарядки и разрядки измеряемого конденсатора. Входы этого компаратора соединены с портами РВО, РВ1. Измеряемый конденсатор подключают к гнездам XS1, XS2, и напряжениями высокого или низкого уровня с порта РВЗ через резистивный делитель R1-R3R7R10 осуществляется его зарядка и разрядка. Контакты переключателя SA1.1 шунтируют резистор R2 на пределе "мкФ", увеличивая значения как зарядного, так и разрядного тока. Контакты переключателя SA1.2 на поддиапазоне "нФ" соединяют линии PD1 и PD3 через резистор R19, что фиксируется микроконтроллером DD1 как установка этого поддиапазона. Резистивный делитель R9R6 при напряжении высокого уровня на линии РВ2 формирует на резисторе R6 образцовое напряжение 0,316 В для инвертирующего входа встроенного компаратора (линия РВ1), которое является пороговым для зарядки измеряемого конденсатора.

При переводе линии РВ2 в высоко-импедансное состояние образцовое напряжение отключается и вход компаратора будет подключен через резистор R6 и гнездо XS2 к измеряемому конденсатору - это "общий" вывод конденсатора, что обеспечивает фиксацию нулевого напряжения на конденсаторе при его разрядке. Напряжение с конденсатора через резистор R4 поступает на другой вход компаратора (линия РВО). Цепь C3R5, подключенная параллельно входам компаратора, способствует снижению "цифрового" шума. Цепь R8VD5 "поможет" микроконтроллеру DD1 определить, подключен ли к гнездам XS1, XS2 конденсатор или они замкнуты.

Еще один источник образцового напряжения, относительно которого производятся измерения, собран на ОУ DA2. Делитель R27R29 формирует напряжение около 2,5 В, оно поступает на ОУ DA2, выполняющий роль буферного усилителя.

Вывод результатов измерения микроконтроллер осуществляет на светодиодные семиэлементные индикаторы HG1-HG3 в динамическом режиме с периодичностью около 20 мс. Коммутация анодов индикаторов осуществляется транзисторами VT1, VT3, VT4, а на их катоды сигналы в соответствующем коде поступают с линий PD0-PD6 через резисторы R12-R18. Коды хранятся в памяти микроконтроллера DD1 и заносятся в нее на этапе программирования. "Зажигание" на индикаторах десятичной точки осуществляется через линию РВ4 и резисторы R11, R21.

Эта же линия используется для формирования импульсных сигналов 34, поступающих на акустический пьезоиз-лучатель НА1 через резистор R24.

Питание устройства осуществляется от батареи, состоящей из двух Ni-Cd аккумуляторов типоразмера АА с общим напряжением 2,4 В, которое преобразователем DA1 повышается до стабилизированного 5 В для питания микроконтроллера DD1 и источника образцового напряжения на ОУ DA2. Конденсатор С7 - сглаживающий, резистивный делитель R23R25 задает нижний предел напряжения аккумуляторной батареи. При его снижении до 2...2,1 В на выходе LBO (вывод 2) преобразователя DA1 формируется напряжение низкого уровня, которое через резисторы R33 и R12 поступает на линию PD0 (вывод 2) микроконтроллера DD1. При очередном опросе этой линии микроконтроллер DD1, обнаружив низкий уровень, останавливает работу основной программы, отключает светодиодный индикатор, генерирует продолжительный сигнал, поступающий на акустический излучатель НА1, и переходит в "спящий" экономичный режим, из которого он выходит только при отключении питающего напряжения и последующем его подключении.

Для защиты микроконтроллера и других элементов устройства от напряжения заряженного измеряемого конденсатора применен узел активной защиты, состоящий из диодного моста VD6, транзистора VT2 и светодиода HL1. При подключении заряженного конденсатора, напряжение на котором превышает 4...5 В, через светодиод HL1 протекает ток, открывающий транзистор VT1. В этом случае большая часть напряжения конденсатора приложена к резисторам R3, R7 - происходит разрядка этого конденсатора. В качестве дополнительной защиты линии РВЗ микроконтроллера DD1 применены диоды VD3, VD4 и резистор R10, а линии РВО - VD1, VD2 и R4. Для программирования микроконтроллера к вилке ХР1 подключают программатор.

В устройстве использованы резисторы МЛТ, ОМЛТ с допуском не более 5 %, оксидные конденсаторы - К53-16, остальные - К10-17, КМ, КД, кварцевый резонатор - НС-49, дроссели L1, L2 - ELC06D фирмы Panasonic. Вилка ХР1 является ответной частью розетки ЮС-10. Такие вилки продаются в магазинах радиодеталей в виде линеек, от них отделяют необходимое число контактов. Переключатель SA1 - любой малогабаритный движковый на два направления и два положения, желательно в металлическом корпусе, например В1561, что позволит закрепить его на плате пайкой. Пьезо-излучатель НА1 - пьезокерамический FML-15T-7.9F1-50 с резонансной частотой около 8 кГц. В качестве XS1-XS3 применены контакты с внутренним диаметром 1,5 мм (они припаяны к контактным площадкам на плате) от разобранного разъема РГ4Т. Для измерений отдельных конденсаторов использованы зажимы "крокодил", которые припаяны к вилкам, подключаемым к гнездам XS1, XS2 "Сх", а для измерения впаянных конденсаторов применяют соединительные экранированные провода, экраны которых соединены с вилкой, подключаемой к гнезду XS3 "Общий". Необходимо помнить, что измерительный кабель вносит дополнительную погрешность при измерении конденсаторов с малой емкостью.

Для прибора использован пластмассовый корпус от калькулятора БЗ-26, его отсек питания был уменьшен для размещения двух аккумуляторов. С внутренней стороны корпус оклеен экраном из тонкой алюминиевой фольги. Для контакта с этим экраном применены упругие посеребренные пластины, которые припаяны к общему проводу на плате. Штатный выключатель питания калькулятора использован для включения питания прибора, а гнездо блока питания - для подключения зарядного устройства. Блок питания БП2-1М от калькулятора переделан под зарядное устройство для аккумуляторной батареи. Для этого в плюсовую линию питания устанавливают два резистора и светодиод (рис. 2). По яркости свечения этого светодиода можно судить о степени заряженности аккумуляторной батареи.

Микроконтроллерный измеритель емкости конденсаторов
Рис. 2

Чертежи печатной платы из двусторонне фольгированного стеклотекстолита показаны на рис. 3-5. Не удалось обойтись без применения переходных отверстий, особенно около цифровых индикаторов. Поэтому при монтаже в первую очередь следует установить и запаять в переходные отверстия проволочные перемычки и затем уже выполнить монтаж остальных элементов. Выводы некоторых элементов также используются в качестве переходных перемычек, потому необходима их пайка с обеих сторон платы. Со стороны установки большинства элементов (рис. 4) оставлен участок фольги, соединенный с общим проводом, который осложняет пайку элементов, но повышает надежность работы устройства. Отверстия для выводов элементов, не соединенных с общим проводом, на этом участке зенкуют (на рис. 4 зенковка не показана).

Микроконтроллерный измеритель емкости конденсаторов
Рис. 3

Микроконтроллерный измеритель емкости конденсаторов
Рис. 4

Микроконтроллерный измеритель емкости конденсаторов

Соединение элементов R4, C3, VD1, VD2 и вывода 12 микроконтроллера DD1 необходимо выполнить навесным монтажом. При установке микроконтроллера на плату этот вывод следует отогнуть, резистор R4 установить перпендикулярно плате, пропаяв его вывод со стороны установки гнезда XS1, к другому выводу резистора припаять луженую проволочную перемычку, идущую к выводу 12 микроконтроллера DD1, и уже потом к этой перемычке припаять выводы элементов C3, VD1 и VD2.

Для измерения конденсатор подключают к гнездам "Сх". Микроконтроллер, обнаружив подключенный конденсатор, начнет процесс измерения его емкости, при этом станет светить десятичная точка на индикаторе HG3. По окончании процесса результат выводится на светодиодные индикаторы, затем   выводятся   символы   единиц измерения. При подключенном конденсаторе процесс измерения будет периодически повторяться. С целью экономии энергии аккумуляторной батареи, которая максимально расходуется при индикации результатов, необходимо своевременно отключать измеряемый конденсатор. Если при включении прибора или во время его работы зазвучит длинный звуковой сигнал без включения индикации, нужно зарядить аккумуляторную батарею.

Для отображения единиц измерения использованы символы: "nF" - нанофара-ды; "nF"- микрофарады; "nnF"-тысячи микрофарад.

Для отображения различных ситуаций, требующих выполнения каких-либо действий, совместно со звуковой индикацией применены символы:
"ссс" - измеряемый конденсатор имеет остаточный заряд, его необходимо отключить и полностью разрядить до повторного измерения;
"ггг" - замыкание в измерительной цепи, необходимо убедиться в отсутствии случайного замыкания измерительных гнезд(проводов)или проверить измеряемый конденсатор на пробой;
"ппп" - емкость конденсатора выходит за пределы диапазона измерения, необходимо выбрать другой поддиапазон или убедиться, что ожидаемая емкость измеряемого конденсатора соответствует измерительным возможностям устройства;
"---" - потеря значений поправочных коэффициентов, необходима повторная загрузка.

При подключении заряженного конденсатора с напряжением более 4...5 В включается система защиты и вспыхивает светодиод HL1. Микроконтроллер обнаружит заряженный конденсатор и сообщит об этом световой и звуковой индикацией, но с некоторой задержкой. Поэтому при подключении измеряемого конденсатора необходимо следить за индикатором защиты и немедленно отключать такой конденсатор. При проведении измерений нужно помнить, что к устройству нельзя подключать конденсатор, заряженный до напряжения более 100 В.

В устройстве отсутствует режим самокалибровки. Поэтому использована более трудоемкая, но, по мнению автора, более надежная процедура установки поправочных коэффициентов с помощью программатора, которая может производиться как на этапе изготовления, так и после его ремонта или при возникновении большой погрешности измерения. Для данной работы можно использовать любое доступное средство программирования микроконтроллеров ATMEL.

Прежде всего, используя, например, программу "Блокнот" в ОС WINDOWS, открывают файл cmetr.eep и убеждаются, что третья строка имеет вид

:0C002000FFFF00FFFF00FFFF00FFFF00DC

Здесь в первом байте указано число байтов данных в строке. Следующие два байта - адрес ячейки памяти, в которой хранится первый байт данных строки, четвертый байт - служебный. Затем следуют двенадцать байтов данных, и последний байт - контрольная сумма. Теперь можно загрузить файлы cmetr.hex и cmetr.eep в память микроконтроллера имеющимися программными и аппаратными средствами. Если все сделано правильно, при включении устройства зазвучит короткий звуковой сигнал и пройдет тест цифровых светодиодных индикаторов - сдвиг цифры 8 по всем разрядам. Затем индикаторы погаснут, и измеритель будет ожидать подключения конденсатора, подавая короткие звуковые сигналы с периодом следования около 4 с.

После проверки работоспособности устройства необходимо определить поправочные коэффициенты для двух поддиапазонов. Для этого потребуются образцовые конденсаторы (Собр). желательно с малыми потерями. Например, для поддиапазона "мкФ" подойдет конденсатор емкостью 100 мкФ. Если такой возможности нет, то следует выбрать неполярный конденсатор с емкостью не менее 10 мкФ.
Предположим, что при подключении образцового конденсатора емкостью 100 мкФ показания прибора составляют 106 мкФ (Сх). Значение поправочного коэффициента определяют по формуле К = Сх/(Собр - Сх) = 106/(100 - 106) = = -17,66. Принимаем значение К = -18. В поддиапазоне "нФ" в качестве образцовых    можно    использовать   более доступные конденсаторы К71, К73 емкостью около 0,1 мкФ. Предположим, что измеренное устройством значение образцовой емкости (0,1 мкФ) составляет 99,7 нФ, тогда поправочный коэффициент будет равен: К = 99,7/ /(100 - - 99,7) = 332,3. Принимаем К = 332.

Полученные значения коэффициентов переводят в шестнадцатеричный вид, они будут 12Н и 14СН соответственно. Нет противоречия в том, что чем меньше погрешность измерения, тем больше поправочный коэффициент, просто таков алгоритм вычисления поправки. Теперь необходимо вернуться к описанию процесса программирования и в файле cmetr.eep в третьей строке заменить значения двенадцати байтов данных, чтобы строка имела вид

:0C0020001200FF1200FF4C01004C010064

Первые шесть байтов данных содержат продублированную информацию о коэффициенте для поддиапазона "мкФ", дальше следуют шесть байт (также продублированные) для поддиапазона "нФ". Причем первые два байта - численное значение коэффициента, а третий указывает на его знак. Например, на поддиапазоне "мкФ" получено отрицательное значение коэффициента, поэтому третий и шестой байты данных содержат число FF, что "сообщает" микроконтроллеру о необходимости вычитания поправочного коэффициента. Для поддиапазона "нФ" коэффициент положительный, поэтому девятый и двенадцатый байты содержат число 00, это означает, что поправочный коэффициент нужно прибавлять.

Теперь следует подсчитать значение контрольной суммы в этой строке. Сделать это можно с помощью специализированных программ или инженерного калькулятора ОС WINDOWS в режиме Hex. Для этого необходимо сложить все байты этой строки, включая байт числа байтов данных в строке, два байта адреса ячейки и все байты данных, затем определить, какое число нужно прибавить к этой сумме, чтобы младший байт результата был равен нулю. Это число и будет контрольной суммой, в приведенном выше примере получится 64н. Затем следует выполнить стирание информации в памяти микроконтроллера и повторную загрузку файлов cmetr hex и cmetr.eep. Измеряя образцовые конденсаторы, убеждаются в правильной установке поправочных коэффициентов.

При измерении необходимо учитывать, что в поддиапазоне "нФ" емкость измеряемого конденсатора не должна превышать 12 мкФ, в поддиапазоне "мкФ" - 12000 мкФ, а измерение конденсаторов емкостью менее 1000 пФ имеет приближенный характер, поскольку сказывается емкость измерительной цепи.

Программу микроконтроллера измерителя емкости можно скачать отсюда.

Автор: А. Дымов, г. Оренбург; Публикация: radioradar.net

Смотрите другие статьи раздела Измерительная техника.

Читайте и пишите полезные комментарии к этой статье.

<< Назад

Последние новости науки и техники, новинки электроники:

Власть является ключевым фактором счастья в отношениях 11.03.2026

Исследования семейных и романтических отношений показывают, что длительное счастье пары зависит не только от привычных факторов, таких как доверие, уважение и преданность, но и от более тонких психологических аспектов. Современные ученые ищут закономерности, которые отличают действительно счастливые пары от остальных, чтобы понять, какие механизмы поддерживают гармонию в отношениях. Группа исследователей из Университета Мартина Лютера в Галле-Виттенберге и Бамбергского университета провела опрос среди 181 пары, которые состояли в совместных отношениях более восьми лет и прожили вместе хотя бы месяц. Участники заполняли анкету, описывая различные аспекты своих отношений, включая распределение обязанностей, эмоциональную поддержку и степень вовлеченности в совместные решения. Анализ данных показал интересный паттерн: пары, где оба партнера ощущали высокий уровень личной власти, оказывались наиболее счастливыми и удовлетворенными. В данном контексте под властью понимается способност ...>>

Защищенная колонка-повербанк Anker Soundcore Boom Go 3i 11.03.2026

Компания Anker представила новую модель линейки Soundcore - колонку Soundcore Boom Go 3i, ориентированную на активное использование на улице. Новинка отличается высокой степенью защиты: корпус соответствует стандарту IP68, что обеспечивает водо- и пыленепроницаемость, а ударопрочный дизайн выдерживает падение с высоты до одного метра. За качество звука отвечает 15-ваттный драйвер, обеспечивающий пик громкости до 92 дБ, а технология BassUp 2.0 усиливает низкие частоты, делая звучание более насыщенным. Колонка обладает автономностью до 24 часов, а LED-индикатор позволяет контролировать уровень заряда батареи. Кроме того, Soundcore Boom Go 3i может выполнять функцию павербанка: согласно внутренним тестам, устройство способно зарядить iPhone 17 с нуля до 40% за один час, что делает его полезным аксессуаром в походах и поездках. Среди функциональных особенностей модели стоит выделить технологию Auracast, которая улучшает подключение и позволяет создавать стереопару из двух колонок ...>>

Раннее воздержание от алкоголя перестраивает мозг и иммунитет 10.03.2026

Алкогольная зависимость - хроническое расстройство с компульсивным употреблением спиртного, которое влияет не только на поведение, но и на функционирование мозга и иммунной системы. Недавние исследования показали, что даже на ранних этапах воздержания организм начинает перестраиваться, открывая новые возможности для терапии зависимости. Ученые сосредоточились на пациентах, находящихся в первые недели абстиненции, и зафиксировали значительные изменения в мозговой активности. С помощью функциональной магнитно-резонансной томографии они выявили перестройку сетей нейронных связей, отвечающих за контроль импульсов и принятие решений. Эти изменения могут быть ключевыми для восстановления самоконтроля и снижения риска рецидива. Одновременно с нейронной перестройкой исследователи наблюдали колебания иммунной системы. В крови повышался уровень цитокинов - сигнальных белков, регулирующих воспалительные процессы. Эти данные свидетельствуют о существовании нейроиммунного взаимодействия, при ...>>

Случайная новость из Архива

Технология печати трехмерных объектов из жидкости 07.04.2018

Ученые из Национальной лаборатории имени Лоуренса в Беркли разработали способ печати трехмерных объектов и структур, полностью состоящих из жидких материалов. Используя модернизированный трехмерный принтер, они создали сети из водяных "трубок" в силиконовом масле. Подобная технология может использоваться для создания жидкой электроники, приводящей в действие гибкие и эластичные устройства. Помимо этого, такой способ позволит производить разделение и исследования отдельных молекул, доставку "строительных блоков" для изготовления наноразмерных механизмов и микроэлектромеханических систем.

Напечатанные водяные нити имели толщину от 10 микрон до 1 миллиметра при длине нитей в несколько метров. Для реализации данной технологии ученым пришлось разработать способ, который не позволяет воде разбиваться на отдельные капли во время печати. Решением этой проблемы стал специальный материал-сурфактант, который связывает и удерживает воду.

Этот материал был получен путем наполнения воды золотыми наночастицами и особыми полимерными молекулами масла, в которое выдавливалась вода. Золотые наночастицы и молекулы полимера притягиваются и сцепляются друг с другом, создавая четкую границу между водой и маслом. При этом, граница, созданная наночастицами и полимерными молекулами, напоминает по своей структуре стекло, но этот материал может быть растянут или деформирован без потери его "разделительной" функции.

"Стабильность границы означает то, что мы можем выдавить воду в виде трубки и она останется трубкой. Мы можем сформировать воду в виде эллипсоида и она сохранит заданную форму" - пишут исследователи, - "При этом, границы, разделяющие два жидких материала, сохраняются на протяжении нескольких месяцев".

После этого исследователи взяли стандартный трехмерный принтер и удалили все компоненты, связанные с выдавливанием пластика, заменив это шприцом с тонкой иглой, через которую выдавливается вода, наполненная наночастицами. И после этого принтер, работающий под управлением стандартного программного обеспечения, стал способен создавать любые формы водяных трубок в емкости, заполненной силиконовым маслом.

"Сейчас мы способны "провести" водяные нити куда угодно в трех измерениях" - пишут исследователи, - "Однако, после этого мы можем оказать на материал определенное воздействие, которое нарушит стабильность граничного слоя и заставит водяные нити изменить свою форму. Эта дает нам возможность бесконечного переконфигурирования напечатанных жидких структур, которые имеют шанс в будущем стать основой переконфигурируемой жидкой электроники".

Другие интересные новости:

▪ Портативный DVD-плеер Typhoon

▪ Сантехник вооружается радиолокатором

▪ Карманный ядерно-резонансный сканер

▪ Бесплатный Wi-Fi стал важнее секса и алкоголя

▪ Приливные наводнения связаны с особым типом медленных волн океана

Лента новостей науки и техники, новинок электроники

 

Интересные материалы Бесплатной технической библиотеки:

▪ раздел сайта Стабилизаторы напряжения. Подборка статей

▪ статья Земля обетованная. Крылатое выражение

▪ статья Как появился спорт? Подробный ответ

▪ статья Сантал белый. Легенды, выращивание, способы применения

▪ статья Имитатор звучания альтома. Энциклопедия радиоэлектроники и электротехники

▪ статья Мощный стабилизатор с защитой по току, 50 вольт 5 ампер. Энциклопедия радиоэлектроники и электротехники

Оставьте свой комментарий к этой статье:

Имя:


E-mail (не обязательно):


Комментарий:





Главная страница | Библиотека | Статьи | Карта сайта | Отзывы о сайте

www.diagram.com.ua

www.diagram.com.ua
2000-2026