Menu Home

Бесплатная техническая библиотека для любителей и профессионалов Бесплатная техническая библиотека


C-тестер. Энциклопедия радиоэлектроники и электротехники

Бесплатная техническая библиотека

Энциклопедия радиоэлектроники и электротехники / Измерительная техника

Комментарии к статье Комментарии к статье

В радиолюбительской мастерской, рядом с различными измерительными приборами, может занять хоть и скромное, но вполне законное место "С-тестер" (СТ) для измерения электрической емкости "микрофарадных" конденсаторов. Измерять емкость таких конденсаторов приходится нечасто. Поэтому совместно с СТ предполагается использование внешних приборов: секундомера или часов с секундной стрелкой и, в некоторых случаях, многопредельного миллиамперметра (тестера). Этим достигается предельная простота, малые габариты и низкая стоимость СТ. Собранный по схеме, приведенной на рис.1, он не потребует настройки, градуировки, подбора деталей и обеспечит относительную погрешность измерения не более ±10% (без учета погрешности внешних приборов) в диапазоне 5...10000 мкФ. Такая погрешность измерения для указанных конденсаторов допустима в большинстве практических случаев. При необходимости она может быть существенно уменьшена.

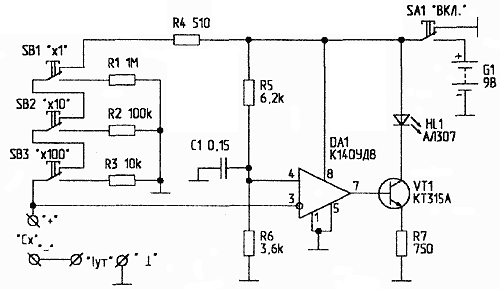
C-тестер. Принципиальная схема С-тестера
Рис.1. Принципиальная схема С-тестера

В схеме СТ осуществлен принцип косвенного определения электрической емкости конденсатора по времени его разрядки от начального напряжения до некоторого конечного, находящегося в фиксированном отношении к начальному. При начальном напряжении, равном Е, напряжение на конденсаторе U при его разрядке подчиняется уравнению: U = E e -t / RC, (1) откуда C = t/R * 1/(/nE - /nU), (2)

Примем: t = RC. (3)

Подставляя значение t из (3) в формулу (1), получим: U = E / e, (4) то есть при соблюдении условия формулы (4) емкость из (3) определяется так: C = t / R. (5)

Таким образом, согласно формуле (5), при начальном напряжении, равном Е, и конечном напряжении, рассчитанном согласно формуле (4), значение измеряемой емкости прямо пропорционально времени t. Примем сопротивление резистора R равным 1 МОм. Тогда емкость конденсатора в соответствии с формулой (5) будет определяться C = t 10 -6 (Ф) = t (мкФ), (6) т.е. емкость конденсатора С в микрофарадах численно равна времени его разрядки t в секундах. В СТ предусмотрены три диапазона измерения емкости с декадными множителями х1, х10, х100 и разрядные резисторы с сопротивлениями 1 МОм, 100 кОм, 10 кОм соответственно. С учетом этого формула (6) будет выглядеть C = t n, (7) где: С - емкость, мкФ; n - множитель диапазона (1, 10 или 100).

СТ устроен и работает следующим образом. К клеммам "Сх" подключается измеряемый конденсатор (с соблюдением полярности для полярных конденсаторов). Конденсатор одним своим выводом через цепочку нормально замкнутых контактов кнопок SB1, SB2, SB3, маркированных "х1", "х10", и "х100", резистор R4, ограничивающий ток зарядки конденсатора, и выключатель питания SA1 подключен к источнику питания G1. Другой вывод конденсатора подключен к общему проводу через клеммы "lут" и "корпус", замкнутые перемычкой (на рис.1 перемычка не показана). При включении питания тумблером SA1 конденсатор заряжается до напряжения питания. Это - начальное напряжение.

Операционный усилитель DA1 включен по схеме компаратора напряжения. Его инвертирующий вход подключен к измеряемому конденсатору, а неинвертирующий - к делителю напряжения R5, R6, в точке деления которого устанавливается напряжение, равное U = E / e, где Е - напряжение источника питания, В; е - основание натурального логарифма (е=2,718). Это - конечное напряжение. В исходном состоянии, при полностью заряженном конденсаторе, напряжение на выходе компаратора низкое, транзистор VT1 закрыт, и светодиод HL1 не горит. При нажатии и удерживании любой из кнопок (SB1, SB2 или SB3) измеряемый конденсатор подключается к соответствующему резистору R1, R2 или R3, и начинается его разрядка. Когда напряжение на конденсаторе станет равным напряжению делителя R5-R6, компаратор переключается, напряжение на его выходе устанавливается около 6 В, транзистор VT1 открывается, и загорается светодиод HL1. Время t в секундах измеряется от момента нажатия кнопки до момента загорания светодиода. Теперь можно отпустить кнопку. Конденсатор через цепочку нормально замкнутых контактов кнопок SB1, SB2, SB3 и резистор R4 снова зарядится, и светодиод погаснет.

При измерении емкости выбор той или иной кнопки произволен и определяется только удобством отсчета времени. Измерение можно начинать с любой кнопки, но не ранее чем через 10 с от момента включения питания или отпускания ранее нажатой кнопки. Это время нужно для надежной зарядки измеряемого конденсатора. После измерения, прежде чем отключить конденсатор от клемм "Сх", следует отключить питание тумблером "ВКЛ". При этом конденсатор разрядится через замкнувшиеся контакты тумблера SA1, резистор R4 и перемычку на клеммах "lyт". При измерении емкости оксидных (электролитических) конденсаторов иногда приходится учитывать их ток утечки Iут, который может внести существенную ошибку в результат измерения (результат будет ниже истинного значения). Исправить положение позволит введение коэффициента Кут, зависящего от lyт конденсатора и выбранного диапазона изменения n. В применении к СТ с учетом тока утечки конденсатора формула (7) выглядит так: С = t n Кут, (8) где: С - емкость конденсатора, мкФ; Кут - коэффициент поправки Кут = 1 + (Iут / nE), n - множитель диапазона (1, 10 или 100); Iут - ток утечки, мкА; Е - напряжение источника питания, В.

Напряжение источника питания примерно равно 9 В. Тогда Кут = 1 + (Iут / n9).

Коэффициент Кут несложно подсчитать по этой формуле, но проще воспользоваться графиком его зависимости от тока утечки Iyт, приведенным на рис.2.

C-тестер
Рис.2.

Ток утечки конденсатора измеряется миллиамперметром, подключенным к клеммам "Iyт" вместо перемычки. Подключение миллиамперметра следует производить при выключенном питании. При включении тумблера питания ток зарядки конденсатора в первый момент может достигать 20 мА, а затем падает до некоторой величины, определяемой величиной утечки конденсатора. В установившемся режиме величина тока утечки может находиться в пределах от долей микроампера до 20 мА (у пробитого конденсатора). Это нужно учитывать при установке предела измерения миллиамперметра в момент включения питания. При измерении тока утечки электролитических конденсаторов следует некоторое время выдержать их под напряжением (потренировать), пока значение тока установится. За это время конденсатор не только заряжается, но и "формуется", изменяя свою емкость.

Типы применяемых деталей могут быть любыми. Резисторы R1, R2, R3, R5, R6 должны иметь допуск по сопротивлению не более ±5%. Микросхему К140УД8 можно заменить микросхемой К140УД6 или К140УД12 (с учетом цоколевки). На панели СТ устанавливаются: тумблер SA1, кнопки SB1, SB2, SB3, клеммы "Сх", "Iут" и светодиод HL1. Питается СТ от батареи напряжением 9 В, потребляя ток 6 мА.

При желании уменьшить погрешность измерения следует установить резисторы R1, R2, R3 с сопротивлениями, максимально совпадающими со значениями, указанными на схеме. Нужно также подобрать сопротивления резисторов R5 и R6 так, чтобы соблюдалось условие R5/R6=1,72.

Это может уменьшить погрешность измерения на 3%. А можно поступить так. К клеммам "Сх+" и "Корпус" подключить с соблюдением полярности регулируемый источник постоянного напряжения, установить на его выходе напряжение, равное измеренному напряжению батареи питания, умноженному на коэффициент 0,368. Например, при Е=9,21 В напряжение на клеммах "Сх" нужно установить равным U=9,21*0,368=3,39 (В). Кнопки нажимать не нужно, клеммы "Сх-"и "Iyт" должны быть свободны. Включается СТ. При этом, если светодиод горит, последовательно с резистором R6 включается переменный резистор сопротивлением 1 кОм, и его регулировкой находится порог, при котором зажигается и гаснет светодиод. Если светодиод не горит, то приведенные выше действия нужно проделать, включив переменный резистор последовательно с резистором R5. Сопротивление переменного резистора измеряется, и добавляется постоянный резистор с таким же сопротивлением. При таком способе подбора будет компенсировано технологическое смещение входных напряжений операционного усилителя DA1, которое также является источником ошибки, правда, небольшой.

Способ измерения времени t прямо определяет точность измерения емкости. Для измерения времени можно воспользоваться секундомером, секундной стрелкой часов, мигающей точкой на табло цифровых часов, а можно, если не нужна большая точность, просто считать секунды.

Уменьшение измеренной емкости конденсатора по отношению к его номиналу может быть следствием увеличенного тока утечки. Если при включении тумблера питания светодиод не гаснет, в измеряемом конденсаторе либо замыкание, либо очень велика утечка. Когда после нажатия кнопки "х1" светодиод зажигается без задержки, в конденсаторе либо обрыв, либо он потерял емкость. В любом случае имеется возможность сделать вывод о пригодности конденсатора.

Приведенный в начале статьи диапазон измерения емкости указан условно. Принципиально он не ограничен этими цифрами и может быть расширен в обе стороны без каких-либо изменений в схеме. Расширится только диапазон измерения времени внешним прибором. Возможно, увеличится погрешность измерения малых емкостей за счет трудности измерения малых промежутков времени.

Литература

  1. Ф.Е. Евдокимов. Теоретические основы электротехники. 5-е изд. - М.: Высш. школа, 1981.

Автор: В.Гусаров, г.Минск; Публикация: radioradar.net

Смотрите другие статьи раздела Измерительная техника.

Читайте и пишите полезные комментарии к этой статье.

<< Назад

Последние новости науки и техники, новинки электроники:

Польза белкового завтрака 14.01.2026

Правильное питание по утрам играет ключевую роль в поддержании здоровья и контроле веса. Многочисленные исследования подтверждают, что состав завтрака может влиять на аппетит в течение всего дня и качество употребляемой пищи. Австралийские ученые провели масштабный эксперимент, который показал, что употребление белковой пищи с утра помогает дольше чувствовать сытость и предотвращает переедание. В исследовании участвовали более 9 тысяч человек среднего возраста 46 лет. В период с 2011 по 2012 год специалисты анализировали рационы респондентов, оценивая долю основных макронутриентов. В среднем участники потребляли 43% углеводов, 31% жиров, 18% белков, 2% клетчатки и 4% алкоголя. Такой рацион позволил ученым проследить взаимосвязь между утренним приемом пищи и пищевым поведением в течение дня. Выяснилось, что участники, чей завтрак содержал недостаточное количество белка, ощущали повышенный аппетит в течение дня. Они ели больше, чем необходимо, и часто выбирали продукты с высоким со ...>>

Технология SmartPower HDR 14.01.2026

Ноутбуки стремительно развиваются в плане графики и мультимедийных возможностей, но яркие дисплеи с высоким динамическим диапазоном (HDR) часто становятся серьезной нагрузкой для аккумуляторов. Длительная работа с видео высокого качества или играми в HDR приводит к быстрой разрядке батареи, что ограничивает мобильность пользователей и снижает комфорт работы. Решить эту проблему призвана новая технология SmartPower HDR, разработанная совместно компаниями Samsung Display и Intel. Суть технологии заключается в динамическом управлении напряжением OLED-панелей. Чипсет ноутбука в реальном времени анализирует пиковую яркость каждого кадра и передает эти данные контроллеру дисплея, который оптимизирует подачу напряжения в зависимости от количества активных пикселей. В отличие от традиционных режимов HDR, где яркость часто фиксируется на максимальном уровне, SmartPower HDR адаптируется к конкретному контенту, что снижает энергопотребление без потери качества изображения. Технология позвол ...>>

Недосып существенно сокращает жизнь 13.01.2026

Сон является одной из самых фундаментальных потребностей человека. Он влияет на обмен веществ, работу сердца и мозга, иммунитет и общее самочувствие. Современный ритм жизни часто заставляет людей жертвовать сном ради работы, учебы или развлечений, но ученые предупреждают: регулярный недосып может иметь далеко идущие последствия для здоровья и долголетия. Исследователи из Орегонского университета здравоохранения и науки пришли к выводу, что сон менее семи часов в сутки связан с сокращением продолжительности жизни. По данным специалистов, хроническая нехватка сна не только вызывает усталость и снижение работоспособности, но и постепенно сказывается на здоровье органов и систем, увеличивая риски развития различных заболеваний. Для анализа ученые использовали обширную национальную базу данных США, сопоставляя показатели ожидаемой продолжительности жизни на уровне штатов с результатами опросов Центров контроля и профилактики заболеваний за период с 2019 по 2025 годы. Они учитывали мно ...>>

Случайная новость из Архива

Нервные клетки все-таки восстанавливаются 15.04.2018

Изучение нейрогенеза (образования новых нервных клеток - нейронов) - относительно новое направление исследований. За последние годы ученые доказали, что новые нейроны на протяжении всей жизни образуются в мозге многих млекопитающих, однако по вопросу о нейрогенезе у человека консенсуса в научном сообществе до сих пор нет.

Новые методы визуализации (такие, как конфокальная микроскопия), позволили доказать, что по крайней мере до полового созревания новые нейроны образуются в человеческом гиппокампе - области мозга, участвующей в формировании эмоций и памяти. Полученые данные могут помочь в разработке лекарств от нейродегенеративных заболеваний, таких, как болезнь Альцгеймера, полагают ученые.

Маура Болдрини (Maura Boldrini), нейробиолог из Колумбийского университета, и ее коллеги взяли образцы ткани из гиппокампа здоровых при жизни 28 человек, умерших не более чем за несколько часов до того. Возраст этих людей на момент смерти составлял от 14 до 79 лет. Ученые установили, с какой скоростью в организме покойных при жизни образовывались новые клетки крови и нейроны зубчатой фасции гиппокампа - части мозга, где происходит нейрогенез.

"Согласно данным исследований, проведенных на мышах, в зубчатой фасции есть плюрипотентные "материнские" стволовые клетки, количество которых, по некоторым данным, ограничено. Рзвитие "дочерних" клеток, образовавшихся в результате деления "материнских", может пойти по пути образования нейронов", - поясняет Болдрини.

Болдрини и ее коллеги установили, что количество "материнских" клеток с возрастом уменьшается, а "дочерних" - нет. Ученые обнаружили в зубчатой фасции тысячи молодых, не до конца оформившихся нейронов во всех пробах, вне зависимости от возраста людей, у которых брали образцы. Однако чем старше человек, тем меньше в зубчатой фасции клеток, вырабатывающих вещества, которые связаны со способностью мозга к перестройке существующих нейронных связей и образованию новых (нейропластичности). "Новые нейроны, появляющиеся во взрослом возрасте, возможно, образуют меньше связей друг с другом и другими нейронами, или реже мигрируют в другие отделы мозга", - заключают ученые.

Потеря нейропластичности может объяснить эмоциональную уязвимость, появляющуюся у некоторых людей в зрелом возрасте, но новые клетки мозга, в том числе нейроны, все-таки способны противостоять ухудшению когнитивных навыков, считают авторы новой работы. Теперь ученые планируют выяснить, с какой скоростью молодые нейроны образуются у людей, страдающих от болезни Альцгеймера и эмоциональных проблем.

Другие интересные новости:

▪ Изолированные 24V дискретные входы ISO1211 и ISO1212

▪ Intel построит в Огайо фабрику по производству микросхем

▪ Универсальные контроллеры питания для беспроводных наушников TWS

▪ Съедобные батареи

▪ Исследование структуры бензола

Лента новостей науки и техники, новинок электроники

 

Интересные материалы Бесплатной технической библиотеки:

▪ раздел сайта И тут появился изобретатель (ТРИЗ). Подборка статей

▪ статья Совокупное действие неблагоприятных факторов на организм человека. Основы безопасной жизнедеятельности

▪ статья Какому знаменитому физику вручили Нобелевскую премию в области химии? Подробный ответ

▪ статья Арматурщик. Типовая инструкция по охране труда

▪ статья Перспективы использования ветроэнергетических установок. Энциклопедия радиоэлектроники и электротехники

▪ статья Преобразователь напряжения + зарядное устройство для аккумулятора. Энциклопедия радиоэлектроники и электротехники

Оставьте свой комментарий к этой статье:

Имя:


E-mail (не обязательно):


Комментарий:





Главная страница | Библиотека | Статьи | Карта сайта | Отзывы о сайте

www.diagram.com.ua

www.diagram.com.ua
2000-2026