Бесплатная техническая библиотека
Кварцевый хаотический автогенератор. Энциклопедия радиоэлектроники и электротехники

Энциклопедия радиоэлектроники и электротехники / Измерительная техника
Комментарии к статье
Построение автогенераторов с "хаотическим поведением" основывается на взаимодействии взаимосвязанных линейного и нелинейного осцилляторов.
Схема "хаотического" автогенератора обычно содержит три основных элемента:
- линейный колебательный контур;
- взаимосвязанный с линейным нелинейный колебательный контур, содержащий p-n-переход (чаще всего это варакторный диод);
- усилитель с ограничительной характеристикой, обеспечивающий самовозбуждение системы (любая схема усилителя, используемая в обычных автогенераторах).
Характер процессов в нелинейном контуре хаотического автогенератора определяется как частотой, так и амплитудой воздействия на него. Сложные сигналы на выходе нелинейного контура после прохождения по цепи обратной связи автогенератора становятся источником возмущения того же самого нелинейного контура. При многократной циркуляции сигнала, динамика такого автогенератора становится хаотической.
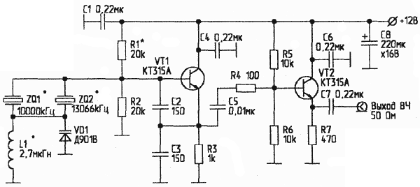
Схема кварцевого хаотического автогенератора, где в качестве линейных контуров используются кварцы, представлена на рис.1. Здесь линейный колебательный контур образован кварцами, а нелинейный - элементами L1-VD1. В зависимости от полярности и уровня ВЧ-напряжения, приложенного к варакторному диоду VD1, его емкость изменяется, следовательно, собственная (резонансная) частота контура L1-VD1 также изменяется.
Рис.1. Принципиальная схема кварцевого хаотического автогенератора
При определенных параметрах системы (номиналах радиодеталей) колебания в ней становятся хаотическими, а дискретный до этого момента спектр колебаний (рис.2) - непрерывным (рис.3).
Рис.2. Дискретный спектр колебаний
Рис.3. Непрерывный спектр колебаний
Для построения хаотического автогенератора использовалась известная классическая схема емкостной "трехточки". Транзистор VT2 образует буферный каскад, который необходим для развязки автогенератора на VT1 и его нагрузки (например, измерительных приборов с 50-омными входами).
В схеме на рис.1 используются два кварца. Это вызвано следующим. Как показали предварительные эксперименты, хаотические колебания реализуются при наличии контура L1-VD1 и всего одного кварца, однако такой режим работы автогенератора оказывается крайне неустойчивым.
При выключении питания и его последующем включении автогенератор перестает работать в хаотическом режиме и становится "обычным" кварцевым генератором. Возврат в хаотический режим возможен в этом случае кратковременным подключением второго кварца к уже работающему в автогенераторе.
При параллельном включении нескольких кварцев и отсутствии нелинейного контура L1-VD1, в схеме происходят сложные (многочастотные), но детерминированные колебания. Подключив к выходу автогенератора спектроанализатор, можно увидеть в этом случае лишь некоторое число пиков различной высоты (рис.2). При наличии двух кварцев с разными частотами, колебания одного кварца модулируют колебания другого из-за нелинейности усилителя на VT1. В итоге получается АМ-сигнал и ряд гармоник. Чем сложнее форма колебаний, воздействующих на линейный контур L1-VD1, тем более вероятен хаотический режим. Следует учесть, что тип корпуса и исполнение кварцев должно быть идентично, а различаться они должны только частотой - это одно из условий того, что автогенератор будет генерировать сразу на частотах установленных в него кварцев.
Частоты кварцев должны отличаться примерно в 1,3...1,5 раза. При этом необходимо использовать кварцы с отношением частот, близким к иррациональному числу. Другими словами, желательно использовать кварцы с несоизмеримыми частотами.
Для получения хаотических колебаний при необходимости следует подобрать индуктивность L1 (в качестве L1 автор использовал дроссель промышленного изготовления каплеобразной формы с двумя выводами). Если хаотические колебания все же не получаются, следует попробовать подобрать конденсаторы С2 и C3, либо изменить режим транзистора VT1 по постоянному току с помощью R1.
Установив рядом с исследуемым автогенератором многодиапазонный приемник с АМ-диапазонами и подключив к выходу генератора отрезок провода длиной 10...20 см, который служит в данном случае антенной, прослушиваем работу генератора, чтобы определить - перешел ли он в хаотический режим работы или нет. Наличие сильного шума в широкой полосе частот со "вставками" весьма мощных несущих свидетельствует о том, что реализован именно хаотический режим работы.
Вместо приемника можно использовать специальный прибор, позволяющий контролировать даже момент перехода от детерминированных к хаотическим колебаниям. Схема такого прибора - индикатора хаотических колебаний (рис.4) - представляет собой детекторный приемник АМ-сигналов с 50-омным входом по ВЧ и высокочувствительным УЗЧ, нагруженным на головные телефоны.
Рис.4. Схема прибора-индикатора хаотических колебаний
Индикатор налаживают, подбирая номинал резистора R5 до получения напряжения +4...8 В на коллекторе VT2. Вход индикатора подключается к выходу генератора. При наличии хаотических колебаний в исследуемом автогенераторе, в головных телефонах слышен очень громкий шум, напоминающий "суперный шум" сверхгенеративного приемника.
Как показали эксперименты, в полосе частот 1 ...25 МГц мощность шумов кварцевого хаотического автогенератора в 104...106 раз больше мощности шумов классической схемы генератора шума на стабилитроне! Это позволяет использовать кварцевый хаотический автогенератор как сверхмощный генератор шума при проведении различных измерений.
Литература
- Мун Ф. Хаотические колебания. Вводный курс для научных работников и инженеров. - М.: Мир, 1990.
- Чайка Ю.Д. Детермированый хаос - в арсенал радиолюбителя. - Радиоаматар, 1998, N9, С.12, 13.
- Максимов Н.А., Кислов В.Я. Хаотическая и регулярная динамика автономных автоколебательных систем, содержащих р-n-переход. - Радиотехника и электроника, 1997, N12, С.1487-1492.
- Артеменко В. SSB-минитрансивер с ЭМФ на 160 м - KB журнал, 1997, N6, С.13-21.
- Чайка Ю.Д. Семейство автогенераторов шумовых колебаний. - Радиоаматар, 2002, N8, С.53-55.
- Давидович М.В. Бистабильный усилитель на эффекте стохастического резонанса для малых входных отношений сигнал/шум. - Радиотехника и электроника, 1996, N11, С.1332-1339.
Автор: В.Артеменко, UT5UDJ, г.Киев; Публикация: radioradar.net
Смотрите другие статьи раздела Измерительная техника.
Читайте и пишите полезные комментарии к этой статье.
<< Назад
Последние новости науки и техники, новинки электроники:
Власть является ключевым фактором счастья в отношениях
11.03.2026
Исследования семейных и романтических отношений показывают, что длительное счастье пары зависит не только от привычных факторов, таких как доверие, уважение и преданность, но и от более тонких психологических аспектов. Современные ученые ищут закономерности, которые отличают действительно счастливые пары от остальных, чтобы понять, какие механизмы поддерживают гармонию в отношениях.
Группа исследователей из Университета Мартина Лютера в Галле-Виттенберге и Бамбергского университета провела опрос среди 181 пары, которые состояли в совместных отношениях более восьми лет и прожили вместе хотя бы месяц. Участники заполняли анкету, описывая различные аспекты своих отношений, включая распределение обязанностей, эмоциональную поддержку и степень вовлеченности в совместные решения.
Анализ данных показал интересный паттерн: пары, где оба партнера ощущали высокий уровень личной власти, оказывались наиболее счастливыми и удовлетворенными. В данном контексте под властью понимается способност ...>>
Защищенная колонка-повербанк Anker Soundcore Boom Go 3i
11.03.2026
Компания Anker представила новую модель линейки Soundcore - колонку Soundcore Boom Go 3i, ориентированную на активное использование на улице.
Новинка отличается высокой степенью защиты: корпус соответствует стандарту IP68, что обеспечивает водо- и пыленепроницаемость, а ударопрочный дизайн выдерживает падение с высоты до одного метра. За качество звука отвечает 15-ваттный драйвер, обеспечивающий пик громкости до 92 дБ, а технология BassUp 2.0 усиливает низкие частоты, делая звучание более насыщенным.
Колонка обладает автономностью до 24 часов, а LED-индикатор позволяет контролировать уровень заряда батареи. Кроме того, Soundcore Boom Go 3i может выполнять функцию павербанка: согласно внутренним тестам, устройство способно зарядить iPhone 17 с нуля до 40% за один час, что делает его полезным аксессуаром в походах и поездках.
Среди функциональных особенностей модели стоит выделить технологию Auracast, которая улучшает подключение и позволяет создавать стереопару из двух колонок ...>>
Раннее воздержание от алкоголя перестраивает мозг и иммунитет
10.03.2026
Алкогольная зависимость - хроническое расстройство с компульсивным употреблением спиртного, которое влияет не только на поведение, но и на функционирование мозга и иммунной системы. Недавние исследования показали, что даже на ранних этапах воздержания организм начинает перестраиваться, открывая новые возможности для терапии зависимости.
Ученые сосредоточились на пациентах, находящихся в первые недели абстиненции, и зафиксировали значительные изменения в мозговой активности. С помощью функциональной магнитно-резонансной томографии они выявили перестройку сетей нейронных связей, отвечающих за контроль импульсов и принятие решений. Эти изменения могут быть ключевыми для восстановления самоконтроля и снижения риска рецидива.
Одновременно с нейронной перестройкой исследователи наблюдали колебания иммунной системы. В крови повышался уровень цитокинов - сигнальных белков, регулирующих воспалительные процессы. Эти данные свидетельствуют о существовании нейроиммунного взаимодействия, при ...>>
Случайная новость из Архива Прототип анода для натрий-ионных батарей
31.12.2013
Группа исследователей из Института общей и неорганической химии РАН совместно с коллегами из Сингапура и Израиля создали новый материал, который можно использовать для изготовления анодов для натрий-ионных батарей. Такие батареи в будущем могут заменить литий-ионные аккумуляторы, получившие распространение сегодня.
Химики из возглавляемой Татьяной Трипольской лаборатории нашли способ создания слоя сульфида сурьмы из так называемых пероксокомплексов. Ученые называют так соединения различных веществ с группой OOH (сотрудники лаборатории Трипольской сосредоточились на элементах p-группы, в основном, на сурьме и олове). Эта группа является фактически молекулой перекиси водорода (H2O2, H-O-O-H), от которой отделен один атом водорода.
В ходе эксперимента графеновые чешуйки были покрыты тонким слоем сульфида сурьмы. Эти чешуйки применили в композиционном материале для электродов батареи, при этом вместо распространенной сегодня литий-ионной технологии ученые проводили эксперимент с натрием.
Натрий-ионные аккумуляторные батареи могут иметь по сравнению литиевыми одно значительное преимущество: запасов натрия на Земле очень много. К примеру, этот элемент образует поваренную соль. В теории натриевые аккумуляторы могли бы оказаться дешевле литиевых, однако ионы натрия не встраиваются в обычные графитовые электроды (либо электроды из другого доступного материала).
В своей работе исследователи показали, что для ионов натрия подходит сульфид сурьмы, причем нет необходимости делать из него электроды целиком. Контрольные измерения показали, что новые электроды могут накапливать до 730 мА·ч на грамм. По оценкам химиков, сурьмяно-сульфидная технология может помочь "подтянуть" натрий-ионные батареи на уровень, вполне сопоставимый с литий-ионными батареями.
"Данный метод получения композиционного материала не требует специального оборудования и очень прост в аппаратурном оформлении" - сообщил в беседе с журналистами Петр Приходченко, один из авторов работы. "Он очень дешев и прост в аппаратурном оформлении, не требует больших энергозатрат, не дает токсичных отходов, а также может легко масштабироваться в реальное производство" - сказал он.
|
Другие интересные новости:
▪ Татуировки мешают потеть
▪ Противоугонная система на велосипеде
▪ Где больше компьютеров и Интернета
▪ Телефон может сделать человека счастливее
▪ SONY построит супер-телевизор на процессоре CELL
Лента новостей науки и техники, новинок электроники
Интересные материалы Бесплатной технической библиотеки:
▪ раздел сайта Домашняя мастерская. Подборка статей
▪ статья Поэтическая вольность. Крылатое выражение
▪ статья Откуда произошло слово каторга? Подробный ответ
▪ статья Скользящая восьмерка. Советы туристу
▪ статья Экономим электроэнергию. Энциклопедия радиоэлектроники и электротехники
▪ статья Вечноговорящее радио. Энциклопедия радиоэлектроники и электротехники
Оставьте свой комментарий к этой статье:
Главная страница | Библиотека | Статьи | Карта сайта | Отзывы о сайте

www.diagram.com.ua
2000-2026