Menu Home

Бесплатная техническая библиотека для любителей и профессионалов Бесплатная техническая библиотека


Измеритель LC. Энциклопедия радиоэлектроники и электротехники

Бесплатная техническая библиотека

Энциклопедия радиоэлектроники и электротехники / Измерительная техника

Комментарии к статье Комментарии к статье

В практике радиолюбителя измерение параметров используемых радиоэлементов - первый основополагающий шаг в достижении поставленных целей при создании радиотехнического или электронного комплекса. Не зная свойств "элементарных кирпичиков", очень трудно сказать, какими свойствами будет обладать построенный из них дом. В данной статье читателю предложено описание несложного измерительного прибора, который должен быть в лаборатории у каждого радиолюбителя.

Принцип работы предлагаемого LC-метра основан на измерении энергии, накапливаемой в электрическом поле конденсатора и магнитном поле катушки. Впервые применительно к любительской конструкции этот метод был описан в [1], а в последующие годы с незначительными изменениями широко был использован во многих конструкциях измерителей индуктивности и емкости. Применение в данной конструкции микроконтроллера и ЖКИ индикатора позволило создать простой, малогабаритный, дешевый и удобный в эксплуатации прибор, имеющий достаточно высокую точность измерений. При работе с прибором не нужно манипулировать никакими органами управления, достаточно просто подключить измеряемый элемент и считать показания с индикатора.

Технические характеристики

  • Диапазон измеряемой емкости......0,1пФ...5мкФ
  • Диапазон измеряемой индуктивности......0,1 мкГн...5 Гн
  • Погрешность измеряемой величины, не более, %......±3
  • Напряжение питания, В......7,5...9
  • Ток потребления, мА, не более......15
  • Автоматический выбор диапазона измерений
  • Программная коррекция нуля
  • Габариты, мм......140x40x30

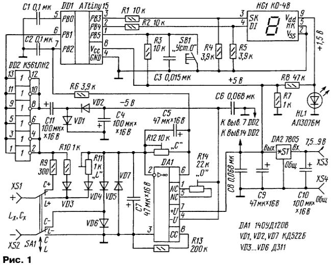
Принципиальная схема прибора показана на рис. 1

Измеритель LC
(нажмите для увеличения)

Сигнал возбуждающего напряжения рямоугольной формы с вывода 6 (РВ1) микроконтроллера DD1 через три нижних по схеме буферных элемента DD2 поступает на измерительную часть устройства. Во время высокого уровня напряжения зарядка измеряемого конденсатора Сх происходит через резистор R9 и диод VD6, а во время низкого - разрядка через R9 и VD5. Средний ток разрядки, пропорциональный величине измеряемой емкости, устройство преобразует с помощью операционного усилителя DA1 в напряжение. Конденсаторы С5 и С7 сглаживают его пульсации. Резистор R14 служит для точной установки нуля ОУ.

При измерении индуктивности во время высокого уровня ток в катушке нарастает до значения, определяемого резистором R10, а во время низкого - ток, создаваемый ЭДС самоиндукции измеряемой катушки, через VD4 и R11 также поступает на вход микросхемы DA1.

Таким образом, при постоянном напряжении питания и частоте сигнала напряжение на выходе ОУ прямопропорционально величинам измеряемых емкости или индуктивности. Но это справедливо только при условии, что зарядка конденсатора выполнена полностью в течение половины периода возбуждающего напряжения и также полностью произошла разрядка в течение другой половины. Аналогично и для катушки индуктивности. Ток в ней должен успевать нарастать до максимального значения и спадать до нуля. Эти условия можно обеспечить соответствующим выбором резисторов R9-R11 и частоты возбуждающего напряжения.

Напряжение, пропорциональное значению параметра измеряемого элемента, с выхода ОУ через фильтр R6C2 подают на встроенный десятиразрядный АЦП микроконтроллера DD1. Конденсатор С1 - фильтр внутреннего источника образцового напряжения АЦП.

Три верхних по схеме элемента DD2, а также VD1, VD2, С4, С11 использованы для формирования напряжения -5 В, необходимого для работы ОУ

Результат измерения прибор отображает на десяти разрядном семисегментном ЖКИ HG1 (КО-4В, серийно выпускает фирма "Телесистемы" в г.Зеленограде). Аналогичный индикатор использован в телефонах "PANAPHONE".

Для повышения точности прибор имеет девять поддиапазонов измерения. Частота возбуждающего напряжения на первом поддиапазоне равна 800 кГц. На такой частоте измеряют конденсаторы с емкостью примерно до 90 пФ и катушки с индуктивностью до 90 мкГн. На каждом последующем поддиапазоне частота снижена в 4 раза, соответственно во столько же раз расширен предел измерения. На девятом поддиапазоне частота равна 12 Гц, что обеспечивает измерение конденсаторов с емкостью до 5 мкФ и катушек с индуктивностью до 5 Гн. Нужный поддиапазон прибор выбирает автоматически, причем после включения питания измерение начинает с девятого поддиапазона. В процессе переключения номер поддиапазона отображен на индикаторе, что позволяет определить, на какой частоте выполняют измерение.

После выбора нужного поддиапазона результат измерения в пФ или мкГн выведен на индикатор. Для удобства считывания десятые доли пФ (мкГн) и единицы мкФ (Гн) отделены пустым знакоместом, а результат округлен до трех значащих цифр.

Светодиод HL1 красного цвета свечения использован в качестве стабистора на 1,5 В для питания индикатора. Кнопка SB1 служит для программной коррекции нуля, что помогает компенсировать емкость и индуктивность клемм и переключателя SA1. Этот переключатель можно исключить, если установить отдельные клеммы для подключения измеряемой индуктивности и емкости, но это менее удобно в эксплуатации. Резистор R7 предназначен для быстрой разрядки конденсаторов С9 и С10 при выключении питания. Без него повторное включение, обеспечивающее корректную работу индикатора, возможно не ранее чем через 10 с, что несколько неудобно при эксплуатации.

Все детали прибора, кроме переключателя SA1, смонтированы на односторонней печатной плате, которая показана на рис. 2.

Измеритель LC

Индикатор HG1 и кнопка SB1 установлены со стороны монтажа и выведены на лицевую панель. Длина проводов до переключателя SA1 и входных клемм не должна превышать 2...3 см. Диоды VD3-VD6 - высокочастотные с малым падением напряжения, можно применить Д311, Д18, Д20. Подстроечные резисторы R11, R12, R14 малогабаритные типа СПЗ-19. Замена R11 на проволочный резистор нежелательна, так как приведет к снижению точности измерений. Микросхему 140УД1208 можно заменить на какой-либо другой ОУ, имеющий цепь установки нуля и способный работать от напряжения ±5 В, а К561ЛН2 можно заменить на любую КМОП микросхему серий 1561, 1554, 74НС, 74АС, содержащую шесть инверторов, например, 74НС14. Применение ТТЛ серий 155, 555, 1533 и др. нежелательно. Микроконтроллер ATtinyl 5L фирмы ATMEL аналога не имеет и заменить его на другой тип, например популярный AT90S2313, невозможно без корректировки программы.

Номинал емкостей конденсаторов С4, С5, С11 уменьшать не следует. Переключатель SA1 должен быть малогабаритным и с минимальной емкостью между выводами.

При программировании микроконтроллера все FUSE биты следует оставить по умолчанию: BODLEVEL=0, BODEN=1, SPIEN=0, RSTDISBL=1, CKSEL1 ...0=00. Калибровочный байт нужно записать в младший байт программы по адресу $000F. Это обеспечит точную установку тактовой частоты 1,6 МГц и, соответственно, частоты возбуждающего напряжения для измерительной схемы на первом диапазоне 800 кГц. В экземпляре ATtinyl 5L, имевшемся у автора, калибровочный байт равен $8В.

Коды прошивки микроконтроллера

Для наладки необходимо подобрать несколько катушек и конденсаторов со значениями параметров в диапазоне измерения прибора и имеющих минимальный допуск отклонения по номиналу. Если есть возможность, их точные значения следует измерить с помощью промышленного измерителя LC. Это будут ваши "образцовые" элементы. Учитывая, что шкала измерителя линейная, в принципе, достаточно одного конденсатора и одной катушки. Но лучше проконтролировать весь диапазон. В качестве образцовых катушек хорошо подходят нормализованные дроссели типов ДМ, ДП.

Наладку начинают с установки нуля микросхемы DA1, контролируя напряжение на его выходе с помощью мультиметра. Следует выставить это напряжение в пределах 0...+5 мВ резистором R14. Движок резистора R12 должен быть в среднем положении, а переключатель SA1 желательно отсоединить от платы для снижения паразитной емкости входа. Показания индикатора при этом должны быть в пределах 0...3. Затем восстанавливают соединение SA1, нажимают и отпускают кнопку SB1. Через 2 с индикатор должен показывать 0...±1. После этого к входным клеммам подключают образцовую емкость и, вращая движок R12, устанавливают соответствие показания истинному значению емкости выбранного конденсатора. Цена младшего разряда - 0,1 пФ. Затем необходимо проконтролировать весь диапазон и, при необходимости, уточнить положение движка R12, стараясь получить погрешность не хуже 2...3 %. Допустима и подстройка нуля, если показания в конце шкалы немного занижены или завышены. Но после каждого изменения положения движка R14 следует отключать измеряемый конденсатор и нажимать кнопку установки нуля.

Настроив прибор в режиме измерения емкости, следует перевести SA1 в нижнее по схеме положение, замкнуть входные гнезда и нажать SB1. После коррекции нуля на вход подключить образцовую катушку и резистором R11 выставить необходимые показания. Цена младшего разряда - 0,1 мкГн. При этом следует обратить внимание, чтобы сопротивление R11 было не менее 800 Ом, в противном случае следует уменьшить сопротивление резистора R10. Если R11 будет больше 1 кОм, R10 надо увеличить, т. е. R10 и R11 должны быть близки по номиналу. Такая настройка обеспечивает примерно одинаковую постоянную времени "зарядки" и "разрядки" катушки и, соответственно, минимальную погрешность измерения.

Погрешность не хуже ±2...3 % при измерении конденсаторов можно обеспечить без труда, а вот при измерении катушек же все обстоит несколько сложнее. Индуктивность катушки во многом зависит от ряда сопутствующих условий - активное сопротивление обмотки, потери в магнитопроводах на вихревые токи, на гистерезис, магнитная проницаемость ферромагнетиков нелинейно зависит от напряженности магнитного поля и др. Катушки при измерении испытывают воздействие различных внешних полей, а все реальные ферромагнетики имеют довольно высокое значение остаточной индукции. Более подробно процессы, происходящие при намагничивании магнитных материалов, описаны в [2]. В результате воздействия всех этих факторов показания прибора при измерении индуктивности некоторых катушек могут не совпасть с показаниями промышленного прибора, измеряющего комплексное сопротивление на фиксированной частоте. Но не спешите ругать этот прибор и его автора. Просто следует учитывать особенности принципа измерения. Для катушек без магнитопровода, для незамкнутых магнитопроводов и для ферромагнитных магнитопроводов с зазором точность измерения вполне удовлетворительна, если активное сопротивление катушки не превышает 20...30 Ом. А это значит, что индуктивность всех катушек и дросселей высокочастотных устройств, трансформаторов для импульсных источников питания и т. п. можно измерять весьма точно.

А вот при измерении индуктивности малогабаритных катушек с большим числом витков из тонкого провода и замкнутым магнитопроводом без зазора (особенно из трансформаторной стали) будет большая погрешность. Но ведь в реальном приборе условия работы катушки могут и не соответствовать тому идеалу, который обеспечен при измерении комплексного сопротивления. Например, индуктивность обмотки одного из трансформаторов в наличии у автора, измеренная промышленным измерителем LC, оказалась около 3 Гн. При подаче постоянного тока подмагничивания всего 5 мА показания стали около 450 мГн, т. е. индуктивность уменьшилась в 7 раз! А в реальных рабочих устройствах ток через катушки почти всегда имеет постоянную составляющую. Описываемый измеритель показал индуктивность обмотки этого трансформатора 1,5 Гн. И еще неизвестно, какая цифра будет ближе к реальным условиям работы.

Все вышесказанное в той или иной степени справедливо для всех без исключения любительских измерителей LC. Просто их авторы скромно об этом умалчивают. Не в последнюю очередь именно по этой причине функция измерения емкости есть во многих моделях недорогих мультиметров, а измерять индуктивность могут только дорогие и сложные профессиональные приборы. В любительских условиях сделать хороший и точный измеритель комплексного сопротивления очень сложно, проще приобрести промышленный, если он действительно нужен. Если это по тем или иным причинам невозможно, думаю, предлагаемая конструкция может послужить неплохим компромиссом с оптимальным соотношением цены, качества и удобства в эксплуатации.

Литература

  1. Степанов А. Простой LC-метр. - Радио, 1982, № 3, с. 47, 48.
  2. Семенов Б. Силовая электроника. - М.:СОЛОН-Р, 2001.

Автор: И.Хлюпин, г.Киров

Смотрите другие статьи раздела Измерительная техника.

Читайте и пишите полезные комментарии к этой статье.

<< Назад

Последние новости науки и техники, новинки электроники:

Власть является ключевым фактором счастья в отношениях 11.03.2026

Исследования семейных и романтических отношений показывают, что длительное счастье пары зависит не только от привычных факторов, таких как доверие, уважение и преданность, но и от более тонких психологических аспектов. Современные ученые ищут закономерности, которые отличают действительно счастливые пары от остальных, чтобы понять, какие механизмы поддерживают гармонию в отношениях. Группа исследователей из Университета Мартина Лютера в Галле-Виттенберге и Бамбергского университета провела опрос среди 181 пары, которые состояли в совместных отношениях более восьми лет и прожили вместе хотя бы месяц. Участники заполняли анкету, описывая различные аспекты своих отношений, включая распределение обязанностей, эмоциональную поддержку и степень вовлеченности в совместные решения. Анализ данных показал интересный паттерн: пары, где оба партнера ощущали высокий уровень личной власти, оказывались наиболее счастливыми и удовлетворенными. В данном контексте под властью понимается способност ...>>

Защищенная колонка-повербанк Anker Soundcore Boom Go 3i 11.03.2026

Компания Anker представила новую модель линейки Soundcore - колонку Soundcore Boom Go 3i, ориентированную на активное использование на улице. Новинка отличается высокой степенью защиты: корпус соответствует стандарту IP68, что обеспечивает водо- и пыленепроницаемость, а ударопрочный дизайн выдерживает падение с высоты до одного метра. За качество звука отвечает 15-ваттный драйвер, обеспечивающий пик громкости до 92 дБ, а технология BassUp 2.0 усиливает низкие частоты, делая звучание более насыщенным. Колонка обладает автономностью до 24 часов, а LED-индикатор позволяет контролировать уровень заряда батареи. Кроме того, Soundcore Boom Go 3i может выполнять функцию павербанка: согласно внутренним тестам, устройство способно зарядить iPhone 17 с нуля до 40% за один час, что делает его полезным аксессуаром в походах и поездках. Среди функциональных особенностей модели стоит выделить технологию Auracast, которая улучшает подключение и позволяет создавать стереопару из двух колонок ...>>

Раннее воздержание от алкоголя перестраивает мозг и иммунитет 10.03.2026

Алкогольная зависимость - хроническое расстройство с компульсивным употреблением спиртного, которое влияет не только на поведение, но и на функционирование мозга и иммунной системы. Недавние исследования показали, что даже на ранних этапах воздержания организм начинает перестраиваться, открывая новые возможности для терапии зависимости. Ученые сосредоточились на пациентах, находящихся в первые недели абстиненции, и зафиксировали значительные изменения в мозговой активности. С помощью функциональной магнитно-резонансной томографии они выявили перестройку сетей нейронных связей, отвечающих за контроль импульсов и принятие решений. Эти изменения могут быть ключевыми для восстановления самоконтроля и снижения риска рецидива. Одновременно с нейронной перестройкой исследователи наблюдали колебания иммунной системы. В крови повышался уровень цитокинов - сигнальных белков, регулирующих воспалительные процессы. Эти данные свидетельствуют о существовании нейроиммунного взаимодействия, при ...>>

Случайная новость из Архива

Самовосстанавливающаяся инфраструктура будущего 02.03.2026

Современные мосты и бетонные конструкции по всему миру сталкиваются с проблемой устаревания и износа. Многие сооружения, построенные до 1980-х годов, постепенно теряют свою несущую способность, что требует дорогого ремонта или полной замены. Недавние разработки ученых из Швейцарских федеральных лабораторий материаловедения и технологий (Empa) предлагают инновационное решение - систему укрепления бетонных конструкций с помощью "умной стали", способной самостоятельно устранять трещины и повреждения.

В основе новой технологии лежит арматура из сплава на основе железа с эффектом памяти формы (Fe-SMA). Этот материал обладает уникальным свойством: при нагревании до 190-200 °C стержни стремятся вернуться к своей первоначальной конфигурации. В бетонной конструкции это создает внутреннее напряжение, которое затягивает трещины и выравнивает деформированные элементы, существенно повышая прочность и долговечность сооружений.

Актуальность разработки объясняется критическим состоянием инфраструктуры: старые мосты и дорожные плиты часто подвержены растрескиванию и коррозии. Новый подход сочетает сверхпрочный фибробетон UHPFRC и арматуру из Fe-SMA. Такой бетон отличается высокой плотностью и водостойкостью, что позволяет его наносить непосредственно на дорожные плиты, создавая надежную основу для самовосстановления.

Принцип действия системы основан на физических свойствах Fe-SMA. После закрепления стержней в бетонной конструкции их нагревают до примерно 200&#8239;°C. При этом арматура сжимается, стремясь вернуться к исходной форме, а бетон удерживает ее жестко. Внутри конструкции формируется контролируемое напряжение, которое выполняет роль "прессования": трещины закрываются, деформированные элементы выравниваются, и несущая способность плиты фактически удваивается без применения громоздких механических натяжных устройств.

Для проверки концепции инженеры провели испытания на полноразмерных бетонных плитах длиной 5 метров и моделях консольных настилов. Плиты намеренно повредили до появления трещин, после чего запускали процесс восстановления. За ходом эксперимента наблюдали с помощью высокоточных цифровых камер и встроенных волоконно-оптических датчиков, которые фиксируют малейшие деформации металла в режиме реального времени, используя рассеяние света.

Анжела Секвейра Лемос, научная сотрудница Лаборатории структурной инженерии, подчеркнула простоту внедрения технологии: достаточно закрепить стержни и нагреть их, после чего процесс самовосстановления начинается автоматически. Результаты испытаний показали, что комбинация Fe-SMA и UHPFRC значительно превосходит традиционные методы армирования, особенно в условиях интенсивного дорожного движения.

Хотя сплав Fe-SMA пока дороже обычной стали, разработчики рекомендуют его для точечной модернизации наиболее поврежденных участков мостов и дорог. Такой подход позволяет существенно продлить срок службы сооружений, снижая необходимость в дорогостоящих работах по полной замене конструкций.

Другие интересные новости:

▪ Синхронизация часов по космическим лучам

▪ Мусорный датчик

▪ Прототип полностью оптического коммутатора WDM

▪ Переработка пищевых отходов в еду

▪ MB86064 - 14-разрядные цифро-аналоговый преобразователь

Лента новостей науки и техники, новинок электроники

 

Интересные материалы Бесплатной технической библиотеки:

▪ раздел сайта Радиоэлектроника и электротехника. Подборка статей

▪ статья Летающие тарелки. Советы моделисту

▪ статья Из чего состоят метеоры? Подробный ответ

▪ статья Зизифус настоящий. Легенды, выращивание, способы применения

▪ статья Стационарная антенна для радиотелефона SN-258. Энциклопедия радиоэлектроники и электротехники

▪ статья Прибор для проверки аккумуляторов. Энциклопедия радиоэлектроники и электротехники

Оставьте свой комментарий к этой статье:

Имя:


E-mail (не обязательно):


Комментарий:





Главная страница | Библиотека | Статьи | Карта сайта | Отзывы о сайте

www.diagram.com.ua

www.diagram.com.ua
2000-2026