Бесплатная техническая библиотека
Цифровой мультиметр M890G. Электрическая схема, описание, характеристики. Энциклопедия радиоэлектроники и электротехники

Энциклопедия радиоэлектроники и электротехники / Измерительная техника
Комментарии к статье

Описание
Мультиметр M890G - компактный, износостойкий, карманный, предназначен для контроля постоянного и переменного напряжения, постоянного тока, сопротивления, емкости, частоты, температуры, проверки диодов и транзисторов, прозвонка.
КМОП АЦП двойного интегрирования с автоматической коррекцией нуля, автоматическим определением полярности и индексацией перегрузки. Защита от перегрузок обеспечена до указанных пределов.
Идеален для использования в полевых условиях, лаборатории, мастерских и домашнем хозяйстве.
Дисплей - 3 1/2 - разрядный, 7-сегментный жидкокристаллический индикатор.
Питание: одна 9-вольтовая батарея типа 6F22. Размеры: 88х170х38мм. Масса 340г.
Точность гарантирована в течении 1 года, при 23±5°C и относительной влажности менее 75%.
Особенности
Выключатель питания - клавиша ON-OFF.
Один 30-позиционный переключатель для выбора рода работы и/или предела.
Высокая чувствительность - 100 мкВ.
Автоматическая индикация перегрузки - "1" в старшем разряде.
Автоматическое определение полярности постоянного напряжения или тока.
Все пределы защищены от перегрузок.
Проверка сопротивлений от 0,1 Ом до 200 МОм.
Проверка емкости от 1пФ до 20 мкФ.
Проверка диодов с фиксированным прямым током в 1мА.
Проверка транзисторов при I = 100 мкА.
Измерение температуры
Технические характеристики
Постоянное напряжение
| Предел |
Разрешение |
Точность |
200 мB |
100 мкB |
±0,5% ±1ед.счета |
2 В |
1 мВ |
±0,5% ±1ед.счета; |
20 B |
10 мB |
±0,5% ±1ед.счета |
200 B |
100 мB |
±0,5% ±1ед.счета |
1000 B |
1 B |
±0,8% ±2ед.счета |
Входное сопротивление:
10 МОм на всех пределах.
Защита от перегрузок:
1000В пост. тока или пик. пер. тока на всех пределах
Переменное напряжение
| Предел |
Разрешение |
Точность |
2 B |
1 мB |
±0,8% ±3ед.счета |
20 B |
10 мB |
±0,8% ±3ед.счета; |
200 B |
100 мB |
±0,8% ±3ед.счета; |
700 B |
1 B |
±1,2% ±5ед.счета; |
|
Входное сопротивление:
| 10 МОм на всех пределах. |
Защита от перегрузок:
| 750 В эфф. или 1000 В пик непрерывно на пределах переменного напряжения, исключая диапазон 200 мВ. |
Калибровка:
| в эфф. значениях син. сигнала |
Диапазон частот:
| 40Гц - 400Гц |
Постоянный ток
| Предел |
Разрешение |
Точность |
2 мА |
1 мкA |
±0,8% ±1ед.счета |
20 мА |
10 мкА |
±0,8% ±1ед.счета; |
200 мА |
100 мкА |
±1,2% ±1ед.счета |
20 А |
10 мА |
±2% ±5ед.счета |
|
Защита от перегрузок:
| предохранитель 0,2А/250В (предел 20 А не защищен). |
Максимальный ток на выходе:
| 20 А, 15 секунд. |
Переменный ток
| Предел |
Разрешение |
Точность |
200 мА |
100 мкА |
±1,8% ±3ед.счета |
20 А |
10 мА |
±3% ±7ед.счета |
|
Защита от перегрузок:
| предохранитель 0,2А/250В (предел 20 А не защищен). |
Диапазон частот:
| 40Гц - 400Гц |
Максимальный ток на выходе:
| 20 А, 15 секунд. |
Калибровка:
| в эфф. значениях син. сигнала |
Сопротивление
| Предел |
Разрешение |
Точность |
200 Ом |
0,1 Ом |
±0,8% ±3ед.счета |
2 кОм |
1 Ом |
±0,8% ±1ед.счета; |
20 кОм |
10 Ом |
±0,8% ±1ед.счета |
200 кОм |
100 Ом |
±0,8% ±1ед.счета |
2 МОм |
1 кОм |
±0,8% ±1ед.счета |
20 МОм |
10 кОм |
±1% ±2ед.счета |
|
Защита от перегрузок:
| 15с максимум 200В эфф. на всех пределах. |
Примечание:
| На пределе 200 МОм, при замыкании щупов, отсчет дисплея будет 10 единиц, которые следует вычесть от показания. |
Емкость
| Предел |
Разрешение |
Точность |
2000 пФ |
1 пФ |
±2,5% ±5ед.счета |
20 нФ |
10 пФ |
±2,5% ±5ед.счета; |
200 нФ |
100 пФ |
±2,5% ±5ед.счета |
2 мкФ |
1 нФ |
±2,5% ±5ед.счета |
20 мкФ |
10 нФ |
±2,5% ±5ед.счета |
Температура
| Интервал |
Разрешение |
Точность |
-50°C...400°C |
1°C |
±0,75% ±3ед.счета |
400°C...1000°C |
1°C |
±1,5% ±15ед.счета; |
** 0°C...40°C |
1°C |
±2% |
|
**
| Встроенный температурный датчик. |
Частота
| Предел |
Разрешение |
Точность |
20 кГц |
10 Гц |
±1% ±1ед.счета |
|
Защита от перегрузки:
| 220 В эфф. переменного тока |
Мультиметры серии M890 (сравнительная таблица)
| Модель |
Постоянное напряжение |
Переменное напряжение |
Постоянный ток |
Переменный ток |
Сопротивление |
Проверка диодов |
Звуковой пробник |
Проверка транзисторов |
Авто откл. |
Частота |
Температура |
890B+ |
+ (+200мВ) |
+ |
+ |
+(+2мА,20мА) |
+ |
+ |
+ |
+ |
- |
- |
- |
890C |
+ |
+ |
+ |
+ |
+ |
+ |
+ |
+ |
- |
- |
+ |
890D |
+ |
+ |
+ |
+ (+20мА) |
+ |
+ |
+ |
+ |
- |
- |
- |
890F |
+ |
+ |
+ |
+ |
+ |
+ |
+ |
+ |
+ |
+ |
- |
890G |
+ |
+ |
+ |
+ |
+ |
+ |
+ |
+ |
+ |
+ |
+ |
Средняя цена: 20-25$
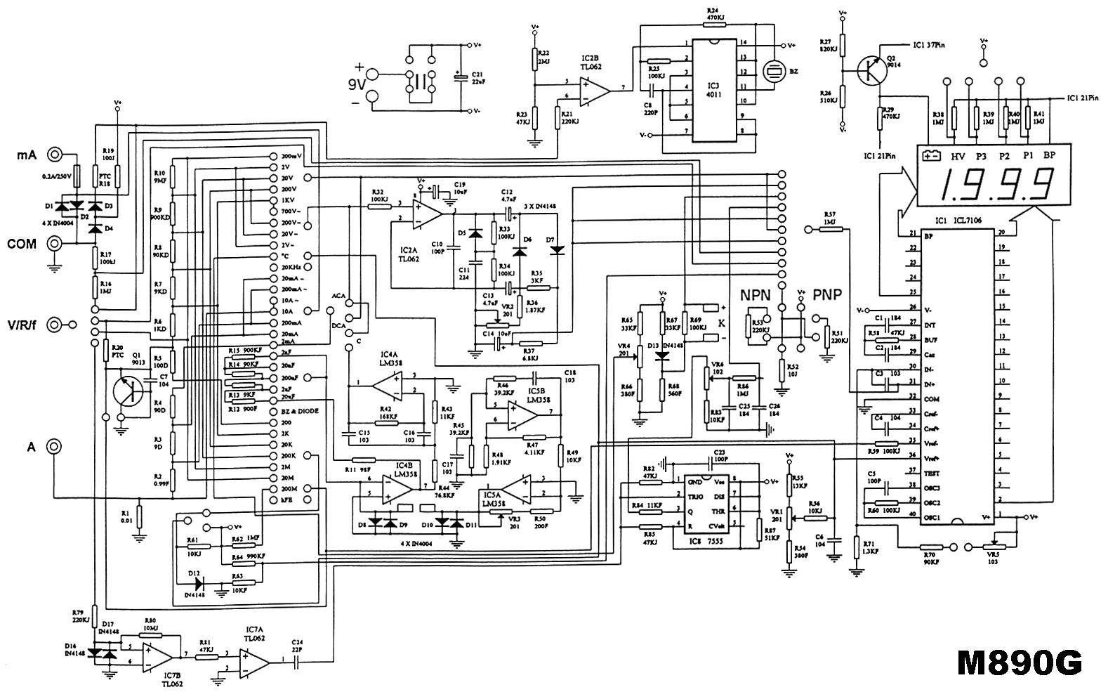
Ниже приведена схема цифрового мультиметра M890G
(нажмите для увеличения)
Публикация: cxem.net
Смотрите другие статьи раздела Измерительная техника.
Читайте и пишите полезные комментарии к этой статье.
<< Назад
Последние новости науки и техники, новинки электроники:
Лабораторная модель прогнозирования землетрясений
30.11.2025
Предсказание землетрясений остается одной из самых сложных задач геофизики. Несмотря на развитие сейсмологии, ученые все еще не могут точно определить момент начала разрушительного движения разломов. Недавние эксперименты американских исследователей открывают новые горизонты: впервые удалось наблюдать микроскопические изменения в контактной зоне разломов, которые предшествуют землетрясению.
Группа под руководством Сильвена Барбота обнаружила, что "реальная площадь контакта" - участки, где поверхности разлома действительно соприкасаются - изменяется за миллисекунды до высвобождения накопленной энергии. "Мы открыли окно в сердце механики землетрясений", - отмечает Барбот. Эти изменения позволяют фиксировать этапы зарождения сейсмического события еще до появления традиционных сейсмических волн.
Для наблюдений ученые использовали прозрачные акриловые материалы, через которые можно было отслеживать световые изменения в зоне контакта. В ходе искусственного моделирования примерно 30% ко ...>>
Музыка как естественный анальгетик
30.11.2025
Ученые все активнее исследуют немедикаментозные способы облегчения боли. Одним из перспективных направлений становится использование музыки, которая способна воздействовать на эмоциональное состояние и когнитивное восприятие боли. Новое исследование международной группы специалистов демонстрирует, что даже кратковременное прослушивание любимых композиций может значительно снижать болевые ощущения у пациентов с острой болью в спине.
В эксперименте участвовали пациенты, обратившиеся за помощью в отделение неотложной помощи с выраженной болью в спине. Им предлагалось на протяжении десяти минут слушать свои любимые музыкальные треки. Уже после этой короткой сессии врачи фиксировали заметное уменьшение интенсивности боли как в состоянии покоя, так и при движениях.
Авторы исследования подчеркивают, что музыка не устраняет саму причину боли. Тем не менее, она воздействует на эмоциональный фон пациента, снижает уровень тревожности и отвлекает внимание, что в сумме приводит к субъективном ...>>
Алкоголь может привести к слобоумию
29.11.2025
Проблема влияния алкоголя на стареющий мозг давно вызывает интерес как у врачей, так и у исследователей когнитивного старения. В последние годы стало очевидно, что границы "безопасного" употребления спиртного размываются, и новое крупное исследование, проведенное международной группой ученых, вновь указывает на это. Работы Оксфордского университета, выполненные совместно с исследователями из Йельского и Кембриджского университетов, показывают: даже небольшие дозы алкоголя способны ускорять когнитивный спад.
Команда проанализировала данные более чем 500 тысяч участников из британского биобанка и американской Программы миллионов ветеранов. Дополнительно был выполнен метаанализ сорока пяти исследований, в общей сложности включавших сведения о 2,4 миллиона человек. Такой масштаб позволил оценить не только прямую связь между употреблением спиртного и развитием деменции, но и влияние генетической предрасположенности.
Один из наиболее тревожных результатов касается людей с повышенным ге ...>>
Случайная новость из Архива Фотокамеры Panasonic 10x
24.04.2006
Недавно была представлена серия из трех инновационных моделей цифровых фотокамер Panasonic Lumix, включающая DMC-TZ1, DMC-FX01, DMC-LS2.
Пятимегапиксельное устройство DMC-TZ1 оборудовано объективом LEICA DC VARIO-ELMARIT и является самым миниатюрным цифровым фотоаппаратом с 10-кратным оптическим увеличением (112x58, 1x40, 2 мм). Оно комплектуется 2, 5-дюймовым ЖК-дисплеем и чипом нового поколения для обработки изображений Venus Engine III, позволяющим одновременно с повышением быстродействия добиться двукратного уменьшения шума, а также снижения энергопотребления на 20%.
Функция Extra Optical Zoom (EX) доводит оптическое увеличение до 12,5х при 3-мегапиксельном разрешении, а режим High Sensitivity автоматически устанавливает максимальную светочувствительность (ISO 1600) для уменьшения размывания при съемке движущихся объектов.
Шести мегапиксельная DMC-FX01 укомплектована широкоугольным объективом с 3, 6-кратным зумом (функция ЕХ увеличивает его до 5х), а пятимегапиксельная DMC-LS2 обладает оптическим увеличением 3х (3,8х с ЕХ)
|
Другие интересные новости:
▪ Улавливание метана из воздуха при помощи цеолитов
▪ Внешние жесткие диски для пользователей соцсетей
▪ Время хранения данных в SSD увеличено в тысячи раз
▪ Придорожные магнитные листья
▪ Видеокарта Radeon RX 640
Лента новостей науки и техники, новинок электроники
Интересные материалы Бесплатной технической библиотеки:
▪ раздел сайта Студенту на заметку. Подборка статей
▪ статья Электровертолет. Советы моделисту
▪ статья Что было в Америке до ее открытия Колумбом? Подробный ответ
▪ статья Лук-батун. Легенды, выращивание, способы применения
▪ статья Охлаждение процессоров. Энциклопедия радиоэлектроники и электротехники
▪ статья Нормы испытаний электрооборудования и аппаратов электроустановок потребителей. Порядок и объем проверки изоляции обмоток трансформаторов после капитального ремонта и заливки маслом. Энциклопедия радиоэлектроники и электротехники
Оставьте свой комментарий к этой статье:
Комментарии к статье:
Григорий
Спасибо огромное!
Главная страница | Библиотека | Статьи | Карта сайта | Отзывы о сайте

www.diagram.com.ua
2000-2025