Бесплатная техническая библиотека
Цифровой мультиметр M832. Электрическая схема, описание, характеристики. Энциклопедия радиоэлектроники и электротехники

Энциклопедия радиоэлектроники и электротехники / Измерительная техника
Комментарии к статье

Описание
Цифровой мультиметр M832 производит измерения величины постоянного и переменного напряжения, силы постоянного и переменного тока, сопротивления и коэффициент усиления биполярных транзисторов (h21). Встроенный генератор 50 Гц будет полезен при испытании радиотехнических устройств. Так же с помощью мультиметра M832 можно прозвонить полупроводниковые диоды. Качество соединения проводников или пайки можно проверить с помощью звуковой прозвонки. Результаты измерений выводятся на хорошо читаемый цифровой 31/2 -разрядный ЖК-дисплей. Питание мультиметра осуществляется от одной батареи 9В типа "Крона". В комплекте поставки мультиметра M832 входит комплект щупов и инструкция на русском языке.
Характеристики
Количество измерений в секунду: 2
Постоянное напряжение U= 0,1мВ - 1000В
Переменное напряжение U~ 0,1В - 750В
Постоянный ток I= 2мA - 10A
Диапазон частот по перем. току 40 - 400Гц
Сопротивление R 0,1 Ом - 2 МОм
Входное сопротивление R 1 МОм
Встроенный генератор меандр 50 Гц
Коэффициент усиления транзисторов h21 до 1000
Режим "прозвонка" < 1 кОм
Диод-тест : есть
Питание 9В /типа NEDA 1604, Крона ВЦ /
Габариты, мм 65 ? 125 ? 28
Вес, грамм (с батареей) 180
Сервис: Индикация разряда батарейки
Индикация перегрузки "1"
Средняя цена: 9-11$
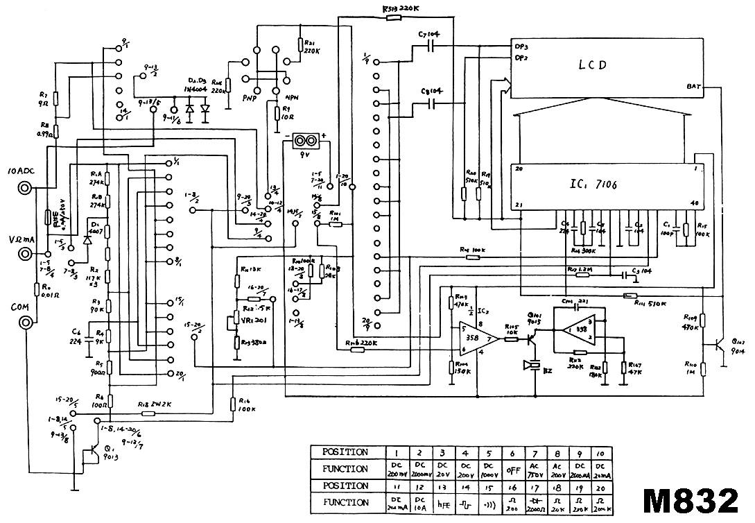
Ниже приведена схема цифрового мультиметра M832
(нажмите для увеличения)
Публикация: cxem.net
Смотрите другие статьи раздела Измерительная техника.
Читайте и пишите полезные комментарии к этой статье.
<< Назад
Последние новости науки и техники, новинки электроники:
Дети, растущие рядом с природой, обретают крепкие кости
02.03.2026
Влияние окружающей среды на здоровье человека становится все более очевидным, особенно в детском возрасте. Новое исследование, опубликованное в журнале JAMA Network Open, показывает, что близость к природе напрямую связана с крепостью костей у детей. Ученые установили, что у детей, чьи дома окружены природными территориями в радиусе 1000 метров на 25% больше обычного, риск развития крайне низкой плотности костей снижается на 65%.
Для проведения исследования были проанализированы данные более 300 детей, проживающих в городских, пригородных и сельских районах Фландрии в Бельгии. Плотность костной ткани у детей в возрасте от четырех до шести лет оценивалась с помощью ультразвуковых методов. Такой подход позволил безопасно и точно измерить состояние костей на ранних этапах формирования скелета.
При анализе учитывались ключевые факторы, влияющие на рост и развитие детей: возраст, вес, рост, этническая принадлежность и уровень образования матери. На основании этих параметров исследоват ...>>
Самовосстанавливающаяся инфраструктура будущего
02.03.2026
Современные мосты и бетонные конструкции по всему миру сталкиваются с проблемой устаревания и износа. Многие сооружения, построенные до 1980-х годов, постепенно теряют свою несущую способность, что требует дорогого ремонта или полной замены. Недавние разработки ученых из Швейцарских федеральных лабораторий материаловедения и технологий (Empa) предлагают инновационное решение - систему укрепления бетонных конструкций с помощью "умной стали", способной самостоятельно устранять трещины и повреждения.
В основе новой технологии лежит арматура из сплава на основе железа с эффектом памяти формы (Fe-SMA). Этот материал обладает уникальным свойством: при нагревании до 190-200 °C стержни стремятся вернуться к своей первоначальной конфигурации. В бетонной конструкции это создает внутреннее напряжение, которое затягивает трещины и выравнивает деформированные элементы, существенно повышая прочность и долговечность сооружений.
Актуальность разработки объясняется критическим состоянием инфрастр ...>>
Поцелуи полезны для здоровья
01.03.2026
Вопрос о том, как социальные связи и близость с партнером отражаются на здоровье человека, привлекает внимание не только психологов, но и специалистов в области микробиологии. Новое исследование показывает, что совместное проживание с любимым человеком может оказывать значительное влияние на микробиом кишечника и общее самочувствие.
Доктор Наоми Миддлтон, клинический психологи и эксперт по здоровью кишечника, объяснила, что все аспекты совместной жизни - поцелуи, совместное питание, физическая близость и даже просто пребывание рядом - тесно связаны с поддержанием сбалансированной кишечной микрофлоры. Она подчеркивает, что здоровье экосистемы кишечника во многом определяется социальными взаимодействиями и повседневной близостью с другими людьми.
По словам Миддлтон, длительное совместное пребывание с партнером может способствовать увеличению микробного разнообразия в кишечнике, а также снижать воспалительные процессы, связанные со стрессом. Такой эффект обусловлен тем, что микробио ...>>
Случайная новость из Архива Кольца стабильной плазмы в условиях открытого воздуха
22.11.2017
В многочисленных научно-фантастических фильмах достаточно часто мелькают кадры с использованием плазменного оружия, оружия, стреляющего сгустками ионизированной высокотемпературной плазмы. Однако плазма, являющаяся одним из самых таинственных состояний материи, существует на Земле только во время кратковременных разрядов молний, внутри неоновых вывесок, плазменных телевизионных панелей и многочисленных научных установок. И лишь недавно группе ученых из Калифорнийского технологического института удалось получить кольца стабильной плазмы на открытом воздухе. Более того, это было сделано достаточно просто, при помощи тончайшей струи воды под высоким давлением и пластины из специального кристаллического материала.
Обычно плазма создается путем нагрева материи до столь высокой температуры, что электроны отрываются от атомов, а материя превращается в "суп" из ионов и свободных электронов. Такая плазма называется высокотемпературной плазмой и именно ее ученые пытаются получить и стабилизировать в камерах термоядерных реакторов. Также существует и холодная плазма, которая получается путем ионизации газа под воздействием электрического поля. Именно такая плазма находится в трубках неоновых вывесок и за счет ее создания работают космические ионные двигатели.
Плазма, которую удалось получить на открытом воздухе ученым из Калифорнии, относится к новому третьему типу. Расщепление молекул воды на атомы и ионизация атомов производится за счет высокой кинетической энергии движения струи воды и взаимодействия молекул с атомами кристаллической решетки пластины. В отличие от других попыток создания плазменных сгустков в атмосфере, которые существовали не более 10 миллисекунд, "водяные" плазменные кольца могут существовать сколь угодно долго до тех пор, пока в кристаллическую пластину будет бить струя воды, являющаяся источником энергии.
Струя воды, которая бьет в пластину, имеет диаметр 85 микронов. Давление в 9 тысяч psi (порядка 630 атмосфер) разгоняет струю воды до скорости 305 метров в секунду. Ученые сравнивают это со струей воды, толщиной с человеческий волос, двигающейся со скоростью летящей пули.
"Некоторые из наших коллег утверждали, что создание стабильной плазмы на открытом воздухе является невозможным" - рассказывает Франсиско Перейра (Francisco Pereira), один из исследователей, - "Но нам удалось создать кольцо стабильной плазмы и поддерживать его столько, сколько нам это необходимо. При этом, мы не нуждаемся ни в вакууме, ни в магнитном поле или еще чем-нибудь другом".
Пока еще трудно сказать, как может быть использован на практике новый метод создания плазмы. Тем не менее, считают ученые, этот метод может оказаться очень полезным для проведения исследований в области плазменной физики, а на практике его использование просматривается в области аккумулирования и хранения энергии.
|
Другие интересные новости:
▪ Видеокамера для блогеров Sony BloggerCam ZV-1
▪ Тепло человеческих - угроза безопасности компьютера
▪ Обязательная биометрическая регистрация
▪ Водяная планета
▪ Мужчины вредят природе больше женщин
Лента новостей науки и техники, новинок электроники
Интересные материалы Бесплатной технической библиотеки:
▪ раздел сайта Видеотехника. Подборка статей
▪ статья Негативное воздействие вредных веществ на среду обитания. Основы безопасной жизнедеятельности
▪ статья Что такое зыбучие пески? Подробный ответ
▪ статья Ручная обработка металла. Типовая инструкция по охране труда
▪ статья Индикатор ионизирующего излучения на микросхемах. Энциклопедия радиоэлектроники и электротехники
▪ статья Волшебная таблица. Секрет фокуса
Оставьте свой комментарий к этой статье:
Главная страница | Библиотека | Статьи | Карта сайта | Отзывы о сайте

www.diagram.com.ua
2000-2026