Menu Home

Бесплатная техническая библиотека для любителей и профессионалов Бесплатная техническая библиотека


Датчик влажности, света и уровня воды на таймере КР1006ВИ1 (NE555). Энциклопедия радиоэлектроники и электротехники

Бесплатная техническая библиотека

Энциклопедия радиоэлектроники и электротехники / Измерительная техника

Комментарии к статье Комментарии к статье

Для сигнализации о нарушении какого-либо параметра на производстве и в быту применяют электромагнитные реле, соединенные с электронными схемами. Контакты электромагнитных реле работают более долговечно, если питание обмотки производится в "триггерном" режиме - резкая подача и резкое снятие напряжения, при этом количество включений желательно уменьшить и совсем нежелателен "дребезг" - импульсное питание обмотки реле.

Таймер на микросхеме КР1006ВИ1 хорошо подходит для подобных целей по следующим причинам:

  • микросхема имеет два раздельных входа пороговых устройств (выводы 2 и 6), пороговые напряжения которых связаны с напряжением вывода 5;
  • вывод 2, если напряжение ниже 1/3 части опорного, переключает выход таймера (вывод 3) в состояние высокого потенциала, а второй выход (вывод 7) - выходной транзистор с открытым коллектором в состояние разомкнут: вывод 6, если напряжение выше 2/3 части опорного, переводит оба выхода в противоположное состояние;
  • высокое входное сопротивление (мегаомы) входных выводов позволяет строить чувствительные схемы;
  • сравнительно большой ток нагрузки двухтактного выхода (вывод 3) и открытого коллектора (вывод 7) - примерно по 0,2 А позволяют обойтись малым количеством деталей и обеспечить питание обмоток реле, небольших громкоговорителей, светодиодов и др.

Таким образом, два пороговых устройства, триггер и два мощных выхода при небольших размерах корпуса позволяют собрать неплохие устройства, но мы остановимся на релейном устройстве - преобразователе слабого и медленно меняющегося сигнала в резко изменяющиеся два состояния для управлением выходным реле.

На рис.1 изображена схема сигнализатора влажности. Схема подходит для контроля момента осаждения капелек влаги на датчик-гигристор R'. Простейший датчик можно изготовить из фольгированного стеклотекстолита, вырезав "зигзагом" две дорожки. Лучшие результаты будут, если покрыть эти дорожки серебром или применить фторопластовую пластину и прижатые к ней нержавеющие электроды. Чтобы лучше "поймать" повышение влажности воздуха, можно поместить электроды датчика в мешочек с хлоридом кальция (или хотя бы с поваренной солью). Помещать датчик следует в более прохладном месте. Резистором R1 устанавливаем порог срабатывания схемы (притягивание якоря реле). Выключение схемы (отпускание реле) происходит при большем сопротивлении датчика, поэтому срабатывания реле не будут слишком частыми.

Датчик влажности, света и уровня воды на таймере КР1006ВИ1 (NE555)

Резистор R2 ограничивает предел регулировки R1 до "нуля", R3 ограничивает ток на входе схемы от датчика при монтаже, аварийных ситуациях. Конденсатор С1 (с хорошей изоляцией!) сглаживает входной сигнал, а также наводки от сети. Стабилитрон VD1 желательно всегда применять в схемах с таймером КР1006ВИ1 - это позволит безопасно монтировать и налаживать устройство: стабилитрон ограничивает напряжение на входах таймера от + напряжения стабилизации до - 0,6 В. Стабилитрон выдерживает ток до 30 мА, а входной резистор имеет сопротивление 50 кОм. Вывод: входное напряжение до 1500 В не принесет вреда таймеру (а входной резистор выйдет из строя). Конденсатор С2 сглаживает потенциал вывода 5 микросхемы, который "задействован" в схемах сравнения компараторов, поэтому применение его обязательно. Диод VD2, включенный "обратно" питанию, убирает выбросы тока в момент выключения обмотки реле. Питание схемы должно быть стабилизированным (микросхема может нормально работать в интервале 5-16В питания.

Фотореле (рис.2) содержит входной каскад на полевом транзисторе с изолированным затвором. Это повышает входное сопротивление до миллиардов ом и позволяет включать на вход схемы не только полупроводниковые фоторезисторы, но и вакуумные фотоэлементы, стабильность параметров которых при изменении температуры выше, чем у полупроводниковых. Разумеется, снизив сопротивление резистора R1 даже до 10 кОм, можно настроить вход схемы на сопротивление фотодатчика в момент срабатывания выходного реле. Схема с повторителем напряжения на полевом транзисторе позволяет регулировкой сопротивления резистора R6 "сближать" края интервала включения (выключения) реле.

Датчик влажности, света и уровня воды на таймере КР1006ВИ1 (NE555)

Если в схеме (рис.1) момент срабатывания реле удовлетворяет пользователя, а выключение (возврат) требует большого изменения входного потенциала, то в схеме (рис.2) увеличением сопротивления резистора R6 можно как угодно сужать "дифференциал" между включением и выключением. Возможность такой регулировки позволяет превратить сигнализатор нарушения параметра в регулятор, поддерживающий параметр в некотором интервале вблизи нормы.

Для контроля или регулирования температуры необходимо включить на вход схемы рис.2 датчик температуры - терморезистор, диод или транзистор (рис.3). Полупроводник при повышении температуры уменьшает сопротивление. Если нагрев на 10°С диода приводит примерно к двукратному уменьшению сопротивления, то нагрев транзистора - к четырехкратному. Сильнее "чувствует" температуру германиевый полупроводник, зато кремниевый может работать при более высоких температурах (до 150°С). Транзисторы лучше устанавливать такие, в которых корпус соединен с коллектором, а на эмиттер подавать плюс питания, тогда не будет проблем с изоляцией точки "вход" от корпуса схемы.

Датчик влажности, света и уровня воды на таймере КР1006ВИ1 (NE555)

Для повышения быстродействия схемы к корпусу транзистора можно припаять радиатор из луженой жести. Если пайку проводить мощным паяльником и быстро охладить транзистор воздухом, даже германиевые приборы не будут повреждены. Таким датчиком температуры 9-я экспедиция Винницкой обл. измеряла температуру воздуха при наблюдениях затмения Солнца в 1981 г. в Новосибирской обл.

Замечание. Выводы транзисторов в металлических корпусах изолируют стеклянными изоляторами. Проверить, не будет ли вызывать срабатывания схемы освещение выводов солнечными лучами, при необходимости - обернуть их черной ниткой и замазать клеем. Если сопротивление датчика температуры не очень высокое, полевой транзистор можно заменить биполярным с большим коэффициентом усиления, например, КТ3442Б, это уменьшит трудности монтажа. При подключении контактов выходного реле в схемах (рис.1 и 2) следует учитывать, что реле замыкается при увеличении влажности, температуры, освещенности и размыкается при их снижении.

Таким образом, если схема рис.2 управляет схемой автомата пожаротушения, следует задействовать замыкающие контакты реле. Если же схема управляет электролампой-подогревателем в сушильном шкафу, необходимо использовать размыкающий контакт реле

Наличие двух компараторов в составе микросхемы таймера позволяет выполнить но нем простую схему управления насосом водоснабжения (рис.4). Схема предназначена для откачивания воды из емкости (схема наполнения емкости использует в выходном реле размыкающий контакт). При замачивании водой электрода нижнего уровня Э1 на входе схемы действует напряжение примерно равное половине напряжения питания (такое напряжение не может переключать выход микросхемы), вследствие одинаковых сопротивлений резисторов R1 и R2. В зависимости от температуры воды, материала электрода возникающая ЭДС может немного исказить это напряжение, тогда придется изменить номинал резистора R2.

Датчик влажности, света и уровня воды на таймере КР1006ВИ1 (NE555)

При дальнейшем повышении уровня воды и замачивании электрода Э2 на входе схемы напряжение снижается ниже, чем третья часть питающего напряжения. Это вызывает переключение схемы и срабатывание выходного реле! Уровень воды убывает, но до тех пор пока Э1 находится в воде, состояние схемы не изменяется. Потеря контакта Э1 с водой приводит к повышению напряжения на входе схемы выше 2/3 питающего напряжения, в результате чего переключается внутренний триггер микросхемы и реле обесточивается. Для настройки схемы существенно следующее обстоятельство: настраивать необходимо при самой низкой температуре воды и самой низкой концентрации проводящих примесей. Емкость конденсатора С1 выбрана сравнительно большой, чтобы сетевая наводка на провод, идущий ко входу схемы, была подавлена. Этот конденсатор лучше устанавливать неэлектролитический. Резистор R2, соединяющий выводы электродов между собой, следует установить на плате из стеклотекстолита, которая закреплена на один из электродов (на клемму электрода). Гибкий вывод изолированным проводником подводится ко второму электроду.

Необходимо обеспечить защиту резистора от влаги и механических воздействий. В отличие от большинства схем сигнализаторов уровня воды данная схема не только позволяет экономить одну жилу кабеля, что упрощает наладку и монтаж, но и подавлять наводки переменного напряжения на входе схемы, в том числе и импульсные помехи (которые сейчас на действующих установках с промышленными сигнализаторами уровня часто создают проблемы). Увеличением номиналов R3 и С1 можно даже "задержать" время срабатывания реле на несколько минут, тогда любые импульсные наводки не смогут вызвать ложного срабатывания схемы. Кроме того, микросхема имеет еще одну входную клемму (вывод 4),замыкание которой "сбрасывает" в 0 выход таймера независимо от потенциалов но входе (выводы 2 и 6). Обычно этот вывод 4 подсоединяют к питающему напряжению, чтобы вход не влиял на роботу схемы.

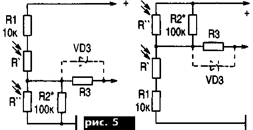
Еще одно интересное применение может получить релейное устройство, если вход его оборудовать двойным (дифференциальным) датчиком освещенности или температуры. В этом случае выходное реле срабатывает при переходе границы свет/тень через двойной датчик. Для устранения ложных срабатываний, а также для защиты от большой засветки двух датчиков необходимо установить два резистора R1 - для ограничения тока "своего" фотодатчико и R2 -для добавки "начального" тока в плечо "своего" фотодатчика. Такая схема в случае засветки двух датчиков ярким светом дает на вход релейной схемы потенциал, близкий к предельным значениям R2 и R". Такой же потенциал подается на релейную схему в затемненном состоянии двух датчиков, когда высокое сопротивление фоторезисторов и их неравные "тепловые" токи могли бы привести к неопределенному сигналу на входе схемы. И только в случае не слишком большой засветки фотодатчиков, при условии большей освещенности R', релейное устройство переключается в необходимое состояние (смотря, кокой вариант входа на рис.5 нас устраивает).

Такое необычное соединение датчиков позволяет легко выполнить мишень фототира. В центральной зоне - один фоторезистор, о вокруг него четыре, соединенные в параллель, только "попадание" света в центральную зону вызовет срабатывание выходного реле! Если резистор R3 зашунтировать кремниевым диодом, то в зависимости от его полярности, схема будет быстрее переходить в одно состояние и медленнее в другое. Подбором R3 и С1 можно задержать срабатывание реле от короткой вспышки света на некоторое время. Не составит труда изготовить будильник для рыболова, срабатывающий от света Луны. Для этого необходимо защитный тубус фотодатчиков навести на место, в котором появится Луна в определенное время ночи, так чтобы один датчике был освещен раньше, а другой позже. Если ночь будет безлунной или облачной, "будильник" не сработает!

Датчик влажности, света и уровня воды на таймере КР1006ВИ1 (NE555)

Датчиками освещенности и температуры могут быть приборы с различным сопротивлением - диапазон перестройки схем огромный. В случае дифференциального датчика желательно применение фото- или термоприборов из одной коробки, т. е. приборы, изготовленные и хранимые одинаково. Упомянутые несколько приложений не охватывают весь спектр применения донных релейных схем. В самом деле, изменив постоянную времени входной цепочки и установив на выходе вместо электромагнитного реле высокочастотный транзистор, можно заставить схему работать на частотах до мегагерца (зависит от входного датчика). Значит, можно выполнить устройство дистанционного управления телевизором с большого расстояния, с применением дифференциального фотодатчика - и "засекреченное" управлением.

Подобным образом можно инфракрасным импульсным "ключом" открывать дверь объекта, направляя сфокусированный луч в определенную точку - это повышает степень защиты объекта. При хорошей разметке дороги дифференциальный датчик с осветителем мог бы "следить" за полосой разметки и дать водителю звуковой сигнал в момент ослепления от встречного автомобиля, чтобы водитель смог пару секунд "не слететь" с дороги, а продолжить дальше движение. Но это требует дублирования датчиков и применения другой схемы.

Схема с дифференциальным фотодатчиком и правильно подобранной постоянной времени входной цепи может с помощью электромотора поворачивать солнечный свето- или теплоприемник вслед за движением светила.

Автор: Н.П.Горейко

Смотрите другие статьи раздела Измерительная техника.

Читайте и пишите полезные комментарии к этой статье.

<< Назад

Последние новости науки и техники, новинки электроники:

Хорошо управляемые луга могут компенсировать выбросы от скота 15.02.2026

Животноводство, особенно разведение крупного рогатого скота, часто обвиняют в значительном вкладе в глобальное потепление из-за мощного парникового газа - метана, который выделяется при пищеварении у жвачных животных. Это вызывает острые политические споры и призывы к сокращению потребления мяса. Однако ученые напоминают, что полная картина климатического воздействия отрасли не ограничивается только выбросами от животных: огромную роль играет окружающая экосистема - пастбища, почва и растительность, которые способны активно поглощать углекислый газ из атмосферы. Исследователи из Университета Небраски-Линкольна решили глубже изучить этот баланс. Группа под руководством профессора Галена Эриксона сосредоточилась на том, как правильно организованные пастбища накапливают углерод в растениях и грунте благодаря естественным процессам, стимулируемым выпасом скота. Ученые подчеркивают, что при достаточном уровне осадков и грамотном управлении такие луга превращаются в мощные природные погло ...>>

NASA тестирует инновационную технологию крыла 15.02.2026

Коммерческая авиация ежегодно расходует колоссальные объемы керосина, что сказывается не только на бюджете авиакомпаний, но и на состоянии окружающей среды. В 2024 году глобальные затраты на авиационное топливо достигли 291 миллиарда долларов, и эта сумма продолжает расти. Чтобы справиться с этими вызовами, NASA активно работает над технологиями, способными заметно повысить аэродинамическую эффективность самолетов. Одним из самых перспективных направлений стало создание специальной конструкции крыла, которая максимизирует естественный ламинарный поток воздуха и минимизирует сопротивление. В январе 2026 года специалисты NASA Armstrong Flight Research Center успешно провели важный этап наземных испытаний концепции Crossflow Attenuated Natural Laminar Flow (CATNLF). Для эксперимента под фюзеляж исследовательского самолета F-15B закрепили вертикально ориентированную масштабную модель высотой около 0,9 м (3 фута), напоминающую узкий киль. Такая компоновка позволила подвергнуть прототип р ...>>

Забота о внуках очень полезна для здоровья мозга 14.02.2026

Общение между поколениями приносит радость всей семье, но мало кто задумывается, насколько активно бабушки и дедушки, заботящиеся о внуках, поддерживают свою умственную форму. Регулярное взаимодействие с детьми стимулирует мозг пожилых людей, помогая сохранять память, скорость мышления и общую когнитивную активность. Новые научные данные подтверждают, что такая добровольная помощь не только важна для общества, но и может замедлять возрастные изменения в мозге. Исследователи из Тилбургского университета в Нидерландах провели анализ, чтобы понять, приносит ли уход за внуками реальную пользу здоровью пожилых людей. Ведущий автор работы Флавия Черечес отметила, что многие бабушки и дедушки регулярно присматривают за детьми, и оставался открытым вопрос, насколько это положительно сказывается на их собственном благополучии, особенно в плане когнитивных функций. Ученые поставили цель выяснить, способен ли регулярный уход за внуками замедлить снижение памяти и других умственных способ ...>>

Случайная новость из Архива

Инновационное производство 3D-наночипов 27.07.2013

Новая технология микроскопии облегчит разработку и обеспечит контроль производства трехмерных полупроводниковых чипов.

Ученые из Национального института стандартов и технологий (National Institute of Standards and Technology, NIST) модернизировали разработанную ими несколько лет назад технологию оптической микроскопии и приспособили ее для наблюдения наноразмерных объектов, что позволяет произвести контроль производства элементов трехмерных полупроводниковых чипов нового поколения. С помощью этой технологии, называемой TSOM (Through-Focus Scanning Optical Microscopy), можно не только рассмотреть наноразмерные компоненты чипов, которые до недавнего времени были двухмерными конструкциями, но и с достаточно высокой точностью определить различия в их формах и размерах, что и требуется для проведения технологического контроля.

Новые поколения полупроводниковых чипов имеют в своем составе трехмерные элементы, которые накладываются друг на друга. Для правильной и надежной работы чипа в целом требуется, чтобы все компоненты имели правильные формы и строго заданные габариты. Существующие методы микроскопии - электронная, атомно-силовая и другие - могут обеспечить контроль формы и размеров элементов чипа, но делают это крайне медленно, с риском нанести повреждения хрупкой структуре чипа, а также обходятся они крайне дорого. А использование оптических методов микроскопии ограничивается тем, что размеры элементов чипов намного меньше половины длины волны света видимого диапазона (250 нм для зеленого света), поэтому оптический микроскоп физически не может увидеть столь маленькие объекты.

Технология TSOM позволяет увидеть оптическим способом объекты, размеры которых приблизительно равны 10 нм, а в перспективе и еще меньше. В методе TSOM используется обычный оптический микроскоп, который делает не один, а множество расфокусированных двухмерных снимков интересующего объекта с нескольких точек зрения. Используя изменения яркости с этих расфокусированных снимков, компьютер вычисляет градиенты света и определяет границы снимаемых объектов, создавая таким образом результирующее трехмерное изображение.

Изображения, получаемые с помощью метода TSOM, несколько абстрактны, но детали, которые на них видны, позволяют с достаточно высокой точностью определить различия в формах и размерах компонентов полупроводниковых чипов.

"Наши исследования показали, что с помощью метода TSOM мы можем рассмотреть элементы размерами около 10 нм, чего вполне достаточно для обеспечения контроля технологических процессов производства полупроводников на ближайшее десятилетие, - рассказывает Рэвикирэн Аттота (Ravikiran Attota), ученый из NIST. - Кроме этого, технологию TSOM можно будет использовать не только в электронной промышленности, но и в других отраслях, в науке и везде, где требуется производить анализ и контроль форм крошечных трехмерных объектов".

Другие интересные новости:

▪ Экзитоны могут увеличить энергоэффективность электронов

▪ Робот-охранник с сетью

▪ Система мониторинга Omnicomm для школьных автобусов

▪ Доказана связь тревоги и тестостерона с рецепторами мозга

▪ Опасность поиска внеземной жизни

Лента новостей науки и техники, новинок электроники

 

Интересные материалы Бесплатной технической библиотеки:

▪ раздел сайта Афоризмы знаменитых людей. Подборка статей

▪ статья Учиться, учиться и учиться. Крылатое выражение

▪ статья Сколько видов пальм существует? Подробный ответ

▪ статья Электромонтажник по сигнализации, централизации и блокировке на железнодорожном транспорте и наземных линиях метрополитена. Должностная инструкция

▪ статья Свинцово-глицериновая масса. Простые рецепты и советы

▪ статья Бестрансформаторный стабилизированный источник питания на интегральном стабилизаторе, 220/12 вольт 150 миллиампер. Энциклопедия радиоэлектроники и электротехники

Оставьте свой комментарий к этой статье:

Имя:


E-mail (не обязательно):


Комментарий:





Главная страница | Библиотека | Статьи | Карта сайта | Отзывы о сайте

www.diagram.com.ua

www.diagram.com.ua
2000-2026