Menu Home

Бесплатная техническая библиотека для любителей и профессионалов Бесплатная техническая библиотека


Частотомер до 1250 МГц. Энциклопедия радиоэлектроники и электротехники

Бесплатная техническая библиотека

Энциклопедия радиоэлектроники и электротехники / Измерительная техника

Комментарии к статье Комментарии к статье

Этот прибор имеет не только большой верхний предел измеряемой частоты, но и ряд дополнительных функций. Он измеряет уход частоты от начального значения, длительность импульсов и пауз между ними, подсчитывает число импульсов. Его можно использовать и как делитель частоты входного сигнала с задаваемым в широких пределах коэффициентом деления.

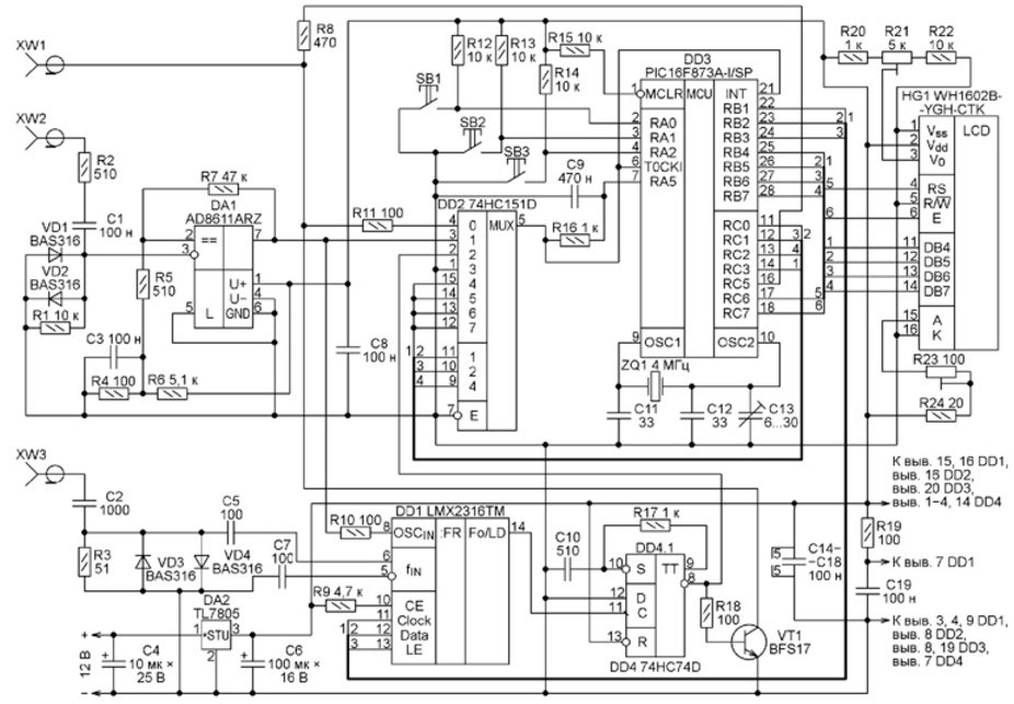
Предлагаемый частотомер содержит шесть микросхем - компаратор напряжения AD8611ARZ [1], синтезатор частоты LMX2316TM [2], D-триггер 74HC74D [3], селектор-мультиплексор 74HC151D [4], микроконтроллер PIC16F873A-1/SP [5] и интегральный стабилизатор напряжения TL7805. Результаты измерения он выводит на символьный ЖКИ WH1602B [6].

Основные технические характеристики

  • Интервал измеряемой частоты импульсов с уровнями ТТЛ, Гц.......0,1...8·107
  • аналоговых периодических сигналов произвольной формы напряжением более 100 мВэфф, Гц.......1...8·107
  • синусоидальных ВЧ-сигналов напряжением более 100 мВэфф, МГц .......20...1250
  • Длительность счета при измерении частоты, мс ......104, 103, 100, 10
  • Интервал измеряемой длительности импульсов, мкс .......10...106
  • Максимальная частота следования подсчитываемых импульсов, кГц .......100
  • Максимальное число подсчитанных импульсов .....100 000 000
  • Измеряемый уход частоты импульсов на входе ТТЛ или сигнала на аналоговом входе, Гц.......±1...±106
  • сигнала на входе ВЧ, кГц .......±1...±105
  • Коэффициент деления частоты сигнала поданного на аналоговый вход.......3 - 16383
  • поданного на вход ВЧ .......1000 - 65535
  • Уровни выходных импульсов делителя частоты.......ТТЛ
  • Длительность выходных импульсов делителя частоты, мкс.......0,5
  • Напряжение питания (постоянное), В.......9.16
  • Потребляемый ток, мА ......100...150

При выключении прибора установленные режимы его работы микроконтроллер запоминает в своем EEPROM и восстанавливает при включении.

Схема частотомера изображена на рис. 1. Тактовый генератор микроконтроллера DD3 стабилизирован кварцевым резонатором ZQ1. Подстроечный конденсатор C13 позволяет установить тактовую частоту в точности равной 4 МГц. Стабилизатор напряжения +5 В собран на микросхеме DA2. Подстроечным резистором R23 регулируют яркость подсветки экрана ЖКИ HG1. Оптимальную контрастность изображения на нем устанавливают подстроечным резистором R21.

Частотомер до 1250 МГц
Рис. 1. Схема частотомера (нажмите для увеличения)

Кнопками SB1-SB3 управляют прибором. Кнопка SB1 служит для выбора измеряемого параметра. Кнопкой SB2 выбирают разъем, на который подают измеряемый сигнал. В зависимости от частоты и формы входного сигнала это может быть XW1 (импульсы логических уровней частотой 0,1 Гц...80 МГц), XW2 (аналоговые сигналы произвольной формы частотой 1 Гц...80 МГц) или XW3 (сигналы частотой 20...1250 МГц). Кнопкой SB3 запускают и останавливают измерение в режимах счетчика импульсов и измерения ухода частоты. Длительным (более 1 с) нажатием на эту кнопку переходят из режимаизмерения частоты в режим ее деления и вывода результата на разъем XW1. Когда кнопки не нажаты, на входах микроконтроллера, с которыми они соединены, резисторы R12-R14 поддерживают высокие уровни.

Резисторы R4 и R6 создают постоянное смещение около 100 мВ на неинвертирующем входе компаратора DA1. Резисторы R5 и R7 - цепь положительной обратной связи, нужной для получения гистерезиса в характеристике переключения компаратора. Диоды VD1 и VD2 вместе с резистором R2 образуют двухсторонний ограничитель входного напряжения на инвертирующем входе компаратора.

Микросхема DD1, основное назначение которой - работа в синтезаторах частоты диапазона 1,2 ГГц, содержит два делителя частоты с переменным коэффициентом деления, которые и используются в описываемом приборе для деления частоты входных сигналов, подаваемых на разъемы XW2 и XW3, в заданное число раз. Микроконтроллер устанавливает коэффициенты деления и режим работы этой микросхемы, подавая команды по ее последовательному интерфейсу (входы Clock, Data, LE). В зависимости от установленного режима на выход Fo/LD поступает результат работы одного из этих делителей. Резистор R19 и конденсатор C19 образуют фильтр питания микросхемы DD1, а диоды VD3 и VD4 защищают от перегрузки вход одного из ее делителей частоты, непосредственно связанный с разъемом XW3. На триггере DD4.1 собран одновибратор, формирующий из выходных сигналов делителей частоты импульсы длительностью 0,5 мкс. Его времязадающая цепь - резистор R17 и конденсатор C10.

Формирователь импульсов, подаваемых на разъем XW1, собран на транзисторе VT1 с коллекторной нагрузкой - резистором R8. Он работает, когда на выходе RC5 микроконтроллера установлен высокий логический уровень. В противном случае формирователь выключен и не оказывает влияния на подаваемые на разъем XW1 внешние сигналы. Поэтому разъем XW1 может быть как входным при измерении частоты и длительности логических сигналов, а также при счете импульсов, так и выходным в режимах деления частоты. Резистор R11 служит для защиты входа 0 селектора-мультиплексора DD2 от случайно поданных на разъем XW1 сигналов большой амплитуды.

Селектор-мультиплексор по командам микроконтроллера подает на его предназначенные для измерения частоты и длительности импульсов входы либо импульсы уровней ТТЛ с разъема XW1, либо сигналы, поступившие на разъем XW2 и преобразованные в такие импульсы компаратором DA1, либо сигналы, поступившие на разъем XW3 и прошедшие через делитель частоты микросхемы DD1. Микроконтроллер выполняет основные операции измерения частоты, длительности и счета импульсов. Он же выводит результаты измерений на ЖКИ HG1 и управляет работой всего прибора. Программа микро-контроллера написана на языке ассемблера MASM, входящего в состав среды разработки программ MPLAB IDEv7.5.

В режимах измерения частоты микроконтроллер подсчитывает импульсы, поступившие на вход T0CKI в течение выбранного пользователем измерительного интервала (0,01, 0,1, 1 или 10 с). При измерении частоты сигнала, поданного на разъем XW3, его частоту предварительно делит на 1000 один из делителей микросхемы DD1.

При измерении длительности импульсов высокого логического уровня микроконтроллер по нарастающему перепаду измеряемого импульса на входе INT начинает счет импульсов частотой 1 МГц, полученных делением своей тактовой частоты. Он прекращает этот счет по спадающему перепаду измеряемого импульса. В случае измерения длительности импульса низкого уровня счет начинается по его спадающему перепаду, а завершается по нарастающему.

Как только включен режим измерения ухода частоты, микроконтроллер выполняет первое измерение частоты входного сигнала, затем периодически повторяет эти измерения. Программа вычитает результат первого измерения из каждого последующего и выводит текущую разность на индикатор. После остановки этого режима на ЖКИ отображаются максимальные зафиксированные завремя измерения отклонения частоты вниз и вверх от начальной.

Для измерения частоты следования логических импульсов с уровнями ТТЛ кнопкой SB2 выбирают входной разъем XW1. Микроконтроллер формирует на выходах RC0-RC2 код 000, переводя этим селектор DD2 в состояние, при котором сигнал с разъема XW1 поступает на входТОСК1 микроконтроллера для измерения частоты и на его же вход INT для измерения длительности импульсов. Результаты измерений программа выводит на ЖКИ HG1 (рис. 2), причем длительности импульсов высокого (H) и низкого (L) уровней на экране чередуются. Код в правой части верхней строки означает заданное время счета: "10" - 10 с, "1" - 1 с, ",1" - 0,1 с и ",01" - 0,01 с. В правой части нижней строки выводится условное обозначение выбранного входного разъема: TTL - XW1, VHF - XW2, UHF - XW3.

Частотомер до 1250 МГц
Рис. 2. Результаты измерений, выводимые программой на ЖКИ HG1

Измеряя частоту аналоговых сигналов (до 80 МГц), кнопкой SB2 выбирают входXW2. На выходах RC0-RC2 микроконтроллер формирует код 001, переводя мультиплексор DD2 в положение, в котором сигнал с разъема XW2, преобразованный в прямоугольные импульсы компаратором DA1, поступает на вход TOCKI микроконтроллера. Программа измеряет частоту сигнала и выводит результат на ЖКИ (рис. 3).

Частотомер до 1250 МГц
Рис. 3. Результаты измерений, выводимые программой на ЖКИ HG1

Для измерения ВЧ-сигналов частотой до 1250 МГц кнопкой SB2 выбирают входной разъем XW3. С него сигнал поступает на вход fIN имеющегося в микросхеме DD1 делителя частоты. Коэффициент деления задан микроконтроллером равным 1000. Сигнал с выхода делителя частоты, преобразованный в импульсы длительностью около 0,5 мкс одновибратором на триггере DD4.1, поступает через мультиплексор DD2 на вход TOCKI микроконтроллера. Мультиплексор установлен в нужное для этого состояние кодом 010 на выходах RC0-RC2 микроконтроллера. Программа микроконтроллера измеряет частоту и с учетом коэффициента деления выводит результат на ЖКИ (рис. 4).

Частотомер до 1250 МГц
Рис. 4. Результаты измерений, выводимые программой на ЖКИ HG1

Подлежащие счету импульсы подают на входной разъем XW1 или XW2. Кнопкой SB2 выбирают один из этих входов, а кнопкой SB1 - режим COUNTER (рис. 5). Счет запускают нажатием на кнопку SB3, что сопровождается заменой на экране метки OFF (выключено) меткой ON (включено). Для остановки счета на кнопку SB3 нажимают повторно, при этом метку ON сменяет метка OFF. Накопленное за время от запуска до остановки число импульсов программа показывает на ЖКИ.

Частотомер до 1250 МГц
Рис. 5. Результаты измерений, выводимые программой на ЖКИ HG1

Чтобы измерить уход частоты, сигнал (в зависимости от его формы и частоты) подают на один из входных разъемов XW1-XW3, выбирают кнопкой SB2 этот разъем, а кнопкой SB1 - функцию "+/-FREQUENCV (ее название сопровождается меткой OFF). Измерение запускают нажатием на кнопку SB3, при этом метку OFF сменяет метка ON. Прибор измеряет уход частоты и выводит его текущее значение на ЖКИ (рис. 6). После повторного нажатия на кнопку SB3, останавливающего измерение, на ЖКИ появляются максимальные зафиксированные за время измерения значения ухода частоты вверх и вниз от исходной (рис. 7).

Частотомер до 1250 МГц
Рис. 6. Результаты измерений, выводимые программой на ЖКИ HG1

Частотомер до 1250 МГц
Рис. 7. Результаты измерений, выводимые программой на ЖКИ HG1

Для деления частоты аналогового сигнала частотой до 80 МГц кнопкой SB2 выбирают входной разъем XW2 и подают на него сигнал, частота которого подлежит делению. С выхода компаратора DA1 он поступает на вход OSCIN делителя частоты R_Counter микросхемы DD1. Микроконтроллер задает по последовательному интерфейсу необходимый коэффициент деления этого делителя и подключает его выход к выходу Fo/LD микросхемы. Нажатиями на кнопку SB1 коэффициент деления уменьшают, а на кнопку SB2 - увеличивают. Чем дольше удерживают кнопку нажатой, тем быстрее изменяется коэффициент.

На выходе RC5 микроконтроллер устанавливает высокий уровень, переключая разъем XW1 в режим выхода. На своих выходах RC0-RC2 микроконтроллер формирует код 000, поэтому сигнал, выведенный на разъем, поступает и на входТ0СКI микроконтроллера для измерения частоты. Длительность импульсов в этом режиме не измеряется.

Частотомер до 1250 МГц
Рис. 8. Результаты измерений, выводимые программой на ЖКИ HG1

На рис. 8 показан результат деления частоты 19,706 МГц поданного на разъем XW2 сигнала на 100. В этом случае на выходе XW1 с частотой 197,06 кГц следуют импульсы высокого логического уровня длительностью 0,5 мкс. Сигналы частотой от 50 до 1200 МГц подают для деления на разъем XW3. Они обрабатываются аналогично, отличие лишь в том, что в операции участвует более высокочастотный делитель частоты N-Counter микросхемы DD1. На рис. 9 показан результат деления частоты 200,26 МГц на 2000. Частота на выходе - 100,13 кГц.

Частотомер до 1250 МГц
Рис. 9. Результаты измерений, выводимые программой на ЖКИ HG1

Частотомер смонтирован на печатной плате из фольгированного с двух сторон стеклотекстолита толщиной 1 мм. Ее чертеж показан на рис. 10, а размещение элементов - на рис. 11. Постоянные резисторы и большинство конденсаторов имеют типоразмер 0805 для поверхностного монтажа. Подстроечные резисторы R21 и R23 - SH-655MCL, подстроечный конденсатор C13 - TZC3P300A110R00. Оксидные конденсаторы С4 и C6 - алюминиевые с проволочными выводами.

Частотомер до 1250 МГц
Рис. 10. Печатная плата частотомера

Частотомер до 1250 МГц
Рис. 11. Размещение элементов на плате

Разъемы XW1-XW3 - 24_BNC-50-2-20/133_N [7]. Они соединены с платой отрезками коаксиального кабеля с волновым сопротивлением 50 Ом длиной около 100 мм. Кнопки SB1-SB3 - TS-A3PG-130. Индикатор HG1 укреплен над платой на стойках высотой 10 мм винтами М3.

Прибор собран в пластмассовом корпусе Z-28 [8]. На его передней панели вырезано прямоугольное отверстие размерами 70x25 мм для экрана ЖКИ и просверлены три отверстия диаметром 3 мм под кнопки. Сами кнопки установлены на стеклотекстолитовой плате размерами 100x12x1,5 мм, прикрепленной к передней панели с обратной стороны винтами M3. С левой стороны корпуса установлено гнездо питания, а с правой - его выключатель. Входные байонетные разъемы размещены на задней стенке корпуса.

Налаживание частотомера заключается в следующем:

- установите подстроечным резистором R21 оптимальную контрастность изображения на экране ЖКИ;

- установите подстроечным резистором R23 необходимую яркость подсветки ЖКИ;

- установите подстроечным конденсатором C13 тактовую частоту микроконтроллера в точности равной 4 МГц. Для этого к разъему XW1 подключите цифровой частотомер (Ч3-63 или любой другой), включите налаживаемый прибор при нажатой кнопке SB3 (при этом на ЖКИ должна появиться надпись "TEST") и, вращая ротор подстроечного конденсатора C13, добейтесь показаний внешнего частотомера, максимально близких к 100000 Гц. Не забывайте, что погрешность установки этой частоты непосредственным образом влияет на погрешность налаживаемого прибора.

Чертеж печатной платы в формате Sprint Layout 5.0 и программу микроконтроллера можно скачать с ftp://ftp.radio.ru/pub/2016/02/f_metr.zip.

Литература

  1. Ultrafast, 4 ns Single-Supply Comparators AD8611/AD8612. - URL: analog. com/media/en/technical-documentation/ data-sheets/AD8611_8612.pdf.
  2. PLLatinum™ LowPower Frequency Synthesizer for RF Personal Communications LMX2306 550 MHz, LMX2316 1.2 GHz, LMX2326 2.8 GHz. - URL: ti.com/lit/ds/ symlink/lmx2326.pdf.
  3. 74HC74, 74HCT74 Dual D-type flip-flop with set and reset; positive edge-trigger. - URL: nxp.com/documents/data_sheet/ 74HC_HCT74.pdf.
  4. 74HC151, 74HCT151 8-input multiplexer. - URL: nxp.com/documents/data_ sheet/74HC_HCT151.pdf.
  5. PIC16F87XA Data Sheet 28/40/44-Pin Enhanced Flash Microcontrollers. - URL: akizukidenshi.com/download/PIC16F 87XA.pdf.
  6. WH1602B character 16x2. - URL:  winstar.com.tw/download.php?ProID= 22.
  7. Coaxial Cable Connector: 24_BNC-50-2-20/133_N. - URL: electroncom. ru/pdf/hs/bnc/24bnc50-2-20_133n.pdf.
  8. Корпус Z-28. - URL: files.rct.ru/ pdf/kradex/z-28.pdf.

Автор: В. Турчанинов

Смотрите другие статьи раздела Измерительная техника.

Читайте и пишите полезные комментарии к этой статье.

<< Назад

Последние новости науки и техники, новинки электроники:

Кислотность океана разрушает зубы акул 03.10.2025

Мировые океаны выполняют важнейшую функцию - они поглощают около трети углекислого газа, выбрасываемого в атмосферу. Это помогает замедлять темпы глобального потепления, но имеет и обратную сторону. Растворяясь в воде, CO2 образует угольную кислоту, которая повышает концентрацию водородных ионов и приводит к снижению pH. Вода становится более кислой, а последствия этого процесса уже заметны для морских экосистем. Средний показатель кислотности океана сейчас равен примерно 8,1, тогда как еще недавно за условную норму брали значение 8,2. По прогнозам, к 2300 году уровень может упасть до 7,3 - это сделает океан почти в десять раз кислее нынешнего состояния. Для обитателей морей подобные изменения означают не просто сдвиг химического равновесия, а реальную угрозу физиологическим процессам, начиная от формирования раковин у моллюсков и заканчивая охотничьим поведением акул. Чтобы выяснить, как именно кислотная среда отражается на зубах акул, группа немецких исследователей провела эксп ...>>

Почтовый космический корабль Arc 03.10.2025

Космические технологии становятся частью инфраструктуры, способной повлиять на логистику, медицину и даже военную сферу. Идея использовать орбиту как глобальный склад для срочных поставок звучала еще недавно как научная фантастика, но стартап Inversion пытается превратить ее в практическое решение. Компания Inversion появилась в начале 2021 года благодаря Джастину Фиаскетти и Остину Бриггсу, которые на тот момент были студентами Бостонского университета. Их замысел состоял в том, чтобы сделать возможной доставку грузов не только через спутниковые сети данных, но и в буквальном смысле - физических предметов. В основе лежит простая мысль: если космос обеспечивает доступ к любой точке Земли, то и грузы должны перемещаться тем же маршрутом. Уже за три года работы команда из 25 специалистов успела построить демонстрационный аппарат "Ray". Его запуск состоялся в рамках миссии SpaceX Transporter-12. Устройство весом 90 килограммов проверяло ключевые технологии Inversion, включая двухком ...>>

Лазерное обогащение урана 02.10.2025

Ядерная энергия остается одним из ключевых источников стабильного электричества, особенно для стран с растущими потребностями в энергоснабжении. Однако обеспечение бесперебойных поставок топлива для атомных станций требует современных технологий обогащения урана, которые одновременно эффективны и безопасны. Американская компания Global Laser Enrichment (GLE) делает значительный шаг в этом направлении, завершив масштабное тестирование лазерной технологии обогащения урана. Демонстрационная программа была проведена на объекте в Уилмингтоне, Северная Каролина. Тестирование технологии SILEX (Separation of Isotopes by Laser EXcitation), разработанной австралийской Silex Systems, стартовало в мае 2025 года и продлится до конца года. В ходе экспериментов компания планирует получить сотни фунтов низкообогащенного урана (LEU), который может быть использован в качестве топлива для атомных электростанций. GLE была создана в 2007 году для коммерциализации лазерных методов обогащения урана в С ...>>

Случайная новость из Архива

Эмоции отличаются по цвету лица 08.04.2018

В художественной литературе часто встречаются выражения типа "его лицо покраснело от гнева" или "он побледнел от страха". Что мы представляем, когда читаем такое? Искаженное от гнева или страха лицо соответствующего цвета - уж если человек начал краснеть или бледнеть, значит, эмоции бьют через край. Сильное эмоциональное потрясение действует на кровеносные сосуды, так что изменение кровотока в коже становится видно невооруженным глазом. А если эмоциональные переживания не очень сильные?

Исследователи из Университета штата Огайо решили глубже изучить связь между цветом лица и эмоциями. Их интересовало, насколько специфично меняется цвет в зависимости от того, что чувствует человек, и насколько это помогает нам понять, что чувствует другой человек.

Собрав несколько сотен фото, на которых люди демонстрировали самые разные эмоции, они пропустили их через различные цветофильтры - и оказалось, что у эмоций действительно есть определенные цветовые коды. То есть если человек, к примеру, счастлив, у него на лице проступит характерная цветовая "печать счастья": в коже вокруг носа, бровей, на щеках, подбородке и лбу слегка изменится кровоток, и эти изменения будут характерны именно для счастливого переживания. Более того, такие изменения не зависят от пола, этнической принадлежности и оттенка кожи. И речь идет о довольно сложных оттенках; скажем, для отвращения характерно усиление желто-синего вокруг губ и красно-зеленого на лбу и вокруг носа.

Когда цветовой узор разных эмоций накладывали на лица с нейтральным выражением и после показывали их другим людям, то оказалось, что в большинстве случаев одних лишь цветовых изменений достаточно, чтобы верно узнать эмоцию. Так, счастье по цветовой "раскраске" правильно определяли в 70% случаев, грусть - в 75%, а гнев - в 65% случаев. Стоит добавить, что эмоций для эксперимента выбрали не одну и не две, а целых восемнадцать, и среди них были как простые ("счастье", "грусть" и т. д.), так и сложные (вроде "счастливого удивления" или "печальной злости").

А вот если цветовой код одной эмоции накладывали на другую эмоцию (то есть на несоответствующее выражение лица - например, цвета счастья совмещали со злым лицом), то участникам эксперимента казалось, что с той физиономией, которую им показывают, творится что-то не то, даже если они не могли понять, что именно. Полностью результаты работы описаны в статье в PNAS.

Авторам работы удалось даже научить компьютер распознавать эмоции по цветам: с помощью специального алгоритма машина угадывала счастье с 88-процентной точностью, гнев - с 80-процентной, страх - с 70-процентной; самым трудным оказалось отвращение, смешанное со страхом - его компьютер узнавал с точностью 65%. Такая программа очень пригодилась бы для роботов, которые должны общаться с людьми. С другой стороны, многие из нас сами наверняка не отказались бы от похожего устройства, которое помогало бы узнать, что чувствует собеседник, изо всех сил скрывающий от нас свои эмоции.

Другие интересные новости:

▪ CDT совершенствует технологию P-OLED

▪ Измерение магнитного поля на атомном уровне

▪ Вред малых доз

▪ Звук управляет светом

▪ Антитеррористическое кресло

Лента новостей науки и техники, новинок электроники

 

Интересные материалы Бесплатной технической библиотеки:

▪ раздел сайта Начинающему радиолюбителю. Подборка статей

▪ статья Хуан Грис. Знаменитые афоризмы

▪ статья Кто изобрел язык жестов? Подробный ответ

▪ статья Оператор по диспетчерскому обслуживанию лифтов. Типовая инструкция по охране труда

▪ статья Простейшее сторожевое устройство. Энциклопедия радиоэлектроники и электротехники

▪ статья Характеристика взрывонепроницаемых соединений взрывозащищенного оборудования. Параметры взрывонепроницаемых соединений электрооборудования 1, 2, 3-й категорий по ПИВРЭ (ПИВЭ). Энциклопедия радиоэлектроники и электротехники

Оставьте свой комментарий к этой статье:

Имя:


E-mail (не обязательно):


Комментарий:





Главная страница | Библиотека | Статьи | Карта сайта | Отзывы о сайте

www.diagram.com.ua

www.diagram.com.ua
2000-2025