Бесплатная техническая библиотека
Логический пробник. Энциклопедия радиоэлектроники и электротехники

Энциклопедия радиоэлектроники и электротехники / Измерительная техника
Комментарии к статье
Пробник максимально прост и содержит минимальное количество радиодеталей. В нем применен полупроводниковый знакосинтезирующий индикатор АЛС324Б.
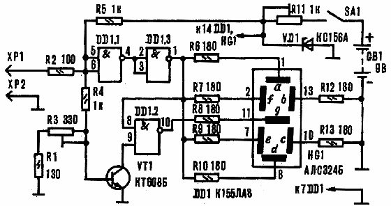
Прибор индицирует три различных состояния на входе: отсутствие сигнала (загорается знак -|), напряжение низкого логического уровня (горит 0), напряжение высокого логического уровня (горит 1). Питается устройство от источника постоянного тока напряжением 9 В (батарея "Корунд"). Принципиальная схема логического пробника показана на рисунке 1. Транзистор VT1 выполняет роль электронного ключа. Элементы DD1.1 и DD1.3 микросхемы DD1 служат для усиления входного сигнала, а DD1.2 используется в качестве сравнивающего устройства. Логическая информация отображается знакосинтезирующим индикатором HG1. Постоянные резисторы R6-R10, R12, R13 ограничивают ток светодиодов индикатора, а подстроечный резистор R3 служит для установки пробника в исходное состояние при отсутствии входного сигнала. Батарея GB1, стабилитрон VD1 и подстроечный резистор R11 образуют стабилизированный источник питания постоянного тока.
Предположим, что после включения питания сигнал на входе пробника отсутствует (щупы ХР1 и ХР2 не подключены к электрической цепи проверяемого устройства). При этом транзистор VT1 будет заперт и на входе 9 элемента DD1.2 установится напряжение высокого логического уровня. Такой же величины будет напряжение на входах 5 и 6 DD1.1, а следовательно, и на выходе 1 DD1.3 и входе 8 DD1.2. В результате на выходе 10 DD1.2 установится логический 0, и на индикаторе HG1 загорятся сегменты g, b и с (последние два через резисторы R12 и R13 подключены непосредственно к "минусовому" проводу питания), обозначая отсутствие сигнала на входе пробника.
Если теперь на вход подать напряжение высокого логического уровня, состояние элементов DD1.1 и DD1.3 не изменится, зато транзистор VT1 откроется и на входе 9 DD1.2 установится логический 0. Элемент DD1.2 переключится, на его выходе появится логическая 1 и сегмент g индикатора погаснет. В то же время сегменты b и c продолжают светиться, образуя цифру 1.
Подадим на вход пробника напряжение низкого логического уровня. Транзистор VT1 снова окажется запертым, а вот элементы DD1.1 и DD1.3 переключатся в противоположные состояния и на выходе 1 DD1.3 и входе 8 DD1.2 установится логический 0. При этом элемент DD1.2 также переключится, и на его входе появится напряжение высокого логического уровня. В результате сегмент g погаснет, а сегменты а, d, e, f загорятся, образуя вместе с непрерывно горящими сегментами b и с изображение цифры 0.
Рис. 1 Принципиальная схема логического пробника
Все элементы пробника, за исключением батареи питания GB1, тумблера SA1 и щупов ХР1 и ХР2, размещаются на монтажной плате размером 62x30 мм, изготовленной из фольгированного гетинакса или стеклотекстолита толщиной 1-2 мм (рис. 2).
В устройстве можно использовать следующие детали. Транзистор КТ601 - КТ603, КТ608 с любым буквенным индексом. Вместо индикатора АЛС324Б можно применить любой другой с разделенными катодами, например КЛЦ201. Стабилитрон - КС156А или КС147А. Постоянные резисторы-ВС, МЛТ, ОМЛТ, С2-23, С2-33; подстроечные - СПЗ-16. Допустимо также использовать подстроечные резисторы СП4; однако необходимо будет несколько изменить конструкцию монтажной платы с учетом его габаритов и расположения выводов. Тумблер - малогабаритный, например ПДМ или МТ1, МТД1. Щупы- от промышленного измерительного прибора.
Рис.2 Печатная плата и схема расположения элементов
Настройка
Прежде всего вращением движка подстроечного резистора R11 подберите напряжение питания микросхемы DD1, чтобы оно составляло 5 В. Затем при отсутствии входного сигнала установите пробник в исходное состояние, переведя движок R3 в крайнее правое по схеме положение. При этом на индикаторе должны гореть сегменты b и с. Далее, медленно вращая движок R5 в обратную сторону, добейтесь свечения сегмента g. Теперь пробник готов к работе.
Публикация: cxem.net
Смотрите другие статьи раздела Измерительная техника.
Читайте и пишите полезные комментарии к этой статье.
<< Назад
Последние новости науки и техники, новинки электроники:
Власть является ключевым фактором счастья в отношениях
11.03.2026
Исследования семейных и романтических отношений показывают, что длительное счастье пары зависит не только от привычных факторов, таких как доверие, уважение и преданность, но и от более тонких психологических аспектов. Современные ученые ищут закономерности, которые отличают действительно счастливые пары от остальных, чтобы понять, какие механизмы поддерживают гармонию в отношениях.
Группа исследователей из Университета Мартина Лютера в Галле-Виттенберге и Бамбергского университета провела опрос среди 181 пары, которые состояли в совместных отношениях более восьми лет и прожили вместе хотя бы месяц. Участники заполняли анкету, описывая различные аспекты своих отношений, включая распределение обязанностей, эмоциональную поддержку и степень вовлеченности в совместные решения.
Анализ данных показал интересный паттерн: пары, где оба партнера ощущали высокий уровень личной власти, оказывались наиболее счастливыми и удовлетворенными. В данном контексте под властью понимается способност ...>>
Защищенная колонка-повербанк Anker Soundcore Boom Go 3i
11.03.2026
Компания Anker представила новую модель линейки Soundcore - колонку Soundcore Boom Go 3i, ориентированную на активное использование на улице.
Новинка отличается высокой степенью защиты: корпус соответствует стандарту IP68, что обеспечивает водо- и пыленепроницаемость, а ударопрочный дизайн выдерживает падение с высоты до одного метра. За качество звука отвечает 15-ваттный драйвер, обеспечивающий пик громкости до 92 дБ, а технология BassUp 2.0 усиливает низкие частоты, делая звучание более насыщенным.
Колонка обладает автономностью до 24 часов, а LED-индикатор позволяет контролировать уровень заряда батареи. Кроме того, Soundcore Boom Go 3i может выполнять функцию павербанка: согласно внутренним тестам, устройство способно зарядить iPhone 17 с нуля до 40% за один час, что делает его полезным аксессуаром в походах и поездках.
Среди функциональных особенностей модели стоит выделить технологию Auracast, которая улучшает подключение и позволяет создавать стереопару из двух колонок ...>>
Раннее воздержание от алкоголя перестраивает мозг и иммунитет
10.03.2026
Алкогольная зависимость - хроническое расстройство с компульсивным употреблением спиртного, которое влияет не только на поведение, но и на функционирование мозга и иммунной системы. Недавние исследования показали, что даже на ранних этапах воздержания организм начинает перестраиваться, открывая новые возможности для терапии зависимости.
Ученые сосредоточились на пациентах, находящихся в первые недели абстиненции, и зафиксировали значительные изменения в мозговой активности. С помощью функциональной магнитно-резонансной томографии они выявили перестройку сетей нейронных связей, отвечающих за контроль импульсов и принятие решений. Эти изменения могут быть ключевыми для восстановления самоконтроля и снижения риска рецидива.
Одновременно с нейронной перестройкой исследователи наблюдали колебания иммунной системы. В крови повышался уровень цитокинов - сигнальных белков, регулирующих воспалительные процессы. Эти данные свидетельствуют о существовании нейроиммунного взаимодействия, при ...>>
Случайная новость из Архива Кроссовки с электроникой
07.01.2007
Обычные кроссовки годятся не для всех видов спорта и не для любой поверхности. Цель спортивной обуви - амортизировать удары стопы, а сила этих ударов различна, например, при беге трусцой, марафоне или спринте, при прыжках. Различны нагрузки на стопу при беге по асфальту и при игре в теннис на траве. Поэтому до сих пор выпускали кроссовки разных видов для занятий различными видами спорта.
Известная фирма "Адидас" выпустила в 2005 году кроссовки с автоматической регулировкой степени жесткости подошвы. Модель "Adidas 1" самостоятельно адаптируется к требованиям момента, изменяя свойства подошвы. Датчики, спрятанные в подошве, тысячу раз в секунду измеряют нагрузки и деформации. Исходя из этих данных, микропроцессор рассчитывает идеальный уровень амортизации и посылает приказ электромагнитам, изменяющим жесткость каблука. Батарейки, обеспечивающей работу электроники, хватает на сто часов.
Недавно выпущена новая модель "Adidas 1.1 Basketball", специально рассчитанная на баскетболистов, она умеет улавливать стиль игры своего хозяина и приспосабливаться к нему. Защитнику и нападающему требуется обувь с разными свойствами, жесткость подошвы должна меняться и в зависимости от игровых ситуаций - прыжков или бега.
Если в течение пяти минут нагрузка на подошву не меняется, кроссовки "засыпают", сберегая энергию батарейки. При этом мигает красный огонек на боковой поверхности каблука, показывая, что электроника не отключилась, а перешла в экономный режим. Если изменений нет в течение двух часов, система отключается совсем.
|
Другие интересные новости:
▪ Дожди приходят из космоса
▪ ЖК-панели WhiteMagic
▪ Умные кроссовки Nike управляются со смартфона
▪ Этикет заложен в генах
▪ Антистрессовая музыка для кошек
Лента новостей науки и техники, новинок электроники
Интересные материалы Бесплатной технической библиотеки:
▪ раздел сайта Культурные и дикие растения. Подборка статей
▪ статья Реактивный автомобиль TRUST SSC. История изобретения и производства
▪ статья Откуда у Мертвого моря такое название? Подробный ответ
▪ статья Директор по маркетингу. Должностная инструкция
▪ статья Коротковолновые передающие антенн. Энциклопедия радиоэлектроники и электротехники
▪ статья Загадки да-нет
Оставьте свой комментарий к этой статье:
Главная страница | Библиотека | Статьи | Карта сайта | Отзывы о сайте

www.diagram.com.ua
2000-2026