Menu Home

Бесплатная техническая библиотека для любителей и профессионалов Бесплатная техническая библиотека


Цифровой мини-вольтметр с ЖКИ. Энциклопедия радиоэлектроники и электротехники

Бесплатная техническая библиотека

Энциклопедия радиоэлектроники и электротехники / Измерительная техника

Комментарии к статье Комментарии к статье

Автор этой статьи исследовал работоспособность ряда микросхем АЦП семейства ICL71x6 (в том числе и КР572ПВ5) и ее аналогов при пониженном напряжении питания. Используя результаты этих исследований, он разработал оригинальную конструкцию миниатюрного цифрового вольтметра.

На основе микросхемы АЦП МАХ130, относящейся к семейству микросхем IСL71х6, разработана конструкция миниатюрного вольтметра с четырьмя пределами измерения: 200 мВ, 2, 20 и 200 В. Основная схема прибора приведена на рис. 1.

Цифровой мини-вольтметр с ЖКИ
(нажмите для увеличения)

Внешний вид вольтметра показан на рис. 2.

Цифровой мини-вольтметр с ЖКИ

Выбор данной серии микросхем объясняется тем, что ее предел работоспособности при пониженном напряжении питания приблизительно совпадает с пороговым напряжением дешевого и доступного детектора понижения питания - микросхемы КР1171СП42. Применение этого детектора позволяет избежать ошибочных измерений при уменьшении напряжения питания ниже определенного уровня. Существенно меньший в сравнении с ICL7106 (КР572ПВ5) ток потребления позволил увеличить продолжительность работы вольтметра даже при использовании малогабаритной батареи питания.

При частоте кварца 32,768 кГц вольтметр дает около 2 (32768/16000) показаний в секунду. Частота сигнала ВР - приблизительно 40 Гц (32768/800).

Для использованного в мини-вольтметре экземпляра микросхемы MAX130CPL минимальное рабочее напряжение, при котором еще сохраняется точность измерения, оказалось равным 4,27 В. Поэтому из десяти имевшихся экземпляров детекторов 1171СП42 (а они имеют существенный разброс в напряжении срабатывания) был выбран экземпляр с напряжением срабатывания Us = 4,3 В и гистерезисом 60 мВ (напряжение выключения - около 4,36 В).

Точность работы АЦП в значительной степени связана с качеством конденсаторов, используемых в АЦП. В фирменной документации и статьях, посвященных применению АЦП ICL71xx, рекомендуется применять конденсаторы с низким значением коэффициента абсорбции в диэлектрике. Если в качестве С6 (емкость интегрирующей цепи) использовать керамический конденсатор, погрешность линейности преобразования будет иметь порядок 0,1 %, а с полистирольным и полипропиленовым диэлектриком - соответственно 0,01 % и 0,001 %. Из отечественных конденсаторов можно рекомендовать К71-4, К71-5, К72П-6, К72-9, К73П-7, К73-16, К73-17. Конденсаторы С4 в узле коррекции нуля и С2 с образцовым напряжением можно использовать с диэлектриком из полиэтилентерефталата. Для справки: конденсаторы групп К70-хх и К71-хх - с диэлектриком из полистирола, групп К72-хх - фторопластовые, К73-хх - полиэтилентерефталатные, К78-хх- полипропиленовые.

Вольтметр собран на макетной печатной плате, размеры которой совпадают с размерами индикатора. Микросхема АЦП расположена под индикатором, а с обратной стороны макетной платы размещены остальные элементы. Все резисторы, кроме входного делителя, - чип-резисторы типоразмера 0805. Монтаж выполнен тонким проводом.

Плата вольтметра установлена в корпус из жести габаритами 80x35x15 мм. Напротив индикатора в корпусе прорезано окно, в которое вклеена пластина из прозрачного пластика (от крышки коробки для компакт-диска). Размеры батарейного отсека - 35x15x15 мм.

Для получения образцового напряжения 100 мВ используются элементы R1, VD1, R3, R5, R6. Характеристики интегрального стабилитрона AD1580ART (Iст min = 50 мкА!) немного лучше, чем у RER1004 (LM385), и он выпускается в миниатюрном корпусе SOT-23. Образцовое напряжение 100 мВ устанавливают на резисторе R5 регулировкой подстроечного резистора R6.

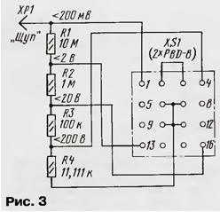
Вольтметр на четыре предела измерения напряжения удалось сделать без специального переключателя: к разъему ХР1 подключают внешний делитель напряжения, встроенный в разъем измерительного щупа. Схема входного делителя приведена на рис. 3, а на рис. 4 показана его конструкция. Переход к другому пределу измерения можно осуществить, если отсоединить щуп с делителем от разъема ХР1 вольтметра, повернуть щуп на 90 град, и опять соединить оба узла.

Цифровой мини-вольтметр с ЖКИ Цифровой мини-вольтметр с ЖКИ

Входное сопротивление вольтметра с подключенным делителем напряжения - 11,1 МОм (без делителя - порядка 100 МОм). Лучше всего во входном делителе напряжения использовать резисторы С2-29В 0,062 или 0,125 Вт с допуском 0,1 %. Сопротивления резисторов делителя выбраны кратными 10, что облегчает их подбор. Сопротивление нижнего плеча делителя в этом случае должно быть 11,11 кОм; такой номинал существует у резисторов С2-29В (ряд Е192). Можно воспользоваться советом из [1] и соединить параллельно два резистора с номиналами из ряда Е24 12 кОм и 150 кОм (важно подобрать значение 11,11 кОм). При установке в делитель резисторов с допуском 0,1% никакого дополнительного подбора их не потребуется. К сожалению, найти точный резистор малого размера с номиналом 10 МОм невозможно. Поэтому пришлось сделать самодельный резистор из чип-резисторов 0805. Схема и конструкция такого резистора показаны на рис. 5,а и рис. 5,б.

Цифровой мини-вольтметр с ЖКИ

Резисторы R1'= 8,2 МОм и R1"= 1,8 МОм следует подобрать с минусовым допуском. Если отклонение будет иметь величину около 0,1% (это вполне возможное значение для чип-резисторов с допуском 1%), то два других резистора должны иметь номиналы, которые указаны на рис. 5,а. Резистор R1* припаивается сверху на резистор R1"'. Размер конструкции приблизительно соответствует резисторам С2-23 0,125 или 0,25 Вт. Максимальное допустимое напряжение на входе делителя определяется максимально допустимым напряжением чип-резистора 0805 R1' и по паспортным данным равно 300 В. Рабочее напряжение чип-резисторов не должно превышать 150 В. Если учесть, что сопротивление резистора R1' - это 8,2 МОм/11,1 МОм = 73,8% от полного сопротивления делителя, то рабочее напряжение делителя равно 150 В / 0,73 = 203 В, что соответствует максимальному пределу измерения мини-вольтметра. Подстроить резистор 10 МОм можно либо по показаниям точного омметра, либо измеряя калиброванное напряжение 1,999 В точным вольтметром на собранном делителе. Естественно, что сам мини-вольтметр при этом должен быть настроен на предел 200 мВ. В принципе, первый вариант настройки по показаниям омметра не может дать хорошего результата, поскольку всегда существует входной ток, который создают ощутимое падение напряжения на резисторе 10 МОм. Но входные токи семейства микросхем ICL71xx настолько малы, что результаты для индикации на 31/2 разряда получаются вполне удовлетворительные.

Не рекомендуется настраивать делитель, подключая к его ступеням мультиметр, пусть даже на порядок более точный, поскольку может возникать некоторая погрешность из-за внутреннего делителя напряжения, не отключаемого даже на нижнем пределе.

Прежде чем залить конструкцию щупа эпоксидной смолой, рекомендуется тщательно промыть резистор 10 МОм и весь делитель спиртобензиновой смесью, водой с шампунем и тщательно высушить. Для этой цели удобно использовать фен для волос при температуре воздуха на его выходе в интервале 70...90 °С. Нужно очень внимательно следить за тем, чтобы эпоксидная смола не затекла в корпус штыревых соединителей PBD-8.

Второй входной щуп вольтметра с зажимом "крокодил" на конце подключают к разъему ХРЗ. Поскольку на этот же разъем выведен и вход 200 мВ, его можно использовать для соединения вольтметра с различными внешними приставками или просто как индикатор с большим входным сопротивлением и шкалой 200 мВ. Делитель напряжения отключают от разъема ХР1, поэтому положение десятичной точки может быть выставлено на разъеме ХР1 обычным джемпером.

Металлический корпус вольтметра не имеет соединений с электрической частью прибора, но на разъеме ХРЗ контакт "корпус" присутствует. Использовать его можно в зависимости от ситуации (например, при большом уровне наводок). Схема и конструкция минусового щупа показаны на рис. 6.

Цифровой мини-вольтметр с ЖКИ

В вольтметре применен ЖК индикатор ITS-0803 фирмы INTECH [2]. Его размеры - 51x30,5 мм. Изображение появляется уже при напряжении 2...2,1 В, а максимального контраста знака по отношению к фону (у ИЖЦ5-4/8 контрастность хуже) индикатор достигает при напряжении питания 3...3.3 В. Этот тип индикатора можно назвать стандартным, поскольку его полные аналоги выпускаются целым рядом фирм (Standish, Epson). Назначение и расположение выводов и сегментов показаны на рис. 7.

Цифровой мини-вольтметр с ЖКИ

Наиболее распространенный индикатор ИЖЦ5-4/8 использовать можно, но нежелательно. Изображение сегментов появляется, начиная с напряжения на нем 2,5...2,7 В, но максимальный контраст достигается только при величине напряжения 4,3....4,8 В. Кроме того, у этого индикатора отсутствует сегмент "Low Battery". Существует аналог данного ЖКИ с названием "Соболь", характеристики которого лучше, а цена выше.

Хороший индикатор - ИЖЦ14-4/7 завода "Рефлектор". Он нормально работает при напряжении питания 3 В, но имеет 50 выводов, много лишних сегментов, и, соответственно, большие размеры, чем ITS-0803. Есть символ-сегмент "LB". Сведения об этих компонентах также можно узнать на сайте [2].

Если на ЖКИ отсутствует сегмент "LOW BATTERY", в узле индикации разряда батареи можно использовать све-тодиод; схема контроля напряжения для этого случая показана на рис. 8. Светодиод желательно выбрать с минимальным рабочим током. Показанный на схеме светодиод L-934SRC - красный, очень яркий (фирма King Bright). Он нормально работает при прямом токе 200...300 мкА!

Цифровой мини-вольтметр с ЖКИ

Транзистор VT2 инвертирует сигнал ВР и используется для включения десятичных точек на индикаторе. Нужная на действующем пределе точка включается перемычкой на разъеме XS2 внешнего делителя напряжения. Этот же инвертированный сигнал ВР (на схеме обозначен как DP0) через ключ на транзисторе VT1 может быть подан на сегмент ЖКИ "Low Battery". Состоянием ключа (вкл./выкл.) управляет детектор понижения напряжения DA1. Резисторы R4, R7, R10, R11 (сопротивлением 5...10 МОм) установлены для исключения "подсветки" неиспользуемых сегментов. В большинстве случаев индикатор хорошо работает и без этих резисторов.

Размеры отсека питания, увязанные с шириной примененного индикатора, позволяют устанавливать в прибор батареи 4LR44, А544, V34PX, РХ28А, 4SR44 с напряжением 6 В. Возможно использование и нескольких отдельных дисковых щелочных или серебряноцинковых гальванических элементов AG13, 376А, LR44, SR44 с номинальным напряжением 1,55 В. Они достаточно распространены и используются в лазерных указках и детской игрушке "Томагочи".

В отсеке установлена достаточно длинная пружина, которая позволяет использовать три или четыре дисковых элемента. При четырех элементах конечное напряжение разряда - 4,3 В / 4 = 1,07 В. При включении лишь трех элементов получается неполное использование их емкости (минимально допустимое напряжение - около 1,43 В). Малый ток потребления (особенно для МАХ131) позволяет устанавливать набор из "свежих" и частично разряженных элементов для более полного использования их емкости. С некоторым усилием в отсек можно уложить даже 5 штук полностью разряженных элементов (0,9 В х 5 = 4,5 В), и вольтметр будет нормально работать.

Емкость щелочных гальванических элементов и батарей указанных типов приблизительно равна 100 мАч, а серебряно-цинковых - 160 мАч. Это означает, что расчетное время работы вольтметра от одной батареи при среднем потребляемом токе около 220 мкА (МАХ130) составит около 500 для щелочных и 800 часов для серебряно-цинковых батарей. Для других типов микросхем данного семейства АЦП можно оценить время работы, исходя из их тока потребления.

Погрешность вольтметра на пределе 200 мВ соответствует разрядности ЖК индикатора, т. е. все цифры на индикаторе точные (проверено по 41/2разрядному вольтметру DT930F+, класс точности 0,05), что, разумеется, не заслуга автора, а высокое качество изготовления АЦП MAXIM и источника образцового напряжения Analog Devices. Поскольку измеренное в настроенном вольтметре напряжение ИОН имело величину чуть ниже расчетного значения (около 99,98 мВ), неизбежно возникающая при таком способе коррекции абсорбции в конденсаторе нелинейность прибора находится за пределами 3 1/2 разрядов индикатора. Отсутствие заметной разницы показаний в конечных точках шкалы (меньше 1/2 единицы младшего разряда индикатора) в данном случае - просто приятная случайность. На остальных (трех) пределах погрешность будет определяться качеством изготовления делителя напряжения.

Автор сознает некоторую двусмысленность материала, изложенного в этой статье. С одной стороны, рассматривается применение микросхемы АЦП в конструкции прибора, который нельзя рассматривать иначе как радиолюбительский, поскольку режим питания микросхемы не соответствует рекомендации фирмы-изготовителя. С другой стороны, автор располагает результатами достаточно глубокого не вошедшего в эту статью исследования источников погрешности. При этом автор утверждает, что два десятка экземпляров микросхем разных типов из семейства IСL71х6 нормально работают в предложенной схеме включения. Однако никаких обобщающих выводов по поводу работоспособности всех экземпляров микросхем из этой группы АЦП в данной статье автор дать не может.

Для себя автор все же сделал определенный вывод. Если в любительской или промышленной конструкции понадобится подключить микросхему семейства ICL71x6 в устройство с напряжением питания 5...6 В, можно, учитывая запас по напряжению питания, использовать АЦП без преобразователей полярности.

Литература

  1. Бирюков С. Портативный цифровой мультиметр: Сб.: "В помощь радиолюбителю", вып. 100, с. 70-90. - М.: ДОСААФ. 1998.
  2. chipindustry.ru/shop/

Автор: О.Федоров, г.Москва

Смотрите другие статьи раздела Измерительная техника.

Читайте и пишите полезные комментарии к этой статье.

<< Назад

Последние новости науки и техники, новинки электроники:

Стерильного нейтрино не существует 15.01.2026

В физике элементарных частиц поиск новых, пока не обнаруженных объектов играет ключевую роль в понимании устройства Вселенной. Иногда такие поиски приводят к громким открытиям, а иногда - к не менее важным отрицательным результатам, которые позволяют отбросить неверные направления. Именно к таким случаям относится недавний вывод ученых о судьбе стерильного нейтрино - одной из самых интригующих гипотетических частиц последних десятилетий. Исследователи из американской лаборатории Fermilab официально сообщили, что им не удалось найти доказательства существования стерильного нейтрино. К такому выводу пришла команда эксперимента MicroBooNE после многолетнего анализа столкновений нейтрино, которые ранее рассматривались как возможный намек на существование четвертого типа этих частиц. Предполагалось, что стерильное нейтрино взаимодействует с материей исключительно через гравитацию, что делало его крайне трудным объектом для обнаружения. В рамках современной физики нейтрино известны в т ...>>

Беспроводные наушники и колонки Fender 15.01.2026

Музыкальная индустрия постепенно адаптируется к цифровым технологиям, и известный производитель музыкальных инструментов Fender расширяет свое присутствие за пределы гитар и усилителей, представляя современные решения для прослушивания музыки. Новые беспроводные наушники и Bluetooth-колонки Fender объединяют богатый звук, модульность и удобство использования как для дома, так и для профессиональной работы. Флагманской новинкой стали наушники Fender Mix, отличающиеся модульной конструкцией. Динамики подключаются к оголовью через порт USB Type-C и могут быть сняты вместе с амбушюрами, что облегчает уход и транспортировку. Один из динамиков оснащен встроенным адаптером USB Type-C для подключения к источнику звука без потерь, поддерживая кодеки LDHC и Fire, а также функцию Auracast. На другом динамике размещен съемный аккумулятор, который обеспечивает до 100 часов работы без активного шумоподавления; при включении ANC время работы сокращается до 52 часов. Наушники доступны по цене $299 ...>>

Польза белкового завтрака 14.01.2026

Правильное питание по утрам играет ключевую роль в поддержании здоровья и контроле веса. Многочисленные исследования подтверждают, что состав завтрака может влиять на аппетит в течение всего дня и качество употребляемой пищи. Австралийские ученые провели масштабный эксперимент, который показал, что употребление белковой пищи с утра помогает дольше чувствовать сытость и предотвращает переедание. В исследовании участвовали более 9 тысяч человек среднего возраста 46 лет. В период с 2011 по 2012 год специалисты анализировали рационы респондентов, оценивая долю основных макронутриентов. В среднем участники потребляли 43% углеводов, 31% жиров, 18% белков, 2% клетчатки и 4% алкоголя. Такой рацион позволил ученым проследить взаимосвязь между утренним приемом пищи и пищевым поведением в течение дня. Выяснилось, что участники, чей завтрак содержал недостаточное количество белка, ощущали повышенный аппетит в течение дня. Они ели больше, чем необходимо, и часто выбирали продукты с высоким со ...>>

Случайная новость из Архива

Генетики выяснили причину женского счастья 10.09.2012

Ученые из Университета Южной Флориды, Национального Института Здоровья США, Колумбийского Университета и Института Психиатрии штата Нью-Йорк обнаружили, что слабовыраженная форма гена моноаминоксидазы А (МАОА) у женщин связана с повышенным ощущением счастья. Любопытно, что у мужчин такой связи не нашли.

"Меня удивили полученные результаты, поскольку слабовыраженную форму МАОА связывали с некоторыми негативными последствиями, такими как алкоголизм, агрессивность и антиобщественное поведение, - говорит главный автор исследования Хеньян Чен. - Некоторые ученые даже называют его "геном воина". Однако наше исследование указало на светлую сторону этого гена: по крайней мере, для женщин".

Хотя женщины более подвержены плохому настроению, чувству тревоги и волнения, они в то же время чаще, чем мужчины, чувствуют себя счастливыми. По словам Чена, это открытие поможет объяснить гендерные различия в восприятии и пролить свет на связь между конкретными генами и человеческим счастьем.

Исследователи проанализировали данные от репрезентативной выборки, состоящей из 345 человек: 193 женщин и 152 мужчин. ДНК участников исследования анализировалась на предмет вариаций гена МАОА, и их ощущение счастья измерялось по широко используемой и хорошо проверенной шкале. После проверки разнообразных факторов - от возраста и образования до уровня дохода - исследователи обнаружили, что женщины со слабовыраженной формой гена МАОА были ощутимо счастливее остальных. При этом две копии гена повышали ощущение счастья. В то же время, у практически всех мужчин, обладавших "геном счастья", результаты были такими же, как и у представителей "сильной половины", не имеющих его.

Исследователи считают, что такое различие можно частично объяснить низким уровнем тестостерона у женщин по сравнению с мужчинами. Чен и его соавторы предполагают, что тестостерон может отменять положительное влияние МАОА на мужчин. Возможные выгоды от МАОА у мальчиков могут идти на спад при росте уровня тестостерона в процессе взросления, как говорит Чен: "Возможно, мужчины счастливее до полового созревания, поскольку их уровень тестостерона в это время ниже".

При этом, по словам Чена, счастье вряд ли определяется единственным геном - скорее существует набор генов, влияющий на индивидуальный уровень счастья в каждый момент нашего жизненного опыта. По мнению ученого, сейчас как раз подходящее время для дополнительных генетических исследований, связанных со счастьем и благополучием.

Другие интересные новости:

▪ Аквариумные рыбки для космонавтов

▪ Титановая челюсть для черепахи

▪ Реверсив-контрацептив

▪ Самовосстанавливающееся стекло

▪ Найден ген избыточного веса

Лента новостей науки и техники, новинок электроники

 

Интересные материалы Бесплатной технической библиотеки:

▪ раздел сайта Сборка кубика Рубика. Подборка статей

▪ статья Жуковский Николай. Биография ученого

▪ статья От чего зависит погода? Подробный ответ

▪ статья Электромонтер по надзору за трассами кабельных сетей. Типовая инструкция по охране труда

▪ статья Индикатор электрического поля. Энциклопедия радиоэлектроники и электротехники

▪ статья CW-SSB фильтр с электронной коммутацией. Энциклопедия радиоэлектроники и электротехники

Оставьте свой комментарий к этой статье:

Имя:


E-mail (не обязательно):


Комментарий:





Главная страница | Библиотека | Статьи | Карта сайта | Отзывы о сайте

www.diagram.com.ua

www.diagram.com.ua
2000-2026