Menu Home

Бесплатная техническая библиотека для любителей и профессионалов Бесплатная техническая библиотека


Простой цифровой измеритель емкости МАСТЕР С. Энциклопедия радиоэлектроники и электротехники

Бесплатная техническая библиотека

Энциклопедия радиоэлектроники и электротехники / Измерительная техника

Комментарии к статье Комментарии к статье

В повседневной работе радиолюбителям часто приходится определять данные радиоэлементов. Если измерить сопротивление резистора не составляет особого труда - можно воспользоваться обычным мультиметром, то с емкостями конденсаторов дело обстоит сложнее. Бывает, что надпись на корпусе детали стерта или емкость обозначена неизвестным кодом. Иногда необходим точный подбор емкости (во время- и частотозадающих цепях, в фильтрах, резонансных контурах и т. д.). Во всех этих случаях вам поможет несложный прибор, подробное описание которого мы начинаем публиковать в этом номере.

НАЗНАЧЕНИЕ И ТЕХНИЧЕСКИЕ ДАННЫЕ

Цифровой измеритель емкости предназначен для измерения емкости конденсаторов от единиц пикофарад до 9 999 микрофарад и более, если считать количество переполнений счетчика. Наличие постоянного напряжения смещения (не более 6,5 В) на входе прибора позволяет измерить емкость как неполярных, так и полярных оксидных конденсаторов. Измерителем емкости можно быстро подобрать или отбраковать конденсаторы, являющиеся одними из самых ненадежных компонентов радиоаппаратуры, что обычно обнаруживается при ее изготовлении или ремонте. Оксидные конденсаторы, включенные в сравнительно высокоомные цепи, удается проверить этим прибором без отпайки выводов.

Кроме того, измеритель емкости может использоваться для измерения длины коаксиальных кабелей или расстояния до места обрыва. В этом случае измеряется емкость кабеля, и полученное значение делится на погонную емкость (одного метра) кабеля, взятую из справочника или полученную опытным путем. К примеру, погонная емкость кабеля РК-75 составляет около 67 пФ, независимо от его диаметра.

Цифровой измеритель емкости имеет четырехразрядный цифровой индикатор и три предела измерения: 1 - 9999 пФ; 1 - 9999 нФ; 1 - 9999 мкФ. Точность измерения составляет 2,5 % ± единица младшего разряда выбранного диапазона при окружающей температуре 20°С. Температурная погрешность в диапазоне от +5 до +35°С не превосходит 0,25 % на 1°С (предел "пФ"], ±0,08 % на 1°С (предел "нФ" и "мкФ"). Габаритные размеры прибора - не более 150x88x48 мм.

Внешний вид цифрового измерителя емкости "Мастер С" показан на рис. 1.

Простой цифровой измеритель емкости МАСТЕР С

Прибор не содержит дефицитных или дорогих деталей, прост в налаживании, что делает его удобным для повторения даже начинающими. При желании можно увеличить число пределов измерения, сузив диапазон каждого. Это немного усложнит конструкцию прибора (понадобится установить другой переключатель), но повысит точность измерений.

ПРИНЦИП ДЕЙСТВИЯ

Обратимся к функциональной схеме измерителя емкости (рис. 2). Основная идея его создания заимствована из [1]. Измеряемая емкость Сх подключается к генератору импульсов измерительного периода (ГИП). Период генерируемых импульсов пропорционален Сх. Они непрерывно поступают на формирователь импульсов управления счетом. По сигналу разрешения, который вырабатывается через каждые 0,8...1,0 с генератором цикла, формирователь импульсов управления выдает одиночный импульс, длительность которого равна одному периоду импульсов на выходе ГИП.

Простой цифровой измеритель емкости МАСТЕР С

По переднему фронту этого импульса формирователь импульса сброса устанавливает счетчик - цифровой индикатор в нулевое состояние. Кроме того, импульс управления поступает на ключ и разрешает прохождение тактовых импульсов на вход счетчика. Эти импульсы вырабатываются генератором тактовых импульсов (ГТИ). Их частота на каждом пределе измерения выбрана такой, что за время действия импульса управления на счетчик поступает количество импульсов, равное численному значению измеряемой емкости в соответствующих единицах: пикофарадах на пределе "пФ", нанофарадах на пределе "нФ", микрофарадах на пределе "мкФ".

Так как к измеряемой емкости на входе ГИП всегда добавляется паразитная входная емкость самого прибора, на вход счетчика поступают импульсы, количество которых численно равно сумме этих емкостей. В данной конструкции входная емкость составляет 10...12 пФ. Чтобы на пределе "пФ" счетчик показывал истинное значение, длительность импульса сброса выбрана такой, чтобы счетчик не реагировал на некоторое количество первых импульсов, число которых соответствует паразитной входной емкости прибора.

Для большей наглядности вышеизложенного на рис. 3 показаны временные диаграммы, поясняющие работу основных узлов измерителя емкости с указанием точек на принципиальной схеме, в которых можно наблюдать эти импульсы.

Простой цифровой измеритель емкости МАСТЕР С

ПРИНЦИПИАЛЬНАЯ СХЕМА

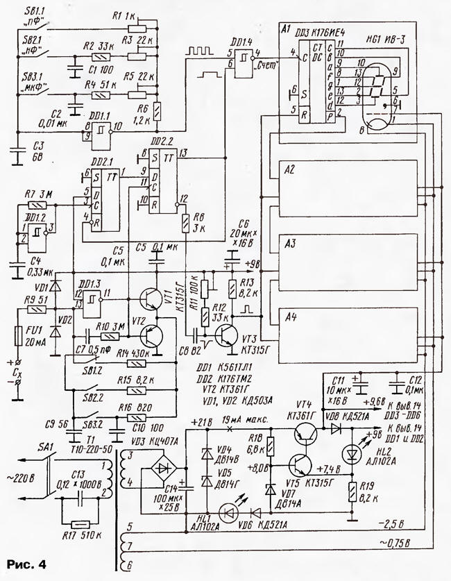
Принципиальная схема цифрового измерителя емкости показана на рис. 4. ГИП представляет собой мультивибратор на основе триггера Шмитта, состоящий из элемента DD1.3 и транзисторов VT1, VT2. Он служит для преобразования значения измеряемой емкости во временной интервал. Диоды VD1, VD2, резистор R9 и предохранитель FU1 защищают прибор от повреждения при подключении ко входу заряженного конденсатора. Конденсатор С7 и резистор R10 улучшают линейность показаний при измерении малых емкостей на пределе "пФ". Период колебаний мультивибратора определяется емкостью, подключаемой к его входу, и сопротивлением одного из резисторов в цепи обратной связи - R14, R15 или R16, в зависимости от выбранного предела измерений. Транзисторы VT1 и VT2 служат для "умощнения" выхода триггера Шмитта, что улучшает его работу на пределе "мкФ".

Простой цифровой измеритель емкости МАСТЕР С

(нажмите для увеличения)

Конденсатор С10 ограничивает частоту импульсов на выходе микросхемы DD1.3 на пределе "мкФ" в те моменты, когда измеряемый конденсатор ко входу не подключен. Без конденсатора С10 частота импульсов мультивибратора в такие моменты возрастает до 4...5 МГц, что может привести к неправильной работе триггеров DD2.1, DD2.2 и к постоянному мельканию цифр на индикаторах. Конденсатор С9 выполняет аналогичные функции на пределе "нФ", но его основная задача - снижение уровня наводки на входе DD1.3 от импульсов ГТИ на пределе "пФ" ("заземление" перемычки между контактами переключателей SB1.2 - SB3.2).

ГТИ собран на элементе DD1.1. Период его колебаний на пределе "пФ" определяется емкостью конденсатора C3 и сопротивлением резисторов в цепи обратной связи R1, R6. На пределах "нФ" и "мкФ" к конденсатору C3 подключаются конденсаторы С1 или С2 с цепочками резисторов с большим сопротивлением для увеличения периода колебаний. Частота тактовых импульсов на пределе "пФ", "нФ" и "мкФ" составляет примерно 2 МГц, 125 и 1,5 кГц.

Генератор цикла представляет собой мультивибратор на элементе DD1.2. Он вырабатывает импульсы, определяющие время между циклами измерений или время удержания показаний.

Триггеры DD2.1 и DD2.2 образуют формирователь импульсов управления, служащий для выработки импульса, длительность которого равна длительности одного периода колебаний ГИП, т. е. времени зарядки и разрядки измеряемого конденсатора. Такой способ формирования импульсов управления позволяет повысить точность при измерении емкости конденсаторов с большими токами утечки (увеличение времени заряда компенсируется уменьшением времени разряда).

Ключ на элементе DD1.4 служит для выдачи на счетчик DD3 - DD6 импульсов тактового генератора в течение времени, равного длительности импульса управления. Формирователь импульса сброса собран на транзисторе VT3. Из его коллекторной цепи импульс сброса поступает на электронный счетчик перед началом каждого нового цикла измерения. Длительность импульса сброса устанавливается подстроечным резистором R11 и выбирается такой, чтобы электронный счетчик не реагировал на первые 10-12 импульсов счета на пределе "пФ". На других пределах длительность этого импульса намного короче периода тактовых импульсов и на работу счетчика не влияет.

Электронный счетчик содержит четыре одинаковых узла А1 - А4. Каждый узел состоит из десятичного счетчика-дешифратора на микросхеме DD3 (DD4 - DD6) и цифрового люминесцентного индикатора HG1 (HG2 - HG4). Аноды индикаторов подключаются к выходам микросхемы К176ИЕ4 непосредственно. Это упрощает схему счетчиков-индикаторов, однако при такой схеме включения напряжение на анодах (светящихся сегментах) индикатора не превышает напряжения питания микросхемы (обычно 9 В). При таком напряжении яркость свечения индикаторов (особенно бывших в употреблении) может оказаться недостаточной, кроме того, сильнее проявляется неравномерность свечения отдельных индикаторов.

Для увеличения и выравнивания яркости свечения люминесцентных индикаторов напряжение питания микросхем счетчиков-дешифраторов немного завышено (9,5...9,7 В), что вполне допустимо. Кроме того, на нити накала (катоды) индикаторов подано небольшое отрицательное смещение (2,5...2,8 В) относительно общего провода. При этом напряжение на анодах-сегментах индикаторов относительно катода изменяется от 2,5...2,8 В (сегмент погашен) до 12,0...12,5 В (сегмент горит). Это заметно повышает яркость свечения сегментов и уменьшает разницу в яркости свечения отдельных индикаторов [2].

В блоке питания прибора использован унифицированный трансформатор типа Т10-220-50, который широко применялся в старых калькуляторах. На холостом ходу он выдает напряжение около 40 В (выводы 3 и 4) и 1,9 + 1,9 В (выводы 5, 7 и 6, 7). Для понижения этих напряжений до требуемых в цепь первичной обмотки включается реактивный гасящий элемент - конденсатор С13. Он понижает напряжение на первичной обмотке примерно до 100...110 В. Соответственно снижаются и вторичные. Основным недостатком этого способа понижения напряжения является сильное увеличение выходного сопротивления источника питания. Поэтому для уменьшения изменений выпрямленного напряжения, в зависимости от нагрузки, параллельно сглаживающему конденсатору С14 подключены стабилитроны VD4, VD5. Совместно с конденсатором С13 они образуют параметрический стабилизатор.

Можно использовать и другие трансформаторы подходящих габаритов, в том числе самостоятельно изготовленные, позволяющие получить вторичные напряжения 12...18 В при токе не менее 30 мА и 0,75...1,0 В при токе 200 мА. При использовании такого трансформатора конденсатор С13 и стабилитроны VD4 и VD5 необходимо исключить.

Падение напряжения на светодиоде HL1 и диоде VD6 создает отрицательное смещение на катодах цифровых люминесцентных индикаторов. Стабилизатор напряжения собран на транзисторах VT4 и VT5. Об особенностях его работы подробно рассказано в [3]. Диод VD8 служит для уменьшения напряжения питания микросхем D1 и D2 до номинального (9,0 В) с целью некоторого снижения потребляемого тока при работе микросхем на высоких частотах.

КОНСТРУКЦИЯ И ДЕТАЛИ

Детали прибора размещены на двух печатных платах - верхней и нижней - из фольгированного стеклотекстолита, скрепленных между собой металлическими или пластмассовыми стойками высотой 14 мм. Стойки со стороны трансформатора и для крепления выключателя питания имеют длину 29 и 20 мм соответственно. Все они с внутренней резьбой МЗ. Их наружный диаметр не более 8 мм.

На верхней плате, расположение печатных дорожек которой показано на рис. 5, а, размещены микросхемы К176ИЕ4, цифровые индикаторы ИВ-3, два малогабаритных зажима "крокодил" для подключения измеряемых конденсаторов и элементы защиты входа (рис. 5, б). Можно использовать индикаторы ИВ-3А, нужно только учесть, что нумерация выводов у них другая.

Простой цифровой измеритель емкости МАСТЕР С

(нажмите для увеличения)

На нижней плате (рис. 6) расположены остальные детали, включая элементы блока питания. В качестве переключателей пределов измерения применены кнопки П2К с зависимой фиксацией. Подойдут и другие типы переключателей, но тогда необходимо внести изменения в печатную плату. При применении малогабаритного галетного переключателя ЗП2Н или движкового, подобного ему по схеме коммутации, общую точку контактов SB2.2 и SB3.2, подключенную к нормально замкнутому контакту SB1.2, соединяют напрямую с выводом 13 DD1.3. При такой схеме переключения пределов конденсатор С9 исключают.

Простой цифровой измеритель емкости МАСТЕР С
(нажмите для увеличения)

При внесении изменений в конструкцию прибора необходимо учитывать, что на пределе "пФ" импульсы тактового генератора частотой 2 МГц через емкости монтажа проникают на вход прибора и могут уменьшить точность измерения малых емкостей. Поэтому проводники входных цепей должны быть возможно короче и располагаться подальше от выходных цепей тактового генератора.

Полезно также экранирование входных цепей. Экран выполняют в виде квадрата из луженой жести размерами 25x25 мм, обклеенного изолентой и жестко припаянного к соединенной с общим проводом несущей планке переключателя П2К так, чтобы он находился над микросхемой DD1 и экранировал входные цепи, расположенные на верхней плате. Соединение вывода 13 элемента DD1.3 с переключателем лучше выполнить из тонкого монтажного провода, проложенного над экраном.

Постоянные резисторы подойдут типа МЛТ-0,125 или МЛТ-0,25. Подстроечные резисторы R1, R3 и R5 - многооборотные, типа СП5-2, СП5-3 или СПЗ-39. Подстроечный резистор R11 - малогабаритный, типа СПЗ-38а или СПЗ-19а. Конденсатор C3 - керамический с отрицательным ТКЕ и маркировкой М1500 или в крайнем случае М750. Конденсаторы С1 и С2 должны быть термостабильными, С1 - П100, ПЗЗ, МПО, МЗЗ - М150, С2 - К73-16, К73-17. Конденсатор С7 представляет собой два витка с шагом 1 мм проводника - вывода резистора R10, намотанного на изолированный провод, соединяющий вывод 13 DD1.3 с переключателем. Оставшийся кончик вывода лучше не обрезать, так как он может пригодиться при окончательной настройке прибора.

Конденсатор С13 составлен из двух конденсаторов МБМ 0,25 мкФ на 500 В, соединенных последовательно. Подойдет и конденсатор К73-16 или К73-17 на напряжение не менее 630 В. При использовании более экономичных индикаторов ИВ-ЗА можно установить один конденсатор МБМ 0,1 мкФ на 1000 В. При правильном выборе емкости С13 напряжение на выходе выпрямителя должно быть не менее 14 В при замыкании входа прибора на пределе "мкФ". Подойдут и другие типы конденсаторов, которые рекомендует [4].

Выключатель питания клавишный, типа ПТ5-1. Годится также движковый выключатель ПД1 или тумблер МТ1, укрепленный на пластинке с отверстиями под стойки.

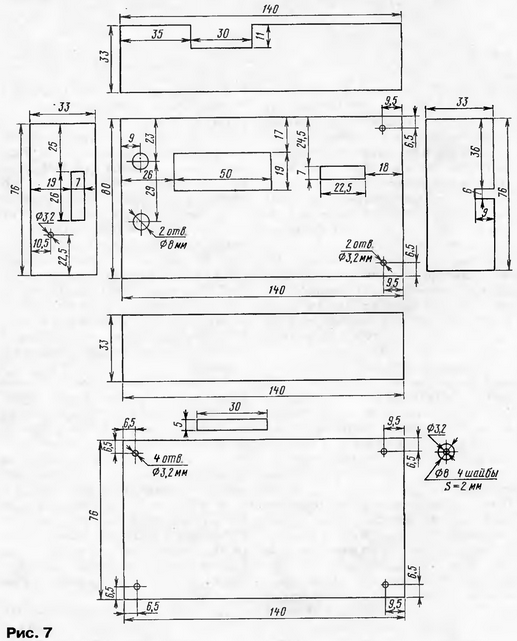
Корпус прибора изготовлен из пластмассовых деталей толщиной 2...4 мм по рис. 7.

Простой цифровой измеритель емкости МАСТЕР С
(нажмите для увеличения)

Для нижней части корпуса лучше взять пластмассу толщиной не менее 3 мм. Крепится эта часть четырьмя винтами МЗ "впотай" к блоку печатных плат, скрепленных стойками. Чтобы выводы деталей нижней платы не упирались в нижнюю часть корпуса, с внутренней ее стороны приклеены четыре пластмассовые шайбы высотой 2 мм. Пластинку, прикрывающую вырез под клавишами переключателей, приклеивают к нижней части корпуса в последнюю очередь, после полной сборки корпуса и закрепления верхней крышки корпуса. Склеенная с боковыми стенками, она одевается спереди и фиксируется слева нижней частью "крокодилов", правая же сторона закреплена двумя винтами к стойкам.

Для раскрыва зажимов "крокодил" использованы кнопки, срезанные с кнопочных переключателей КМ1 - 1 или КМ2 - 1. Кнопки можно изготовить самому из двух заклепок диаметром 4...5 мм. Они установлены сверху в направляющие втулки высотой 7...9 мм с наружной резьбой М8 и слегка развальцованы, чтобы не выпадали. Втулки закреплены на верхней крышке гайками.

Окно для индикаторов на верхней части корпуса закрыто органическим стеклом зеленого цвета, чтобы уменьшить блики от стеклянных баллонов индикаторов. Необходимые надписи около органов управления можно написать на хорошей бумаге, а лучше отпечатать на принтере и приклеить к корпусу клеем "Момент" или ПВА. Чтобы надписи не стирались и не загрязнялись, бумагу следует предварительно заламинировать с лицевой стороны или покрыть тонким слоем прозрачного лака.

МОНТАЖ

После травления и отмывки печатных плат от остатков защитного лака или краски печатные дорожки необходимо слегка зачистить мелкой наждачной бумагой, протереть салфеткой, смоченной спиртом, и нанести спиртоканифольный лак (флюс). Когда лак высохнет, можно приступать к монтажу.

Начинать лучше с трансформатора блока питания, затем устанавливают все детали выпрямителя и стабилизатора. Корпусы конденсаторов С13 и резистора R17 полностью изолируют с помощью "кембрика" и изоленты, монтируют в единый узел и закрепляют на плате перемычками J14 и J15.

К выводам выключателя припаивают концы сетевого шнура, удлиненные концы от конденсатора С13 и трансформатора, после чего выключатель SA1 закрепляют на плате. К выводам SA1, в разрыв сетевого шнура, можно припаять малогабаритный предохранитель на 0,1 А. Все стойки, окружающие конденсатор С13, должны быть пластмассовыми, металлические стойки надо изолировать. Все оголенные участки выводов конденсатора С13 и резистора R17 желательно залить термоклеем или другим изолирующим составом.

Такая тщательная изоляция сетевых цепей и отсутствие печатных проводников, связанных с сетью, позволят в дальнейшем вполне безопасно проводить измерения, налаживание и настройку измерителя емкости.

Завершив монтаж блока питания, его нужно проверить. Для этого к выходу стабилизатора +9,6 В временно подключают эквивалент нагрузки - резистор МЛТ-1 с сопротивлением 470...510 Ом - и проверяют выходное напряжение. При необходимости выходное напряжение стабилизатора можно скорректировать подбором стабилитрона VD7. Такая предварительная проверка стабилизатора уменьшает вероятность повреждения устройства при первом включении. Закончив проверку блока питания, сетевой шнур временно отпаивают, чтобы он не мешал, и монтируют остальные детали, обратив особое внимание на перемычки. Всего их 37, включая гибкие перемычки между верхней и нижней платами.

Перемычки J1, J9, J10, J24 - J30 монтируют до установки радиоэлементов. Перемычки J11 - J23 закрепляют соответствующие детали и устанавливаются в процессе монтажа. Перемычки J2 - J5 устанавливают после монтажа переключателей SB1...SB3 и микросхемы DD1. В последнюю очередь, закончив монтаж всех элементов на обоих платах, на верхней плате припаивают гибкие соединительные перемычки между платами длиной около 25 мм. Платы скрепляют между собой стойками, свободные концы перемычек припаивают к нижней плате. На время налаживания прибора перемычку R9 - VD1 можно сделать более длинной, чтобы было удобно раскрывать платы. Но перед окончательной настройкой ее нужно укоротить до минимума.

Задние концы зажимов "крокодил" и, особенно, выводы переключателей SB1 - SB3 необходимо тщательно залудить перед установкой на плату. Элементы С9 и R14 устанавливают после монтажа переключателей SB1 - SB3 и укорочения верхних выводов до 1,5 мм. Монтируемые компоненты не должны возвышаться над платой более чем на 12 мм.

Окончив монтаж, нижние выводы всех деталей на платах укорачивают до 1,5 мм (их можно слегка подровнять напильником с мелкими насечками). Места паек нужно обработать щеточкой, смоченной спиртом, чтобы удалить загрязнения, а затем еще раз нанести чистый спиртоканифольный лак.

ПРОВЕРКА И НАЛАЖИВАНИЕ

После проверки монтажа прибора на соответствие принципиальной схеме нужно убедиться, что в цепях питания исключены короткие замыкания. Теперь можно включить питание и проверить напряжение на С14, выходные напряжения стабилизатора +9,6 В и +9,0 В, а также напряжение накала (0,75...0,8 В). Если все в норме и индикаторы светятся, следует удостовериться в правильности работы отдельных узлов измерителя емкости.

На выходе ГТИ (выв. 10 DD1.1) должны быть прямоугольные импульсы с частотой в пределах 1,8...2,0 МГц при нажатой кнопке "пФ", 120... 130 кГц - "нФ", 1,4... 1,6 кГц - "мкФ". В этом можно убедиться с помощью осциллографа с калиброванной разверткой или частотомера.

Затем на вход прибора подключают конденсатор емкостью 82... 100 пФ, нажимают кнопку "пФ" и проверяют работу ГИП-мультивибратора на элементе DD1.3 и транзисторах VT1, VT2. На выходе мультивибратора (выв. 11 DD1.3) должны быть прямоугольные импульсы с периодом, примерно в 100 раз большим периода тактовых импульсов. Аналогично проверяется работа этого мультивибратора на пределах "нФ" и "мкФ". Для этого к входу прибора подключают конденсаторы с емкостью соответственно 100 нФ и 100 мкФ.

После этого убеждаются в работе генератора циклов измерений, собранного на элементе DD1.2. На выходе этого генератора должны быть импульсы с периодом 0,8... 1,0 с. С такой же периодичностью (на пределах "пФ" и "нФ" при подключении соответствующих емкостей) узел на элементах DD2.1 и DD2.2 вырабатывает импульс управления, который можно проверить на входе 6 элемента DD1.4 с помощью осциллографа или логического пробника. На выводе 4 элемента DD1.4 должна появляться пачка импульсов в момент действия импульса управления. На пределе "мкФ" период импульсов управления может достигать нескольких десятков секунд.

Таким же образом осциллографом в ждущем режиме, а лучше с помощью логического пробника, можно проверить выработку импульса сброса на коллекторе транзистора VT3.

Для проверки работы счетчика с индикаторами удобно воспользоваться логическим пульсатором [5]. Внешние признаки правильной работы измерителя емкости таковы: если конденсатор ко входу не подключен, на пределе "нФ" и "мкФ" индицируются стабильные нулевые показания; на пределе "пФ", при легком касании рукой входных зажимов, индицируются показания нескольких десятков пи-кофарад.

НАСТРОЙКА ПРИБОРА

Для настройки прибора потребуется набор конденсаторов с точностью не хуже 0,5... 1,0 % или другой измеритель емкости с неменьшей точностью.

Сначала производится регулировка длительности импульса сброса, чтобы получить нулевые показания прибора на пределе "пФ" при свободных входных зажимах (компенсация емкости входных цепей). Для этого вращают подстроенный резистор R11 в одно из крайних положений до момента индикации нескольких пикофарад. Затем медленно вращают в обратную сторону до момента появления нулевых показаний. Затем к входу прибора подключают конденсатор емкостью около 2000 пф и с помощью подстроечного резистора R1 выставляют правильные показания.

Далее нужно проверить правильность измерения малых емкостей (1...3 пФ) и, при необходимости, еще раз подстроить нулевые показания. Затем проверяют линейность показаний прибора при подключении к нему конденсаторов емкостью от 10 до 100 пФ.

Обычно, когда нет цепочки C7R10, показания прибора при измерении таких емкостей бывают завышенными на 1...2 пФ. Включение цепочки позволяет частично устранить нелинейность показаний прибора в указанном диапазоне. Если показания завышены, следует увеличить емкость конденсатора С7, доматывая пинцетом витки провода-вывода R10 на перемычку от вывода 13 DD1.3 до переключателя SB1.2. Если показания занижены, то нужно чуть-чуть отмотать провод.

В общем случае номиналы цепочки C7R10 зависят от частоты тактовых импульсов на пределе "пФ". При увеличении частоты ГТИ до 2,5...2,8 МГц оптимальной может оказаться цепочка с номиналами R10 - 2 МОм, С7 - 1,5 пФ. На других пределах нелинейность показаний незначительна и корректировка не требуется.

Настройка пределов "нФ" и "мкФ" сводится к подключению конденсаторов емкостью около 2000 нФ (2 мкФ) и 2000 мкФ и соответствующей корректировке показаний счетчика с помощью подстроечных резисторов R3 и R5.

В процессе эксплуатации прибора в подстройке резисторов R1, R3 и R5 нет необходимости, поэтому отверстия в корпусе для их настройки можно не делать. При применении самодельных металлических кнопок (без возвратных пружин) для разжима "крокодилов" после одевания верхней крышки необходимо подкорректировать нулевые показания счетчика, поэтому отверстие для подстройки резистора R11 предусмотрено.

МОДЕРНИЗАЦИЯ

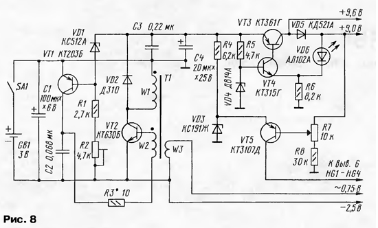
Для питания прибора можно использовать два элемента 316 с преобразователем напряжения по схеме на рис. 8.

Простой цифровой измеритель емкости МАСТЕР С

Этот преобразователь напряжения с широтно-импульсной стабилизацией [6] при правильном изготовлении и настройке хорошо работает в диапазоне питаюших напряжений от 2,0 до 3,2 В, поддерживая на выходе напряжение +9,6 В (18 мА) и импульсное напряжение для накала (действующее значение 0,75...0,8 В, ток 160... 180 мА) с достаточной точностью. Однако при его повторении могут возникнуть проблемы с настройкой из-за сложности изготовления импульсного трансформатора с точно заданными параметрами и подбора транзисторов.

Для увеличения диапазона питающих напряжений и уменьшения критичности настройки лучше использовать дополнительный стабилизатор (VT3, VT4 - на рис. 8). При этом, напряжение на выходе преобразователя необходимо увеличить до +11,5... 12 В. Выходное напряжение зависит от напряжения стабилизации стабилитрона VD1. Напряжение питания преобразователя одновременно служит для создания отрицательного смещения в цепях накала.

Принципиальная схема преобразователя отличается от схемы прототипа [6] в основном только номиналами и типами элементов. Транзистор VT1 КТ203Б с коэффициентом передачи тока от 30 до 60 можно заменить на КТ361 с любым буквенным индексом. Транзистор VT2 с коэффициентом передачи тока 25...80 лучше взять серии КТ630А, но можно использовать и КТ815, КТ608 с любыми буквенными индексами.

Трансформатор Т1 намотан на ферритовом кольце К16x10x4,5 М1000НМ. Острые края кольца немного притупляют наждачным бруском, затем наматывают в два слоя узкую изоляционную ленту или пленку. Обмотки располагают равномерно по окружности кольца. Обмотка W1 содержит 55 витков провода ПЭЛШО 0,22...0,27, W2 - 19 витков ПЭЛШО 0,1...0,22, W3 - 6 витков ПЭЛ или ПЭЛШО 0,27...0,41. Можно использовать ферритовые сердечники с большей магнитной проницаемостью или с другими размерами, в том числе Ш-образные, но тогда потребуется пересчет числа витков.

При сборке необходимо обратить внимание на правильное подключение выводов обмоток W1 и W2. Если при включении питания напряжение на выходе отсутствует или ниже 11,5 В, нужно подобрать режим подстроечным резистором R2. Если это не помогает, следует замкнуть накоротко резистор R3 (он служит для устранения самовозбуждения на высоких частотах при использовании некоторых типов транзисторов) и вновь попробовать подобрать режим резистором R2.

Преобразователь можно считать настроенным, если при изменении питающего напряжения от 3,2 до 2,0 В, с номинальной нагрузкой (750 и 5 Ом на выходах + 12 и 0,75 В соответственно), напряжение на выходе +12 В не падает ниже 10,5 В, иначе необходимо подобрать другой тип транзистора VT2 или количество витков импульсного трансформатора. Ток питания преобразователя с уменьшением напряжения питания с 3,2 до 2,0 В увеличивается, находясь в пределах 120...155 мА, период следования импульсов изменяется в пределах 30...60 мкс.

Узел на транзисторе VT5 служит для контроля за разрядом батареи. При уменьшении напряжения на выходе стабилизатора на 70... 100 мВ относительно номинального VT5 открывается и на всех цифровых индикаторах загораются сегменты запятой. При таком уменьшении напряжения питания дополнительная погрешность не превышает 1%. Порог срабатывания индикатора разряда батареи настраивают резистором R7.

Габариты преобразователя вместе с отсеком для батареи не превышают габариты сетевого блока питания, необходимо только предусмотреть легкосъемную крышку для доступа к отсеку с элементами 316.

Пожалуй, самым значительным недостатком данного прибора является повышенная температурная погрешность на пределе "пФ", доходящая до 0,25 % на 1°С. На других пределах она легко компенсируется подбором конденсаторов С1 и С2 с соответствующим ТКЕ. На пределе "пФ" частота ГТИ (около 2 МГц) близка к предельной, приходится использовать времязадающую цепь с малым значением RC. В этом случае, по мнению автора, усиливается влияние нестабильности емкости входа и температурной зависимости выходного сопротивления КМОП транзисторов элемента DD1.1 микросхемы К561ТЛ1. Для уменьшения этого эффекта можно попробовать использовать в качестве резистора R6 параллельную или последовательную цепочку из обычного резистора и терморезистора с отрицательным ТКС. Соотношение сопротивлений этих резисторов зависит от конкретного значения ТКС.

Для повышения точности измерения некоторых емкостей заманчиво применить дополнительный счетчик-делитель на 10, установив его на выходе ГИП с включением запятой перед младшим разрядом. В этом случае надо учитывать, что значительные импульсные помехи от ГТИ на входе прибора на пределе "пФ", из-за явления синхронизации, не дадут желаемого результата без применения специальных мер. Уровень этих помех можно легко измерить, подключив ко входу прибора осциллограф с делителем 1/10, имеющим входное сопротивление не ниже 10 МОм.

Литература

  1. Точен цифров капацитометър. - Радио телевизия електроника, 1987, № 11, с. 37.
  2. Андреев В. Повышение яркости люминесцентных индикаторов. - Радиолюбитель, 1996, № 4, с. 25.
  3. Андреев В. Экономичные стабилизаторы. - Радио, 1998, № 6, с. 57- 60; № 7, с. 50, 51; № 8, с. 60, 61.
  4. Трифонов А. Выбор балластного конденсатора. - Радио, 1999, № 4, с. 44.
  5. Андреев В. Универсальный логический пробник с пульсатором. - Радиолюбитель, 1999, №12, с. 29.
  6. Вотинцев Н. Преобразователь напряжения с ШИ стабилизацией. - Радио, 1985, №10, с. 27.

Автор: В.Андреев

Смотрите другие статьи раздела Измерительная техника.

Читайте и пишите полезные комментарии к этой статье.

<< Назад

Последние новости науки и техники, новинки электроники:

Власть является ключевым фактором счастья в отношениях 11.03.2026

Исследования семейных и романтических отношений показывают, что длительное счастье пары зависит не только от привычных факторов, таких как доверие, уважение и преданность, но и от более тонких психологических аспектов. Современные ученые ищут закономерности, которые отличают действительно счастливые пары от остальных, чтобы понять, какие механизмы поддерживают гармонию в отношениях. Группа исследователей из Университета Мартина Лютера в Галле-Виттенберге и Бамбергского университета провела опрос среди 181 пары, которые состояли в совместных отношениях более восьми лет и прожили вместе хотя бы месяц. Участники заполняли анкету, описывая различные аспекты своих отношений, включая распределение обязанностей, эмоциональную поддержку и степень вовлеченности в совместные решения. Анализ данных показал интересный паттерн: пары, где оба партнера ощущали высокий уровень личной власти, оказывались наиболее счастливыми и удовлетворенными. В данном контексте под властью понимается способност ...>>

Защищенная колонка-повербанк Anker Soundcore Boom Go 3i 11.03.2026

Компания Anker представила новую модель линейки Soundcore - колонку Soundcore Boom Go 3i, ориентированную на активное использование на улице. Новинка отличается высокой степенью защиты: корпус соответствует стандарту IP68, что обеспечивает водо- и пыленепроницаемость, а ударопрочный дизайн выдерживает падение с высоты до одного метра. За качество звука отвечает 15-ваттный драйвер, обеспечивающий пик громкости до 92 дБ, а технология BassUp 2.0 усиливает низкие частоты, делая звучание более насыщенным. Колонка обладает автономностью до 24 часов, а LED-индикатор позволяет контролировать уровень заряда батареи. Кроме того, Soundcore Boom Go 3i может выполнять функцию павербанка: согласно внутренним тестам, устройство способно зарядить iPhone 17 с нуля до 40% за один час, что делает его полезным аксессуаром в походах и поездках. Среди функциональных особенностей модели стоит выделить технологию Auracast, которая улучшает подключение и позволяет создавать стереопару из двух колонок ...>>

Раннее воздержание от алкоголя перестраивает мозг и иммунитет 10.03.2026

Алкогольная зависимость - хроническое расстройство с компульсивным употреблением спиртного, которое влияет не только на поведение, но и на функционирование мозга и иммунной системы. Недавние исследования показали, что даже на ранних этапах воздержания организм начинает перестраиваться, открывая новые возможности для терапии зависимости. Ученые сосредоточились на пациентах, находящихся в первые недели абстиненции, и зафиксировали значительные изменения в мозговой активности. С помощью функциональной магнитно-резонансной томографии они выявили перестройку сетей нейронных связей, отвечающих за контроль импульсов и принятие решений. Эти изменения могут быть ключевыми для восстановления самоконтроля и снижения риска рецидива. Одновременно с нейронной перестройкой исследователи наблюдали колебания иммунной системы. В крови повышался уровень цитокинов - сигнальных белков, регулирующих воспалительные процессы. Эти данные свидетельствуют о существовании нейроиммунного взаимодействия, при ...>>

Случайная новость из Архива

7-нм процессоры Ryzen Pro 4000 для бизнес-ноутбуков 14.05.2020

AMD сообщила о широкой доступности новой линейки мобильных процессоров - Ryzen Pro 4000. Представленные APU относятся к 7-нм семейству Renoir и являются кровными братьями уже хорошо известных потребительских APU Ryzen 4000, вышедших в марте. В то же время новые Ryzen Pro 4000 предназначены для использования в бизнес-среде, выделяясь расширенной поддержкой и технологиями безопасности. По словам AMD, новая серия устанавливает "новый стандарт для современных бизнес-ноутбуков".

В линейку мобильных процессоров AMD Ryzen Pro 4000 вошли три модели с числом ядер 4, 6 и 8 - Ryzen 3 Pro 4450U, Ryzen 5 Pro 4650U и Ryzen 7 Pro 4750U. Как отмечалось выше, технически это полные копии потребительских аналогов. Между собой все новинки роднит поддержка технологии Simultaneous Multi-Threading, улучшенное видеоядро Radeon Vega с 5-7 вычислительными блоками и 15-ваттный теплопакет.

Новые чипы обеспечивают значительный прирост производительности в сравнении с предшественниками Ryzen Pro 3000, а также превосходят конкурентов из стана Intel. AMD называет флагмана линейки Pro 4750U "самым быстрым процессором для ультратонких бизнес-ноутбуков", заявляя превосходство над конкурирующей моделью Intel Core i7-1070U в нескольких бенчмарках, включая PCMark 10, Geekbench v5 и Passmark 9. Что интересно, модель Ryzen 5 Pro 4650U превзошла не только сопоставимую по классу конкурирующую модель Core i5-10210U, но и старшую модель i7 в большинстве тестов AMD. Также AMD обещает заметное улучшение автономности, в том числе за счет ряда программных оптимизаций: улучшенное обнаружение простоя и активности (для отключения компонентов за ненадобностью и быстрое включение в работу, когда это нужно) и широкий возможности управления питанием с быстрым переключением между несколькими режимами.

Ноутбуки на базе Ryzen Pro 4000 будут выпускать Lenovo и HP, а также другие партнеры AMD. Соответствующие модели должны поступить в продажу к концу этого квартала. Если говорить о Lenovo, то подтверждены следующие модели ThinkPad на базе Ryzen Pro 4000: T14 и T14s Gen 1, X13 Gen 1, L14 и L15 Gen 1.

Другие интересные новости:

▪ Пластырь из дуриана

▪ Счастье продлевает жизнь

▪ Антивирусное ожерелье

▪ Дизельный дым вредит сердцу и сосудам

▪ Обнаружена самая яркая галактика во Вселенной

Лента новостей науки и техники, новинок электроники

 

Интересные материалы Бесплатной технической библиотеки:

▪ раздел сайта Загадки для взрослых и детей. Подборка статей

▪ статья Железный занавес. Крылатое выражение

▪ статья Как развивается яйцо? Подробный ответ

▪ статья Журавлина. Легенды, выращивание, способы применения

▪ статья Определитель номеров проводов кабеля с речевой индикацией. Энциклопедия радиоэлектроники и электротехники

▪ статья Хранение клея Момент. Энциклопедия радиоэлектроники и электротехники

Оставьте свой комментарий к этой статье:

Имя:


E-mail (не обязательно):


Комментарий:




Комментарии к статье:

Гость
Отличный материал, спасибо! [up]


Главная страница | Библиотека | Статьи | Карта сайта | Отзывы о сайте

www.diagram.com.ua

www.diagram.com.ua
2000-2026