Menu Home

Бесплатная техническая библиотека для любителей и профессионалов Бесплатная техническая библиотека


Высокачастотный ваттметр и генератор шума. Энциклопедия радиоэлектроники и электротехники

Бесплатная техническая библиотека

Энциклопедия радиоэлектроники и электротехники / Измерительная техника

Комментарии к статье Комментарии к статье

Предлагаемая конструкция высокочастотного ваттметра разработана на основе двух приборов, описанных в [1, 2], где рассмотрена возможность применения миниатюрных ламп накаливания в измерительной аппаратуре.

Помимо простоты конструкции и доступности используемых элементов датчика, автора привлекло то обстоятельство, что настройка подобного широкополосного прибора не требует высокочастотных измерений. Необходимо иметь только цифровой трех- или четырехразрядный мультиметр. Все измерения проводят на постоянном токе.

Основное отличие предлагаемой конструкции ваттметра состоит в том, что измерительный мост, к которому подключают датчик-преобразователь на лампах накаливания, балансируется автоматически в процессе работы.

Ваттметр, схема которого рассмотрена ниже, можно использовать и как стабильный генератор шума с согласованным выходным сопротивлением 50 Ом. Поскольку прибор имеет узел автоматической стабилизации сопротивления (АСС) датчика, температура нити накаливания также стабилизирована с высокой точностью. По уровню шумов можно косвенно судить о рабочей полосе частот прибора. Шумы ламп простираются до 1 ГГц. и падение уровня начинается на частотах 600...700 МГц, что соответствует данным, приведенным в [1, 2]. О генераторах шума и проведении измерений с их помощью можно прочитать в [3, 4].

В процессе экспериментов выяснилось, что лампы накаливания оказались весьма чувствительны к механическим воздействиям. На практике это означает, что прибор следует оберегать от сотрясений, иначе параметры преобразователя могут скачкообразно изменяться. Происходит это, по-видимому, из-за смещения нити накаливания и изменения режима теплопередачи. Наиболее устойчивым уровнем, как показали испытания, оказывается тот, на который датчик выходит после включения питания. Поскольку узел АСС работает весьма стабильно, переход на другой уровень Рл легко определяется по стрелочному индикатору как сдвиг "нуля". Если требуется точное измерение, нужно выключить и снова включить напряжение питания. Стабильность датчика, не связанная с механическими воздействиями, довольно высокая: в течение суток у прибора не обнаружено смещения нуля и предела (по стрелочному индикатору), чего не бывает, к примеру, у промышленного милливольтметра ВЗ-48.

Основы примененного метода измерения ВЧ мощности изложены в [1, 2]. Обозначения в тексте соответствуют принятым в исходных статьях. Суммарная мощность, нагревающая нити ламп,

Рл = Рвч + Pзам. ( 1)

где РВч - высокочастотная мощность. Рзам - замещающая мощность постоянного тока [2].

Преобразуем выражение (1):

Рвч = Рл - Рзам = (Uл2 - Uзам2)/R = (2Uл·ΔU-ΔU2)/R. (2)

где ΔU = Uл - Uзам; Рл = Uл2/R; Рзам = Uзам2/R: R = 200 Ом (или 50 Ом для датчика с параллельным включением ламп, см. ниже).

Из выражения (2) следует, что значение ВЧ мощности на входе датчика является функцией разности напряжений ΔU = Uл- Uзам. Именно эту разность напряжений (при условии баланса моста) измеряет ваттметр. Формулу (2) можно представить в нормированном виде:

Рвч/Рл = 2ΔU/Uл - (ΔU/Uл)2 (3)

Вид функции (3) приведен на рис. 1. Используя приведенный на нем график или аналитическое выражение (3). для микроамперметра можно начертить нелинейную шкалу значений РВч/Рл. которая одинакова для любого датчика. Расчет измеряемой ВЧ мощности производится перемножением показаний прибора на величину Рл конкретного датчика (изготовленный образец имел значение Рл = 120 мВт). Если по такой шкале стрелочный прибор показывает значение "0.75". измеряемая мощность на входе равна:

Рвч = 0.75РЛ = 0.75-120 = 90 мВт.

Из графика видно: если для измерений использовать только начальный участок диапазона Рл, нелинейность шкалы будет меньше. Поэтому в изготовленном образце ваттметра используются две линейные шкалы микроамперметра. соответствующие двум пределам - 40 и 100 мВт. Для конкретного датчика с Рл = 120 мВт положение верхних границ этих диапазонов показано на рис. 1. Нелинейная и линейная шкалы сопряжены в двух точках (нуля и максимума). В остальных точках прибор занижает показания измеряемой мощности.

Высокачастотный ваттметр и генератор шума

Поскольку большинство ВЧ измерений сводится к настройке на максимальное (минимальное) значение напряжения или мощности, аналоговая индикация наиболее удобна, и указанная погрешность шкал не является существенным недостатком. Кроме того, в приборе сохранена возможность измерения точного значения мощности внешним цифровым вольтметром [2].

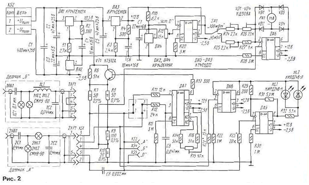
Принципиальная схема прибора изображена на рис. 2. Стабилизаторы напряжения DA1, DA3 включены по типовой схеме. Конденсаторы С4, С6 снижают уровень пульсаций выходного напряжения. Интегральный стабилизатор DA2 создает отрицательное смещение -2.5 В, которое используется для питания ОУ. Стабилизатор DA4 выполняет функцию источника образцового напряжения 2,5 В (ИОН).

Высокачастотный ваттметр и генератор шума
(нажмите для увеличения)

Узел АСС выполнен на ОУ DA7 и транзисторе VT1. Принцип работы этого узла аналогичен работе обычного компенсационного стабилизатора напряжения, но вместо стабилитрона установлен другой нелинейный элемент - лампа накаливания. Баланс моста поддерживается с высокой точностью (до 10...20мкВ) изменением его напряжения питания (R7 - R10 и ламп датчика). Сопротивления резисторов моста подобраны с погрешностью ±0,1%.

Поскольку мост сбалансирован, при подключении датчика с последовательным соединением ламп (рис. 2) выполняется равенство:

Rд = R9 + R10 = 200 Ом,

где Rд - сопротивление датчика.

Цифровой 3.5-разрядный прибор не позволяет измерять сопротивления с указанной точностью, но его можно прокалибровать, используя прецизионные резисторы (например. С5-5В) с допуском 0.05 - 0,1%. Поскольку элементы моста нагреваются в процессе работы, резисторы МЛТ использовать не рекомендуется из-за большого значения ТКС ±(500... 1200)-10-6 1/°C [6]. Важно, чтобы сопротивления резисторов R7. R8 различались не более чем на ±0,1%, а номинал может иметь значение в пределах 47...75 Ом. Указанную на схеме мощность резисторов, входящих в плечи измерительного моста, уменьшать не рекомендуется.

Сразу после включения питания прибора для запуска АСС резистор R6 создает небольшой начальный ток, протекающий через мост, поэтому максимальная измеряемая конкретным датчиком мощность несколько меньше Рл.

С высокочастотного разъема XW1 также снимают шумовое напряжение в широкой полосе частот.

Для нормальной работы узла АСС лампы должны работать в режиме, когда нить светится слабо или не светится вообще. При ярком свечении зависимость напряжения на лампе от протекаюшего тока близка к линейной, и на этом "линейном" участке АСС неработоспособна.

Максимальная мощность датчиков, с которыми работает ваттметр, не превышает 250 мВт. Здесь рассмотрены только датчики с входным сопротивлением 50 Ом. но можно использовать и датчики с сопротивлением 75 Ом [2]. Сопротивления резисторов моста в этом случае: R9 = 225 Ом. R10 = 75 Ом. Мощность датчиков при тех же экземплярах ламп возрастет приблизительно в два раза, поэтому придется увеличить напряжение питания моста.

Датчик типа "А" подробно описан в [1, 2]. Во включенном состоянии его сопротивление постоянному току - 200 Ом. а со стороны ВЧ входа - 50 Ом Лампы для такого датчика необходимо подобрать попарно, чтобы во включенном состоянии падения напряжения на обеих лампах были примерно равны. Проверив несколько экземпляров ламп, легко убедиться, что данное условие чаще не выполняется, даже когда сопротивления ламп в холодном состоянии одинаковы. Если допустить, что входное сопротивление должно находиться в пределах 50 Ом ±0.25 %. то в этом случае напряжения на лампах, подключенных к ваттметру, могут отличаться не более чем на 15%. Образец датчика, с которым проверялась работа прибора, имел следующие параметры: Uл = 4,906 В (Рл = 120 мВт). Un1= 2.6 В. Un2= 2,306 В (разница напряжений на лампах около 12 %).

На рис. 2 для CI. С2 в датчике "А" указан номинал 0,44 мкФ, что позволяет уменьшить нижний предел частотного диапазона до 1... 1,5 МГц. Для уменьшения индуктивности входной цепи использовано два параллельно включенных ЧИП-конденсатора по 0.22 мкФ. При указанных в [1, 2] номиналах конденсаторов (0.047 мкФ) точность измерений порядка 1 % достижима лишь в границе частотного диапазона не ниже 15 МГц, а не 150 кГц.

В отличие от описанного в [2]. предлагаемый ваттметр позволяет использовать два типа датчиков, в которых лампы включены последовательно (датчик типа "А") или параллельно (датчик типа "Б").

Подключенный к прибору датчик типа "Б" перемычкой на контактах 1 и 4 в разъеме датчика замыкает резистор R9 моста, поэтому Рд = R10 = 50 Ом. Для датчиков этого типа подбор конкретной пары ламп не нужен. Чтобы получить требуемое значение Рл. в датчике можно использовать от одной до четырех ламп, причем они могут быть различного типа. Для расширения его частотного диапазона вниз увеличение индуктивности дросселя не должно приводить к увеличению его активного сопротивления (желательно не более 0.25 Ом. т.е. 0.5 % от 50 Ом). Дроссель приходится наматывать проводом диаметром 0.3...0.4 мм, чтобы получить индуктивность катушки порядка 50 мкГн с габаритами резистора МЛТ-1. При такой индуктивности нижняя граница частотного диапазона датчика "Б" равна 16 МГц в отличие от датчика inna "А", который достаточно точен уже на частоте 1 МГц.

На микросхемах DA6. DA7 и светодиодах HL1. HL2 выполнен компаратор. Его назначение состоит в индикации баланса измерительного моста. Когда он сбалансирован, оба светодиода гаснут. При указанных на схеме номиналах резисторов R29 и R31 зона нечувствительности компаратора составляет приблизительно ±60...90 мкВ. Если ВЧ мощность на входе датчика равна максимально допустимому значению Рл (реально несколько меньше). АСС не в состоянии сбалансировать мост, и один из светодиодов HL1. HL2 включается, показывая, что измерение невозможно.

Инерционность ламп накаливания позволяет наглядно увидеть процесс регулирования (длительность 1...2 с). В результате индикатор имеет еще одну положительную функцию Он позволяет определять небольшие и быстрые изменения амплитуды ВЧ сигнала на входе прибора. Известно, что подобные колебания амплитуды характерны для неустойчивых усилительных каскадов или генераторов, которые склонны к самовозбуждению и на паразитных частотах. Например, при проверке ваттметра от генератора Г4-117 обнаружилось, что на частотах выше 8 МГц и уровне выходного сигнала более 2 В (на нагрузке 50 Ом) в генераторе практически не работает внутренний стабилизатор амплитуды выходного сигнапа.

Узел индикации прибора выполнен на ОУ DA4. DA5. микроамперметре РА1. Переменные резисторы R19 (корректор "нуля") и R24. R26 и R25, R27 (корректор "диапазона") позволяют легко настроить ваттметр для работы с любыми датчиками, у которых Рл < 220 мВт. При широких пределах регулировки лучше всего использовать многооборотные проволочные резисторы. Поэтому для регулировки "нуля" в приборе установлен переменный резистор типа СП5-35Б с высокой электрической разрешающей способностью [6]. Дополнительная коррекция нуля при переходе на другой диапазон измерения, как правило, не требуется. Регулировки нуля и диапазона не влияют друг на друга. Присутствие диодного моста вызвано тем обстоятельством, что мощность - величина положительная. При таком варианте включения микроамперметра его стрелка не переходит через ноль.

Большинство элементов устройства размещено на одной плате, а те, которые нагреваются при работе ваттметра (DAI, DA2. VT1. R7-R10). имеют тепловой контакт с задней алюминиевой панелью прибора. Настраивать прибор лучше в закрытом корпусе. Конструкция должна обеспечивать доступ ко всем регулировочным элементам.

Конструкции датчиков и рисунки печатных плат приведены на рис. 3, 4. Фольга с обратной стороны печатной платы полностью сохранена. Высокочастотный разъем и оплетку кабеля пропаивают с обеих сторон платы. Для минимизации собственной индуктивности датчиков в них использованы конденсаторы для поверхностного монтажа (емкостью 0.22 и 0.022 мкФ по две штуки, включенных параллельно). Корпус высокочастотного разъема припаивают к фольге с обеих сторон платы.

Высокачастотный ваттметр и генератор шума

В ваттметре использованы прецизионные проволочные резисторы С5-5В 1 Вт сопротивлением 100 Ом с допуском ±0.1 % (ТКС ±50·10-6 1/°С). В качестве R7, R8, R10 установлено по два таких параллельно включенных резистора, а R9 образован последовательно-параллельным включением трех. Допустимо применение и других прецизионных резисторов, например, С2-29В, С2-14. Резисторы R24 - R26 - подстроечные. проволочные СП5-2, СП5-3. Розетка XS1 для подключения датчика - ОНЦ-ВГ-4-5/16-Р (СГ-5). высокочастотные разъемы XW1 - СР-50-73Ф. Разъем питания - штыревой, гнездо DJK-03B (2.4/5.5 мм).

Вместо мостя КД906А можно применить любые диоды, например, серий Д9, Д220, КД503. КД521. Микроамперметр - М24. М265 с током полного отклонения 50 - 500 мкА.

КР142ЕН12А можно заменить маломощным импортным аналогом - LM317LZ, а КР 142ЕН19 - TL431.

Регулировку ваттметра производят в собранном виде через 10... 15 мин после включения.

Сначала к контактам 2, 3 разъема ХР1 подключают любую пару ламп СМН9-60. соединенных последовательно, а к гнездам "А" и "Б" - цифровой вольтметр, который включен на минимальный предел измерения (200 мВ). Вращая подстроечный резистор R15, добиваются нулевых показаний вольтметра.

После балансировки измерительного моста настраивают компаратор. Резистор R21 (или R23 в зависимости от начального смещения ОУ DA8. DA9) временно заменяют (корпус прибора придется открыть) переменным сопротивлением 100 кОм. Изменяя сопротивление резистора, добиваются состояния, в котором оба светодиода будут погашены. Затем заменяют переменный резистор постоянным с близким к найденному сопротивлением. Преде лы подобной регулировки смещения относительно узкие, поэтому до установки в плату желательно проверить величину начального смещения всех ОУ Микросхемы с минимальным смещением использовать как DA8. DA9. Для остальных микросхем величина начального смещения не так важна, поскольку их режимы работы можно регулировать соответствующими переменными резисторами.

После настройки компаратора нужно убедиться, что его зона нечувствительности составляет ±60...90 мкВ. Резистором R15 допустимо в небольших пределах разбалансировать мост, а по подключенному цифровому вольтметру определить напряжение рассогласования, при котором светодиоды включаются. Желательно, чтобы зона нечувствительности компаратора была симметричной (относительно точки баланса моста). Для ее расширения можно увеличить сопротивление резистора R29.

Закончив настройку компаратора, резистором R15 окончательно балансируют измерительный мост. Пользуясь резистором R19, следует проверить, что для произвольно выбранных ламп устанавливаются нулевые показания микроамперметра РА1.

Выполнив эти операции, на включенном приборе подбирают пары ламп для датчика по механической стабильности и разнице напряжений. Цифровой вольтметр нужно переключить в гнезда "0", "Б". Он будет показывать напряжение Un, по которому легко рассчитать Рл. Верхние точки диапазонов "100 мВт" и "40 мВт" можно установить расчетным путем, поскольку при заданном значении Рп известно, какое напряжение покажет цифровой вольтметр в указанных точках (Uзам). Сигнал на вход датчика можно подать с любого генератора с частотой выше 2...3 МГц и выходным напряжением не менее 2,5 В (на нагрузке 50 Ом). Уровень сигнала генератора регулируют по показаниям цифрового вольтметра так. чтобы вольтметр показал расчетное значение Uзам, после чего регулировкой резистора R24 (R25) установить стрелку микроамперметра на последнее деление шкалы.

Для питания прибора подойдет любой источник с выходным напряжением 15...24 В притоке 150...200 мА. Если используется маломощный сетевой "адаптер", следует убедиться, что нижняя граница пульсаций входного напряжения, по крайней мере, на 2.5 В превосходит 12 В.

Прямую проверку характеристик изготовленного прибора провести не удалось из-за отсутствия соответствующих приборов. Поэтому о проверке частотных свойств датчика на частотах в сотни мегагерц говорить не приходится. В распоряжении автора имелись лишь цифровой мультиметр DT930F+ (класс точности 0.05 при измерении постоянного напряжения и 0.5 при измерении сопротивления, среднеквадратического значения переменного напряжения до 400 Гц [5]), низкочастотный генератор ГЗ-117 (до 10 МГц), а также милливольтметр ВЗ-48 (класс точности 2.5 В полосе 45 Гц... 10 МГц).

Поверка нескольких точек шкалы (контроль производился по цифровому вольтметру, а не по шкале микроамперметра) на частоте 5 МГц показала, что ваттметр работает точнее и стабильнее, чем ВЗ-48! Хорошо, что у этого милливольтметра оказались на задней стенке контрольные гнезда, к которым можно подключить внешний (цифровой) вольтметр. В предположении, что ВЗ-48 не имеет частотной погрешности в средней части рабочего диапазона частот, была выполнена калибровка трех точек напряжения на частоте 400 Гц. по имевшемуся цифровому вольтметру класса 0.5.

После этого генератор был перестроен на частоту 5 МГц и по цифровому вольтметру (а не по аналоговой шкале ВЗ-48) были восстановлены ранее измеренные значения напряжения на входе датчика. По показаниям ВЗ-48 рассчитывалась мощность на входе из соотношения Рл = U2/50. а мощность, которую показывал ваттметр, рассчитывалась по формуле (2).

Результаты этих измерений приведены в таблице. Особенно впечатляет, что в полученных значениях погрешности явно просматривается наличие систематической ошибки [7, 8], а это означает, что параметры ваттметра могут быть еще лучше!

Высокачастотный ваттметр и генератор шума

Датчиками могут служить различные терморезисторы - как с положительным, так и с отрицательным ТКС. Для того чтобы узел АСС работал с терморезисторами с отрицательным ТКС (лампы накаливания имеют положительный ТКС), в схеме прибора предусмотрены перемычки (выделены штрихпунктирной линией), которые нужно переставить в положение между контактами 1 и 4, 2 и 3.

Для проверки работоспособности АСС с датчиком, имеющим отрицательный ТКС, был использован терморезистор МКМТ-16 бусинкового типа с номинальным сопротивлением 5,1 кОм [6] при включении по схеме датчика "Б". Несмотря на большую величину исходного сопротивления, напряжения питания 10 В оказалось достаточно для разогрева миниатюрного термистора и балансировки моста. Но поскольку рабочая температура для терморезистора существенно ниже, чем для нити накаливания, а теплоизоляция хуже, этот датчик работает скорее как измеритель температуры и стабильность нуля очень невысока. Величина Рл = 102 мВт.

Для желающих поэкспериментировать с различными датчиками можно дать несколько общих советов. Исходное сопротивление терморезистора (для любого знака ТКС) нужно выбирать таким, чтобы сопротивление нагретого терморезистора (или комбинации нескольких терморезисторов), равное 50 Ом. достигалось при максимально возможной температуре разогрева. Например, термисторы СТ1 -18. СТ1 -19 бусинкового типа работоспособны до +300°С [6]. При этом в конструкции датчика должны быть приняты меры по пассивной термостабилизации и теплоизоляции терморезистора.

Терморезисторы с отрицательным ТКС в момент включения могут иметь слишком большое сопротивление, поэтому для создания условий саморазогрева может потребоваться существенное увеличение напряжения питания. При использовании позисторов проблем с питанием не возникнет.

Кроме СМН9-60. можно использовать другие типы миниатюрных ламп накаливания, параметры которых приведены в [1, 2]. Легко получить преобразователи со значением Рл от единиц до сотен милливатт. Измерение большей мощности ВЧ сигнала проводят через согласованные аттенюаторы. С расчетом аттенюаторов можно познакомиться в [9,10].

Литература

  1. Трифонов А. Генератор шума. - Радио. 1997. № 7. с. 31.32
  2. Трифонов А. Высокочастотный ваттметр. - Радио. 1997. № 8. с. 32.33.
  3. Жутяев С. Г. Любительская УКВ радиостанция. - М.: Радио и связь. 1981.
  4. Скрыпник В. А. Приборы для контроля и налаживания радиолюбительской аппаратуры. - М.: Патриот. 1990
  5. Нефедов С. Влияние формы напряжения на показания вольтметра. - Радиолюбитель. 1997. № 10. с. 10.
  6. Аксенов А. И., Нефедов А. В. Элементы схем бытовой аппаратуры. Конденсаторы Резисторы: Справочник - М.: Радио и связь. 1995.
  7. Нефедов С. Метрологические характеристики средств измерений. - Радиолюбитель. 1997. № 12. с. 10.
  8. Зайдель А. Н. Элементарные оценки ошибок измерений. - Л.: Наука. 1968.
  9. Ред Э. Справочное пособие по высокочастотной схемотехнике. - М.: Мир, 1990.
  10. Виноградов Ю. Антенный аттенюатор. - Радио, 1997. № 11. с. 80.

Автор: О.Федоров, г.Москва

Смотрите другие статьи раздела Измерительная техника.

Читайте и пишите полезные комментарии к этой статье.

<< Назад

Последние новости науки и техники, новинки электроники:

Власть является ключевым фактором счастья в отношениях 11.03.2026

Исследования семейных и романтических отношений показывают, что длительное счастье пары зависит не только от привычных факторов, таких как доверие, уважение и преданность, но и от более тонких психологических аспектов. Современные ученые ищут закономерности, которые отличают действительно счастливые пары от остальных, чтобы понять, какие механизмы поддерживают гармонию в отношениях. Группа исследователей из Университета Мартина Лютера в Галле-Виттенберге и Бамбергского университета провела опрос среди 181 пары, которые состояли в совместных отношениях более восьми лет и прожили вместе хотя бы месяц. Участники заполняли анкету, описывая различные аспекты своих отношений, включая распределение обязанностей, эмоциональную поддержку и степень вовлеченности в совместные решения. Анализ данных показал интересный паттерн: пары, где оба партнера ощущали высокий уровень личной власти, оказывались наиболее счастливыми и удовлетворенными. В данном контексте под властью понимается способност ...>>

Защищенная колонка-повербанк Anker Soundcore Boom Go 3i 11.03.2026

Компания Anker представила новую модель линейки Soundcore - колонку Soundcore Boom Go 3i, ориентированную на активное использование на улице. Новинка отличается высокой степенью защиты: корпус соответствует стандарту IP68, что обеспечивает водо- и пыленепроницаемость, а ударопрочный дизайн выдерживает падение с высоты до одного метра. За качество звука отвечает 15-ваттный драйвер, обеспечивающий пик громкости до 92 дБ, а технология BassUp 2.0 усиливает низкие частоты, делая звучание более насыщенным. Колонка обладает автономностью до 24 часов, а LED-индикатор позволяет контролировать уровень заряда батареи. Кроме того, Soundcore Boom Go 3i может выполнять функцию павербанка: согласно внутренним тестам, устройство способно зарядить iPhone 17 с нуля до 40% за один час, что делает его полезным аксессуаром в походах и поездках. Среди функциональных особенностей модели стоит выделить технологию Auracast, которая улучшает подключение и позволяет создавать стереопару из двух колонок ...>>

Раннее воздержание от алкоголя перестраивает мозг и иммунитет 10.03.2026

Алкогольная зависимость - хроническое расстройство с компульсивным употреблением спиртного, которое влияет не только на поведение, но и на функционирование мозга и иммунной системы. Недавние исследования показали, что даже на ранних этапах воздержания организм начинает перестраиваться, открывая новые возможности для терапии зависимости. Ученые сосредоточились на пациентах, находящихся в первые недели абстиненции, и зафиксировали значительные изменения в мозговой активности. С помощью функциональной магнитно-резонансной томографии они выявили перестройку сетей нейронных связей, отвечающих за контроль импульсов и принятие решений. Эти изменения могут быть ключевыми для восстановления самоконтроля и снижения риска рецидива. Одновременно с нейронной перестройкой исследователи наблюдали колебания иммунной системы. В крови повышался уровень цитокинов - сигнальных белков, регулирующих воспалительные процессы. Эти данные свидетельствуют о существовании нейроиммунного взаимодействия, при ...>>

Случайная новость из Архива

Расчитана стоимость астероидов 05.12.2024

Идея добычи полезных ископаемых на астероидах долгое время казалась фантастической и исключительно прибыльной. Однако новое исследование, проведенное при поддержке американского стартапа AstroForge, предлагает более взвешенный взгляд на экономический потенциал космического горнодобывающего сектора. Ученые развенчивают мифы о фантастических богатствах и подчеркивают перспективы и вызовы этой индустрии.

Одним из ярких примеров завышенных ожиданий стал астероид Психея, которому приписывают стоимость в десять квинтиллионов долларов. Однако новое исследование утверждает, что такие оценки далеки от реальности. Эксперты предлагают более детализированный подход к анализу астероидных ресурсов, деля их на две основные категории в зависимости от экономической целесообразности добычи.

Первая категория включает редкие и дорогие платиновые металлы, такие как родий, платина и палладий. Эти элементы имеют высокую рыночную стоимость и активно используются в производстве электроники, медицинского оборудования и других высокотехнологичных устройств. Особенно перспективными считаются астероиды L-типа, содержащие металлические самородки с высокой концентрацией драгоценных металлов, превосходящей земные залежи. Однако изучение этих астероидов на месте пока остается задачей будущего.

Вторая категория - это конструкционные металлы, такие как железо, алюминий и магний. Несмотря на их значительное количество на астероидах, транспортировка этих материалов на Землю экономически невыгодна из-за их низкой рыночной стоимости. Однако они могут сыграть ключевую роль в космическом строительстве - например, для создания орбитальных станций или межпланетных баз.

Разработка астероидных ресурсов сталкивается с рядом серьезных технических проблем. К ним относятся: сложность обработки металлических самородков, часто мелких и разбросанных; высокие энергозатраты при использовании технологий добычи; необходимость создания устойчивой космической инфраструктуры, включающей средства доставки, переработки и хранения материалов.

Эти аспекты требуют значительных инвестиций и технологического прорыва.

AstroForge уже готовится к запуску исследовательской миссии, запланированной на январь 2025 года. Цель миссии - изучение состава околоземных астероидов и оценка рентабельности их разработки. Этот проект станет важным шагом на пути к практической реализации космического горнодобывающего потенциала.

Добыча полезных ископаемых на астероидах обещает стать значимой отраслью будущего, но ее развитие требует серьезных научных и технических усилий. Реалистичный подход к оценке ресурсов, акцент на высокоценных платиновых металлах и разработка инфраструктуры - ключевые этапы на пути к успеху. Миссия AstroForge станет важной вехой, определяющей перспективы этой захватывающей индустрии.

Другие интересные новости:

▪ Раскрыт секрет мерцания молний

▪ Сухой лед против тумана

▪ Автомобиль на сыворотке

▪ Кислота под землей

▪ Драйвер светодиодного дисплея MAX6957

Лента новостей науки и техники, новинок электроники

 

Интересные материалы Бесплатной технической библиотеки:

▪ раздел сайта Аудиотехника. Подборка статей

▪ статья Место встречи изменить нельзя. Крылатое выражение

▪ статья Что такое брюшной тиф? Подробный ответ

▪ статья Бенинказа. Легенды, выращивание, способы применения

▪ статья Свинцово-глицериновая масса. Простые рецепты и советы

▪ статья Оптосимисторный коммутатор мощной нагрузки, 220 вольт 40 ампер. Энциклопедия радиоэлектроники и электротехники

Оставьте свой комментарий к этой статье:

Имя:


E-mail (не обязательно):


Комментарий:





Главная страница | Библиотека | Статьи | Карта сайта | Отзывы о сайте

www.diagram.com.ua

www.diagram.com.ua
2000-2026