Áåñïëàòíàÿ òåõíè÷åñêàÿ áèáëèîòåêà
Èíäèêàòîð ðàçìàõà íàïðÿæåíèÿ. Ýíöèêëîïåäèÿ ðàäèîýëåêòðîíèêè è ýëåêòðîòåõíèêè

Ýíöèêëîïåäèÿ ðàäèîýëåêòðîíèêè è ýëåêòðîòåõíèêè / Èçìåðèòåëüíàÿ òåõíèêà
Êîììåíòàðèè ê ñòàòüå

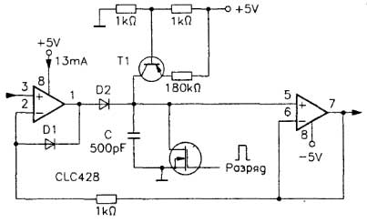
Óñòðîéñòâî, ñõåìà êîòîðîãî ïðåäñòàâëåíà âûøå, ðàáîòàåò ïî ñëåäóþùåìó ïðèíöèïó: êîíäåíñàòîð Ñ çàðÿæàåòñÿ ìàêñèìàëüíûì çíà÷åíèåì ðàçìàõà âõîäíîãî ñèãíàëà â ïðîöåññå èçìåðåíèÿ, êîòîðîå çàâåðøàåòñÿ ðàçðÿäîì ÷åðåç òðàíçèñòîð Ò2. Òðàíçèñòîð Ò1 îáåñïå÷èâàåò òîê ñìåùåíèÿ âòîðîãî îïåðàöèîííîãî óñèëèòåëÿ. Äèîä D1 íå äîïóñêàåò íàñûùåíèÿ ïåðâîãî îïåðàöèîííîãî óñèëèòåëÿ, ÷òî ìîæåò ïðîèçîéòè, êîãäà âõîäíîå íàïðÿæåíèå ìåíüøå íàïðÿæåíèÿ íà êîíäåíñàòîðå Ñ.
Ïóáëèêàöèÿ: radioradar.net
Ñìîòðèòå äðóãèå ñòàòüè ðàçäåëà Èçìåðèòåëüíàÿ òåõíèêà.
×èòàéòå è ïèøèòå ïîëåçíûå êîììåíòàðèè ê ýòîé ñòàòüå.
<< Íàçàä
Ïîñëåäíèå íîâîñòè íàóêè è òåõíèêè, íîâèíêè ýëåêòðîíèêè:
Êðàòêîâðåìåííîå ãîëîäàíèå è ðàáîòà ìîçãà
25.11.2025
Íà ôîíå ðîñòà ïîïóëÿðíîñòè èíòåðâàëüíîãî ãîëîäàíèÿ ìíîãèå îïàñàþòñÿ, ÷òî îòêàç îò åäû íà íåñêîëüêî ÷àñîâ ìîæåò îáåðíóòüñÿ ñíèæåíèåì êîíöåíòðàöèè, óõóäøåíèåì ïàìÿòè è îáùèì "çàòóìàíèâàíèåì" ñîçíàíèÿ. Îäíàêî ñîâðåìåííûå èññëåäîâàíèÿ ïîçâîëÿþò èíà÷å âçãëÿíóòü íà ýòó òåìó.
Íàó÷íûé îáçîð, âêëþ÷èâøèé ñâûøå ñåìèäåñÿòè íåçàâèñèìûõ ýêñïåðèìåíòîâ è áîëåå 3,5 òûñÿ÷è ó÷àñòíèêîâ, ïîêàçàë: çäîðîâûå âçðîñëûå, êîòîðûå íå åëè îò äåñÿòè äî äâåíàäöàòè ÷àñîâ, âûïîëíÿëè êîãíèòèâíûå òåñòû òàê æå êà÷åñòâåííî, êàê è òå, êòî ïðèíèìàë ïèùó ïåðåä èñïûòàíèåì. Ïàìÿòü, ñêîðîñòü ðåàêöèè, ëîãè÷åñêîå ìûøëåíèå è âíèìàíèå îñòàâàëèñü íà ïðåæíåì óðîâíå, ÷òî îïðîâåðãàåò ðàñïðîñòðàíåííûé áûòîâîé ìèô.
Äîêòîð Äýâèä Ìîðî, ïðîôåññîð ïñèõîëîãèè èç Óíèâåðñèòåòà Îêëåíäà â Íîâîé Çåëàíäèè, ïîä÷åðêèâàåò, ÷òî ïðåäñòàâëåíèÿ î "ãîëîâíîé òóìàííîñòè" âî âðåìÿ ãîëîäà ÷àñòî îêàçûâàþòñÿ ïðåóâåëè÷åííûìè. Îí îòìå÷àåò, ÷òî ëþäè ñêëîííû ñâÿçûâàòü ÷óâñòâî ãîëîäà ñ íèçêîé ýíåðãèåé, ðàçäðàæèòåëüíîñòüþ è íåâîçìîæíîñòüþ ñîñðåäîòî÷èòüñÿ, õîòÿ ÷å ...>>
Óìíàÿ ðîçåòêà TP-Link Tapo P410M
25.11.2025
Êîìïàíèÿ TP-Link âûïóñòèëà íà ðûíîê íîâóþ óëè÷íóþ ðîçåòêó Tapo P410M. Îíà ïîëó÷èëà ïîääåðæêó óíèâåðñàëüíîãî ñòàíäàðòà Matter è ñòàëà åùå îäíèì øàãîì â ñòîðîíó åäèíîé ýêîñèñòåìû óìíûõ óñòðîéñòâ.
Îñîáåííîñòü Tapo P410M çàêëþ÷àåòñÿ â òîì, ÷òî îíà ðàññ÷èòàíà íà ðàáîòó â ñëîæíûõ êëèìàòè÷åñêèõ óñëîâèÿõ. Óñòðîéñòâî ôóíêöèîíèðóåò ïðè òåìïåðàòóðå îò -20 äî +50 °C è çàùèùåíî îò äîæäÿ, âëàãè è ïûëè ïî ñòàíäàðòó IP54. Áëàãîäàðÿ ýòîìó ðîçåòêà áåçîïàñíî èñïîëüçóåòñÿ íà îòêðûòîì âîçäóõå, áóäü òî âíóòðåííèé äâîð, ñàäîâàÿ çîíà èëè íàðóæíîå îñâåùåíèå âîçëå äîìà.
Êîìïàíèÿ TP-Link òàêæå àêöåíòèðîâàëà âíèìàíèå íà óäîáñòâå ïîäêëþ÷åíèÿ. Ðîçåòêà ïîääåðæèâàåò Wi-Fi 2,4 ÃÃö è Bluetooth LE, ÷òî èçáàâëÿåò îò íåîáõîäèìîñòè ïîêóïàòü îòäåëüíûé õàá. Íàñòðîéêà âûïîëíÿåòñÿ ÷åðåç ôèðìåííîå ïðèëîæåíèå Tapo èëè ñ èñïîëüçîâàíèåì QR-êîäà íà êîðïóñå, ÷òî îñîáåííî óäîáíî ïðè óñòàíîâêå â òðóäíîäîñòóïíûõ ìåñòàõ. Ïîñëå ïåðâè÷íîé êîíôèãóðàöèè óïðàâëåíèå óñòðîéñòâîì äîñòóïíî èç ïðèëîæåíèÿ èëè ñ ïîìîùüþ ãîëîñîâûõ ïîìîùíèêîâ A ...>>
Èãðîâîé ìîíèòîð Sony PlayStation Gaming Monitor
24.11.2025
Íà ïðåçåíòàöèè State of Play êîìïàíèÿ Sony ïðåäñòàâèëà óñòðîéñòâî, êîòîðîå ìîæåò èçìåíèòü ïðåäñòàâëåíèÿ î ôèðìåííîé ýêîñèñòåìå PlayStation, - ñâîé ïåðâûé èãðîâîé ìîíèòîð ïîä ýòèì áðåíäîì.
PlayStation Gaming Monitor, êàê îôèöèàëüíî íàçâàëè íîâèíêó, îðèåíòèðîâàí ñðàçó íà äâå àóäèòîðèè: âëàäåëüöåâ êîíñîëåé è ïîëüçîâàòåëåé ÏÊ. Äëÿ êîìïüþòåðíûõ ñèñòåì, âêëþ÷àÿ macOS, ïîääåðæèâàåòñÿ ÷àñòîòà îáíîâëåíèÿ äî 240 Ãö ñ òåõíîëîãèåé ïåðåìåííîé ÷àñòîòû VRR, à äëÿ êîíñîëåé PlayStation 5 è PlayStation 5 Pro ÷àñòîòà îãðàíè÷åíà 120 Ãö, ÷òî ñîîòâåòñòâóåò àðõèòåêòóðå è âîçìîæíîñòÿì ñàìèõ ïðèñòàâîê. Îñíîâó óñòðîéñòâà ñîñòàâëÿåò 27-äþéìîâàÿ IPS-ïàíåëü ñ ðàçðåøåíèåì QHD 2560?1440 ïèêñåëåé, îáåñïå÷èâàþùàÿ âûñîêóþ ÷åòêîñòü è øèðîêèé óãîë îáçîðà.
Îòäåëüíîå âíèìàíèå ïðîäóêöèÿ çàñëóæèëà áëàãîäàðÿ ôóíêöèè, íå âñòðå÷àâøåéñÿ ðàíåå â ìîíèòîðàõ Sony.  íèæíåé ÷àñòè êîðïóñà íàõîäèòñÿ âñòðîåííàÿ âûäâèæíàÿ äîê-ñòàíöèÿ äëÿ áåñïðîâîäíîé çàðÿäêè êîíòðîëëåðîâ DualSense. Òàêîé ïîäõîä ïîçâîëÿåò èçáàâèòüñÿ îò îòäåëüíûõ çàð ...>>
Ñëó÷àéíàÿ íîâîñòü èç Àðõèâà Ìîëåêóëû îñòàíîâëåíû ïðè òåìïåðàòóðå àáñîëþòíîãî íóëÿ
09.04.2020
Ãðóïïà ôèçèêîâ èç ÑØÀ îõëàäèëà ìîëåêóëû íàòðèé-ëèòèé äî òåìïåðàòóðû 220 íàíîêåëüâèí çà ñ÷åò ñòîëêíîâåíèé ñ óëüòðàõîëîäíûìè àòîìàìè íàòðèÿ.
Èñïàðèòåëüíîå îõëàæäåíèå èñïîëüçóåòñÿ êàê äëÿ ïîíèæåíèÿ òåìïåðàòóðû íàøåãî òåëà, êîãäà ìû ïîòååì, òàê è äëÿ îõëàæäåíèÿ ïîìåùåíèé è ïðèáîðîâ. Ïðèðîäà ýòîãî ôåíîìåíà çàêëþ÷àåòñÿ â òîì, ÷òî ãîðÿ÷èå ÷àñòèöû îõëàæäàåìîé ñèñòåìû ñòàëêèâàþòñÿ ñ ÷àñòèöàìè îõëàäèòåëÿ, ïåðåäàâàÿ èì ñâîé èìïóëüñ, à ïîñëåäíèå, â ñâîþ î÷åðåäü, ïîêèäàþò ñèñòåìó.
 àòîìíîé ôèçèêå èñïàðèòåëüíîå îõëàæäåíèå ïðèìåíÿåòñÿ äëÿ ñíèæåíèÿ ýíåðãèè êîëåáàíèé àíñàìáëÿ àòîìîâ. Òåõíîëîãèÿ èñïîëüçóåò ýëåêòðîìàãíèòíîå ïîëå äëÿ óëàâëèâàíèÿ àòîìîâ â îïòè÷åñêóþ ëîâóøêó. Ñ òå÷åíèåì âðåìåíè àòîìû ñòàëêèâàþòñÿ äðóã ñ äðóãîì è íåêîòîðûå èç íèõ ñòàíîâÿòñÿ ïîäâèæíåå, ÷åì äðóãèå. Òàêèå âûñîêîýíåðãåòè÷íûå àòîìû ïîêèäàþò ëîâóøêó, ïîíèæàÿ òåì ñàìûì ýíåðãèþ âñåé ñèñòåìû è ñíèæàÿ òåìïåðàòóðó îñòàâøèõñÿ àòîìîâ.
Îõëàæäåííûå êâàíòîâûå ñèñòåìû ìîãóò áûòü èñïîëüçîâàíû â êà÷åñòâå ñèìóëÿòîðà ðàçëè÷íûõ ñèñòåì ôèçèêè êîíäåíñèðîâàííîãî ñîñòîÿíèÿ èëè ÿäåðíîé ôèçèêè. Îäíàêî ó îòäåëüíûõ àòîìîâ ñëèøêîì ìàëî ñòåïåíåé ñâîáîäû, ÷òî îãðàíè÷èâàåò âîçìîæíîñòè ñèìóëÿòîðà. Çà ïîñëåäíèå 15 ëåò áûë ñäåëàí ñåðüåçíûé ïðîãðåññ â îõëàæäåíèè áîëåå ñëîæíûõ îáúåêòîâ, òàêèõ êàê ìîëåêóëû, íî, ê ñîæàëåíèþ, äîñòèãíóòûå òåìïåðàòóðû îãðàíè÷èâàëèñü äî ñèõ ïîð äåñÿòêàìè ìèëëèêåëüâèíîâ.
Ôèçèêè èç Ìàññà÷óñåòñêîãî òåõíîëîãè÷åñêîãî èíñòèòóòà è Ãàðâàðäñêîãî óíèâåðñèòåòà ïîä ðóêîâîäñòâîì ïðîôåññîðà Àëàíà Äæåìèñîíà (Alan Jamison) âïåðâûå ñóìåëè îõëàäèòü àíñàìáëü ìîëåêóë çà ñ÷åò èñïàðèòåëüíîãî îõëàæäåíèÿ äî òåìïåðàòóðû 220 íàíîêåëüâèí. Äëÿ ýòîãî ó÷åíûå ïîìåñòèëè 30 òûñÿ÷ ìîëåêóë NaLi è 100 òûñÿ÷ àòîìîâ íàòðèÿ â îïòè÷åñêóþ ëîâóøêó, â êîòîðîé ÷àñòèöû óäåðæèâàëèñü ýëåêòðîìàãíèòíûì ïîëåì.
|
Äðóãèå èíòåðåñíûå íîâîñòè:
▪ Ñåíñîðíûé äèñïëåé, íå òðåáóþùèé êàñàíèÿ ïàëüöåâ
▪ Ñåðôèíã ñ ðåàêòèâíûì äâèãàòåëåì
▪ Âåùè äàðÿò ðàäîñòü
▪ Ïðåëîìëåíèå ñâåòà â êîôå
▪ Èçìåðåíà òåìïåðàòóðà ôîòîñôåðû êðàñíûõ ñâåðõãèãàíòîâ
Ëåíòà íîâîñòåé íàóêè è òåõíèêè, íîâèíîê ýëåêòðîíèêè
Èíòåðåñíûå ìàòåðèàëû Áåñïëàòíîé òåõíè÷åñêîé áèáëèîòåêè:
▪ ðàçäåë ñàéòà Ðàäèî - íà÷èíàþùèì. Ïîäáîðêà ñòàòåé
▪ ñòàòüÿ ×Ñ ãåîëîãè÷åñêîãî õàðàêòåðà. Îñíîâû áåçîïàñíîé æèçíåäåÿòåëüíîñòè
▪ ñòàòüÿ Íà ÷åì ðàñòóò áàíàíû? Ïîäðîáíûé îòâåò
▪ ñòàòüÿ Îõðàíà òðóäà æåíùèí. Ñïðàâî÷íèê
▪ ñòàòüÿ Ðåâåðñèâíîå óïðàâëåíèå òðåõôàçíûì ýëåêòðîäâèãàòåëåì. Ýíöèêëîïåäèÿ ðàäèîýëåêòðîíèêè è ýëåêòðîòåõíèêè
▪ ñòàòüÿ Äîðàáîòêà ìèêðîñõåìíîé ïàíåëè. Ýíöèêëîïåäèÿ ðàäèîýëåêòðîíèêè è ýëåêòðîòåõíèêè
Îñòàâüòå ñâîé êîììåíòàðèé ê ýòîé ñòàòüå:
Ãëàâíàÿ ñòðàíèöà | Áèáëèîòåêà | Ñòàòüè | Êàðòà ñàéòà | Îòçûâû î ñàéòå

www.diagram.com.ua
2000-2025