Menu Home

Бесплатная техническая библиотека для любителей и профессионалов Бесплатная техническая библиотека


Генератор СВЧ С ФАПЧ: приставка к генератору ВЧ. Энциклопедия радиоэлектроники и электротехники

Бесплатная техническая библиотека

Энциклопедия радиоэлектроники и электротехники / Измерительная техника

Комментарии к статье Комментарии к статье

Специализированные микросборки автогенераторов, используемые совместно с синтезатором частоты, заметно упрощают изготовление измерительного генератора диапазона СВЧ. Автором предложена конструкция приставки - генератора с ФАПЧ на диапазоны 0,66... 1,53 и 1,71...2,75 ГГц, для которого в качестве образцового используется внешний высокостабильный генератор сигналов частотой не более нескольких мегагерц.

Проведение ремонтных и регулировочных работ аппаратуры и антенн диапазона 300 МГц и выше часто затруднено из-за отсутствия измерительной техники, в частности генераторов. Выходом из этой ситуации может быть изготовление генератора СВЧ самостоятельно. Описания конструкций таких генераторов на одну или несколько фиксированных частот можно найти в журнале "Радио" [1, 2]. Принцип работы этих генераторов основан на использовании системы фазовой автоматической подстройки частоты (ФАПЧ), но их возможности ограничены из-за отсутствия плавной перестройки по частоте. Применение такого генератора расширится, если сделать его в виде приставки к генератору ВЧ [3]. В этом случае генератор ВЧ будет выполнять функции генератора образцовой частоты и, изменяя его частоту, возможно регулировать частоту генератора СВЧ.

Вниманию читателей предлагается описание генератора СВЧ - приставки к генератору ВЧ, его схема показана на рис. 1. Потенциально он может работать в диапазоне частот 0,1...4 ГГц, но с указанными на схеме деталями он перекрывает диапазоны 0,66... 1,53 и 1,71...2,75 ГГц, выделенные для сотовой и радиолюбительской связи.

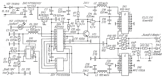
Генератор СВЧ С ФАПЧ: приставка к генератору ВЧ. Принципиальная схема устройства
Рис. 1 Принципиальная схема устройства

Приставка построена на основе специализированной микросхемы синтезатора частоты DA4, которая содержит основные узлы: два делителя частоты с переменным коэффициентом деления (ДПКД) и частотно-фазовый детектор (ЧФД). Управление режимами ее работы осуществляется с помощью микроконтроллера DD1. В качестве генераторов СВЧ диапазона применены специализированные микросборки DA5 и DA6 автогенераторов с электронной перестройкой частоты. Напряжение питания узлов стабилизировано интегральными стабилизаторами напряжения DA2 (12 В) и DA3 (5 В). В качестве источника сигнала образцовой частоты использован внешний генератор ВЧ. Так как его частота не превышает несколько мегагерц, то для нормальной работы микросхемы синтезатора сигнал внешнего генератора преобразуется в прямоугольную форму компаратором DA1.

На транзисторе VT1 собран дополнительный каскад, который совместно с элементами R8, R9, С13, С15, С19 выполняет функции пропорционально-интегрирующего фильтра и еще нужен для того, чтобы увеличить максимальное значение управляющего напряжения до 12 В. Поддиапазон частот выбирают переключателем SA1 за счет подачи напряжения питания на соответствующий автогенератор. На резисторах R15-R18 собран аттенюатор с суммарным фиксированным затуханием 60 дБ. Если система ФАПЧ работает нормально, то будет светить светодиод HL1.

Генератор СВЧ имеет два выхода: основной (XW2) с уровнем сигнала 0 дБмВт (напряжение - 226 мВ на нагрузке 50 Ом, что соответствует мощности 1 мВт) и дополнительный (XW3) с уровнем -60 дБмВт. Плавная регулировка выходного сигнала производится внешним ступенчатым аттенюатором в диапазоне 0-70 дБ с шагом 1 дБ - от промышленного измерительного прибора Х1-42, Х1-43 или аналогичного. При использовании второго выхода (XW3) на первый (XW2) необходимо устанавливать согласованную нагрузку (50 Ом).

Устройство работает так, что подстраивает частоту генератора СВЧ под кратную частоту внешнего генератора. При этом режим работы микросхемы DA4 устанавливается таким, что коэффициент деления ДПКД для сигнала генератора СВЧ составляет 1000, а для сигнала внешнего генератора он равен 1. Таким образом, ЧфД работает на частоте внешнего генератора и каждому герцу частоты внешнего генератора будет соответствовать 1 кГц генератора СВЧ, это упрощает установку частоты. Следует отметить, что в этом случае стабильность частоты и фазовые шумы зависят в основном от качества сигнала внешнего генератора. Если применить другие микросборки автогенераторов, можно получить и иные поддиапазоны частот в указанных выше пределах. А если применить микросхему ADF4106, то верхняя частота устройства может быть повышена до 6 ГГц.

Плата размещена в металлическом корпусе с закрываемой крышкой. Выходное гнездо XW3 с резисторами R17, R18 установлено в отдельном отсеке, а напряжение питания подается через отдельный отсек и проходной конденсатор. Параллельно входу приставки включен конденсатор С6, который уменьшает проникновение сигнала генератора СВЧ наружу.

В устройстве можно применить следующие детали: транзистор КТ3130 с любыми буквенными индексами, подстроенные резисторы - PVZ3A и аналогичные, остальные - Р1-12 (типоразмер 1206), неполярные конденсаторы - керамические К10-17 (С1 - КТП-1), С2, С7, С10 - танталовые или иные оксидно-полупроводниковые, пригодные для поверхностного монтажа. Дроссели L1-L3 - СМ453232 для поверхностного монтажа индуктивностью 20...200 мкГн. Светодиод можно установить любой, желательно повышенной яркости. Гнезда ВЧ - блочные SMA или аналогичные. Переключатель - любой малогабаритный на два положения и два направления. В микроконтроллер необходимо "зашить" программу, приведенную ниже.

:10000000160A2800080C27000304680303060A0ADE
:1000100026040В0А26050605000000000604Е70278
:10002000040A0008460500004604000840000600D7
:100030001F0C02006600030C0109B00C0109120C30
:1000400001091209000С0109000С0109040С010945
:100050001209000C01097D0C0109010C01091209AA
:10006000030С0109В00С0109120С0109120903006В
:02lFFE00EA0FE8
:00000001FF

Большинство деталей размещены на печатной плате из двусторонне фольгированного стеклотекстолита толщиной 1,5 мм, эскиз которой показан на рис. 2. Вторая сторона оставлена металлизированной и соединена с металлизацией другой стороны фольгой по контуру платы. Кроме того, обе соединены отрезками провода и через отверстия в плате. Внешний вид приставки показан на рис. 3.

Генератор СВЧ С ФАПЧ: приставка к генератору ВЧ. Эскиз печатной платы
Рис. 2 Эскиз печатной платы

Налаживание сводится к установке резисторами R8, R9 устойчивой работы ФАПЧ с минимальным фазовым шумом во всем диапазоне частот генератора. Мощность выходного сигнала устанавливают сначала на гнезде XW2 резисторами R12, R14, а затем резисторами R15, R16 на гнезде XW3. Для питания устройства можно использовать стабилизированный блок питания напряжением 13... 15 В или нестабилизированный напряжением 15...20 В, потребляемый ток составляет 65...80 мА.

Генератор СВЧ С ФАПЧ: приставка к генератору ВЧ
Рис. 3 Внешний вид приставки

Литература:

  1. Малыгин И., Штуркин Н. Лаборатор ный синтезатор СВЧ. - Радио, 2004, № 1, с. 19, 20.
  2. Нечаев И. Гетеродин диапазона УВЧ.- Радио, 2005, № 8, с. 69, 70.
  3. Нечаев И. Генератор с ФАПЧ для диапазонов ОВЧ-УВЧ. - Радио, 2004, № 12, с. 33,34.

Автор: И. Нечаев, г. Курск; Публикация: radioradar.net

Смотрите другие статьи раздела Измерительная техника.

Читайте и пишите полезные комментарии к этой статье.

<< Назад

Последние новости науки и техники, новинки электроники:

Впервые преоодолена передача ВИЧ от матери к ребенку 02.01.2026

Проблема вертикальной передачи ВИЧ - от матери к ребенку - остается одной из ключевых задач глобальной медицины. Недавний отчет Всемирной организации здравоохранения (ВОЗ) демонстрирует историческое достижение: Бразилия впервые в своей истории полностью преодолела этот путь передачи вируса. Страна стала 19-й в мире и первой с населением более 100 миллионов человек, которая достигла такого результата. Достижения Бразилии основаны на комплексных медицинских программах, обеспечивающих своевременный доступ к диагностике и терапии для всех слоев населения. ВОЗ официально подтвердило, что уровень передачи ВИЧ от матери к ребенку снизился до менее двух процентов. Более 95% беременных женщин в стране получают регулярный скрининг на ВИЧ и необходимое лечение в рамках стандартного ведения беременности. Изначально программа тестировалась в крупных муниципалитетах и штатах с населением более 100 тысяч человек, а затем была масштабирована на всю страну. Такой подход позволил унифицировать ста ...>>

Нанослой германия увеличивает эффективность солнечных батарей на треть 02.01.2026

Разработка высокоэффективных солнечных батарей остается одной из ключевых задач современной энергетики. Недавнее исследование южнокорейских ученых позволило повысить производительность тонкопленочных солнечных элементов почти на 30%, что открывает новые перспективы для возобновляемых источников энергии, гибкой электроники и сенсорных устройств. Команда исследователей сосредоточилась на элементах на основе моносульфида олова (SnS) - нетоксичного и доступного материала, который идеально подходит для гибких солнечных панелей. До настоящего времени эффективность SnS-устройств оставалась низкой из-за проблем на границе контакта с металлическим электродом. В этой области возникали структурные дефекты, диффузия элементов и электрические потери, что существенно ограничивало возможности таких батарей. "Этот интерфейс был главным барьером для достижения высокой производительности", - отмечает профессор Джейонг Хо из Национального университета Чоннам. Для решения этих проблем ученые предлож ...>>

Электростатическое решение для борьбы с льдом и инеем 01.01.2026

Борьба с льдом и инеем на транспортных средствах и критически важных поверхностях зимой остается сложной и затратной задачей. Ученые из Virginia Tech разработали инновационную технологию, способную разрушать лед и иней без использования тепла или химических реагентов, что открывает новые возможности для безопасной и экологичной зимней эксплуатации транспорта. Исследователи обнаружили, что лед и иней образуют кристаллическую решетку с так называемыми ионными дефектами - заряженными участками, способными перемещаться под воздействием электрического поля. Эти дефекты являются ключом к управлению прочностью льда и его удалением с поверхностей. Когда на замерзшую поверхность подается положительный электрический заряд, отрицательные ионные дефекты притягиваются к источнику поля. Это вызывает разрушение кристаллической решетки льда, в результате чего часть льда буквально "отскакивает" от поверхности. Такой эффект позволяет удалять лед без применения внешнего тепла или химических средств ...>>

Случайная новость из Архива

Муравьиные маршруты и проблемы дорожных пробок 25.01.2025

Пробки на дорогах - одна из серьезнейших проблем современных городов, приводящая к потерям времени, экономическим убыткам и загрязнению окружающей среды. В поисках решений этой сложной задачи ученые все чаще обращаются к природе, и одним из самых неожиданных источников вдохновения оказались обычные муравьи.

Исследователи из Университета Тренто, используя алгоритмы глубокого обучения, изучили движение муравьев на тропах и обнаружили уникальные коллективные стратегии, позволяющие им эффективно перемещаться даже при высокой плотности. Оказалось, что муравьи избегают пробок благодаря трем основным принципам: формированию взводов, соблюдению постоянной скорости и отсутствию обгона. Эти простые, но эффективные правила могут стать ключом к решению транспортных проблем в городах.

Полученные результаты предлагают использовать естественные принципы, которыми руководствуются муравьи, для разработки систем движения автономных транспортных средств (CAV). Подобно тому, как муравьи взаимодействуют друг с другом с помощью феромонов, автономные автомобили могут использовать современные коммуникационные технологии для координации движения. Это позволит формировать взводы с минимальными промежутками, что значительно повысит скорость и эффективность транспорта, одновременно снизив выбросы вредных веществ в атмосферу.

Конечно, исследование имеет свои ограничения. Оно было сосредоточено на одном виде муравьев и одном участке прямой тропы, без сложных перекрестков и разветвлений. Кроме того, выводы пока носят теоретический характер, поскольку реальные данные для CAV-технологий пока отсутствуют. Тем не менее, это исследование наглядно демонстрирует потенциал природы как источника вдохновения для создания более эффективных и устойчивых транспортных систем.

Возможность применения принципов, которыми руководствуются муравьи, в транспортной сфере открывает новые перспективы для борьбы с дорожными пробками. Создание интеллектуальных транспортных систем, способных адаптироваться к изменяющимся условиям и оптимизировать движение потоков, может стать революционным шагом на пути к решению транспортных проблем в городах будущего.

Изучение поведения муравьев может дать ценные знания и подсказать оригинальные решения для создания более эффективных и экологически чистых транспортных систем. Этот междисциплинарный подход, объединяющий биологию, информатику и транспортное проектирование, может стать ключом к созданию городов, свободных от пробок и загрязнения. Возможно, в самом ближайшем будущем мы сможем увидеть, как принципы, подсмотренные у муравьев, будут реализованы в интеллектуальных транспортных системах, делая нашу жизнь более комфортной и экологически безопасной.

Другие интересные новости:

▪ Влияние кофеина на устойчивость к лекарственным препаратам

▪ Астероидов стало меньше

▪ Сенсоры эмоций для умной электроники

▪ 3.0 USB-накопитель Mushkin Ventura Ultra

▪ Стажер NASA открыл экзопланету

Лента новостей науки и техники, новинок электроники

 

Интересные материалы Бесплатной технической библиотеки:

▪ раздел сайта Важнейшие научные открытия. Подборка статей

▪ статья Забыться и заснуть. Крылатое выражение

▪ статья Какое животное может напиться, просто зарывшись во влажный песок? Подробный ответ

▪ статья Специалист по социальным вопросам. Должностная инструкция

▪ статья Тестер для проверки солнечных элементов. Энциклопедия радиоэлектроники и электротехники

▪ статья Сверхрегенеративный приемник на 90-150 МГц. Энциклопедия радиоэлектроники и электротехники

Оставьте свой комментарий к этой статье:

Имя:


E-mail (не обязательно):


Комментарий:





Главная страница | Библиотека | Статьи | Карта сайта | Отзывы о сайте

www.diagram.com.ua

www.diagram.com.ua
2000-2025