Бесплатная техническая библиотека
Генератор гармонических колебаний на логических элементах с цифровым управлением. Энциклопедия радиоэлектроники и электротехники

Энциклопедия радиоэлектроники и электротехники / Измерительная техника
Комментарии к статье
Предлагаемый вниманию читателей генератор гармонических колебаний предназначен для применения в различных радиотехнических устройствах с цифровым управлением. Генератор построен на доступной элементной базе и обеспечивает формирование гармонических колебаний со стабильными параметрами. В статье приводится методика расчета генератора.
Функциональная схема генератора представлена на рис. 1.
Рис. 1 Функциональная схема генератора
Для генерации гармонических колебаний требуется выполнение двух условий [1]:
- баланс амплитуд Кос*К=1;
- баланс фаз φк+φос=0,2*π.
В качестве усилителя обратной связи Кос применяют, как правило, инвертор с φос = π. В качестве усилителя К целесообразно использовать полосовой фильтр [2], обеспечивающий на резонансной частоте необходимый в данном случае фазовый сдвиг φk = π. Высокая крутизна фазовой характеристики фильтра в полосе пропускания обеспечивает формирование колебаний со стабильной частотой, а его избирательные свойства - подавление гармоник.
В качестве полосового фильтра в предлагаемом генераторе использован фильтр [2]. Генератор возбуждается на резонансной частоте полосового фильтра, которая определяется из выражения:

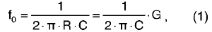
где R (G) и С - сопротивление (проводимость) и емкость времязадающей цепи.
Из выражения (1) видно, что частота генерации пропорциональна проводимости времязадающей цепи, что обеспечивает линейный закон управления частотой.
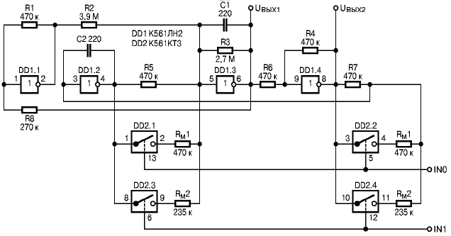
Схема генератора гармонических колебаний приведена на рис. 2. На элементах DD1.2-DD1.4 выполнен полосовой фильтр, на элементе DD1.1 - усилитель обратной связи и на элементах DD2.1-DD2.4 и RM - матрица сопротивлений с цифровым управлением. Структура фильтра позволяет получать на выходах противофазные напряжения, для чего необходимо использовать дополнительно Uвых2. Входы IN0 и IN 1 являются цифровыми входами управления частотой генерации.
(нажмите для увеличения)
Ниже приведена методика расчета генератора.
- Зададимся значениями fmin - нижняя частота генерации, Df - шаг перестройки, п - число разрядов двоичного числа сигнала цифрового управления.
- Принимаем С1=С2=С и R7=R5=R.
- Зададим значение С и из формулы (1) найдем значение R.
- Определим значение RM ПО формуле

- Определим значение fmax по формуле

- Определим R3 по формуле

- Определим R2 из соотношения R2= R3/0,7.
На рис. 2 приведены номиналы элементов, полученные в результате расчета по приведенной методике для fmin=1,5 кГц, Δf =1,5 кГц и n=2.
В общем случае, выходная частота равна

где i - номер входа (разряд управляющего слова); аi - значение сигнала на входе управления (лог. 1 или лог. 0); n - разрядность управляющего слова.
Сопротивления в матрице проводимостей определяются по формуле:

При необходимости получения непрерывного закона изменения частоты резисторы RM заменяют сдвоенным потенциометром с сопротивлением Rn и включенным последовательно ему резистором Rдоп. Значения этих сопротивлений находим из формул:

В генераторе можно использовать микросхемы К561ЛА7, К561ЛЕ5 при включении по схеме инверторов. При напряжении питания 3 В генератор потребляет ток 1-3 мА.
Применение аналогичных зарубежных микросхем серий 74АС, 74НС позволит существенно увеличить диапазон рабочих частот, примерно в 10-15 раз.
В случае большой разрядности управляющего слова, в качестве матрицы проводимостей может быть применен двухканальный цифровой потенциометр, например, производства фирмы Microchip (серия МСР42ХХХ). К его несомненным достоинствам можно отнести небольшие размеры, малое потребление и относительно небольшую стоимость.
Литература:
- Быстрое Ю. А., Мироненко И. Г.Электронные цепи и устройства -М.: Высшая школа, 1989.
- Онышко Д. Полосовой фильтр на КМОП инверторах. - М.: Схемотехника, 2001, №7.
Автор: Дмитрий Онышко, oda78@pisem.net; Публикация: radioradar.net
Смотрите другие статьи раздела Измерительная техника.
Читайте и пишите полезные комментарии к этой статье.
<< Назад
Последние новости науки и техники, новинки электроники:
Хорошо управляемые луга могут компенсировать выбросы от скота
15.02.2026
Животноводство, особенно разведение крупного рогатого скота, часто обвиняют в значительном вкладе в глобальное потепление из-за мощного парникового газа - метана, который выделяется при пищеварении у жвачных животных. Это вызывает острые политические споры и призывы к сокращению потребления мяса. Однако ученые напоминают, что полная картина климатического воздействия отрасли не ограничивается только выбросами от животных: огромную роль играет окружающая экосистема - пастбища, почва и растительность, которые способны активно поглощать углекислый газ из атмосферы.
Исследователи из Университета Небраски-Линкольна решили глубже изучить этот баланс. Группа под руководством профессора Галена Эриксона сосредоточилась на том, как правильно организованные пастбища накапливают углерод в растениях и грунте благодаря естественным процессам, стимулируемым выпасом скота. Ученые подчеркивают, что при достаточном уровне осадков и грамотном управлении такие луга превращаются в мощные природные погло ...>>
NASA тестирует инновационную технологию крыла
15.02.2026
Коммерческая авиация ежегодно расходует колоссальные объемы керосина, что сказывается не только на бюджете авиакомпаний, но и на состоянии окружающей среды. В 2024 году глобальные затраты на авиационное топливо достигли 291 миллиарда долларов, и эта сумма продолжает расти. Чтобы справиться с этими вызовами, NASA активно работает над технологиями, способными заметно повысить аэродинамическую эффективность самолетов. Одним из самых перспективных направлений стало создание специальной конструкции крыла, которая максимизирует естественный ламинарный поток воздуха и минимизирует сопротивление.
В январе 2026 года специалисты NASA Armstrong Flight Research Center успешно провели важный этап наземных испытаний концепции Crossflow Attenuated Natural Laminar Flow (CATNLF). Для эксперимента под фюзеляж исследовательского самолета F-15B закрепили вертикально ориентированную масштабную модель высотой около 0,9 м (3 фута), напоминающую узкий киль. Такая компоновка позволила подвергнуть прототип р ...>>
Забота о внуках очень полезна для здоровья мозга
14.02.2026
Общение между поколениями приносит радость всей семье, но мало кто задумывается, насколько активно бабушки и дедушки, заботящиеся о внуках, поддерживают свою умственную форму. Регулярное взаимодействие с детьми стимулирует мозг пожилых людей, помогая сохранять память, скорость мышления и общую когнитивную активность.
Новые научные данные подтверждают, что такая добровольная помощь не только важна для общества, но и может замедлять возрастные изменения в мозге.
Исследователи из Тилбургского университета в Нидерландах провели анализ, чтобы понять, приносит ли уход за внуками реальную пользу здоровью пожилых людей. Ведущий автор работы Флавия Черечес отметила, что многие бабушки и дедушки регулярно присматривают за детьми, и оставался открытым вопрос, насколько это положительно сказывается на их собственном благополучии, особенно в плане когнитивных функций.
Ученые поставили цель выяснить, способен ли регулярный уход за внуками замедлить снижение памяти и других умственных способ ...>>
Случайная новость из Архива Первозданные магнитные поля
11.09.2025
История происхождения космических структур до сих пор хранит множество тайн. Одна из них связана с тем, каким образом во Вселенной появились магнитные поля, которые сегодня пронизывают даже самые пустые ее области. Казалось бы, такие слабые силы не могут играть значительной роли, но современные исследования показывают обратное: именно они могли повлиять на формирование звезд и галактик.
Международная группа ученых провела грандиозную работу, выполнив более 250 тысяч компьютерных симуляций. Их цель заключалась в том, чтобы выяснить, как слабые магнитные поля воздействовали на так называемую "космическую паутину" - гигантскую структуру из галактик, газа и темной материи. Ведущий автор исследования Мак Павичевич отмечает, что по силе эти поля были в миллиарды раз слабее привычного магнитика на холодильнике и сравнимы с электрическими импульсами, которые создают нейроны человеческого мозга. По гипотезе ученых, такие поля могли быть наследием процессов, происходивших во время рождения Вселенной.
Наибольшие трудности вызывал вопрос о том, почему магнетизм наблюдается в пустотах космоса, лишенных галактик. Классические теории не предсказывали там наличие каких-либо полей. Павичевич предположил, что они могли возникнуть еще до Большого взрыва, в эпоху инфляции, или позже, в ходе фазовых переходов материи. Чтобы проверить это, команда сопоставила результаты моделирования с реальными астрономическими данными и установила, что наилучшее совпадение достигается при условии существования первоначального поля напряженностью около 0,2 наногауса.
От Иршич из Университета Хартфордшира назвал этот проект "самым масштабным и самым реалистичным набором симуляций влияния первобытного магнитного поля на межгалактическую паутину". По его словам, именно такие исследования впервые позволяют по-настоящему приблизиться к пониманию роли этих слабейших сил в эволюции космоса.
Результаты показали, что даже почти незаметные поля оказывали значительное воздействие на плотность космической паутины, ускоряя формирование галактик и рождение звезд. Таким образом, они могли быть ключевым фактором, определившим облик Вселенной, какой мы наблюдаем сегодня.
Кроме того, работа позволила уточнить верхний предел интенсивности древних магнитных полей, снизив его в несколько раз по сравнению с прежними оценками. Авторы подчеркивают, что их выводы согласуются с данными о космическом микроволновом фоне, который хранит следы ранних эпох.
В ближайшем будущем исследователи надеются на помощь космического телескопа Джеймса Уэбба. Его высокая чувствительность к слабым сигналам способна подтвердить гипотезу о существовании первоначальных полей и помочь понять, каким образом возник магнетизм во Вселенной.
|
Другие интересные новости:
▪ Умный стоп-сигнал для велосипедов
▪ Оптические волны с обращением времени
▪ Искусственная кожа для эмуляции прикосновений
▪ Судно-буй с ледокольной функцией
▪ Обнаружена планета в 9 раз больше Юпитера
Лента новостей науки и техники, новинок электроники
Интересные материалы Бесплатной технической библиотеки:
▪ раздел сайта Инфракрасная техника. Подборка статей
▪ статья Акакий Акакиевич. Крылатое выражение
▪ статья Что такое спутник? Подробный ответ
▪ статья Машинист строительного подъемника. Типовая инструкция по охране труда
▪ статья Усилители мощности ламповые. Справочник
▪ статья Охранное устройство с независимым питанием. Энциклопедия радиоэлектроники и электротехники
Оставьте свой комментарий к этой статье:
Главная страница | Библиотека | Статьи | Карта сайта | Отзывы о сайте

www.diagram.com.ua
2000-2026