Menu Home

Бесплатная техническая библиотека для любителей и профессионалов Бесплатная техническая библиотека


Два аналоговых частотомера. Энциклопедия радиоэлектроники и электротехники

Бесплатная техническая библиотека

Энциклопедия радиоэлектроники и электротехники / Измерительная техника

Комментарии к статье Комментарии к статье

В генераторе НЧ [1] частоту выходного сигнала устанавливают, пользуясь показаниями простого частотомера со стрелочным индикатором. Опыт работы с таким генератором подтвердил, что при этом можно получить достаточную точность установки частоты. Однако в некоторых случаях через паразитные связи частотомер сам может вносить существенные помехи в сигнал генератора. Ведь "аналоговым" его можно признать только с некоторыми допущениями, поскольку гармоники высокого порядка возникают уже во входном формирователе "меандра" и добавляются помехи от одновибратора. Поэтому большую часть аналоговых частотомеров и сочетаний "аналоговый частотомер с цифровым отсчетом" или "цифровой со стрелочным прибором" вряд ли можно считать чисто аналоговыми.

Два аналоговых частотомера
Рис. 1

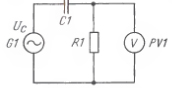
В аналоговом приборе с повышенной чувствительностью желательно вообще избегать импульсных сигналов. Одно из простейших решений - измерять вольтметром переменного напряжения сигнал, подаваемый через RC-делитель. Схема аналогового частотомера очень проста (рис. 1). Емкостное сопротивление Хс конденсатора уменьшается с ростом частоты сигнала: Хс = 1/ωС (ω= 2πF), и напряжение на входе вольтметра зависит только от частоты и напряжения сигнала Uc. Для сигнала с постоянной амплитудой показания вольтметра будут изменяться пропорционально изменению его частоты. Обычно в генераторе для стабилизации амплитуды выходного сигнала всегда принимаются меры и никаких сложностей при определении его частоты не возникает.

Два аналоговых частотомера
Рис. 2

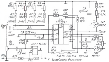
На рис. 2 показана схема простого, чисто аналогового частотомера, не добавляющего никаких помех (гармоник) к сигналу генератора [1]. Его особенность, не всегда оказывающаяся недостатком, - частотно-зависимый входной импеданс, уменьшающийся на высокочастотном поддиапазоне от 20 кОм на 10 кГц до 2 кОм на 100 кГц. Вольтметр выполнен на микросхеме двухканального детектора/выпрямителя К157ДА1. Второй канал использован как вольтметр выходного сигнала в генераторе.

Микросхема DA1 обеспечивает выходное напряжение не менее 10 В, и выбор микроамперметров не представляет сложности. Поэтому на схеме указаны разные типы - те, которые были в продаже. Переменный резистор R1  и микросхема DA2.1 с цепью ООС соответствуют R19 и DA5.1 выходного каскада генератора, показанного на схеме рис. 2 [1]. Его питание - от двуполярного источника напряжения +/-17,5 В.

В самых простых случаях или малых габаритах генератора можно обойтись одним микроамперметром, подключая его с помощью переключателя к нужному выходу для установки частоты или измерения выходного напряжения генератора. Схемы вольтметров одинаковы. Подстроечные резисторы R12 и R13 используют для компенсации начального напряжения на выходе микросхемы и для линеаризации начального участка шкалы прибора.

В микроамперметре требуется замена шкалы, для чего необходимо аккуратно вскрыть его корпус. Саму шкалу очень быстро можно изобразить с помощью программы FrontDesigner 3.0. Эту русифицированную программу используют при оформлении лицевых панелей приборов. Она принадлежит к той же серии, что и популярные Layout (для разводки печатных плат) и SPIan (для вычерчивания схем). Для некоммерческого применения она распространяется бесплатно, и ее легко найти в Интернете. Конечно, по своим возможностям она уступает программе CorelDRAW, но осваивать и работать с ней несоизмеримо легче и быстрее.

Два аналоговых частотомера
Рис. 3

Для частотомера оказалось удобнее иметь шкалу не на 100 делений, а на 110, что заметно облегчает точную настройку генератора на частоту 1 кГц при измерении коэффициента гармоник с помощью милливольтметра [2]. Для примера на рис. 3 показан эскиз лицевой панели со шкалой аналогового частотомера с автоматическим выбором предела измерений.

Но если необходимо использовать аналоговый частотомер в качестве самостоятельного устройства или встроить его, например, в вольтметр, то использовать переключатель для выбора диапазона частот генератора не удастся. И так как не всегда заранее что-то известно об измеряемом сигнале, то желательно иметь автоматический выбор предела измерений. По этому поводу удалось найти только одну статью [3]. Предложенный там частотомер не только сложен по схеме, но и может создавать заметные помехи от импульсных сигналов.

Два аналоговых частотомера
Рис. 4

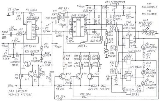
Если в автоматическом переключателе диапазонов использовать RC-делитель, то и здесь можно добиться значительного упрощения и исключить узел с импульсным сигналом. Схема такого частотомера показана на рис. 4. Здесь RC-цепь должна быть рассчитана для работы в более широком диапазоне частот, чтобы уверенно устанавливать границы переключения - "100 Гц", "1 кГц" и "10 кГц". С выхода RC-цепи сигнал через выпрямитель на микросхеме К157ДА1 (DA1) подается на компараторы микросхемы DA3 (LM324N). Пороги срабатывания компараторов устанавливают с помощью подстроечных резисторов R30 (поддиапазон до 100 кГц), R32 (до 10 кГц) и R33 (до 1 кГц). На очень низких частотах или при малых уровнях сигналов все компараторы выключены и светодиоды не светятся. При сигнале частотой ниже 100 Гц и с напряжением более 50...70 мВ зажигается светодиод HL4 красного цвета ("100 Гц"). Напряжение питания - +/-15 В.

Два аналоговых частотомера
Рис. 5

На рис. 5 приведен чертеж печатной платы для аналогового автоматического частотомера. При разводке проводников печатной платы применялась программа Sprint Layout 3.0; многие изготовители печатных плат принимают чертежи в электронном виде в этом формате.

Два аналоговых частотомера
Рис. 6

Внешний вид узла аналогового частотомера показан на фото рис. 6.

Изготовленный прибор налаживают следующим образом. Перед настройкой лучше отпаять один из проводов от микроамперметра РА1, чтобы случайно не вывести его из строя. Подстроечный резистор R28 нужно установить в положение максимального сопротивления.

При регулировке используется сигнал с генератора напряжением 1 В. На частоте 100 кГц подстроечным резистором R12 выставляют напряжение 8 В на выходе 10 детектора DA2. Затем на частоте 10 кГц точно устанавливают порог срабатывания компаратора DA3.1 резистором R30, чтобы погас светодиод HL2 и зажегся HL1("100 кГц"). Тип светодиодов не имеет значения. Целесообразно на самом низкочастотном диапазоне ("100 Гц") поставить светодиод HL4 красного цвета, на частоте до 1 кГц (HL3) - желтого, на частоте до 10 кГц (HL2) - зеленого. Для поддиапазона самых высоких частот (до 100 кГц) можно установить светодиод HL1 синего цвета.

С выхода компаратора DA3.1 сигнал управления подается на электронный ключ VT3, который подключает соответствующие поддиапазону резисторы в RC-делителе (C11R13R14). Затем на частотах 1 кГц и 100 Гц выставляют пороги срабатывания компараторов DA3.2 (резистором R32) и DA3.3 (R33). Компаратор DA3.4 выключает светодиод HL4 при очень низких уровнях входного сигнала, как это сделано и в промышленном ИНИ С6-11. Порог его срабатывания можно установить подбором резистора R34. В качестве электронных ключей вполне удовлетворительно работают КТ3102Г, но можно использовать и другие кремниевые транзисторы.

На самом низкочастотном поддиапазоне, когда все электронные ключи разомкнуты, сопротивление в RC-делителе определяется резисторами R22, R23. На частоте 90 Гц подстроечным резистором R23 устанавливают напряжение на выводе 12 микросхемы DA2 равным 2,5 В. При срабатывании компаратора DA3.3 электронный ключ VT5 подключает параллельно резисторам R22, R23 дополнительную цепь из R20, R21. Затем на частоте 900 Гц выставляют такое же напряжение, как и на 90 Гц, подстроечным резистором R21. На следующем поддиапазоне (до 10 кГц) подстроечным резистором R17 добиваются того же напряжения при частоте 9 кГц и, наконец, такую же регулировку проводят резистором R14 на частоте 90 кГц. Частоты регулирования выбраны ниже максимальных, чтобы не возникало автоматическое переключение диапазонов.

Затем подключают измерительную головку и при сигнале частотой 500 Гц подстроечным резистором R28 точно устанавливают   показания    прибора. Проверяют их соответствие на частоте 200 Гц и при необходимости проводят коррекцию подстроечным резистором R18. Далее нужно провести проверку точности шкалы во всех диапазонах.

На вход частотомера "А" (на конденсаторы С10 и С11) необходимо подавать сигнал с постоянным напряжением, так как изменение напряжения на входе частотомера вносит пропорциональную ошибку в его показания. Без автоматической регулировки усиления здесь обойтись не удастся. В вольтметре [2] уже есть очень неплохой авторегулятор (АРУР) для автоматической калибровки измерителя нелинейных искажений, в других случаях необходимо устанавливать на входе инерционный АРУР. Нет необходимости добиваться очень малых искажений, вносимых авторегулятором, или определенных динамических характеристик [4], но характеристика стабилизации уровня должна быть во всем диапазоне измеряемых напряжений горизонтальной.

В показанной на рис. 4 схеме низкочастотного частотомера (до 100 кГц) простой авторегулятор на входе обеспечивает достаточную для радиолюбительской практики точность показаний параметра при напряжении сигнала в интервале значений 0,1...10 В.
Вносимые авторегулятором искажения не позволяют использовать его в аппаратуре записи и воспроизведения музыки, но он успешно справляется с задачей АРУ в подобных измерительных устройствах. Чтобы не занижались показания на высоких частотах (50...100 кГц), в АРУР пришлось применить более высокочастотный ОУ К544УД2А (DA1). Подстроечным резистором R2 устанавливают порог стабилизации уровня, добиваясь выходного напряжения около 1 В при входном напряжении 0,1... 10 В. Отклонение от этого значения и будет в основном определять погрешность измерений.

Очень удобно налаживать подобные приборы с помощью цифровых осциллографов, достоинства которых известны. Раньше радиолюбителей отпугивали высокие цены, но теперь в продаже появились   относительно   недорогие цифровые запоминающие осциллографы. Так, двухканальный осциллограф PDS 5022S (до 20 МГц) фирмы Owon с большим цветным дисплеем (7,8  дюйма)   или   похожий   на  него ' осциллограф АСК-2525 стоят дешевле известного   одноканального   С1-94. Конечно, и эти упомянутые приборы не всем доступны, но с помощью такого осциллографа настройка некоторых приборов,   например   частотомера, превращается  в удовольствие, тем более что сразу видно отсчет и частоты, и амплитуды сигнала. Четыре осциллограммы   можно   сохранить   и вызывать при необходимости на монитор или записать на компьютер.

Литература

1.  Кузнецов Э. Низкочастотный измерительный генератор с аналоговым частотомером. - Радио, 2008, № 1, с. 19-21.
2.  Кузнецов Э.  Вольтметр  -  ИНИ  с
автоматическим выбором предела измерений. - Радио, 2008, № 5, с. 19-22, № 6, с. 19-21.
3.  Гриев Ю. Аналоговый частотомер с автоматическим выбором предела измерений.: Сб. "В помощь радиолюбителю", вып. 108, с. 40-51. - М.: Патриот, 1990.
4.  Кузнецов Э. Автоматические регуляторы уровня звуковых сигналов. - Радио, 1998, №9, с. 16-19.

Автор: Э. Кузнецов, г. Москва; Публикация: radioradar.net

Смотрите другие статьи раздела Измерительная техника.

Читайте и пишите полезные комментарии к этой статье.

<< Назад

Последние новости науки и техники, новинки электроники:

Власть является ключевым фактором счастья в отношениях 11.03.2026

Исследования семейных и романтических отношений показывают, что длительное счастье пары зависит не только от привычных факторов, таких как доверие, уважение и преданность, но и от более тонких психологических аспектов. Современные ученые ищут закономерности, которые отличают действительно счастливые пары от остальных, чтобы понять, какие механизмы поддерживают гармонию в отношениях. Группа исследователей из Университета Мартина Лютера в Галле-Виттенберге и Бамбергского университета провела опрос среди 181 пары, которые состояли в совместных отношениях более восьми лет и прожили вместе хотя бы месяц. Участники заполняли анкету, описывая различные аспекты своих отношений, включая распределение обязанностей, эмоциональную поддержку и степень вовлеченности в совместные решения. Анализ данных показал интересный паттерн: пары, где оба партнера ощущали высокий уровень личной власти, оказывались наиболее счастливыми и удовлетворенными. В данном контексте под властью понимается способност ...>>

Защищенная колонка-повербанк Anker Soundcore Boom Go 3i 11.03.2026

Компания Anker представила новую модель линейки Soundcore - колонку Soundcore Boom Go 3i, ориентированную на активное использование на улице. Новинка отличается высокой степенью защиты: корпус соответствует стандарту IP68, что обеспечивает водо- и пыленепроницаемость, а ударопрочный дизайн выдерживает падение с высоты до одного метра. За качество звука отвечает 15-ваттный драйвер, обеспечивающий пик громкости до 92 дБ, а технология BassUp 2.0 усиливает низкие частоты, делая звучание более насыщенным. Колонка обладает автономностью до 24 часов, а LED-индикатор позволяет контролировать уровень заряда батареи. Кроме того, Soundcore Boom Go 3i может выполнять функцию павербанка: согласно внутренним тестам, устройство способно зарядить iPhone 17 с нуля до 40% за один час, что делает его полезным аксессуаром в походах и поездках. Среди функциональных особенностей модели стоит выделить технологию Auracast, которая улучшает подключение и позволяет создавать стереопару из двух колонок ...>>

Раннее воздержание от алкоголя перестраивает мозг и иммунитет 10.03.2026

Алкогольная зависимость - хроническое расстройство с компульсивным употреблением спиртного, которое влияет не только на поведение, но и на функционирование мозга и иммунной системы. Недавние исследования показали, что даже на ранних этапах воздержания организм начинает перестраиваться, открывая новые возможности для терапии зависимости. Ученые сосредоточились на пациентах, находящихся в первые недели абстиненции, и зафиксировали значительные изменения в мозговой активности. С помощью функциональной магнитно-резонансной томографии они выявили перестройку сетей нейронных связей, отвечающих за контроль импульсов и принятие решений. Эти изменения могут быть ключевыми для восстановления самоконтроля и снижения риска рецидива. Одновременно с нейронной перестройкой исследователи наблюдали колебания иммунной системы. В крови повышался уровень цитокинов - сигнальных белков, регулирующих воспалительные процессы. Эти данные свидетельствуют о существовании нейроиммунного взаимодействия, при ...>>

Случайная новость из Архива

Антибиотики способствуют ожирению 06.09.2012

Возможно, эпидемия ожирения во всем мире обусловлена не только жирной пищей и малоподвижным образом жизни. Судя по всему, одной из причин является употребление большого количества антибиотиков, нарушающих баланс микрофлоры кишечника. На сегодняшний день этот сценарий является только гипотезой, убедительные подтверждения которой получены в ходе двух недавних исследований.

В последнее время микробиом - совокупность бактерий, вирусов и грибков, населяющих организм человека, - привлекает все большее внимание со стороны ученых. Это и неудивительно, так как численность микробиома в 10 раз превышает количество клеток, составляющих организм человека. Многочисленные исследования выявили существование выраженных взаимосвязей между нарушениями микробиома и повышением риска развития целого ряда заболеваний, начиная от рака и аутизма и заканчивая болезнями сердца и ожирением.

Исследователи из университета Нью-Йорка решили выяснить, не является ли повальное увеличение массы тела выращиваемого промышленным образом скота результатом изменений микробиома. Дело в том, что одной из важнейших функций микробиома является участие в расщеплении питательных веществ и регуляция метаболизма. В настоящее время фермеры дают животным антибиотики не только для профилактики инфекционных заболеваний, но и из-за того, что по какой-то причине регулярные малые дозы антибактериальных препаратов ускоряют рост и увеличение массы тела животных.

Эксперименты показали, что добавление в корм мышей низких доз разных типов антибиотиков неизменно приводило к увеличению жировых отложений на 15%. Изучение микробиома животных выявило изменения соотношения между разными типами бактерий, населяющих желудочно-кишечный тракт. В то же время, анализ генетического профиля мышей продемонстрировал изменение активности генов, отвечающих за расщепление углеводов и регулирование уровня холестерина в крови.

Ученые предположили, что в организме людей могут происходить аналогичные изменения, которые, однако, сложно отследить на уровне микробиома кишечника. Для получения подтверждения этой гипотезы в рамках второго исследования авторы проанализировали популяционные тенденции в группе из 11 000 британских детей. Оказалось, что для детей, подвергшихся воздействию антибиотиков в возрасте младше 6 месяцев, было характерно небольшое, но стабильное увеличение средней массы тела в старшем возрасте. Судя по всему, принимаемые в раннем возрасте антибиотики нарушали формирование микробиома и становление обмена веществ.

В настоящее время исследователи проводят новые серии экспериментов, в рамках которых мыши будут получать более высокие дозы антибиотиков в течение коротких промежутков времени, что соответствует курсам лечения, принимаемым людьми в действительности. Они также планируют изучить влияние очень малых доз антибактериальных препаратов, соответствующих попадающим в организм человека при употреблении в пищу производимых промышленным способом мяса и молочных продуктов. Еще одним требующим изучения вопросом является возможность передачи изменений микробиома следующим поколениям. Вполне возможно, в данном случае эффект антибиотиков является кумулятивным.

Другие интересные новости:

▪ Нейроны в глазу человека умеют корректировать ошибки

▪ На траве дрова

▪ Кора головного мозга есть и у птиц

▪ Портативный суперкомпьютер для беспилотных авто

▪ Новое поколение роботов

Лента новостей науки и техники, новинок электроники

 

Интересные материалы Бесплатной технической библиотеки:

▪ раздел сайта Блоки питания. Подборка статей

▪ статья Ай, Моська! знать она сильна... Крылатое выражение

▪ статья Могут ли некоторые рыбы жить без воды? Подробный ответ

▪ статья Диспетчер. Типовая инструкция по охране труда

▪ статья Зарядное устройство автомобильных аккумуляторов. Энциклопедия радиоэлектроники и электротехники

▪ статья УКВ ЧМ приемник на одном транзисторе. Энциклопедия радиоэлектроники и электротехники

Оставьте свой комментарий к этой статье:

Имя:


E-mail (не обязательно):


Комментарий:




Комментарии к статье:

Михаил
Очень полезая статья. Что очень ценно, есть подробное описание.


Главная страница | Библиотека | Статьи | Карта сайта | Отзывы о сайте

www.diagram.com.ua

www.diagram.com.ua
2000-2026