Menu Home

Бесплатная техническая библиотека для любителей и профессионалов Бесплатная техническая библиотека


Сигнализатор открытой дверцы холодильника 10-15 секунд. Энциклопедия радиоэлектроники и электротехники

Бесплатная техническая библиотека

Энциклопедия радиоэлектроники и электротехники / Дом, приусадебное хозяйство, хобби

Комментарии к статье Комментарии к статье

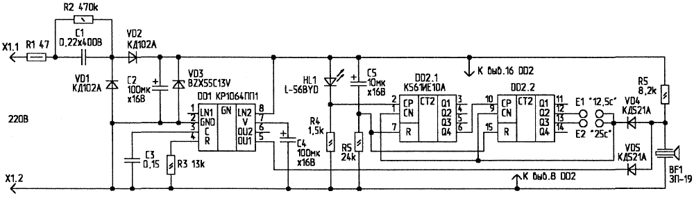
Для нормальной работы холодильника следует держать его дверцы открытыми как можно меньше. Поэтому во многих современных холодильниках устанавливается устройство индикации открытой дверцы, которое, если холодильник открыт более 10...15 с, начинает подавать звуковой сигнал. В холодильниках, изготовленных раньше, как правило, такого устройства нет. О конструкции "электронного дворецкого", которое звуковым прерывистым сигналом напоминает о необходимости закрыть холодильник, рассказывается в этой статье. Схема устройства звуковой индикации приведена на рис. 1.

Работает устройство так. При открывании дверцы холодильника замыкаются контакты кнопки, подающей переменное напряжение 220 В на лампу освещения. К этим же контактам подключается и "электронный дворецкий". В нем применен бестрансформаторный источник питания с емкостным балластом С1. Пониженное переменное напряжение выпрямляется диодами VD1 и VD2. Конденсатор С2 устраняет пульсации, а стабилитрон VD3 защищает электронные компоненты схемы от скачков напряжения, а также стабилизирует напряжение на уровне 13 В. Бестрансформаторный источник питания для таких устройств предпочтительнее, так как он не боится коротких замыканий. При коротких замыканиях ток в нагрузке ограничивается относительно небольшим значением, так что опасность самовозгорания сводится к минимуму. Пожарная безопасность для круглосуточно работающего без надзора устройства является самым главным требованием. Да и габариты источника питания с гасящим конденсатором значительно меньше, чем у трансформаторного.

Сигнализатор открытой дверцы холодильника 10-15 секунд
Рис. 1. Принципиальная схема звуковой индикации (нажмите для увеличения)

Напряжение питания 13 В подается на микросхемы DD1 и DD2. В качестве DD1 используется КР1064ПП1. Это микросхема тонального вызова для телефонных аппаратов, которая может работать непосредственно на пьезокерамический излучатель. Напряжение включения ИМС находится в пределах 12,1... 13,1 В, напряжение выключения - 7,9...8,9 В. При подаче напряжения на DD1 она вырабатывает две тональные частоты - F1 и F2 - с частотой переключения F3. Тональные частоты и частота переключения задаются внешними элементами - R3 и C3. Конденсатор C3 устанавливает значение F3, резистор R3 (8,2.. .56 кОм) определяет тон звуковой частоты. Изменение номиналов C3 и R3 в широких пределах позволяет получить на выходе сигнал, близкий по звучанию к сирене.

Частоты можно вычислить по формулам:

F1=32200/R3; F2=0,72*F1; F3=1000/C3

Величина R3 - в килоомах, C3 - нанофарадах. Тогда F - в герцах.

Звуковой сигнал, который вырабатывает DD1, подается на пьезоэлектрический излучатель через диод VD5. Диоды VD4, VD5 и резистор R5 образуют логический элемент И. Таким образом, звуковой сигнал передается на BF1 при условии, что на катод диода VD4 подана логическая 1. Микросхема DD2 содержит два 4-разрядных двоичных счетчика. Установка триггеров счетчиков в исходное (нулевое) состояние происходит при подаче на вход R логической 1. Счет происходит по спаду импульсов положительной полярности на входе СР при "0" на входе CN. Для увеличения коэффициента деления два счетчика соединяются последовательно.

В момент появления питания, цепочкой R5-C5 вырабатывается импульс сброса, который сбрасывает счетчик в нулевое состояние. Логический "0" с вывода 12 или 13 DD2 подается на VD4, запрещая прохождение звукового сигнала на пьезокерамический излучатель BF1. Этот же "0" подается на входы CN (выводы 1 и 9 DD2), разрешая счетчику счет импульсов, приходящих с генератора на вход СР (вывод 2) DD2.1. В качестве генератора импульсов используется мигающий светодиод HL1. Частота миганий HL1 - приблизительно 2,5 Гц. Поэтому "1" на выводе 12 DD2 появляется через 12,5 с, если впаяна перемычка Е1, или на выводе13 через 25 с, если установлена Е2. Этот сигнал запрещает счет и разрешает прохождение звукового сигнала с микросхемы DD1 на BF1. Таким образом, сигнал сирены зазвучит через 12,5 или 25 с после открывания дверцы и будет звучать до тех пор, пока холодильник не закроют.

Резисторы для конструкции можно взять любые соответствующей мощности - МЛТ, С2-23. Конденсатор С1 - К73-17 на напряжение не менее 400 В, C3 - К10-17, оксидные конденсаторы - К50-35 или импортные аналоги. Стабилитрон VD3 подойдет любой на напряжение стабилизации от 13 до 15 В - BXZ55C14V, КС215А, КС515А. Диоды VD1 и VD2 можно заменить одной диодной сборкой КДС111В. Диоды VD4, VD5 - любые из серий КД521, КД522, КД102, КД103. Мигающий светодиод подойдет любой, например, L-816DRSRSC-B, L-56BYD, L-795BGD. Аналоги микросхемы КР1064ПП1 производят разные фирмы, как в России, так и за рубежом: КР1085ПП1, КР1091ГП1, IL2418N, КА2418, GL6840A, L3240. В микросхемах КА2418 и IL2418N отсутствует инверсный выход напряжения звуковой частоты (вывод 6). На этот вывод выведен дополнительный сигнал регулировки уровня напряжения включения. Данную регулировку в схеме можно не использовать. При ее наличии есть возможность снизить напряжение включения ИМС до 8...9 В, включив резистор (порядка 1 кОм) с вывода 6 на вывод 7.

При применении микросхем КА2418 или IL2418N и снижении напряжения включения, необходимо уменьшить напряжения питания всего устройства с 13 до 9...10 В. Для этого надо установить стабилитрон VD3, рассчитанный на напряжение стабилизации 9...10В. Микросхема счетчика К561ИЕ10 заменяется на КР1561ИЕ10 или его импортный аналог CD4520. В качестве пьезокерамического излучателя BF1 можно применить ЗП-1, ЗП-5, ЗП-22. Температурный режим эксплуатации всех этих излучателей - от -30 до +60°С, уровень звукового давления на расстоянии 1м - не менее 75 дБ, резонансная частота - от 1,8 до 3 кГц. Внешний вид устройства показан на рис. 2.

Сигнализатор открытой дверцы холодильника 10-15 секунд
Рис. 2.

Габариты печатной платы и ее крепеж зависят от конструкции модернизируемого холодильника.

Для холодильника STINOL-110 печатная плата имеет размеры 32x51 мм. Как видно из рисунка, плата имеет по краям два "усика". С помощью этих "усов" устройство устанавливается в плафоне лампы внутреннего освещения без дополнительного крепежа, как показано на рис. 3, и подключается параллельно лампе освещения холодильника.

Сигнализатор открытой дверцы холодильника 10-15 секунд
Рис. 3.

Устройство работает в тяжелых климатических условиях: холод, иней, повышенная влажность, поэтому плату устройства, исключая пьезоэлектрический излучатель, желательно покрыть несколькими слоями цапонлака.

Автор: А.Павлов, г.С.-Петербург, pavlov@lmail.loniis.ru; Публикация: cxem.net

Смотрите другие статьи раздела Дом, приусадебное хозяйство, хобби.

Читайте и пишите полезные комментарии к этой статье.

<< Назад

Последние новости науки и техники, новинки электроники:

Польза белкового завтрака 14.01.2026

Правильное питание по утрам играет ключевую роль в поддержании здоровья и контроле веса. Многочисленные исследования подтверждают, что состав завтрака может влиять на аппетит в течение всего дня и качество употребляемой пищи. Австралийские ученые провели масштабный эксперимент, который показал, что употребление белковой пищи с утра помогает дольше чувствовать сытость и предотвращает переедание. В исследовании участвовали более 9 тысяч человек среднего возраста 46 лет. В период с 2011 по 2012 год специалисты анализировали рационы респондентов, оценивая долю основных макронутриентов. В среднем участники потребляли 43% углеводов, 31% жиров, 18% белков, 2% клетчатки и 4% алкоголя. Такой рацион позволил ученым проследить взаимосвязь между утренним приемом пищи и пищевым поведением в течение дня. Выяснилось, что участники, чей завтрак содержал недостаточное количество белка, ощущали повышенный аппетит в течение дня. Они ели больше, чем необходимо, и часто выбирали продукты с высоким со ...>>

Технология SmartPower HDR 14.01.2026

Ноутбуки стремительно развиваются в плане графики и мультимедийных возможностей, но яркие дисплеи с высоким динамическим диапазоном (HDR) часто становятся серьезной нагрузкой для аккумуляторов. Длительная работа с видео высокого качества или играми в HDR приводит к быстрой разрядке батареи, что ограничивает мобильность пользователей и снижает комфорт работы. Решить эту проблему призвана новая технология SmartPower HDR, разработанная совместно компаниями Samsung Display и Intel. Суть технологии заключается в динамическом управлении напряжением OLED-панелей. Чипсет ноутбука в реальном времени анализирует пиковую яркость каждого кадра и передает эти данные контроллеру дисплея, который оптимизирует подачу напряжения в зависимости от количества активных пикселей. В отличие от традиционных режимов HDR, где яркость часто фиксируется на максимальном уровне, SmartPower HDR адаптируется к конкретному контенту, что снижает энергопотребление без потери качества изображения. Технология позвол ...>>

Недосып существенно сокращает жизнь 13.01.2026

Сон является одной из самых фундаментальных потребностей человека. Он влияет на обмен веществ, работу сердца и мозга, иммунитет и общее самочувствие. Современный ритм жизни часто заставляет людей жертвовать сном ради работы, учебы или развлечений, но ученые предупреждают: регулярный недосып может иметь далеко идущие последствия для здоровья и долголетия. Исследователи из Орегонского университета здравоохранения и науки пришли к выводу, что сон менее семи часов в сутки связан с сокращением продолжительности жизни. По данным специалистов, хроническая нехватка сна не только вызывает усталость и снижение работоспособности, но и постепенно сказывается на здоровье органов и систем, увеличивая риски развития различных заболеваний. Для анализа ученые использовали обширную национальную базу данных США, сопоставляя показатели ожидаемой продолжительности жизни на уровне штатов с результатами опросов Центров контроля и профилактики заболеваний за период с 2019 по 2025 годы. Они учитывали мно ...>>

Случайная новость из Архива

Искусственный интеллект получил нос 01.03.2017

Ученые давно спорят о том, как именно рецепторы человеческого организма позволяют нам воспринимать широкий спектр запахов и давать им те или иные описания. В попытках решить эту проблему, командам инженеров со всего мира было предложено создать ИИ, который смог бы воспринимать запахи не хуже человека.

Предсказать цвет не так уж сложно: к примеру, если световая волна достигает длины 510 нм, то большинство людей скажут, что она зеленая. Но вот выяснить, как пахнет конкретная молекула, намного сложнее. 22 команды ученых создали набор алгоритмов, способных предсказать запахи различных молекул в зависимости от их химической структуры. Еще предстоит выяснить весь спектр практического применения программы, но разработчики надеются, что в первую очередь она поможет парфюмерам, фармацевтам и сотрудникам пищевой сферы разрабатывать новые, уникальные сочетания запахов.

Работа началась с недавнего исследования, проведенного Лесли Воссхаллом и его коллегами из Рокфеллеровского университета в Нью-Йорке, в котором 49 добровольцев должны были угадать запах 467 пахучих веществ. Для каждого из них была разработана система сравнения из 19 базовых паттернов: испытуемые говорили, похож ли запах на рыбу или чеснок, оценивали интенсивность и индивидуальную приятность аромата. В итоге был создан каталог, насчитывающий более чем миллион ячеек, характеризующих те или иные пахучие молекулы.

Когда об этом узнал вычислительный биолог Пабло Мейер, то сразу увидел в исследовании возможность проверить, сможет ли компьютерная система предсказать то, как люди будут оценивать запахи. Несмотря на то, что исследователи обнаружили около 400 рецепторов запаха в организме человека, для ученых остается загадкой то, как именно они работают сообща так, чтобы человек мог различать даже легкие оттенки запахов.

В 2015 году Мейер и его коллеги запустили DREAM Olfaction Prediction Challenge. Участники состязания получили в свое распоряжение те самые рейтинговые таблицы волонтеров, описывающие запахи, вместе с химической структурой молекул, которые их производят. Помимо этого, участником предоставили базу из 4800 описаний для каждой отдельной молекулы - ее атомы, их взаимное расположение, общую геометрию, что в итоге составило порядка 2 миллионов дата-точек. В итоге данные должны быть использованы для обучения компьютерных программ распознаванию запахов на основе структурной информации.

В конкурсе приняло участие 22 команды со всего мира, и, хотя хорошо поработали многие, две команды стоит выделить особо. Команда штата Мичиган, во главе с Йан Фан Гуаном, лучше всех смогла составить алгоритм прогнозирования запахов отдельных вещей. Другая команда из Аризонского университета, во главе с Ричардом Геркином, лучше всех смогла обучить программу средней оценке запахов среди всей выборки. Об этом Мейер сообщает в статье, опубликованной в журнале Science.

Конечно, многие ученые скептически относятся к разработкам, говоря о том, что проделанный труд хоть и вносит существенный вклад в науку, но все же является довольно примитивной подборкой, и 19 описательных элементов для всего спектра запахов в природе - это явно очень и очень мало.

Альтернативные исследования с добровольцами использовали от 80 и больше подобных критериев, позволяющих на словах оценить различные запахи. Неясно, сможет ли существующий алгоритм корректно прогнозировать оценку запахов, если ему придется столкнуться с таким массивом информации. Так что, на сегодняшний день восприятие запахов остается загадкой как для медиков, так и для инженеров.

Другие интересные новости:

▪ Электрические скороходы

▪ Конкурс машин-роботов

▪ Моноблочный компьютер Shuttle X50V5

▪ Tesla создаст свой беспилотник

▪ Наноспагетти для здоровья и долголетия

Лента новостей науки и техники, новинок электроники

 

Интересные материалы Бесплатной технической библиотеки:

▪ раздел сайта Личный транспорт: наземный, водный, воздушный. Подборка статей

▪ статья Экономная автомойка. Советы домашнему мастеру

▪ статья Каково нормальное состояние стекла? Подробный ответ

▪ статья Автомобиль Козлик. Личный транспорт

▪ статья Простой программатор микроконтроллеров. Энциклопедия радиоэлектроники и электротехники

▪ статья Бутылка на стене. Секрет фокуса

Оставьте свой комментарий к этой статье:

Имя:


E-mail (не обязательно):


Комментарий:





Главная страница | Библиотека | Статьи | Карта сайта | Отзывы о сайте

www.diagram.com.ua

www.diagram.com.ua
2000-2026