Бесплатная техническая библиотека
Велосипедный музыкальный звонок на микросхеме УМС-7-08. Энциклопедия радиоэлектроники и электротехники

Энциклопедия радиоэлектроники и электротехники / Звонки и аудио-имитаторы
Комментарии к статье
Качество современных пластмассовых велосипедных звонков, мягко говоря, оставляет желать лучшего. Я предлагаю заменить штатный звонок велосипеда простым музыкальным звонком. Если это велосипед детский, то звонок вызовет у ребенка бурю восторга. Этот звонок можно применить и как квартирный звонок с регулируемой громкостью звучания. Особенно если учесть, что перебор мелодий в этом звонке происходит хаотически и, поэтому не будет раздражать хозяина.
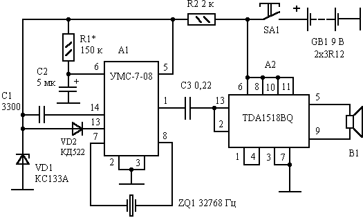
На рис. 1 показана принципиальная схема звонка.
Рис. 1
Звонок собран на двух микросхемах. Микросхема А1 - это специализированная микросхема для построения музыкальных автоматов. В памяти микросхемы "зашит" набор мелодий, который можно воспроизводить в определенной последовательности. В микросхеме УМС7-08 таких мелодий три, а в микросхеме УМС8-08 их уже восемь. Отличие включения микросхемы от стандартного [1] состоит в том, что выбор мелодии происходит хаотически. Это достигнуто подключением интегрирующей цепочки на резисторе R1 и конденсаторе С2 к выводу 6 выбора мелодии. При включении напряжения питания конденсатор С2 медленно заряжается. В это время идет перебор первых нот всех мелодий.
В момент заряда конденсатора С2 начинает проигрываться мелодия, первая нота которой совпала по времени с этим моментом. Таким образом, при подаче напряжения питания выключателем SA1 может включиться любая мелодия. Для последовательного перебора всех мелодий, записанных на микросхеме, необходимо подобрать резистор R1. Если увеличить емкость конденсатора С2 до 50-100 микрофарад, то при кратковременном нажатии кнопки SA1, мелодия звучать не будет, а будут воспроизводиться первые ноты всех мелодий. Поскольку каждая нота воспроизводится со своей длительностью и тактом, то получается интересная "какофония".
Мелодия будет звучать до тех пор, пока нажата кнопка SA1. Если кнопка нажата больше, чем длится мелодия, то она повторяется. Микросхема А2 - это усилитель мощности до 30 Ватт на микросхеме TDA1518BQ. Эта микросхема выбрана из-за своей распространенности и относительной дешевизны. Она может быть заменена без переделки печатной платы микросхемой TDA1516BQ. Желательно на микросхему установить небольшой радиатор из алюминиевой пластинки. Заявленная в справочных материалах работа микросхем от 6 вольт оказалась фиктивной, возможно из-за таиландского изготовления. Фактически микросхема начинала работать при напряжении 7,2 вольта. Динамик В1 может быть любым до 4 Ватт. Но необходимо помнить, что и потребляемый ток будет различным. При использовании 8-омного динамика (Sistek sound master 1 w min 2 w max) максимальный потребляемый ток составлял 0,5 А.
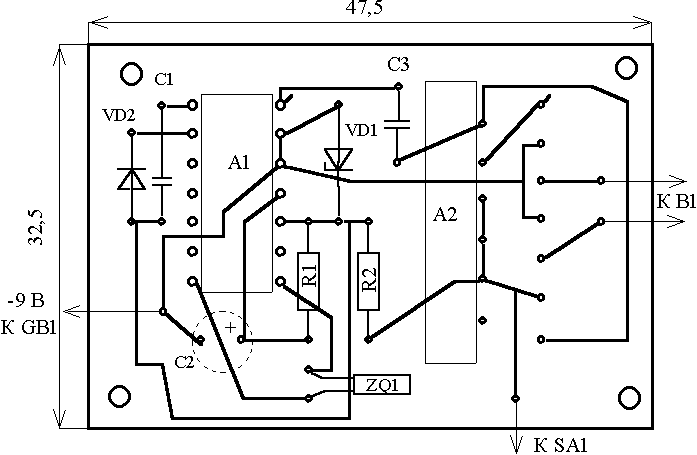
Поскольку каждая нота имеет свою частоту, то и потребляемый ток будет различным при звучании каждой ноты. В паузах потребляемый ток составлял около 50 мА. Для регулирования громкости звучания необходимо перед усилителем мощности поставить резистор номиналом 10 килоом одним концом на землю, а вторым на конденсатор С3. С движка резистора через конденсатор емкостью 0,22 микрофарада сигнал подается на усилитель. Питание велосипедного звонка лучше сделать от двух плоских батарей типа 3R12х. Питание квартирного звонка лучше сделать от стационарного блока питания. Печатная плата из одностороннего стеклотекстолита показана на рисунке 2.

Велосипедный звонок удобно разместить в скорлупе кокосового ореха. Для этого примерно одну треть ореха необходимо разрезать на отрезном круге. К срезу большей части скорлупы на винтах М2,5-3 прикручивается пластмассовая пластина с динамиком. Внутри ореха хомутами крепятся батареи. К рулю велосипеда звонок крепится как фара при помощи стальных полос.
Публикация: cxem.net
Смотрите другие статьи раздела Звонки и аудио-имитаторы.
Читайте и пишите полезные комментарии к этой статье.
<< Назад
Последние новости науки и техники, новинки электроники:
Хорошо управляемые луга могут компенсировать выбросы от скота
15.02.2026
Животноводство, особенно разведение крупного рогатого скота, часто обвиняют в значительном вкладе в глобальное потепление из-за мощного парникового газа - метана, который выделяется при пищеварении у жвачных животных. Это вызывает острые политические споры и призывы к сокращению потребления мяса. Однако ученые напоминают, что полная картина климатического воздействия отрасли не ограничивается только выбросами от животных: огромную роль играет окружающая экосистема - пастбища, почва и растительность, которые способны активно поглощать углекислый газ из атмосферы.
Исследователи из Университета Небраски-Линкольна решили глубже изучить этот баланс. Группа под руководством профессора Галена Эриксона сосредоточилась на том, как правильно организованные пастбища накапливают углерод в растениях и грунте благодаря естественным процессам, стимулируемым выпасом скота. Ученые подчеркивают, что при достаточном уровне осадков и грамотном управлении такие луга превращаются в мощные природные погло ...>>
NASA тестирует инновационную технологию крыла
15.02.2026
Коммерческая авиация ежегодно расходует колоссальные объемы керосина, что сказывается не только на бюджете авиакомпаний, но и на состоянии окружающей среды. В 2024 году глобальные затраты на авиационное топливо достигли 291 миллиарда долларов, и эта сумма продолжает расти. Чтобы справиться с этими вызовами, NASA активно работает над технологиями, способными заметно повысить аэродинамическую эффективность самолетов. Одним из самых перспективных направлений стало создание специальной конструкции крыла, которая максимизирует естественный ламинарный поток воздуха и минимизирует сопротивление.
В январе 2026 года специалисты NASA Armstrong Flight Research Center успешно провели важный этап наземных испытаний концепции Crossflow Attenuated Natural Laminar Flow (CATNLF). Для эксперимента под фюзеляж исследовательского самолета F-15B закрепили вертикально ориентированную масштабную модель высотой около 0,9 м (3 фута), напоминающую узкий киль. Такая компоновка позволила подвергнуть прототип р ...>>
Забота о внуках очень полезна для здоровья мозга
14.02.2026
Общение между поколениями приносит радость всей семье, но мало кто задумывается, насколько активно бабушки и дедушки, заботящиеся о внуках, поддерживают свою умственную форму. Регулярное взаимодействие с детьми стимулирует мозг пожилых людей, помогая сохранять память, скорость мышления и общую когнитивную активность.
Новые научные данные подтверждают, что такая добровольная помощь не только важна для общества, но и может замедлять возрастные изменения в мозге.
Исследователи из Тилбургского университета в Нидерландах провели анализ, чтобы понять, приносит ли уход за внуками реальную пользу здоровью пожилых людей. Ведущий автор работы Флавия Черечес отметила, что многие бабушки и дедушки регулярно присматривают за детьми, и оставался открытым вопрос, насколько это положительно сказывается на их собственном благополучии, особенно в плане когнитивных функций.
Ученые поставили цель выяснить, способен ли регулярный уход за внуками замедлить снижение памяти и других умственных способ ...>>
Случайная новость из Архива Одномерный газ создан из света
18.09.2024
Современная наука активно исследует необычные состояния материи, которые открывают двери к глубокому пониманию квантовых эффектов. Одной из таких областей исследований стало изучение поведения света в различных измерениях, что ведет к пониманию новых свойств материи и к возможному применению этих знаний в передовых технологиях. Немецкие ученые сделали значимый шаг в этом направлении, проведя эксперимент, который позволил создать одномерный фотонный газ. Этот успех позволяет приблизиться к пониманию фундаментальных особенностей квантовых систем.
Исследователи из Университета Бонна совместно с коллегами из Университета Кайзерслаутерн-Ландау смогли экспериментально подтвердить существование одномерного фотонного газа - экзотического состояния света. Они использовали специальную установку, в которой фотоны, взаимодействуя с молекулами красителя, охлаждались и образовывали так называемый вырожденный квантовый газ. Этот процесс стал возможен благодаря созданию особого контейнера, где происходила конденсация фотонов.
Для достижения одномерного состояния ученые модифицировали экспериментальный контейнер. Они добавили микроскопические полимерные выступы, которые ограничивали движение фотонов в одном или двух измерениях. В результате сформировалась уникальная "одномерная" структура, которая позволила исследователям наблюдать за тем, как фазовые переходы в таком фотонном газе становятся менее четкими. Это открытие дало возможность глубже изучить поведение фотонов в необычных условиях.
Одной из ключевых особенностей одномерного фотонного газа является отсутствие явной точки конденсации, что отличает его от систем с двумя и более измерениями. Такой результат представляет особую ценность для изучения квантовых фазовых переходов, поскольку даже малейшие изменения параметров системы могут оказать значительное влияние на ее поведение. Это открывает перспективы для более тонкого контроля и понимания квантовых процессов.
Данные эксперименты имеют важное значение не только для фундаментальной науки, но и для практических приложений. Возможность управления фотонными системами в одномерном пространстве может стать основой для разработки новых квантовых технологий. Например, такие исследования могут способствовать созданию высокочувствительных датчиков или более эффективных средств передачи данных в квантовых вычислительных системах.
Примечательно, что прогресс в этой области также подтверждается успехами других научных групп. Например, израильские ученые недавно объявили о создании новой гибридной антенны с высокой направленностью фотонов. Это достижение может стать важным шагом на пути к созданию мощных квантовых компьютеров и более защищенных криптографических систем.
Исследования в области одномерного фотонного газа дают уникальную возможность заглянуть в мир квантовых явлений, которые до сих пор оставались загадкой для науки. В будущем эти работы могут привести к революционным открытиям как в теоретической физике, так и в практической реализации квантовых технологий. Успехи немецких и израильских ученых свидетельствуют о том, что мы стоим на пороге новых открытий в квантовой физике, которые изменят нашу повседневную жизнь.
|
Другие интересные новости:
▪ Электромобиль Volkswagen e-Golf
▪ 6 зондов отправятся искать жизнь на Марсе
▪ Технология на кончике золотого волоска
▪ Жесткие диски ADATA HD700 и HV620S
▪ Океанские тепловые волны угрожают морской жизни
Лента новостей науки и техники, новинок электроники
Интересные материалы Бесплатной технической библиотеки:
▪ раздел сайта Мобильная связь. Подборка статей
▪ статья Принимать за чистую монету. Крылатое выражение
▪ статья Как на Руси называли французский поцелуй? Подробный ответ
▪ статья Врач-специалист. Должностная инструкция
▪ статья Простая сверхширокополосная телеантенна. Энциклопедия радиоэлектроники и электротехники
▪ статья Датчик положения ротора КПЕ. Энциклопедия радиоэлектроники и электротехники
Оставьте свой комментарий к этой статье:
Главная страница | Библиотека | Статьи | Карта сайта | Отзывы о сайте

www.diagram.com.ua
2000-2026