Бесплатная техническая библиотека
Фототир на базе лазерной указки. Энциклопедия радиоэлектроники и электротехники

Энциклопедия радиоэлектроники и электротехники / Начинающему радиолюбителю
Комментарии к статье
Статья И. Нечаева с таким названием была опубликована в журнале "Радио" номер 3, 2001 г., стр.58.
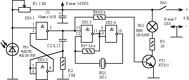
Практика показала некоторые недостатки предложенной схемы. Во-первых, при проведении соревнований в несколько человек, как правило, стоит галдеж детей и шумы от гостей или телевизора, поэтому громкости пьезоизлучателя недостаточно для фиксации попадания в мишень. Во-вторых, нет необходимости покупать дополнительную батарейку и микросхему стабилизатора напряжения, а можно использовать штатные элементы питания лазерной указки, но тогда необходима небольшая доработка указки.
Предлагаемый вариант фототира избавлен от этих недостатков за счет добавления световой индикации попадания в мишень.
(нажмите для увеличения)
Вместо фототранзистора ФТ-1К можно применить любой инфракрасный фотодиод, но лучше подходит фотодиод ФД-20-30К. Этот фотодиод состоит из двух фотодиодов с общим катодом, поэтому имеет большую площадь фоточувствительного элемента. Кроме того, фоточувствительный элемент имеет большой угол обзора, т.к. не диафрагмируется корпусом. Последнее позволяет срабатывать мишени не при прямом попадании, а при отражении луча лазера от воронки, покрытой фольгой или зеркальной пленкой. Фотодиоды ФД-20-30К необходимо включить параллельно.
Для электролитического конденсатора предусмотрено два отверстия, т.к. для схем не критичных к размерам я применяю сохранившуюся старую элементную базу, например К50-12. Транзистор КТ315 можно взять с любой буквой. Номинал резистора R1 может быть от 470 кОм. Для использования элементов питания указки необходимо в корпусе указки просверлить два отверстия по диаметру используемого провода.
Отверстия сверлятся на расстоянии 5-7 мм от кнопки к батарейному отсеку. Далее необходимо изготовить из жести два токосъемника диаметром 8 мм и припаять к ним провода. Предварительно провода протягиваются через просверленные отверстия корпуса указки. Токосъемники приклеиваются по центру с обеих сторон пластмассовой пуговицы от рубашки (Ф11 мм) так, чтобы провода выходили в одну сторону (можно просто вдавить горячим паяльником). Вставив токосъемники в корпус указки, необходимо проверить, нет ли контакта токосъемников с корпусом указки.
Далее с крышки батарейного отсека снимается цепочка с карабином, а отверстие рассверливается до 2,5-3 мм. В это отверстие вставляется винт с шайбой, которые крепят провод "плюса". Далее вставляются элементы питания в корпус указки, фиксируется изолентой в нажатом положении кнопка, и указка проверяется на включение замыканием проводов от токосъемников. Если лазер включается, значит в сборке нет замыканий. Элементы питания за четыре месяца интенсивных "боев" менять еще не приходилось.
Автор: Александров И. Применение звукоизлучателя ЗП-1., Радио, 1995, 12, с.54.; Публикация: www.cxem.net
Смотрите другие статьи раздела Начинающему радиолюбителю.
Читайте и пишите полезные комментарии к этой статье.
<< Назад
Последние новости науки и техники, новинки электроники:
Алкоголь может привести к слобоумию
29.11.2025
Проблема влияния алкоголя на стареющий мозг давно вызывает интерес как у врачей, так и у исследователей когнитивного старения. В последние годы стало очевидно, что границы "безопасного" употребления спиртного размываются, и новое крупное исследование, проведенное международной группой ученых, вновь указывает на это. Работы Оксфордского университета, выполненные совместно с исследователями из Йельского и Кембриджского университетов, показывают: даже небольшие дозы алкоголя способны ускорять когнитивный спад.
Команда проанализировала данные более чем 500 тысяч участников из британского биобанка и американской Программы миллионов ветеранов. Дополнительно был выполнен метаанализ сорока пяти исследований, в общей сложности включавших сведения о 2,4 миллиона человек. Такой масштаб позволил оценить не только прямую связь между употреблением спиртного и развитием деменции, но и влияние генетической предрасположенности.
Один из наиболее тревожных результатов касается людей с повышенным ге ...>>
Искусственный мозговой матрикс
29.11.2025
Биоинженерия стремительно выходит за пределы традиционной работы с клетками и биоматериалами. Ученые пытаются не просто выращивать ткани, но и воссоздавать механизмы, управляющие жизнью клеток в реальном организме. Одним из наиболее амбициозных направлений стала разработка искусственных матриксов, которые могли бы подменить природную среду и дать исследователям возможность изучать работу мозга без участия биологических компонентов. На этом фоне работа специалистов Калифорнийского университета в Риверсайде представляет собой особенно заметный шаг вперед.
В центре их исследования - платформа BIPORES, созданная полностью из синтетических веществ. Цель проекта заключалась в попытке смоделировать сложную, многослойную структуру внеклеточного матрикса, который в настоящем мозге обеспечивает питание, связь и организацию нервных клеток. При этом разработчики сознательно отказались от каких-либо белков, традиционно необходимых для прикрепления клеток, таких как ламинин или фибрин. Это решени ...>>
Ранняя Вселенная не была ледяной
28.11.2025
Понимание того, как формировались первые структуры во Вселенной, требует взгляда в эпохи, в которых не существовало ни звезд, ни галактик, ни привычных нам источников света. Научные группы по всему миру пытаются восстановить картину тех времен при помощи слабейших радиосигналов, оставшихся от водорода, который наполнял космос вскоре после Большого взрыва. Новые результаты, полученные на радиотелескопе Murchison Widefield Array в Австралии, неожиданным образом меняют представление об этих ранних этапах.
Сразу после Большого взрыва, произошедшего около 13,8 миллиарда лет назад, пространство стремительно расширялось и остывало. Через несколько сотен тысяч лет образовался нейтральный водород, и началась так называемая эпоха тьмы, когда Вселенная была лишена источников излучения. Лишь значительно позже гравитация собрала газ в плотные области, где зародились первые звезды и ранние черные дыры, а их интенсивное излучение привело к реионизации водорода и окончательному появлению света.
...>>
Случайная новость из Архива Лазерные голограммы улучшат качества промышленной трехмерной печати
15.12.2019
Одним из недостатков современных промышленных технологий лазерной трехмерной печати является сильный нагрев в точке контакта металла с лучом лазерного света. Этот нагрев плавит металлический порошок, но он также приводит к появлению областей внутренней механической напряженности и деформации изготавливаемой детали. И все эти вещи практически не поддаются прогнозированию, что не дает возможности их как-то компенсировать. Однако, группа исследователей из Кембриджского университета нашла способ решения описанной выше проблемы. При помощи специальных голографических изображений, генерируемых компьютером при помощи сложных алгоритмов, можно управлять распределением энергии лазерного света в трех измерениях, что позволяет избежать лишнего нагрева изготавливаемой детали.
"Вместо использования одного единственного луча света мощного лазера мы используем несколько лучей лазерного света, фокусируемых особым образом в нужной точке трехмерного пространства" - рассказывает профессор Тим Уилкинсон (Tim Wilkinson), руководитель данного проекта, - "Это позволяет нам печатать детали "более трехмерным способом" и избежать возникновения тепловых деформаций".
Голограмма, по которой печатается трехмерный объект, рассчитывается и изменяется компьютером со скоростью около тысячи раз в секунду для улучшения контроля за распределением энергии. При этом, алгоритмы, которые производят управляющую голограмму, учитывают целый ряд тонкостей, таких, как свойства используемых материалов, оптические искажения, текущую температуру и т.п. "Такой голографический подход позволяет нам сделать такие вещи, которые раньше было сделать невозможно. Есть определенные виды структур, которые невозможно напечатать из-за возникающих тепловых деформаций" - рассказывает профессор Уилкинсон.
Сейчас ученые уже создали опытную установку с тремя лазерами, лучи которых отражаются от кремниевого "микродисплея", тонкого слоя жидких кристаллов на поверхности кремниевого чипа, который выступает в роли управляемой дифракционной решетки и изменяет фазу отражаемого луча лазерного света. А в ближайшее время кембриджские исследователи планируют создание более совершенной установки, в которой будут использованы восемь лазеров, суммарной мощностью в 200 Вт, которой достаточно для плавления частичек алюминиевого порошка.
Кроме проверки работы жидкокристаллических микродисплеев на таком уровне мощности лазерного света, ученые, при помощи новой установки, будут работать с металлическими порошками с добавлением пластмасс и смол для улучшения алгоритмов составления управляющих голограмм. Согласно планам, новая и более мощная установка начнет работать в 2020 году, а данный проект, результатом которого должна стать полностью работоспособная промышленная установка, будет завершен к 2022 году.
|
Другие интересные новости:
▪ Беспроводной модуль для интернета вещей Microchip LoRa RN2483
▪ 8-ядерный мобильный процессор от Samsung
▪ Велосипедный шлем из бумаги
▪ Синтез керамики
▪ Музыка помогает учиться
Лента новостей науки и техники, новинок электроники
Интересные материалы Бесплатной технической библиотеки:
▪ раздел сайта Преобразователи напряжения, выпрямители, инверторы. Подборка статей
▪ статья Вторая часть Мерлезонского балета. Крылатое выражение
▪ статья Какой знаменитый богач вынуждал своего сына донашивать платья старших сестер? Подробный ответ
▪ статья Лакричник. Легенды, выращивание, способы применения
▪ статья Различные составы для удаления пятен. Простые рецепты и советы
▪ статья Параметрический эквалайзер. Энциклопедия радиоэлектроники и электротехники
Оставьте свой комментарий к этой статье:
Главная страница | Библиотека | Статьи | Карта сайта | Отзывы о сайте

www.diagram.com.ua
2000-2025