Бесплатная техническая библиотека
Фототир из лазерной указки. Энциклопедия радиоэлектроники и электротехники

Энциклопедия радиоэлектроники и электротехники / Начинающему радиолюбителю
Комментарии к статье
О лазерной указке и ее применении в различных конструкциях уже рассказывалось на страницах журнала "Радио". Продолжая эту тему, предлагаю описание фототира с использованием все той же лазерной указки. Этот электронный тир состоит из двух узлов - пистолета и мишени с фотодатчиком.
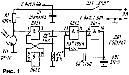
Мишень устроена так, что при попадании в нее луча указки раздается звуковой сигнал. Мишень (рис. 1) содержит фотодатчик на фототранзисторе VT1, ждущий одновибратор на логических элементах DD1.1, DD1.2 и генератор ЗЧ на элементах DD1.3, DD1.4. В исходном состоянии фототранзистор освещен слабо, поэтому на его коллекторе высокий логический уровень. На выходе ждущего одновибратора (вывод 3 DD1.1) низкий логический уровень, генератор ЗЧ не работает.
Если кратковременно осветить фототранзистор лазерным лучом указки, на его коллекторе появится низкий логический уровень, ждущий одновибратор сработает - в течение примерно 2 с на его выходе (вывод 3 DD1.1) будет присутствовать высокий логический уровень. Включится генератор ЗЧ, и пьезоизлучатель BQ1 начнет издавать звуковой сигнал, свидетельствующий о попадании в цель. Затем устройство вернется в исходное состояние.
Схема пистолета приведена на рис. 2. В его состав входит лазерная указка А1, интегральный стабилизатор напряжения DA1, накопительный конденсатор С1, кнопка-курок SB1 и батарея питания GB1. В исходном состоянии конденсатор С1 заряжен от батареи питания. При нажатии на кнопку SB1 он подключится ко входу стабилизатора напряжения, в результате чего на лазерную указку поступит питающее напряжение 5 В. Она будет излучать свет в течение короткого отрезка времени (доли секунды), пока конденсатор не разрядится. Если свет попадет в мишень, прозвучит сигнал.
После отпускания кнопки-курка конденсатор снова зарядится - пистолет готов к "выстрелу". Резистор R1 ограничивает зарядный ток конденсатора. Специального выключателя питания в пистолете нет, поскольку в режиме готовности ток от батареи практически не потребляется. Большинство деталей мишени размещают на печатной плате (рис. 3) из односторонне фольгированного стеклотекстолита.
Вариант конструкции мишени, которую использовал автор, показан на рис. 4. Для защиты от внешней засветки фототранзистор 4 размещают в пластмассовом светонепроницаемом корпусе 1, в качестве которого применена баночка из-под фотопленки. Примерно посередине размещена перегородка 2 из матового органического стекла. Для повышения чувствительности можно установить светоотражающий конус 3 из ватмана. Корпус крепят к плате 5, на которой располагают и пьезоизлучатель 6.
Конструкция пистолета показана на рис. 5. Для него понадобится корпус-"пустышка" подходящих размеров. Внутри него устанавливают лазерную указку 1 таким образом, чтобы она "стреляла" в полном соответствии с прицелом пистолета. Указку предварительно плотно обматывают изолентой, чтобы кнопка включения была нажата. В корпусе устанавливают также кнопку 2 и батарею питания 3. Монтаж ведут навесным методом.
В устройстве можно применить, кроме указанных на схеме, микросхему К176ЛА7, К564ЛА7, пьезоизлучатель ЗП-1; оксидные конденсаторы - К50, К52, К53, остальные - КМ-6, К10-17, любой подстроечный резистор, постоянные - МЛТ, С2-33, выключатель - любого типа, кнопка в пистолете - с самовозвратом. Налаживание пистолета сводится к подбору конденсатора С1 такой емкости, чтобы получить оптимальную длительность выстрела.
В мишени резистором R1 устанавливают чувствительность, при которой она не реагирует на внешнее освещение. Саму мишень следует укрыть от прямых солнечных лучей и других источников света. Тональность и громкость звукового сигнала можно установить подбором конденсатора С3 (грубо) и резистора R3 (плавно). Продолжительность звукового сигнала устанавливают подбором конденсатора С2 и резистора R2.
Автор: И. Нечаев, г. Курск; Публикация: cxem.net
Смотрите другие статьи раздела Начинающему радиолюбителю.
Читайте и пишите полезные комментарии к этой статье.
<< Назад
Последние новости науки и техники, новинки электроники:
Власть является ключевым фактором счастья в отношениях
11.03.2026
Исследования семейных и романтических отношений показывают, что длительное счастье пары зависит не только от привычных факторов, таких как доверие, уважение и преданность, но и от более тонких психологических аспектов. Современные ученые ищут закономерности, которые отличают действительно счастливые пары от остальных, чтобы понять, какие механизмы поддерживают гармонию в отношениях.
Группа исследователей из Университета Мартина Лютера в Галле-Виттенберге и Бамбергского университета провела опрос среди 181 пары, которые состояли в совместных отношениях более восьми лет и прожили вместе хотя бы месяц. Участники заполняли анкету, описывая различные аспекты своих отношений, включая распределение обязанностей, эмоциональную поддержку и степень вовлеченности в совместные решения.
Анализ данных показал интересный паттерн: пары, где оба партнера ощущали высокий уровень личной власти, оказывались наиболее счастливыми и удовлетворенными. В данном контексте под властью понимается способност ...>>
Защищенная колонка-повербанк Anker Soundcore Boom Go 3i
11.03.2026
Компания Anker представила новую модель линейки Soundcore - колонку Soundcore Boom Go 3i, ориентированную на активное использование на улице.
Новинка отличается высокой степенью защиты: корпус соответствует стандарту IP68, что обеспечивает водо- и пыленепроницаемость, а ударопрочный дизайн выдерживает падение с высоты до одного метра. За качество звука отвечает 15-ваттный драйвер, обеспечивающий пик громкости до 92 дБ, а технология BassUp 2.0 усиливает низкие частоты, делая звучание более насыщенным.
Колонка обладает автономностью до 24 часов, а LED-индикатор позволяет контролировать уровень заряда батареи. Кроме того, Soundcore Boom Go 3i может выполнять функцию павербанка: согласно внутренним тестам, устройство способно зарядить iPhone 17 с нуля до 40% за один час, что делает его полезным аксессуаром в походах и поездках.
Среди функциональных особенностей модели стоит выделить технологию Auracast, которая улучшает подключение и позволяет создавать стереопару из двух колонок ...>>
Раннее воздержание от алкоголя перестраивает мозг и иммунитет
10.03.2026
Алкогольная зависимость - хроническое расстройство с компульсивным употреблением спиртного, которое влияет не только на поведение, но и на функционирование мозга и иммунной системы. Недавние исследования показали, что даже на ранних этапах воздержания организм начинает перестраиваться, открывая новые возможности для терапии зависимости.
Ученые сосредоточились на пациентах, находящихся в первые недели абстиненции, и зафиксировали значительные изменения в мозговой активности. С помощью функциональной магнитно-резонансной томографии они выявили перестройку сетей нейронных связей, отвечающих за контроль импульсов и принятие решений. Эти изменения могут быть ключевыми для восстановления самоконтроля и снижения риска рецидива.
Одновременно с нейронной перестройкой исследователи наблюдали колебания иммунной системы. В крови повышался уровень цитокинов - сигнальных белков, регулирующих воспалительные процессы. Эти данные свидетельствуют о существовании нейроиммунного взаимодействия, при ...>>
Случайная новость из Архива Система мониторинга Omnicomm для школьных автобусов
21.01.2014
Компания Omnicomm ("Омникомм") объявила о том, что системой мониторинга транспорта Omnicomm было оборудовано 500 автобусов, перевозящих школьников в 26 районах Курганской области. Проект был реализован официальным дилером Omnicomm в городе Кургане - компанией "Тахограф-Сервис", чьим заказчиком выступило Главное управление образования Курганской области.
В рамках проекта весь школьный транспорт Курганской области был оборудован бортовыми терминалами Omnicomm Optim и подключен к облачному сервису Omnicomm Online. С его помощью каждое образовательное учреждение области сможет в режиме реального времени контролировать местоположение своего транспорта и, при необходимости, реагировать на экстренные сообщения. Система мониторинга Omnicomm в автоматическом режиме выявляет и сообщает о нештатных ситуациях, таких как задержки в расписании движения или самовольный уход с маршрута.
Основными требованиями заказчика к оборудованию были надежность и вандалоустойчивость, что особенно важно при работе водителей пассажирского транспорта в крупном регионе c высокой нагрузкой на транспортную инфраструктуру.
Применение интеллектуальных систем мониторинга на пассажирском транспорте позволяет не только взять под контроль его работу, но и снизить количество аварий. Повышение уровня безопасности на дорогах крайне важно при пассажирских перевозках и особенно при перевозке детей. Кроме того, система мониторинга транспорта Omnicomm контролирует расход топлива и позволяет пресечь его хищения, что для автопарка размером в несколько сотен машин означает существенное снижение эксплуатационных расходов.
"По мере роста населения, повышения интенсивности движения и напряженности на дорогах, наступает момент, когда в работе пассажирского транспорта необходим качественный скачок, опирающийся на последние достижения в сфере информационных технологий, - говорит Павел Устюжанин, заместитель начальника Главного управления образования Курганской области. - Наше управление занимается организацией безопасности при перевозке детей школьными автобусами. Мы приобретаем новые транспортные средства, соответствующие современным требованиям безопасности, оборудуем существующие автобусы необходимыми средствами контроля, в том числе, системами спутниковой навигации. В 2013 г. в рамках Целевой программы ГЛОНАСС все школьные автобусы Курганской области были оснащены системой спутникового мониторинга транспорта Omnicomm. Мы удовлетворены надежностью и функциональными характеристиками системы Omnicomm, а также профессионализмом компании "Тахограф-Сервис". Создано очень нужное решение, которое позволяет не только лучше управлять школьным транспортом, но и позитивно влияет на общественную жизнь всей области. Останавливаться на достигнутом мы не собираемся и в наших ближайших планах создание региональной диспетчерской службы".
|
Другие интересные новости:
▪ На Луне обнаружен источник тепла
▪ Бытовая техника определит, когда хозяева спят
▪ Эффективный солнечный элемент из обычного кремния
▪ Google Stadia
▪ 8-разрядные микроконтроллеры PIC12F635 и PIC12F636
Лента новостей науки и техники, новинок электроники
Интересные материалы Бесплатной технической библиотеки:
▪ раздел сайта Микрофоны, радиомикрофоны. Подборка статей
▪ статья Все пустяки в сравнении с вечностью. Крылатое выражение
▪ статья Где в небе расположена Прикол-звезда? Подробный ответ
▪ статья Дерен сибирский. Легенды, выращивание, способы применения
▪ статья Миниатюрный радиопередатчик на туннельном диоде. Энциклопедия радиоэлектроники и электротехники
▪ статья Аканские пословицы и поговорки. Большая подборка
Оставьте свой комментарий к этой статье:
Главная страница | Библиотека | Статьи | Карта сайта | Отзывы о сайте

www.diagram.com.ua
2000-2026