Бесплатная техническая библиотека
Простой домофон. Энциклопедия радиоэлектроники и электротехники

Энциклопедия радиоэлектроники и электротехники / Охранные устройства и сигнализация объектов
Комментарии к статье
Популярное сегодня переговорное устройство - домофон. Он позволяет жильцам дома или дачи вести дистанционные переговоры с посетителем, нажавшим звонковую кнопку у подъезда или возле калитки. Сравнительно простая конструкция домофона предлагается в данной статье. Домофон состоит из основного усилителя с телефонной трубкой и источником питания, которые располагаются в квартире в удобном для пользования месте, и микрофона с усилителем и динамической головкой, устанавливаемых на входной двери или калитке.
Схема основного усилителя приведена на рис. 1. Микрофон ВМ1 и динамическая головка ВА1 расположены в телефонной трубке, из которой удаляют находившиеся в ней ранее детали. В показанном на схеме положении контактов переключателя SA1 и нажатой кнопке SB1 идет прослушивание лестничной площадки, пространства возле калитки или ответа посетителя. Когда же ручка переключателя будет переведена в противоположное положение, можно передавать посетителю сообщение или задавать вопросы. Громкость ответов посетителя регулируют переменным резистором R1. Зажимы "А"-"Г" соединяют с аналогичными на выносном усилителе (рис. 2). Желательно применить трехпроводный жгут в экранирующей оплетке, выполняющей роль проводника - "В".
(нажмите для увеличения)
В усилителе использованы доступные детали. Транзистор VT4 может быть любой из серии КТ814, остальные - любые из серии КТ361. Переменный резистор R1 - СП5-2В или другой подходящий по габаритам и сопротивлению, постоянные резисторы - МЛТ-0,125. В основном усилителе применена динамическая головка мощностью 0,25 Вт, в выносном - 0,5 Вт. Микрофон ВМ1 - электромагнитный ДЭМШ-1, ВМ2 - электретный МКЭ-3. Конденсаторы - любого типа. Источник питания - батарея "Крона".
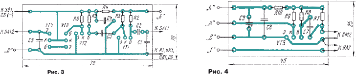
Детали основного усилителя смонтированы на плате из одностороннего фольгированного материала, показанной на рис. 3, а выносного усилителя - на рис. 4. В авторском варианте плата основного усилителя, источник питания и не смонтированные на плате детали размещены в корпусе старого телефонного аппарата (детали из него, конечно, удалены). На передней панели аппарата укреплены переменный резистор, переключатель и кнопка. Соединение телефонной трубки с деталями усилителя выполнено экранированным проводом.
(нажмите для увеличения)
Для размещения деталей выносного усилителя был изготовлен корпус из фольгированного стеклотекстолита. Чувствительность домофона такова, что при расположении выносного усилителя над калиткой на двухметровой высоте и длине соединительной линии 15 м связь получается достаточно громкой. При необходимости наибольшей чувствительности и громкости связи добиваются подбором резисторов R2, R5, R8.
Эту операцию проводят, конечно, перед установкой выносного усилителя, но с подключенной линией связи соответствующей длины. Без помощника здесь не обойтись. На время настройки усилителей указанные резисторы можно заменить цепочками из переменного резистора несколько большего, по сравнению с указанным на схеме, сопротивления и последовательно включенным с ним постоянного резистора сопротивлением 10...20 кОм.
Автор: А. Гриднев (RA6JGZ), г. Владикавказ; Публикация: cxem.net
Смотрите другие статьи раздела Охранные устройства и сигнализация объектов.
Читайте и пишите полезные комментарии к этой статье.
<< Назад
Последние новости науки и техники, новинки электроники:
Кислотность океана разрушает зубы акул
03.10.2025
Мировые океаны выполняют важнейшую функцию - они поглощают около трети углекислого газа, выбрасываемого в атмосферу. Это помогает замедлять темпы глобального потепления, но имеет и обратную сторону. Растворяясь в воде, CO2 образует угольную кислоту, которая повышает концентрацию водородных ионов и приводит к снижению pH. Вода становится более кислой, а последствия этого процесса уже заметны для морских экосистем.
Средний показатель кислотности океана сейчас равен примерно 8,1, тогда как еще недавно за условную норму брали значение 8,2. По прогнозам, к 2300 году уровень может упасть до 7,3 - это сделает океан почти в десять раз кислее нынешнего состояния. Для обитателей морей подобные изменения означают не просто сдвиг химического равновесия, а реальную угрозу физиологическим процессам, начиная от формирования раковин у моллюсков и заканчивая охотничьим поведением акул.
Чтобы выяснить, как именно кислотная среда отражается на зубах акул, группа немецких исследователей провела эксп ...>>
Почтовый космический корабль Arc
03.10.2025
Космические технологии становятся частью инфраструктуры, способной повлиять на логистику, медицину и даже военную сферу. Идея использовать орбиту как глобальный склад для срочных поставок звучала еще недавно как научная фантастика, но стартап Inversion пытается превратить ее в практическое решение.
Компания Inversion появилась в начале 2021 года благодаря Джастину Фиаскетти и Остину Бриггсу, которые на тот момент были студентами Бостонского университета. Их замысел состоял в том, чтобы сделать возможной доставку грузов не только через спутниковые сети данных, но и в буквальном смысле - физических предметов. В основе лежит простая мысль: если космос обеспечивает доступ к любой точке Земли, то и грузы должны перемещаться тем же маршрутом.
Уже за три года работы команда из 25 специалистов успела построить демонстрационный аппарат "Ray". Его запуск состоялся в рамках миссии SpaceX Transporter-12. Устройство весом 90 килограммов проверяло ключевые технологии Inversion, включая двухком ...>>
Лазерное обогащение урана
02.10.2025
Ядерная энергия остается одним из ключевых источников стабильного электричества, особенно для стран с растущими потребностями в энергоснабжении. Однако обеспечение бесперебойных поставок топлива для атомных станций требует современных технологий обогащения урана, которые одновременно эффективны и безопасны. Американская компания Global Laser Enrichment (GLE) делает значительный шаг в этом направлении, завершив масштабное тестирование лазерной технологии обогащения урана.
Демонстрационная программа была проведена на объекте в Уилмингтоне, Северная Каролина. Тестирование технологии SILEX (Separation of Isotopes by Laser EXcitation), разработанной австралийской Silex Systems, стартовало в мае 2025 года и продлится до конца года. В ходе экспериментов компания планирует получить сотни фунтов низкообогащенного урана (LEU), который может быть использован в качестве топлива для атомных электростанций.
GLE была создана в 2007 году для коммерциализации лазерных методов обогащения урана в С ...>>
Случайная новость из Архива Электрический летающий автомобиль eVTOL
06.01.2023
Компания Aska представила электрический летающий автомобиль eVTOL с запасом хода 400 км.
Aska A5 размером примерно с типичный внедорожник и был описан как первый четырехместный электромобиль, который может проехать по дороге и до 250 миль (402 км) по воздуху на одном заряде. Хотя A5 больше похож на самолет/вертолет, чем на традиционный автомобиль, он имеет крылья и винты, которые можно сложить, когда его нужно использовать как автомобиль.
Автомобиль питается от собственной системы, сочетающей литий-ионные аккумуляторы с бензиновым двигателем, действующим как бортовой удлинитель запаса хода. Непонятно, сколько мощности имеет A5, но Aska отмечает, что у него четыре электродвигателя в колесах, которые создают тягу с полным приводом, а также улучшают аэродинамику и максимизируют внутреннее пространство.
Хотя A5 может взлетать как вертолет, или с помощью взлетно-посадочной полосы, как традиционный самолет. Во время полета крылья и шесть роторов разворачиваются. Аска отмечает, что крыло было оптимизировано для "скольжения, плавных посадок и эффективного потребления энергии".
"Наше открытие на выставке CES представляет то, чего никогда не было достигнуто в мире, но о чем люди мечтали десятилетиями: полностью функциональный, полномасштабный прототип электрического вертикального взлета и посадки Drive&Fly, настоящего летающего автомобиля", описал соучредитель и исполнительный директор Гай Каплински.
"Мы творим историю из ASKA и определяем следующие 100 лет транспорта. ASKA позиционируется как транспортное средство нового поколения, сочетающее удобство автомобиля с легкостью и эффективностью полета VTOL и STOL. ASKA - это транспортное средство, предназначенное не только для потребителей, оно также имеет значительный бизнес-потенциал в использовании для реагирования на чрезвычайные ситуации, в военных целях, а также в услугах мобильности совместного использования по требованию".
Кроме частных продаж A5, Aska планирует запустить услугу поездок на заказ в 2026 году с парком своих eVTOL.
|
Другие интересные новости:
▪ Цемент при комнатной температуре
▪ Флэш-накопители Strontium On-The-Go USB для мобильных устройств
▪ Мозг из крови
▪ Самая интересная спортивная игра
▪ DC/DC-преобразователи TEQ 20/40WIR
Лента новостей науки и техники, новинок электроники
Интересные материалы Бесплатной технической библиотеки:
▪ раздел сайта Должностные инструкции. Подборка статей
▪ статья Жан-Поль Шарль Эмар Сартр. Знаменитые афоризмы
▪ статья Что происходит с параллельными прямыми в геометрии Лобачевского? Подробный ответ
▪ статья Хурма японская. Легенды, выращивание, способы применения
▪ статья Пейджер для охраны. Энциклопедия радиоэлектроники и электротехники
▪ статья Трехканальный усилитель кабельного ТВ. Энциклопедия радиоэлектроники и электротехники
Оставьте свой комментарий к этой статье:
Главная страница | Библиотека | Статьи | Карта сайта | Отзывы о сайте

www.diagram.com.ua
2000-2025