Бесплатная техническая библиотека
Цифровой диктофон на одной микросхеме. Энциклопедия радиоэлектроники и электротехники

Энциклопедия радиоэлектроники и электротехники / Аудиотехника
Комментарии к статье
Наткнулся тут на весьма интересную серию микросхем, выпускаемую конторой под названием Winbond.
Серия называется ChipCorder - да да именно Corder, а не Coder - чья светлая голова придумала такое название мне неведомо. Сами девайсы представляют собой готовые устройства для записи и последующего воспроизведения звука. Для примера мы посмотрим на подсерию ISD1400. В ней две микросхемы - ISD1416 и ISD1420. Различаются они только одним - временем записи. Угадайте-ка где сколько? Угу, так точно - в одной 16 секунд, в другой 20. Все гениальное просто - это вам не маркировка процессоров.
Итак, что же нам обещают светлые головы товарищей из Тайваня? Основные параметры следующие:
- Напряжение питания - 5 вольт;
- Потребляемый ток в "спящем" режиме - 1 мкА;
- Активация воспроизведения - ручная по кнопке или по фронту импульса (от микроконтроллера или чего то подобного);
- Автоматический вход в спящий режим после окончания записи/воспроизведения;
- Адресация для хранения и воспроизведения нескольких сообщений;
- Сохранность данных в течение 100 лет (не проверял, думаю, у вас тоже вряд ли получится);
- 100000 циклов перезаписи;
- Внутренний тактовый генератор;
Все эти вкусности размещаются в 28-ногом корпусе в двух исполнениях - PDIP и SOIC. Есть еще вариант промышленного исполнения (там нижняя граница рабочей температуры аж -70 градусов по Цельсию).
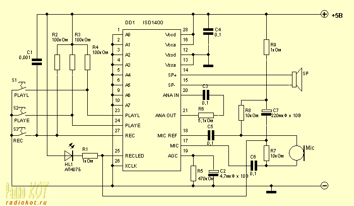
Теперь перейдем, пожалуй, к предметному обсуждению возможностей, для чего глянем на типовую схему включения микросхемы:
(нажмите для увеличения)
Пробежимся быстренько по выводам.
А0-А7 имеют двойное назначение: первое - адресация при наличии нескольких сообщений и второе - переключение режимов работы микросхемы. SP+, SP- - не ломайте голову - это выводы для подключения динамической головки сопротивлением не менее 16 Ом, которая будет воспроизводить то, что записано в утробе чипа. MIC, MIC REF предназначены для подключения микрофона (электретного). AGC (automatic gain control) - автоматическая регулировка уровня записи (АРУЗ по нашему). ANA IN - если не нужно писать с микрофона, то на этот вход подается сигнал с любого другого источника. ANA OUT - выход внутреннего предварительного усилителя. PLAYL - если на этот вывод подать сигнал низкого уровня, начнется воспроизведение, и будет продолжаться до тех пор, пока низкий уровень сохраняется. PLAYE - воспроизведение начинается при поступлении импульса на этот вход и заканчивается по окончании сообщения. RECLED - сюда вешается светодиод для индикации записи. XCLK - вход для внешнего тактового генератора. REC - при поступлении низкого уровня сигнала начинается запись, которая будет продолжаться до тех пор, пока сохраняется низкий уровень на этом входе. Тех, кому мало подобного описания, отправлю к даташиту, который можно совершенно даром скачать с сайта, указанного в начале этого изложения.
Ну, а все остальные могут перейти к рассмотрению работы схемы. Хотя тут рассматривать то… ну да ладно.
Нажимаем кнопочку S3 - REC - на входе REC образуется низкий уровень и начинается запись. Отпускаем нажатую кнопочку - запись останавливается - то есть запись идет только при нажатой кнопке. Дальше, если мы хотим прослушать запись так же как и записывали - то есть давя из последних сил на кнопку, то наживаем кнопку S1 - PLAYL и слушаем записанное. Как только кнопка отпускается, воспроизведение останавливается. Ну и наконец, если мы хотим как белые люди прослушать все сообщение целиком, то жмем кнопку S2 - PLAYE - в этом случае, воспроизведение остановится по окончании записи. В общем, как мне кажется весьма и весьма удобная вещь для организации всякой развлекухи и не только. Как вам, например дверной звонок, который будет орать "Сова, открывай, медведь пришел!" или цветочный горшок, напоминающий вам голосом любимой тещи о том, что его надо полить - короче применений масса.
Публикация: radiokot.ru
Смотрите другие статьи раздела Аудиотехника.
Читайте и пишите полезные комментарии к этой статье.
<< Назад
Последние новости науки и техники, новинки электроники:
Токсичность интернета преувеличена
07.01.2026
Социальные сети нередко воспринимаются как арена постоянной агрессии, оскорблений и распространения фейковой информации. Новое исследование Стэнфордского университета показывает, что реальность значительно отличается от популярного представления: интернет гораздо менее токсичен, чем многие пользователи считают.
Ученые опросили более тысячи американцев, попросив их оценить долю пользователей соцсетей, которые ведут себя агрессивно или распространяют ненависть. Оказалось, что впечатления людей сильно преувеличивают масштабы проблемы. Например, респонденты считали, что почти половина пользователей Reddit хотя бы раз оставляла оскорбительные комментарии, тогда как фактические данные платформы показывают, что таких людей не более 3%.
Аналогичная ситуация наблюдается с дезинформацией. Опрос показал, что большинство участников считали почти половину аудитории Facebook распространителями фейковых новостей, однако статистика говорит об обратном: фактическая доля таких пользователей состав ...>>
Процессоры Ryzen AI 400
07.01.2026
Современные вычисления все больше ориентируются на интеграцию искусственного интеллекта и высокую производительность в компактных устройствах, таких как ноутбуки и мини-ПК. Новая линейка процессоров AMD Ryzen AI 400 демонстрирует, как разработчики объединяют мощные центральные ядра, графику и нейросетевые ускорители в одном чипе, чтобы удовлетворять растущие потребности пользователей в играх, контенте и ИИ-приложениях.
AMD представила процессоры серии Gorgon Point, которые включают до 12 ядер Zen 5 и до 24 потоков вычислений. Чипы поддерживают интегрированную графику RDNA 3.5, обеспечивают максимальную тактовую частоту до 5,2 ГГц и имеют энергопотребление от 15 Вт до 54 Вт. Особое внимание уделено NPU, способному обрабатывать до 60 триллионов операций в секунду (TOPS), что делает эти процессоры эффективными для задач с искусственным интеллектом.
Конструкция Ryzen AI 400 сочетает ядра Zen 5 и Zen 5c, обеспечивая высокую гибкость и производительность. Несмотря на то, что архитектур ...>>
Женщины лучше распознают признаки болезни по лицу
06.01.2026
Способность распознавать, что кто-то нездоров, часто проявляется интуитивно: бледная кожа, опущенные веки, уставшее выражение лица могут сигнализировать о недомогании. Новое исследование международной группы ученых показало, что женщины в среднем точнее мужчин улавливают такие тонкие невербальные признаки болезни, что может иметь эволюционные и социальные объяснения.
В отличие от предыдущих работ, где использовались отредактированные фотографии или имитация больных лиц, ученые решили проверить, насколько люди способны распознавать естественные признаки недомогания. Такой подход позволил оценить реальную чувствительность к изменениям в лицах, возникающим при болезни.
В исследовании приняли участие 280 студентов, поровну мужчин и женщин. Участникам предложили оценить 24 фотографии, на которых изображены люди как в здоровом состоянии, так и во время болезни. Это дало возможность сравнить восприятие естественных признаков недомогания в реальных лицах.
Для анализа состояния каждого ...>>
Случайная новость из Архива Эффективный способ добычи водорода из морской воды
11.02.2023
Процесс электролиза для добычи зеленого водорода обычно требует большого количества чистой воды - до 9 литров на каждый килограмм водорода. Однако международная группа исследователей из Австралии, Китая и США предложила в своей статье более экономный способ с использованием морской воды - без какой-либо предварительной обработки, но с нанесением кислотного покрытия на катализатор (воду удалось расщепить с почти 100% эффективностью).
"В этой работе мы демонстрируем прямой электролиз морской воды, которая не подвергалась предварительной обработке, а была только отфильтрована для удаления твердых частиц и микроорганизмов", - отметили ученые.
Команда говорит, что типичный катализатор электролизера может быть изготовлен из оксида кобальта и оксида хрома на поверхности. Обычно морская вода разрушает катализаторы из-за сильной эрозии, вызванной ионами хлора; также накапливающиеся нерастворимые осадки магния и кальция блокируют электроды - однако ученые решили эту проблему, просто добавив на катализатор слой так называемой кислоты Льюиса.
Кислотное покрытие позволило захватить достаточное количество отрицательно заряженных гидроксильных анионов из морской воды, чтобы создать мощную щелочную среду с pH 14 вокруг катализатора, остановив как атаки хлора на катализатор, так и образование осадка на электродах.
"Эффективность коммерческого электролизера с нашими катализаторами, работающими в морской воде, близка к производительности платиновых/иридиевых катализаторов", - говорит доцент Яу Чжэн.
Очевидно, что в будущем спрос на чистый водород будет увеличиватьсяКислотное покрытие и никакой предварительной обработки: исследователи изобрели эффективный способ добычи водорода из морской воды, и ввиду дефицита пресной воды (который, по прогнозам, повлияет на две трети населения мира до 2025 года), использование морской для добычи чистой энергии выглядит перспективным. Исследователи надеются в конечном итоге применить результаты своих экспериментов для коммерческого производства водородного топлива и синтеза аммиака.
|
Другие интересные новости:
▪ Razer Ornata - первые клавиатуры с переключателями Razer Mecha-Membrane
▪ Режим сна существенно меняется с возрастом
▪ Внешний RAID-накопитель NewerTech Guardian MAXimusо 5 ТБ
▪ Гибкий аккумулятор
▪ Приготовление еды электрическим током
Лента новостей науки и техники, новинок электроники
Интересные материалы Бесплатной технической библиотеки:
▪ раздел сайта Блоки питания. Подборка статей
▪ статья Чрезвычайные ситуации на радиационно опасных объектах. Основы безопасной жизнедеятельности
▪ статья Есть ли у насекомых сердце? Подробный ответ
▪ статья Оформитель готовой продукции. Типовая инструкция по охране труда
▪ статья Сварочный малыш. Энциклопедия радиоэлектроники и электротехники
▪ статья Простое зарядное устройство для четырех аккумуляторов. Энциклопедия радиоэлектроники и электротехники
Оставьте свой комментарий к этой статье:
Главная страница | Библиотека | Статьи | Карта сайта | Отзывы о сайте

www.diagram.com.ua
2000-2026