Áåñïëàòíàÿ òåõíè÷åñêàÿ áèáëèîòåêà
Ñåíñîðíûé ðåãóëÿòîð íà ìèêðîñõåìå 145ÀÏ2. Ýíöèêëîïåäèÿ ðàäèîýëåêòðîíèêè è ýëåêòðîòåõíèêè

Ýíöèêëîïåäèÿ ðàäèîýëåêòðîíèêè è ýëåêòðîòåõíèêè / Ðåãóëÿòîðû ìîùíîñòè, òåðìîìåòðû, òåðìîñòàáèëèçàòîðû
Êîììåíòàðèè ê ñòàòüå
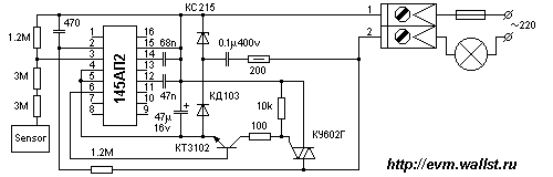
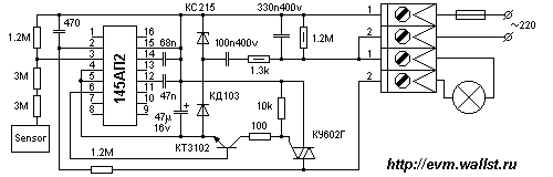
Ñåíñîðíûé ðåãóëÿòîð ñîáðàí íà îòå÷åñòâåííîé ìèêðîñõåìå 145ÀÏ2, è â îòëè÷èè îò ñåíñîðíîãî ðåãóëÿòîðà íà AT2313, óïðàâëÿåòñÿ îäíèì ñåíñîðîì íå îáåñïå÷èâàÿ ïëàâíîãî âêëþ÷åíèÿ/âûêëþ÷åíèÿ. Ñõåìà ñîäåðæèò ìèíèìóì äåòàëåé (ðèñ. 1,2), è ïðè ïðàâèëüíîé ñáîðêå íà÷èíàåò ðàáîòàòü ñðàçó, íå òðåáóÿ äîïîëíèòåëüíûõ íàñòðîåê. Ïðè êðàòêîâðåìåííîì ïðèêîñíîâåíèè ê ñåíñîðó ïðîèñõîäèò âêëþ÷åíèå(âûêëþ÷åíèå) ëàìïû. Ïðè óäåðæàíèè ñåíñîðà ïðîèñõîäèò ïëàâíàÿ ðåãóëèðîâêà ÿðêîñòè, ñîñòîÿíèå çàïîìèíàåòñÿ äî ñëåäóþùåé ðåãóëèðîâêè.
Ðèñ. 1. Ïðèíöèïèàëüíàÿ ñõåìà è âíåøíèé âèä ñåíñîðíîãî ðåãóëÿòîðà íà 145ÀÏ2 (ïåðâûé âàðèàíò)
Ðèñ. 2. Ïðèíöèïèàëüíàÿ ñõåìà è âíåøíèé âèä ñåíñîðíîãî ðåãóëÿòîðà íà 145ÀÏ2 (âòîðîé âàðèàíò)
Ïóáëèêàöèÿ: msevm.com
Ñìîòðèòå äðóãèå ñòàòüè ðàçäåëà Ðåãóëÿòîðû ìîùíîñòè, òåðìîìåòðû, òåðìîñòàáèëèçàòîðû.
×èòàéòå è ïèøèòå ïîëåçíûå êîììåíòàðèè ê ýòîé ñòàòüå.
<< Íàçàä
Ïîñëåäíèå íîâîñòè íàóêè è òåõíèêè, íîâèíêè ýëåêòðîíèêè:
Äåòè, ðàñòóùèå ðÿäîì ñ ïðèðîäîé, îáðåòàþò êðåïêèå êîñòè
02.03.2026
Âëèÿíèå îêðóæàþùåé ñðåäû íà çäîðîâüå ÷åëîâåêà ñòàíîâèòñÿ âñå áîëåå î÷åâèäíûì, îñîáåííî â äåòñêîì âîçðàñòå. Íîâîå èññëåäîâàíèå, îïóáëèêîâàííîå â æóðíàëå JAMA Network Open, ïîêàçûâàåò, ÷òî áëèçîñòü ê ïðèðîäå íàïðÿìóþ ñâÿçàíà ñ êðåïîñòüþ êîñòåé ó äåòåé. Ó÷åíûå óñòàíîâèëè, ÷òî ó äåòåé, ÷üè äîìà îêðóæåíû ïðèðîäíûìè òåððèòîðèÿìè â ðàäèóñå 1000 ìåòðîâ íà 25% áîëüøå îáû÷íîãî, ðèñê ðàçâèòèÿ êðàéíå íèçêîé ïëîòíîñòè êîñòåé ñíèæàåòñÿ íà 65%.
Äëÿ ïðîâåäåíèÿ èññëåäîâàíèÿ áûëè ïðîàíàëèçèðîâàíû äàííûå áîëåå 300 äåòåé, ïðîæèâàþùèõ â ãîðîäñêèõ, ïðèãîðîäíûõ è ñåëüñêèõ ðàéîíàõ Ôëàíäðèè â Áåëüãèè. Ïëîòíîñòü êîñòíîé òêàíè ó äåòåé â âîçðàñòå îò ÷åòûðåõ äî øåñòè ëåò îöåíèâàëàñü ñ ïîìîùüþ óëüòðàçâóêîâûõ ìåòîäîâ. Òàêîé ïîäõîä ïîçâîëèë áåçîïàñíî è òî÷íî èçìåðèòü ñîñòîÿíèå êîñòåé íà ðàííèõ ýòàïàõ ôîðìèðîâàíèÿ ñêåëåòà.
Ïðè àíàëèçå ó÷èòûâàëèñü êëþ÷åâûå ôàêòîðû, âëèÿþùèå íà ðîñò è ðàçâèòèå äåòåé: âîçðàñò, âåñ, ðîñò, ýòíè÷åñêàÿ ïðèíàäëåæíîñòü è óðîâåíü îáðàçîâàíèÿ ìàòåðè. Íà îñíîâàíèè ýòèõ ïàðàìåòðîâ èññëåäîâàò ...>>
Ñàìîâîññòàíàâëèâàþùàÿñÿ èíôðàñòðóêòóðà áóäóùåãî
02.03.2026
Ñîâðåìåííûå ìîñòû è áåòîííûå êîíñòðóêöèè ïî âñåìó ìèðó ñòàëêèâàþòñÿ ñ ïðîáëåìîé óñòàðåâàíèÿ è èçíîñà. Ìíîãèå ñîîðóæåíèÿ, ïîñòðîåííûå äî 1980-õ ãîäîâ, ïîñòåïåííî òåðÿþò ñâîþ íåñóùóþ ñïîñîáíîñòü, ÷òî òðåáóåò äîðîãîãî ðåìîíòà èëè ïîëíîé çàìåíû. Íåäàâíèå ðàçðàáîòêè ó÷åíûõ èç Øâåéöàðñêèõ ôåäåðàëüíûõ ëàáîðàòîðèé ìàòåðèàëîâåäåíèÿ è òåõíîëîãèé (Empa) ïðåäëàãàþò èííîâàöèîííîå ðåøåíèå - ñèñòåìó óêðåïëåíèÿ áåòîííûõ êîíñòðóêöèé ñ ïîìîùüþ "óìíîé ñòàëè", ñïîñîáíîé ñàìîñòîÿòåëüíî óñòðàíÿòü òðåùèíû è ïîâðåæäåíèÿ.
 îñíîâå íîâîé òåõíîëîãèè ëåæèò àðìàòóðà èç ñïëàâà íà îñíîâå æåëåçà ñ ýôôåêòîì ïàìÿòè ôîðìû (Fe-SMA). Ýòîò ìàòåðèàë îáëàäàåò óíèêàëüíûì ñâîéñòâîì: ïðè íàãðåâàíèè äî 190-200 °C ñòåðæíè ñòðåìÿòñÿ âåðíóòüñÿ ê ñâîåé ïåðâîíà÷àëüíîé êîíôèãóðàöèè.  áåòîííîé êîíñòðóêöèè ýòî ñîçäàåò âíóòðåííåå íàïðÿæåíèå, êîòîðîå çàòÿãèâàåò òðåùèíû è âûðàâíèâàåò äåôîðìèðîâàííûå ýëåìåíòû, ñóùåñòâåííî ïîâûøàÿ ïðî÷íîñòü è äîëãîâå÷íîñòü ñîîðóæåíèé.
Àêòóàëüíîñòü ðàçðàáîòêè îáúÿñíÿåòñÿ êðèòè÷åñêèì ñîñòîÿíèåì èíôðàñòð ...>>
Ïîöåëóè ïîëåçíû äëÿ çäîðîâüÿ
01.03.2026
Âîïðîñ î òîì, êàê ñîöèàëüíûå ñâÿçè è áëèçîñòü ñ ïàðòíåðîì îòðàæàþòñÿ íà çäîðîâüå ÷åëîâåêà, ïðèâëåêàåò âíèìàíèå íå òîëüêî ïñèõîëîãîâ, íî è ñïåöèàëèñòîâ â îáëàñòè ìèêðîáèîëîãèè. Íîâîå èññëåäîâàíèå ïîêàçûâàåò, ÷òî ñîâìåñòíîå ïðîæèâàíèå ñ ëþáèìûì ÷åëîâåêîì ìîæåò îêàçûâàòü çíà÷èòåëüíîå âëèÿíèå íà ìèêðîáèîì êèøå÷íèêà è îáùåå ñàìî÷óâñòâèå.
Äîêòîð Íàîìè Ìèääëòîí, êëèíè÷åñêèé ïñèõîëîãè è ýêñïåðò ïî çäîðîâüþ êèøå÷íèêà, îáúÿñíèëà, ÷òî âñå àñïåêòû ñîâìåñòíîé æèçíè - ïîöåëóè, ñîâìåñòíîå ïèòàíèå, ôèçè÷åñêàÿ áëèçîñòü è äàæå ïðîñòî ïðåáûâàíèå ðÿäîì - òåñíî ñâÿçàíû ñ ïîääåðæàíèåì ñáàëàíñèðîâàííîé êèøå÷íîé ìèêðîôëîðû. Îíà ïîä÷åðêèâàåò, ÷òî çäîðîâüå ýêîñèñòåìû êèøå÷íèêà âî ìíîãîì îïðåäåëÿåòñÿ ñîöèàëüíûìè âçàèìîäåéñòâèÿìè è ïîâñåäíåâíîé áëèçîñòüþ ñ äðóãèìè ëþäüìè.
Ïî ñëîâàì Ìèääëòîí, äëèòåëüíîå ñîâìåñòíîå ïðåáûâàíèå ñ ïàðòíåðîì ìîæåò ñïîñîáñòâîâàòü óâåëè÷åíèþ ìèêðîáíîãî ðàçíîîáðàçèÿ â êèøå÷íèêå, à òàêæå ñíèæàòü âîñïàëèòåëüíûå ïðîöåññû, ñâÿçàííûå ñî ñòðåññîì. Òàêîé ýôôåêò îáóñëîâëåí òåì, ÷òî ìèêðîáèî ...>>
Ñëó÷àéíàÿ íîâîñòü èç Àðõèâà Êâàíòîâàÿ òåëåïîðòàöèÿ ïî ãîðîäñêîìó îïòîâîëîêíó
01.10.2016
Äâå èññëåäîâàòåëüñêèå êîìàíäû, èç Êèòàÿ è èç Êàíàäû, íåçàâèñèìî äðóã îò äðóãà ñóìåëè îñóùåñòâèòü ïåðâóþ â èñòîðèè êâàíòîâóþ òåëåïîðòàöèþ íå â ëàáîðàòîðèè, à ïî îáû÷íûì ãîðîäñêèì ñèñòåìàì îïòîâîëîêîííîé ñâÿçè.
Òåîðåòè÷åñêè âîçìîæíîñòü êâàíòîâîé òåëåïîðòàöèè áûëà ïðåäñêàçàíà ôèçèêàìè â 1993 ãîäó. Ñóòü ýòîãî ÿâëåíèÿ â òîì, ÷òî òàê íàçûâàåìûå çàïóòàííûå ÷àñòèöû ìîãóò îáìåíèâàòüñÿ èíôîðìàöèåé î ñîáñòâåííîì ñîñòîÿíèè íà ðàññòîÿíèè, òàêèì îáðàçîì êàê áû ìãíîâåííî ïåðåìåùàÿñü ñ ìåñòà íà ìåñòî.  ïîñëåäíèå ãîäû àêòèâíî èäóò ýêñïåðèìåíòû, ïîêàçàâøèå, ÷òî ýòî ðåàëüíîñòü, ñ êàæäûì ðàçîì äàëüíîñòü òåëåïîðòàöèè ðàñòåò. Íî âñå îíè ïðîâîäèëèñü â ëàáîðàòîðèÿõ, â óñëîâèÿõ, äàëåêèõ îò ðåàëüíûõ, èç-çà ÷åãî çâó÷àëî êðèòèêà î íåïðèìåíèìîñòè òåõíîëîãèè â ïðèêëàäíîì êëþ÷å. Ñåé÷àñ æå ó÷åíûì óäàëîñü îñóùåñòâèòü ïåðâóþ êâàíòîâóþ òåëåïîðòàöèþ ïî îïòîâîëîêîííîé ñåòè, ïîêà íà ðàññòîÿíèå 6 è 7 êèëîìåòðîâ.
Òåõíîëîãèÿ, êîòîðóþ èñïîëüçîâàëè êèòàéñêèå è êàíàäñêèå ó÷åíûå, íåñêîëüêî îòëè÷àåòñÿ îò òîé, ÷òî èñïîëüçîâàëàñü â áîëåå ðàííèõ ýêñïåðèìåíòàõ. Îáû÷íî â ïðîöåäóðå ó÷àñòâóþò äâå ñòîðîíû, èõ ôèçèêè íàçûâàþò Àëèñîé è Áîáîì. Ñåé÷àñ æå â ýòó ñõåìó äîáàâèëè åùå îäíîãî "ïåðñîíàæà", îí ïîëó÷èë èìÿ ×àðëè. Ïî ñóòè, ýòî ïåðåäàòî÷íîå çâåíî â áóäóùåé êâàíòîâîé êîìïüþòåðíîé ñåòè, îáúÿñíÿþò ó÷åíûå.
Íåïîñðåäñòâåííî â ýêñïåðèìåíòàõ êèòàéñêèå ó÷åíûå òåëåïîðòèðîâàëè êóáèòû. Èõ ðåçóëüòàò áóäåò ïðèìåíèì äëÿ ñîçäàíèÿ êâàíòîâûõ êîìïüþòåðîâ. Êàíàäñêèå èññëåäîâàòåëè ðàáîòàëè ñ ïàðàìè ôîòîíîâ, èõ ïåðñïåêòèâíàÿ çàäà÷à - ðàçðàáîòêà íîâûõ ñèñòåì êâàíòîâîãî øèôðîâàíèÿ.
|
Äðóãèå èíòåðåñíûå íîâîñòè:
▪ Íèòè, îòñëåæèâàþùèå ãàç
▪ Èçîáðåòåí ñïîñîá ïðîòèâ çàïîòåâàíèÿ î÷êîâ
▪ Ðîáîò-ëåòó÷àÿ ìûøü
▪ Íàñòðàèâàåìûå äèíàìèêè JBL Studio 2 è JBL Arena
▪ Ñêëàäû-äèðèæàáëè Amazon
Ëåíòà íîâîñòåé íàóêè è òåõíèêè, íîâèíîê ýëåêòðîíèêè
Èíòåðåñíûå ìàòåðèàëû Áåñïëàòíîé òåõíè÷åñêîé áèáëèîòåêè:
▪ ðàçäåë ñàéòà Ýëåêòðîïèòàíèå. Ïîäáîðêà ñòàòåé
▪ ñòàòüÿ Ñîð èç èçáû âûíîñèòü. Êðûëàòîå âûðàæåíèå
▪ ñòàòüÿ Ïî÷åìó ñëîâà áûê è ï÷åëà - îäíîêîðåííûå? Ïîäðîáíûé îòâåò
▪ ñòàòüÿ Òåðìèñò. Äîëæíîñòíàÿ èíñòðóêöèÿ
▪ ñòàòüÿ Ïðîòðàâà äëÿ èìèòàöèè îðåõîâîãî äåðåâà. Ïðîñòûå ðåöåïòû è ñîâåòû
▪ ñòàòüÿ Êàê îáíàðóæèòü ýëåêòðè÷åñêèé òîê. Õèìè÷åñêèé îïûò
Îñòàâüòå ñâîé êîììåíòàðèé ê ýòîé ñòàòüå:
Ãëàâíàÿ ñòðàíèöà | Áèáëèîòåêà | Ñòàòüè | Êàðòà ñàéòà | Îòçûâû î ñàéòå

www.diagram.com.ua
2000-2026