Menu Home

Бесплатная техническая библиотека для любителей и профессионалов Бесплатная техническая библиотека


Продуктовый дозиметр. Энциклопедия радиоэлектроники и электротехники

Бесплатная техническая библиотека

Энциклопедия радиоэлектроники и электротехники / Дозиметры

Комментарии к статье Комментарии к статье

Обычные бытовые дозиметры надежно регистрируют радиационный фон и ионизирующее излучение макрообъектов (например, стен). Однако они не годятся для проверки продуктов питания, которая остается актуальной в ряде регионов страны.

Предлагаемая вниманию читателей конструкция дозиметра позволяет в какой-то мере решить эту проблему. Следует обратить особое внимание на калибровку прибора. Без достоверной калибровки такой прибор может рассматриваться как индикатор, показания которого будут основой для дальнейших действий: не покупать товар, рискнуть купить, проверить на СЭС.

Недавно автору статьи довелось посетить отдел радиационной гигиены одной из районных СЭС г. Москвы, где состоялся примерно такой разговор:

- Могу ли я проверить на радиационное загрязнение банку растворимого кофе?

- А почему Вы решили, что он загрязнен?

- Вот этот прибор (демонстрирую описываемый дозиметр) показал 900 Бк/кг.

- А как Вы его калибровали?

- Бромистым калием.

(После некоторого размышления мой собеседник попросил предъявить мое удостоверение).

- Ах, пресса! С вами могут быть неприятности...

- Почему? Я ведь бывал у Вас в начале 90-х, показывал свои приборы. Вы знакомили меня с вашей техникой, с принятыми в то время нормами допустимого загрязнения цезием и стронцием-90 различных продуктов питания...

- Нет, нет. Этого не могло быть!

- Впрочем, теперь это не так уж и важно. В печати сообщалось, что те нормы радиационного загрязнения пищевых продуктов устарели и сегодня действуют новые. Не могли бы Вы познакомить меня с ними?

- Нет.

- А как же быть с моим кофе?

- Знаете, у нас сейчас много работы...

На этом наша "беседа" закончилась.

За годы, прошедшие после трагедии Чернобыля, многое изменилось. Дозиметры, фиксировавшие тогда излучения, многократно превышавшие естественный радиационный фон. сегодня демонстрируют почти полное благополучие. Но так ли это? Ведь за все эти годы активность стронция-90 и цезия-137 - двух из "знаменитой" тройки чернобыльских радиоизотопов - уменьшилась лишь на четверть, а снижения активности третьего - плутония-239 - мы не увидим никогда: период его полураспада превышает 24000 лет.

Причина нынешнего видимого благополучия проста: дожди, грунтовые воды, ветры, пожары, различные биологические процессы, эрозия почвы снизили концентрации радиоизотопов. Разнесенные по большим площадям они стали малозаметными на фоне естественной радиации Земли и Космоса.

Как источники внешнего облучения, такие излучатели уже не представляют для человека прежней опасности. Но попадая в его организм по пищевому тракту и дыхательным путям, предельно сближаясь с жизненно важными тканями, они способны оставить на них такой "след", который не мог бы возникнуть даже при самом сильном внешнем облучении. Поэтому и сравнительно слабое радиационное загрязнение продуктов питания не может быть оставлено без внимания.

Ниже описан дозиметр, способный обнаружить загрязнения такого рода и оценить их уровень. Прибор состоит из счетного блока и измерительной головки.

Основу счетного блока (рис. 1) составляет пятиразрядный счетчик, выполненный на микросхемах DD1 - DD5. Его состояние отображается на жидкокристаллическом табло HG1. Четыре младших десятичных разряда демонстрируются обычным образом - в виде цифр. Индикация старшего (десятков тысяч) ведется в двоичном коде с использованием децимальных точек: (· - децимальная точка видна). Таким образом, максимальное число, которое может быть зафиксировано в таком счетчике, равно 159999. Забегая вперед, заметим, что такой не слишком удобный двоично-десятичный отсчет потребуется лишь при калибровке прибора; в реальных измерениях счетчик DD5 обычно остается в нулевом состоянии.

Продуктовый дозиметр
(нажмите для увеличения)

Микросхемы DD6 и DD7 задают время, в течение которого ведется подсчет импульсов, поступающих с измерительной головки. Шестиразрядный счетчик DD6 ведет счет фронтов на выходе М счетчика DD7 (по положительным перепадам, первый из которых появляется на 39-й секунде первого минутного интервала). Внутренний генератор счетчика DD7 стабилизирован кварцевым резонатором ZQ1. При указанном на рис. 1 включении DD6 (вход инвертора DD10.2 напрямую соединен с выходом 32 счетчика DD6) измерение будет длиться 31 мин 39 с.

По истечении этого времени счет прекращается (на входе 12 элемента DD9.1 появляется запрещающий сигнал лог. 0) и включается звуковой сигнал, оповещающий об окончании измерения. Сигнал лог. 1, на входе 2 элемента DD9.4, разрешает прохождение однокилогерцового меандра, снимаемого с выхода F счетчика DD7, на усилитель DD 10.4-D010.6 и парафазно подключенную к нему нагрузку - пьезоизлучатель BF1.

При очень высокой радиоактивности проверяемого продукта счетчик DD1 - DD5 может переполниться уже в ходе измерения. При этом на выходе 16 (выв. 11) счетчика DD5 появится сигнал лог. 1, что приведет к включению не только звукового, но и тревожного светового сигнала - транзистор VT1 включит светодиод HL1. В режиме тревоги на табло высвечиваются нули.

При нажатии на кнопку SB1 "Пуск" на выходе инвертора DD10.1 формируется импульс длительностью tnycк = 0,7R4·C3 = 6 мс. Он поступает на входы R всех счетчиков и переводит их в исходное нулевое состояние.

На транзисторах VT2. VT3 и стабилитроне VD1 собран стабилизатор, поддерживающий напряжение питания дозиметра практически неизменным при довольно глубоком разряде его источника питания.

Принципиальная схема измерительной головки приведена на рис. 2. На транзисторе VT4. импульсном трансформаторе Т1 и элементах R14, С6. С8, VD2-VD4 собран преобразователь. В его состав входит блокинг-генератор. на обмотке L3 трансформатора которого формируются короткие (tнип = 5... 10 мкс) импульсы с амплитудой UL3 = (Uc5·0.2)n3/n2 (Uc5 - напряжение питания преобразователя, n2 и n3 - числа витков в обмотках L2 и L3) При n3 = 420 и n2 = 6 Ul3 = 440 В. Эти импульсы, следующие с частотой Fимп = 1/R14·C6 = 10Гц, через диоды VD3, VD4 заряжают до напряжения +420...430 В конденсатор С8, который становится источником питания счетчика Гейгера BD1.

Продуктовый дозиметр

На микросхеме DD11 собран формирователь. Он преобразует сигнал с крутым фронтом и пологим спадом, возникающий на аноде счетчика Гейгера в момент его возбуждения ионизирующей частицей, в импульс длительностью tcч = 0,7R18·C10 = 0.35 мс, пригодный для передачи в счетный блок по простой трехпроводной линии.

Счетный блок смонтирован на плате, изготовленной из двустороннего фольгированного стеклотекстолита толщиной 1,5...2 мм (рис. 3).

Продуктовый дозиметр

Продуктовый дозиметр

Фольгу со стороны деталей сохраняют почти полностью и используют в основном в качестве общего провода. Для пропуска деталей она имеет выборки - кружки диаметром 1,5...2 мм (на рисунке не показаны). Места соединения с общим проводом "заземляемых" выводов конденсаторов, резисторов и других элементов обозначены сплошными зачерненными квадратами. Зачерненными квадратами со светлой точкой в центре показаны соединения с общим проводом тех или иных фрагментов монтажа, а также выводов 7 микросхем DD1 - DD6. DD8 - DD10 и вывода 8 микросхемы DD7. Под индикатором сплошной слой фольги удален, и такими квадратами обозначены контактные площадки и отверстия для перехода со слоя на слой. В эти отверстия следует впаять отрезки луженого провода.

Правильное положение табло индикатора устанавливают до его монтажа. Для этого, взяв табло за подложку и прикасаясь жалом паяльника к тому или иному его выводу, "поджигают" соответствующий сегмент индикатора.

Плата измерительной головки показана на рис. 4, фольга под деталями также сохранена почти полностью.

Продуктовый дозиметр

Счетчик Гейгера СБТ10 (СБТ10А) имеет десять отдельных анодов, их выводы (1 - 10) соединяют друг с другом пайкой. Соединение катода счетчика (выв. 11) с фольгой общего провода также должно быть паяным.

В дозиметре применены резисторы КИМ-0,125 (R2. R15) и МЛТ-0,125 (остальные). Конденсаторы С4, С5 - оксидные импортные (Ø6x13 мм), С6 - К53-30. С8 - К73-9. С9 - КД-2. остальные - КМ-6, К10-176 и т. п. Светодиод HL1 - любой, лучше красного свечения.

В трансформаторе Т1 использован кольцевой магнитопровод размерами 16x10x4,5 мм из феррита М3000НМ. Острые кромки кольца следует снять наждачной бумагой, а затем обмотать его тонкой тефлоновой или лавсановой лентой. Первой наматывают обмотку L3, она содержит 420 витков провода ПЭВ-2 0,07. Намотку ведут почти виток к витку. Между ее началом и концом оставляют промежуток 1... 1,5 мм. Саму обмотку L3 покрывают слоем изоляции, и поверх нее с большим шагом наматывают обмотку L1 (шесть витков провода ПЭВШО 0.15). Затем уже на этой обмотке располагают обмотку L2 (два витка того же провода). Обмотки нужно расположить по кольцу возможно равномернее и так, чтобы их выводы оказались возможно ближе к соответствующим монтажным контактам платы.

Во избежание повреждения трансформатора его крепят на плате между двумя эластичными шайбами.

При распайке обмоток важно не ошибиться в их фазировке (точками на рис. 2 отмечены концы обмоток, входящие в отверстие магнитопровода с одной стороны). Ошибка в фразировке нарушит работу преобразователя.

Плату счетного блока устанавливают на лицевую панель, изготовленную из ударопрочного полистирола размерами 122x92x2.5 мм. На нее наклеивают полистироловый уголок размерами 55x29x17 мм, образующий отсек для батареи "Корунд". К уголку приклеивают полистироловые рейки, образующие пазы, в которые будет введена плата счетного блока. К лицевой панели приклеивают вертикальную стойку высотой 14 мм, имеющую резьбу под винт М2. Этим винтом через отверстие диаметром 2.1 мм (см. рис. 3) плата крепится к лицевой панели. В удобном месте на панели монтируют выключатель питания ПД9-1 (на рис. 1 не показан). В соответствующих местах панели сверлят отверстия под кнопку SB1 и светодиод HL1. Под пьезоизлучатель вырезают отверстие диаметром 30 мм, на которое сверху наклеивают декоративную решетку. Общий вид смонтированной на лицевой панели платы показан на рис. 5.

Продуктовый дозиметр

В качестве корпуса счетного блока можно использовать пластмассовую коробку подходящих размеров (например, из-под шашек размерами 125x95x23 мм). Предварительно внутри нее вырезают паз глубиной 2,5 мм, в котором и будет фиксироваться лицевая панель.

Измерительную головку монтируют в корпусе с внутренней перегородкой, который изготавливают из листового ударопрочного полистирола толщиной 2 мм. Его размеры в плане - 94x73 мм, высота - 60 мм. Счетчик крепят на перегородке так, чтобы его слюдяное "окно" было направлено на кювету с исследуемым продуктом. На этой же перегородке крепят и плату преобразователя. Глубина измерительной кюветы должна быть не меньше 25 мм, ее размеры в плане - 94X73 мм. Кювету склеивают из того же листового полистирола.

В описанном здесь дозиметре использован метод измерения в "толстом слое", когда излучение нижних слоев продукта, находящегося в кювете, значительно ослабляется или полностью поглощается верхними слоями и практически не влияет на показания счетчика Гейгера. Метод "толстого слоя", позволяющий оценить радиационное загрязнение продукта в Бк/кг без его взвешивания, широко используется службами дозиметрического контроля.

Поверхность продукта, заполняющего кювету, должна находиться максимально близко к слюдяному "окну" счетчика (в авторском варианте дозиметра это расстояние равно 5 мм). Поскольку взаимное расположение контролируемого образца и счетчика влияет на результат измерения, конструкция измерительной головки должна предусматривать четкую ее фиксацию на кювете.

Налаживание дозиметра сводится к установке напряжения на выходе стабилизатора в пределах 6,3...6,7 В. Оно зависит от отношения R11/R10 и уточняется подбором одного из этих резисторов.

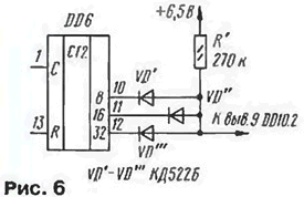
При желании блоки дозиметра можно проверить и порознь. Если вход счетного блока (выв. 13 DD9.1) соединить с выв. 4 счетчика DD7 и нажать на кнопку SB1, то через 31 мин 39 с на табло должны высветиться цифры 1899 - число секунд в интервале измерения. Время измерения можно значительно сократить, но лишь при проверке счетного блока. Если вход (выв. 9) инвертора DD10.2 подключить к выходу 4 (выв. 5) счетчика DD6. то оно будет равно 3 мин 39 с, а при включении между ними коньюнктора (диодно-резис-торной схемы "И") можно выставить с точностью до минуты любой интервал измерения в пределах от 39 с до 62 мин 39 с. Так, например, длительность измерения при использовании конъюнктора. показанного на рис. 6, будет равна 55 мин 39 с. На печатной плате (рис. 3) предусмотрено место для установки резистора и диодов конъюнктора.

Продуктовый дозиметр

Для автономной проверки измерительной головки потребуется осциллограф, работающий в ждущем режиме (развертка 5... 10 мс). Его вход подключают к выходу головки, и если она исправна, на экране осциллографа возникают импульсы положительной полярности длительностью ~0,35 мс с амплитудой, равной напряжению питания, следующие без видимого порядка со средней частотой 1...2 Гц. При наличии статического вольтметра со шкалой 1 кВ (например. С50) можно проверить напряжение питания счетчика Гейгера (на конденсаторе С8). Оно должно быть в пределах 360...430В.

Изготовленный дозиметр нужно прокалибровать. Как это можно сделать без посторонней помощи?

Прежде всего определим уровень естественного радиационного фона. Для этого измерительную головку поставим на пустую или наполненную водой кювету и выполним одно за другим не менее 10 измерений. После этого вычислим среднее значение полученных величин - Nф - число, соответствующее уровню естественного радиационного фона, а по отклонениям каждого измерения от  Nф - среднюю квадратичную ошибку - ΔNФ [1] - неточность определения Nф, первопричиной которой является краткость замера. В прямом эксперименте было получено Nф = 3500,ΔNф = 60.

Для оценки радиационной чувствительности прибора потребуется образцовый источник радиации. В этом качестве используют вещества, содержащие калий. Дело в том. что природная смесь изотопов калия содержит и калий-40 (0.0118 %) - β,γ-излу-чающий радиоизотоп с периодом полураспада свыше миллиарда лет. Его высокая и стабильная активность, отнесенная ко всей массе калия, составляет 29600 Бк/кг [2]. Именно это обстоятельство и позволяет использовать химическое соединение с известным и достаточно большим "долевым" содержанием калия в качестве тест-объекта при калибровке такого рода дозиметрических приборов. Вот некоторые из таких соединений KCI - хлористый калий, его активность Скcl = 15700 Бк/кг; К <ставляет 29600 Бк/кг [2]. Именно это обстоятельство и позволяет использовать химическое соединение с известным достаточно большим "долевым" содержанием калия в качестве тест-объекта при калибровке такого рода дозиметрических приборов. Вот некоторые из таких соединений KCI - хлористый калий, его активность Скcl = 15700/кг; КВr бромистый Ckbr = 9700 К2С03 углекислый калий составляет 29600 Бк/кг [2]. Именно это обстоятельство и позволяет использовать химическое соединение с известным достаточно большим "долевым" содержанием калия в качестве тест-объекта при калибровке такого рода дозиметрических приборов. Вот некоторые из таких соединений KCI - хлористый калий, его активность Скcl = 15700/кг; КВr бромистый Ckbr = 9700 К2С03 углекислый калий Вr - бромистый калий, CkBr = 9700 Бк/кг; К2С03 - углекислый калий (поташ). СК2СО3 = 16800 Бк/кг (все вещества - без кристаллизационной и адсорбированной воды; при каких-либо сомнениях на этот счет вещество прокаливают или сушат).

Заполним измерительную кювету до краев образцовым излучателем, например, бромистым калием, и выполним ряд измерений. После усреднения результатов и вычисления ошибки будем иметь: NKBr±ΔNKBr . В прямом эксперименте было получено NKBr = 31570, ΔNKBr = 120. Определим радиационную чувствительность прибора: K = CkBr/(NkBr - Nф) = 9700/(31570 - 3500) = 0,35 Бк/кг и оценим в Бк/кг неточность измерения активности слабых излучателей: К·ΔNф = 0,35·60 = 20 Бк/кг.

Таким образом, зафиксировав Nпрод - показание дозиметра, в кювете которого находится исследуемый продукт, и Nф - уровень фона "на сегодня", и вычислив их разность, например, Nпрод - Nф = 1000, мы установим, что расчетное радиационное загрязнение продукта составляет K(Nnpoд - NФ) = 0.35·1000=350 Бк/кг. а действительное отличается от расчетного не более чем на К·2ΔNФ = ±40 Бк/кг.

Для бытового продуктового дозиметра такая точность вполне достаточна. Но ее можно и увеличить. Например, за счет продолжительности измерения (правда, растет она довольно медленно: при увеличении экспозиции в n раз точность увеличивается лишь в Vn). Точность измерений увеличится, если проводить их в условиях пониженного радиационного фона, например, под землей на глубине 30...40 м (в метро). Можно понизить радиационный фон лишь в объеме измерительной головки, поместив ее, например, в толстостенный (>3 см) свинцовый контейнер. Подземелье и свинец должны быть, конечно, радиационно чистыми. Таким образом точность измерений может быть увеличена в несколько раз.

И в заключение - о естественной (!) радиоактивности продуктов. Ее первопричиной является все тот же калий, содержащийся почти в каждом из них [3]. В таблице приведена естественная (по калию - 40) удельная радиоактивность ряда пищевых продуктов [2]. Ее необходимо вычитать из показаний дозиметра.

Естественная (по калию-40) удельная радиоактивность пищевых продуктов, Бк/кг

  • Хлеб......20...60
  • Картофель......170
  • Капуста белокачанная......140
  • Помидоры......70...90
  • Лук......40...50
  • Чеснок......70...80
  • Пшено, рис, гречка......60...70
  • Чечевица......200
  • Горох......40...260
  • Фасоль, бобы......310...330
  • Мясо......60.. Л 30
  • Рыба......50... 100
  • Гуси, куры, утки......50...70
  • Масло рафинированное подсолнечное......190
  • хлопковое......330
  • соевое......480
  • Масло сливочное......30
  • Сметана, сливки......30...40
  • Молоко, кефир, творог, сыр......30...60
  • Молоко сухое......300
  • Яйца куриные......35...45
  • Чай......730...770
  • Какао-порошок......700...1000
  • Орехи......200...400
  • Курага......500
  • Изюм......230...260
  • Сухофрукты......170...560
  • Яблоки, ягоды......20...110

Литература

  1. Бронштейн И. Н. и Семвмдяев К. А. Справочник по математике. - М.: ГИТТЛ. 1953. с. 567.
  2. Моисеев А. А., Иванов В. И. Справочник по дозиметрии и радиационной гигиене. - М.: Энергоатомиздат, 1990, с. 69.
  3. Эвенштейн З. М. Популярная диетология. - М.: Экономика, 1990.

Автор: Ю.Виноградов, г.Москва

Смотрите другие статьи раздела Дозиметры.

Читайте и пишите полезные комментарии к этой статье.

<< Назад

Последние новости науки и техники, новинки электроники:

Хорошо управляемые луга могут компенсировать выбросы от скота 15.02.2026

Животноводство, особенно разведение крупного рогатого скота, часто обвиняют в значительном вкладе в глобальное потепление из-за мощного парникового газа - метана, который выделяется при пищеварении у жвачных животных. Это вызывает острые политические споры и призывы к сокращению потребления мяса. Однако ученые напоминают, что полная картина климатического воздействия отрасли не ограничивается только выбросами от животных: огромную роль играет окружающая экосистема - пастбища, почва и растительность, которые способны активно поглощать углекислый газ из атмосферы. Исследователи из Университета Небраски-Линкольна решили глубже изучить этот баланс. Группа под руководством профессора Галена Эриксона сосредоточилась на том, как правильно организованные пастбища накапливают углерод в растениях и грунте благодаря естественным процессам, стимулируемым выпасом скота. Ученые подчеркивают, что при достаточном уровне осадков и грамотном управлении такие луга превращаются в мощные природные погло ...>>

NASA тестирует инновационную технологию крыла 15.02.2026

Коммерческая авиация ежегодно расходует колоссальные объемы керосина, что сказывается не только на бюджете авиакомпаний, но и на состоянии окружающей среды. В 2024 году глобальные затраты на авиационное топливо достигли 291 миллиарда долларов, и эта сумма продолжает расти. Чтобы справиться с этими вызовами, NASA активно работает над технологиями, способными заметно повысить аэродинамическую эффективность самолетов. Одним из самых перспективных направлений стало создание специальной конструкции крыла, которая максимизирует естественный ламинарный поток воздуха и минимизирует сопротивление. В январе 2026 года специалисты NASA Armstrong Flight Research Center успешно провели важный этап наземных испытаний концепции Crossflow Attenuated Natural Laminar Flow (CATNLF). Для эксперимента под фюзеляж исследовательского самолета F-15B закрепили вертикально ориентированную масштабную модель высотой около 0,9 м (3 фута), напоминающую узкий киль. Такая компоновка позволила подвергнуть прототип р ...>>

Забота о внуках очень полезна для здоровья мозга 14.02.2026

Общение между поколениями приносит радость всей семье, но мало кто задумывается, насколько активно бабушки и дедушки, заботящиеся о внуках, поддерживают свою умственную форму. Регулярное взаимодействие с детьми стимулирует мозг пожилых людей, помогая сохранять память, скорость мышления и общую когнитивную активность. Новые научные данные подтверждают, что такая добровольная помощь не только важна для общества, но и может замедлять возрастные изменения в мозге. Исследователи из Тилбургского университета в Нидерландах провели анализ, чтобы понять, приносит ли уход за внуками реальную пользу здоровью пожилых людей. Ведущий автор работы Флавия Черечес отметила, что многие бабушки и дедушки регулярно присматривают за детьми, и оставался открытым вопрос, насколько это положительно сказывается на их собственном благополучии, особенно в плане когнитивных функций. Ученые поставили цель выяснить, способен ли регулярный уход за внуками замедлить снижение памяти и других умственных способ ...>>

Случайная новость из Архива

Найдена ближайшая к нам черная дыра 23.09.2022

Международная команда ученых изучила 168065 звезд и обнаружила, что одна из них вращается вокруг черной дыры . Теперь это наиболее приближенная к Солнечной системе черная дыра. Кроме того, исследователи предполагают, что где-то неподалеку скрываются другие спящие черные дыры, которые мы пока не обнаружили.

Международная команда астрофизиков в поисках черных дыр изучала траекторию движения звезд Млечного Пути. Использовав данные, полученные обсерваторией Гайя Европейского космического агентства, ученые изучили все 168 065 звезд, по их мнению, имеющих компаньонов.

Особенно их внимание привлекла звезда Gaia DR3 4373465352415301632 (сокращенно Gaia BH1). Изучив ее движение, ученые выяснили, что звезда вращается вокруг небольшой черной дыры, масса которой в 10 раз превышает массу Солнца (практически минимально возможная масса черной дыры).

Для подтверждения находки ученые проанализировали движение Gaia BH1 с помощью других телескопов, изучив, как гравитация других тел влияет на звезду. Это подтвердило подозрения ученых, ведь на Gaia BH1 очевидно влияет другое комическое тело.

Ученые считают, что они нашли первую черную дыру Млечного Пути, которую мы не обнаружили с помощью ее рентгеновского излучения или других энергетических выбросов.

Согласно моделированию, в нашей галактике существует 100 млн черных дыр, из которых мы обнаружили всего 20. До сих пор это происходило благодаря рентгеновскому излучению, которое появляется в процессе "пожирания" черной дырой звезды-компаньона. Ученые считают, что их исследование - первое из многих, которые будут сделаны на основе анализа движения звезды.

Другие интересные новости:

▪ Смартфон с системой 3D-моделирования пространства от Google

▪ Грузовой локомотив FLXdrive на аккумуляторах

▪ Сплющенная звезда

▪ Проект туннеля под Альпами

▪ Батареи с твердым Li-S-электролитом в 4 раза лучше Li-ion-аккумуляторов

Лента новостей науки и техники, новинок электроники

 

Интересные материалы Бесплатной технической библиотеки:

▪ раздел сайта Личный транспорт: наземный, водный, воздушный. Подборка статей

▪ статья Игра в бисер. Крылатое выражение

▪ статья Какие овощи имеют соцветия в виде фракталов? Подробный ответ

▪ статья Обслуживание кислородных баллонов. Типовая инструкция по охране труда

▪ статья Самодельный утюг. Энциклопедия радиоэлектроники и электротехники

▪ статья СДП с раздельной регулировкой в каналах. Энциклопедия радиоэлектроники и электротехники

Оставьте свой комментарий к этой статье:

Имя:


E-mail (не обязательно):


Комментарий:





Главная страница | Библиотека | Статьи | Карта сайта | Отзывы о сайте

www.diagram.com.ua

www.diagram.com.ua
2000-2026