Menu Home

Бесплатная техническая библиотека для любителей и профессионалов Бесплатная техническая библиотека


Охранное устройство с ключом-резистором. Энциклопедия радиоэлектроники и электротехники

Бесплатная техническая библиотека

Энциклопедия радиоэлектроники и электротехники / Охрана и безопасность

Комментарии к статье Комментарии к статье

В последнее время возрос спрос на различного рода охранные системы. В предлагаемой статье описано устройство, использующее в качестве ключа резистор определенного номинала. Устройство можно использовать для охраны помещений.

В описываемом устройстве применен аналоговый "ключ" - резистор. При подключении к контактам "замка" резистора с заданным сопротивлением режим охраны отключается. Если же дверь открыта без такого "ключа" злоумышленником, устройство сразу подает сигнал тревоги.

Следует заметить, что аналоговый "ключ" имеет некоторые недостатки. Например, при повышенной влажности, когда на элементах блока может появиться влага, возможно срабатывание сигнализации при использовании своего "ключа". Этот недостаток тем не менее не позволит злоумышленнику зайти в охраняемое помещение незаметно.

В качестве звукового излучателя сирены использована динамическая головка. Питается устройство от аккумуляторной батареи GB1. При снижении питающего напряжения ниже допустимого звучит зуммер.

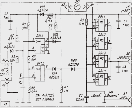
Схема устройства показана на рисунке. Непосредственно перед выходом из помещения хозяин должен установить тумблер SA1 в положение "Охрана". Устройство переходит в режим охраны через 25 с. Перед входом в помещение необходимо вставить в гнезда X1, X2 ответную часть разъема - ключ и вынуть его не ранее чем через 2 с. После этого есть еще 20 с, чтобы зайти и переключить SA1 в положение "Выкл.". Если открыть дверь, не вставляя "ключ", сразу включится сирена. Для досрочного ее отключения необходимо перевести SA1 в положение "Выкл" и нажать кнопку SB1.

Охранное устройство с ключом-резистором

Охранное устройство с ключом-резистором
(нажмите для увеличения)

Особенность системы заключается в необходимости удержания "ключа" в гнезде не менее 2 с. Благодаря этому его сопротивление невозможно подобрать простым вращением переменного резистора. Это объясняется тем, что интервал опознавания "ключа" системой находится в пределах 6...7 кОм. При использовании переменного резистора, например 100 кОм, его надо вращать со скоростью 0,5 кОм/с, чтобы система опознала "ключ". При этом весь резистор прокрутится за 200 с, тогда как на вход в помещение с "ключом" и отключение устройства выделено всего 20 с.

Блок А1 - электронный замок. Операционные усилители (ОУ) DA1.1 и DA1.2 включены по схеме компараторов напряжения. Микросхема DD1 используется для подачи сигнала тревоги в блок А2. Делитель напряжения на резисторах R4-R6 задает на выводах 3 и 6 микросхемы DA1 напряжение 4,4 и 3,5 В соответственно. Если "ключ" не вставлен (резистор R1 отключен), делитель R2R3 обеспечивает на выводах 2 и 5 напряжение 5,3 В. При таком включении ОУ, если на неинвертирующем входе напряжение больше, чем на инвертирующем, то на выходе напряжение будет близко к напряжению питания, если, наоборот, на выходе будет напряжение, близкое к нулю.

В режиме охраны (резистора R1 нет) на выходе ОУ DA1.1 - 9 В, а на выходе DA1.2 - 0. В результате на резисторе R7 присутствует высокий уровень. Диоды VD3 и VD4 осуществляют развязку выходов ОУ DA1.1 и DA1.2. Конденсатор С1 необходим для защиты от помех на выводах 2 и 5, так как они соединены с входным гнездом.

Сопротивление резистора R1 подобрано так, чтобы при его подсоединении к замку напряжение на резисторе R3 было в пределах 3,5...4,4 В. При этом на выводах обоих ОУ будет напряжение около нуля.

Микросхема DD1 - это четыре одинаковых ключа, способных коммутировать как постоянное, так и переменное напряжение. Ключ открыт при высоком уровне на входе управления V и закрыт DD1 включены параллельно.

Геркон SF1 должен быть подключен так, чтобы при закрытых дверях охраняемого помещения его контакты были разомкнуты. Если хозяин присутствует на охраняемом объекте, тумблер SA1 находится в положении "Выкл." - на входах управления ключей V низкий уровень - и даже когда дверь открыта и геркон замкнут, высокий уровень с разъема X4 не проходит на X6 "Тревога". Резистор R8 ограничивает зарядный ток конденсаторов C5 и C6, который может вывести из строя микросхему DD1.

Перед выходом из помещения хозяин переводит SA1 в положение "Охрана". При этом через резистор R9 начинает заряжаться конденсатор C3, спустя 25 с напряжение на нем достигнет уровня, достаточного для открывания ключей DD1. Устройство переходит в режим охраны. Если теперь открыть дверь, то через резистор R8 и микросхему DD1 высокий уровень попадет на контакт разъема X6 "Тревога" и включится сирена.

Хозяин перед входом в помещение должен вставить в гнезда X1, X2 "ключ" R1, при этом на выходах ОУ DA1.1 и DA1.2 будет низкий уровень. Конденсатор C3 через диод VD5 и резистор R7 разрядится за 2 с, пока вставлен "ключ". При этом на входах V элементов DD1.1-DD1.4 низкий уровень закроет ключи микросхемы DD1 и можно будет открывать дверь. Войдя внутрь помещения, надо за 25 с (пока C3 вновь не зарядился) установить SA1 в положение "Выкл.".

На микросхеме DA2 собран стабилизатор напряжения 9 В. Микросхемы DD2-DD4 формируют необходимые временные интервалы для работы сирены. Мультивибраторы сирены выполнены на микросхеме DD5.

На логических элементах DD3.1, DD3.2 собран RS-триггер. Цепь R11C7 устанавливает его в нулевое состояние (на выходе элемента DD3.1 низкий уровень) при включении питания. Если поступит сигнал "Тревога", на входе элемента DD2.1 возникнет высокий уровень, а на выходе - низкий. При этом высокий уровень, появившийся на выводе 9 DD3.3, разрешит работу мультивибратора, собранного на элементах DD3.3, DD3.4. Низкий уровень на входе R DD4 разрешит работу этому счетчику.

На входы элементов DD5.1 и DD5.4 поступит высокий уровень, который разрешит работу сирены. После того, как на счетчик DD4 поступит 210 импульсов, на его выводе 15 появится высокий уровень, на выходе DD2.2 - низкий. Это приведет к сбросу RS-триггера в начальное состояние и сирена выключится. Досрочно выключить сирену можно кнопкой SB1. Следует отметить, что оба эти варианта отключают сирену в том случае, если на выводе разъема X6 не будет высокого уровня.

Номиналы частотозадающих номиналов мультивибратора R12, С8 обеспечивают его работу на частоте примерно 1,2 Гц, при этом сирена работает около 20 мин. Это время можно изменять в широких пределах подбором R12 и С8 или подключением элемента DD2.2 к другому выходу DD4. Цепь VD6,R15,R18,C10 придает звуку сирены характерное завывание. Изменить тон сирены возможно подбором конденсаторов C11 и C12.

На транзисторах VT1-VT4 собран усилитель мощности. Вывод питания 14 микросхемы DD5 подключен непосредственно к плюсовому выводу аккумуляторной батареи GB1. Это необходимо, чтобы транзисторы усилителя мощности были надежно закрыты. Предохранитель FU2 защищает батарею от короткого замыкания в цепях устройства.

На микросхеме DD6 собран звуковой сигнализатор, который срабатывает при снижении напряжения питания до 10,2 В (при -25&№176;С до 10 В). О нем было рассказано в статье И. Александрова "Два устройства для аккумуляторной батареи" ("Радио", 1989, № 5) . Обратно смещенный эмиттерный переход транзистора VT5 играет роль экономичного стабилитрона. Его напряжение стабилизации 7,3 В практически постоянно при изменении напряжения питания от 16 до 7,8 В.

Делитель R20R21 формирует на выводе 2 элемента DD6.1 напряжение 4,3 В. Если на вывод 1 DD6.1 и вывод питания микросхемы DD6 поступает напряжение 12 В, то напряжение 4,3 В на выводе 2 воспринимается как низкий уровень. При снижении напряжения питания микросхемы до некоторого порогового значения потенциал на выводе 2 (4,3 В) начинает восприниматься как высокий уровень. На выходе элемента DD6.1 возникает низкий уровень, на выходе DD6.2 - высокий, и начинает работать зуммер на элементах DD6.3, DD6.4. Подбором резистора R22 в пределах 1 МОм...5 кОм добиваются наиболее громкого звука пьезоизлучателя.

Устройство не критично к выбору элементов. Часть цифровых микросхем имеет аналоги в серии К176, и их можно использовать. Микросхему DA2 можно заменить на КР142ЕН8Г. Транзисторы VT1-VT4 - из серий КТ972, КТ973, КТ825, КТ827, КТ829, КТ853, с любым буквенным индексом, естественно, соответствующей структуры. Диоды VD1, VD2 - любые универсальные или импульсные с допустимым прямым средним током в пределах 10...20 мА и допустимым обратным напряжением 10...20 В. Диоды VD3-VD6 могут быть из серий КД521, КД522, КД503, КД510 с любым буквенным индексом. Пьезоизлучатель BQ1 применим любой из серии ЗП. Керамические конденсаторы - К10-43а, К10-47а, К10-50а, КМ, оксидные - любые из серий К50, К52, К53. Резисторы могут быть С2-ЗЗН, МЛТ, ОМЛТ, ВС. Кнопка SB1 и тумблер SA1 - любые, так как они коммутируют слабые токи.

При работе сирены в течение 20 мин и более следует применять динамическую головку BA1 мощностью не менее 10 Вт при сопротивлении 8 Ом и не менее 20 Вт при сопротивлении 4 Ом, так как катушка сильно греется и менее мощные головки обычно выходят из строя через 3...5 мин работы.

Так как в режиме тревоги устройство потребляет значительный ток (от 1 до 2,5 А в зависимости от используемой динамической головки), то лучше применить аккумуляторную батарею GB1 от автомобиля. В этом случае не нужен выключатель питания. Устройство в режиме охраны при включенном зуммере разряда батареи потребляет ток 14 мА. Теоретически такой ток разрядит автомобильную аккумуляторную батарею за 5 месяцев, однако ее следует подзаряжать раз в два месяца.

Блок А1 удобно закрепить на двери, а блок А2 следует поместить в укромное место вместе с аккумулятором и желательно поближе к динамической головке. Для удобства монтажа устройства на объекте желательно все соединения блоков сделать через разъемы. Пары транзисторов VT1, VT3 и VT2, VT4 следует установить на теплоотводящие пластины площадью не менее 15 см 2 . Если корпус блока А2 металлический, то микросхему DA2 и транзисторы VT2, VT4 можно прикрепить к корпусу.

Налаживание устройства сводится к выбору сопротивления ключа R1 и установке порога срабатывания зуммера 10,2 В. При налаживании блока электронного замка резистор R1 заменяют переменным на 10 кОм. Вращением движка этого резистора добиваются напряжения на резисторе R3, равного середине интервала между значениями напряжения на выводах 3 и 6 микросхемы DA1. Затем желательно вместо переменного резистора установить постоянный с таким же сопротивлением.

Для налаживания зуммера необходимо использовать переменный резистор сопротивлением 1 МОм. Его включают по схеме переменного резистора вместо резисторов R20 и R21. Аккумуляторную батарею заменяют регулируемым источником напряжения и устанавливают напряжение 10,2 В. Вращением движка переменного резистора добиваются включения зуммера. После этого проверяют правильность установки порога путем изменения напряжения источника питания. При необходимости снова немного подстраивают резистор. Затем желательно переменный резистор заменить двумя постоянными, как показано на схеме. При этом повышается термостабильность работы этого узла.

Предлагаемый автором электронный "замок" можно упростить. Его лучше выполнить в одном корпусе, при этом можно заменить микросхему DD1 и элемент DD2.1 на один двувходовый И-НЕ, из двух синхронно работающих мультивибраторов DD3.3, DD3.4 и DD5.1, DD5.2 оставить один, исключить элементы DD6.1 и DD6.2, убрать стабилизатор напряжения DA2, поскольку микросхемы КМОП и операционные усилители работают в широком диапазоне питающего напряжения. Если же оставить DA2, не нужен стабилизатор напряжения на транзисторе VT5, используя выходное напряжение DA2.

Если выключатель SA1 поставить в цепь питания устройства, намного увеличится интервал между перезарядками аккумулятора и отпадает необходимость в кнопке SB1. Для защиты устройства от порчи подачей внешнего напряжения через контакты Х1 и Х2 диод VD1 целесообразно заменить на резистор сопротивлением 3,3 кОм, соответственно уменьшив R1, а параллельно R3 подключить стабилитрон на 9...12 В.

Входы микросхемы DD1 желательно защитить диодами. Для этого нужно к разъему Х4 подключить два диода: один - анодом к Х4, катодом к источнику питания, другой - катодом к Х4, анодом к общему проводу.

Автор: А.Руденко, г.Харьков, Украина

Смотрите другие статьи раздела Охрана и безопасность.

Читайте и пишите полезные комментарии к этой статье.

<< Назад

Последние новости науки и техники, новинки электроники:

Глазные капли, возвращающие молодость зрению 05.10.2025

С возрастом человеческий глаз постепенно теряет способность четко видеть на близком расстоянии - развивается пресбиопия, или возрастная дальнозоркость. Этот естественный процесс связан с утратой эластичности хрусталика и ослаблением цилиарной мышцы, отвечающей за фокусировку. Миллионы людей по всему миру сталкиваются с необходимостью носить очки для чтения или прибегают к хирургическим методам коррекции. Однако исследователи из Центра передовых исследований пресбиопии в Буэнос-Айресе представили решение, которое может стать удобной и неинвазивной альтернативой - специальные глазные капли, способные улучшать зрение на длительный срок. Разработку возглавила Джованна Беноцци, директор Центра. По ее словам, цель исследования состояла в том, чтобы предоставить пациентам с пресбиопией эффективный и безопасный способ коррекции зрения без хирургического вмешательства. Новые капли, созданные на основе пилокарпина и диклофенака, показали убедительные результаты: уже через час после первого пр ...>>

Цифровая рация Xiaomi Digital Walkie Talkie 05.10.2025

Компания Xiaomi представила современное устройство, объединившее классические принципы радиосвязи с возможностями цифровых технологий. Новинка под названием Xiaomi Digital Walkie Talkie демонстрирует, как привычные рации могут быть переосмыслены в духе времени. Устройство оснащено цветным дисплеем диагональю 1,57 дюйма, который отображает список контактов, параметры соединения и даже примерное местоположение собеседника. Такой подход превращает стандартную рацию в компактное средство связи, сочетающее функциональность смартфона и устойчивость профессиональной техники. Одним из ключевых преимуществ стала высокая автономность. Встроенный аккумулятор емкостью 2500 мА·ч обеспечивает до 100 часов работы в режиме ожидания и около 14 часов непрерывных разговоров, что особенно важно в экспедициях, на дальних маршрутах или в зонах, где подзарядка невозможна. Согласно данным портала unionrayo.com, такое время работы выгодно отличает устройство от большинства аналогов. По дальности дейст ...>>

Открыт обращаемый драйвер старения 04.10.2025

Недавняя работа ученых из Сямэньского университета в Китае показала, что в гипоталамусе, главном регуляторе внутренних функций организма, кроется один из ключей к продлению молодости. Команда под руководством Лиге Ленга обнаружила, что снижение уровня белка менина в гипоталамусе связано с ускорением процессов старения. Менин, как выяснилось, играет важную роль в предотвращении воспаления и поддержании нормальной работы нейронов. Когда его уровень снижается, в мозге возрастает активность воспалительных сигналов, что запускает цепную реакцию возрастных изменений во всем организме - от ослабления когнитивных функций до потери плотности костей и истончения кожи. Чтобы понять, как именно менин влияет на старение, ученые вывели генномодифицированных мышей, у которых этот белок можно было выборочно отключить. Даже у молодых животных такое вмешательство быстро привело к ухудшению памяти, снижению прочности костей и эластичности кожи, а также к укорочению жизни. Эти результаты убедительно ...>>

Случайная новость из Архива

Фитнес-трекер Moov NOW 25.07.2015

Компания Moov, специалисты которой заняты созданием инновационных фитнес-гаджетов, объявила о старте продаж второго поколения фирменных носимых устройств, которые придутся по вкусу всем любителям держать себя в тонусе благодаря эффективным занятиям спортом.

Фитнес-браслет Moov NOW, по словам разработчиков, станет не просто еще одним "умным" браслетом на рынке, который сможет определять уровень вашей физической активности, количество сожженных калорий и пройденное расстояние, передавая все собранные данные на сопряженное с трекером мобильное устройство. Главной фишкой Moov NOW является так называемая функция "персонального тренера", которую готова взять на себя крохотная носимая электроника.

Стоит начать с того, что фитнес-браслет рекомендуется носить не только на запястье, но и крепить в районе щиколотки. В первом случае Moov NOW с максимальной точностью отследит выполняемые во время тренировок движения, в которых задействованы руки и верхняя часть тела благодаря "3D-системе" из датчиков, позволяющей фиксировать текущее положение вашего тела.

При втором варианте эксплуатации с креплением чуть выше стопы мобильное приложение-компаньон получит возможность давать советы пользователю браслета касательно техники бега и оптимального распределения нагрузок на ноги, скажем, во время велопрогулки.

В Moov NOW предусмотрено пять режимов - ходьба и бег, катание на велосипеде, плавание, кардиотренировка с боксерским мешком. "Умная" электроника, готовая в режиме онлайн давать вам грамотные и уместные подсказки, поспособствует снижению уровня травматизма, отследит вашу суточную активность и проанализирует технику выполняемых движений, займется мониторингом качества сна и предоставит отчет об эффективности тренировок. А вот измерять сердечный ритм защищенный от влаги и воды Moov NOW, к сожалению, не умеет.

Автономное функционирование гаджета обеспечивает не аккумулятор, а стандартная батарейка для часов, которая способна поддерживать работу электроники на протяжении шести месяцев. В данный момент фитнес-трекер Moov NOW доступен для заказа на сайте компании-производителя по акционной цене $60, что на 40 % ниже его заявленной розничной стоимости.

Другие интересные новости:

▪ Автозаправка на дому

▪ Зарядное устройство смартфона преобразует бытовой шум в электричество

▪ Африка кормит Бразилию

▪ Венеция тонет

▪ Кристалл из электронов

Лента новостей науки и техники, новинок электроники

 

Интересные материалы Бесплатной технической библиотеки:

▪ раздел сайта Регуляторы тока, напряжения, мощности. Подборка статей

▪ статья Иллюзии из-за особенностей строения глаза. Энциклопедия зрительных иллюзий

▪ статья В честь какого неудачного покорителя космоса назван лунный кратер? Подробный ответ

▪ статья Болотоцветник щитолистный. Легенды, выращивание, способы применения

▪ статья Установка Квадро-эффект. Энциклопедия радиоэлектроники и электротехники

▪ статья Трехстворчатая ширмочка. Секрет фокуса

Оставьте свой комментарий к этой статье:

Имя:


E-mail (не обязательно):


Комментарий:





Главная страница | Библиотека | Статьи | Карта сайта | Отзывы о сайте

www.diagram.com.ua

www.diagram.com.ua
2000-2025