Menu Home

Бесплатная техническая библиотека для любителей и профессионалов Бесплатная техническая библиотека


Малогоборитный аэронизатор. Энциклопедия радиоэлектроники и электротехники

Бесплатная техническая библиотека

Энциклопедия радиоэлектроники и электротехники / Медицина

Комментарии к статье Комментарии к статье

Разработка нового аэроионизатора была предпринята с целью создать компактный домашний прибор. Но прежде, чем появилась завершенная конструкция, автором проведено немало экспериментов. Сначала они проводились с простым тринисторным высоковольтным преобразователем, от которого впоследствии пришлось отказаться по причине создаваемых им электромагнитных помех и малого КПД. В дальнейшем был изготовлен однотранзисторный преобразователь, положенный в основу описываемого аэроионизатора.

Оба типа преобразователей позволяли получать на ионизирующем электроде отрицательный потенциал до 80 кВ. Для изменения напряжения на электроде использовался регулируемый автотрансформатор, с выхода которого питающее напряжение частотой 50 Гц подавалось на преобразователь.

Напряжение на электроде измерялось вольтметром с магнитоэлектрическим стрелочным индикатором (ток полного отклонения стрелки 50 мкА) и добавочным резистором сопротивлением 2 ГОм, составленным из 20 последовательно соединенных резисторов по 100 МОм каждый). Таким образом, предел измеряемого напряжения составлял 100 кВ.

В экспериментах использовался электрод в виде пучка тонких заостренных на концах проводников (в форме "одуванчика"). Результаты измерений показали, что уже при потенциале 20 кВ на расстоянии 2 м от ионизирующего электрода концентрация аэроионов находится на уровне максимально допустимой санитарными нормами. Поэтому при любых больших значениях потенциала на электроде минимальное расстояние, на котором возможно длительное пребывание человека, становится еще больше.

Другой важный вывод заключается в том, что концентрация легких аэроионов существенно уменьшается при удалении от электрода - примерно в 10 раз на каждом метре удаления. Этот спад обусловлен рекомбинацией (гибелью) ионов, а также их захватом различными аэрозольными частицами, загрязняющими воздух. Из-за рекомбинации среднее время существования (продолжительность "жизни") легких аэроионов весьма ограничено и практически не превышает десятка секунд. Поэтому принципиально невозможно создать в помещении равномерное распределение аэроионов, и уж тем более пытаться насытить ими воздух в нескольких помещениях, если ионизатор установлен только в одном из них.

Бесполезно также пытаться запастись аэроионами впрок. После выключения прибора их концентрация быстро упадет до фонового уровня. Но польза от поработавшего прибора все равно будет проявлять себя еще долгое время в виде чистого воздуха. При необходимости насыщения аэроионами нескольких помещений нужно каждое из них оснащать ионизатором или пользоваться переносным прибором.

С учетом сказанного и был разработан компактный аэроионизатор, названный автором "Корсан" (рис. 1).

Высоковольтный преобразователь и коронирующий электрод в нем конструктивно объединены в одно целое посредством разъема. В качестве корпуса преобразователя применена половина пластмассовой мыльницы внешними габаритами 110х80х30 мм, в которой размещены плата однотранзисторного автогенератора с бестрансформаторным питанием от сети 220 В, диодный умножитель напряжения, токоограничивающий защитный резистор и гнездо для крепления электрода.

На корпусе прибора отсутствует выключатель питания, поскольку пользоваться им невозможно из-за возникновения статического заряда на теле человека при приближении к работающему прибору. Поэтому аэроионизатор оснащен длинным (не менее 2 м) гибким шнуром питания с вилкой на конце, которой и осуществляется включение и выключение прибора.

Габариты корпуса позволяют разместить в нем диодный умножитель на 40 кВ и более. Но основываясь на опыте трехлетней эксплуатации ионизатора в быту и в медицинских учреждениях, следует признать целесообразным для бытового применения выбор потенциала на электроде от 15 до 30 кВ.

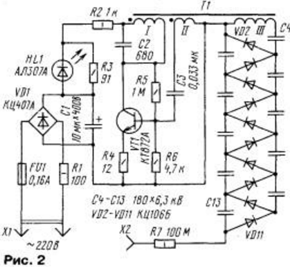
Электрическая схема аэроионизатора приведена на рис. 2.

Переменное напряжение сети 220 В с помощью диодного моста VD1 и конденсатора С1 преобразуется в постоянное напряжение около 310 В, которым питается высоковольтный автогенератор. Он выполнен на транзисторе VT1 и трансформаторе Т1. Обмотка I и конденсатор С2 образуют колебательный контур, включенный в коллекторную цепь транзистора последовательно с резистором R2 и индикаторным светодиодом HL1, зашунтированным резистором R3. С обмотки II через разделительный конденсатор С3 на базу транзистора подается напряжение положительной обратной связи. Резисторы R4-R6 определяют режим автосмещения на базе.

На повышающей обмотке III развивается переменное напряжение с амплитудой около 3 кВ, которое подводится к умножителю на диодах VD2-VD11 и конденсаторах С4-С13. При десяти каскадах умножения достигается отрицательный потенциал 30 кВ. При использовании восьмикаскадного умножителя на его выходе будет соответственно 24 кВ. Выход умножителя соединен с гнездом Х2 через защитный резистор R7, ограничивающий ток при случайном касании коронирующего электрода до безопасного значения.

Самый ответственный элемент устройства - высоковольтный трансформатор (рис. 3). Он выполнен на одиннадцатисекционном цилиндрическом каркасе 2 с магнитопроводом 1 диаметром 8 мм из феррита М400НН.

Повышающая обмотка III содержит 3300 витков провода ПЭЛШО 0,06 и равномерно уложена в секциях каркаса по 300 витков в каждой. Обмотка I содержит 300 витков ПЭЛШО 0,1 и намотана в три ряда на гильзе 4, расположенной на краю каркаса со стороны левого по схеме вывода обмотки III. Четыре витка обмотки обратной связи II намотаны проводом ПЭЛШО 0,1 поверх обмотки I и отделены от нее слоем изолирующей ленты (скотч) 3.

Длина каркаса с магнитопроводом может лежать в пределах 70...100 мм и определяется размерами корпуса. Каркас 2 и гильза 4 трансформатора могут быть склеены из 3-4 слоев бумаги, используемой для принтеров или ксероксов. Щечки для разделения секций можно изготовить из плотной бумаги толщиной 0,3...0,5 мм. Но лучше всего, конечно, выточить секционный каркас из диэлектрика (фторопласт, полистирол, оргстекло, эбонит или плотная древесина).

Начало и конец обмотки III подпаивают к выводам 5, приклеенным к краям каркаса. Выводы легко выполнить из одножильного медного провода диаметром 0,4...0,5 мм, но нельзя создавать короткозамкнутых витков. Этими же выводами трансформатор крепят к плате. Выводы обмоток I и II подпаивают к плате с соблюдением указанной на схеме фазировки.

Описанная конструкция допускает работу трансформатора без какой-либо специальной пропитки.

Лучшие результаты будут получены, если вместо указанного на схеме биполярного транзистора КТ872А применить любой транзистор БСИТ из серий КП810, КП953 или КП948А (вывод затвора используется как база, стока - коллектор, истока - эмиттер). Диодный мост VD1 - любой, рассчитанный на выпрямленный ток не менее 100 мА и обратное напряжение не ниже 400 В; выпрямительные столбы VD2-VD11 - КЦ106Б-КЦ106Г или любые из серий КЦ117, КЦ121- КЦ123. Конденсатор С1 - емкостью от 1 до 10 мкф на напряжение не ниже 315 В; С2, С3 - любого типа, но С2 на рабочее напряжение не менее 315 В; С4-С13 - К15-5 емкостью 100-470 пф на напряжение 6,3 кВ. Светодиод - любой с видимым излучением. Резисторы R1-R6 - С2-23, С2-33, МЛТ, ОМЛТ; R7 - С3-14-0,5 или С3-14-1.

При использовании исправных деталей и безошибочном монтаже аэроионизатор начинает работать сразу. Контроль работы автогенератора и измерение его основных параметров удобно проводить с помощью миллиамперметра переменного тока с пределом измерения 25-50 мА и осциллографа, позволяющего наблюдать на экране электрический сигнал с размахом не менее 600 В. Измеритель тока позволяет определять и минимизировать потребляемую от сети мощность, а осциллограф - визуально контролировать и оптимизировать работу устройства, а также косвенно определять значение постоянного напряжения на выходе умножителя.

Измеритель переменного тока включают в разрыв любого сетевого провода. Но прежде, чем вставить вилку Х1 в сетевую розетку, запомните, что аэроионизатор питается без разделительного трансформатора и, следовательно, любой его элемент находится под опасным для человека напряжением относительно нулевого провода. Поэтому помните о мерах безопасности и соблюдайте их!

Первое включение целесообразно сделать без диодного умножителя. При отсутствии генерации (контролируют осциллографом, подключенным к коллектору транзистора) надо обратить внимание на потребляемый ток (ток покоя). Если он не превышает 1 мА, возможно, транзистор имеет пониженный коэффициент передачи тока базы, и его лучше заменить. Но можно попытаться увеличить ток покоя подбором резистора R5 с меньшим сопротивлением.

Если ток покоя находится в пределах 2...5 мА, а генерации нет, причиной ее отсутствия может быть неправильная фазировка выводов обмоток трансформатора. В этом случае бывает достаточно поменять местами концы любой из обмоток - I или II. Если и после этого генерация не возникает или колебания есть, но весьма малой амплитуды (транзистор работает без отсечки), придется увеличить число витков (на 1 ...2) обмотки обратной связи II.

В нормально работающем генераторе (его частота 40...60 кГц) пиковое напряжение на коллекторе относительно общего провода находится в пределах 500...600 В, угол отсечки транзистора близок к 90° (транзистор насыщен в течение четверти периода), потребляемый ток не превышает 15 мА. При таком режиме в транзисторе выделяется мощность не более 1 Вт, и его можно использовать без радиатора.

Следует иметь в виду, что КПД генератора связан с углом отсечки транзистора. Значение этого параметра нетрудно оптимизировать с помощью осциллографа подбором резистора R4 и напряжения на обмотке II. Чем больше напряжение (больше витков) и меньше сопротивление резистора, тем больше угол отсечки. Зависимость КПД от угла отсечки носит экстремальный характер, и оптимальный режим достигается при значениях угла 80-100°.

После того, как будет закончена настройка генератора, можно измерить с помощью осциллографа амплитуду напряжения на повышающей обмотке III. Для этого проще всего воспользоваться емкостным делителем напряжения (рис. 4).

Конденсатор С1 должен быть с рабочим напряжением не менее 3000 В, например КВИ, а конденсатор С2 - любого типа. Коэффициент деления такой цепочки при указанных номиналах конденсаторов и входной емкости осциллографа 100 пф равен 100.

С достаточной точностью напряжение на ионизирующем электроде (на гнезде Х2) определяется умножением амплитудного значения напряжения на повышающей обмотке III на число каскадов диодного умножителя.

В завершение настройки можно испытать работу устройства с подключенным умножителем. Для этого его надо соединить с повышающей обмоткой III проводами длиной не менее 10 см и расположить на листе из хорошего диэлектрика (оргстекло, гетинакс и др.). Наилучшим способом проверки является измерение отрицательного потенциала на выходе умножителя относительно заземленного провода с помощью высоковольтного вольтметра. Но можно ограничиться и простым включением. В нормально работающем преобразователе, как правило, между выводами конденсаторов диодного умножителя происходит коронный разряд, сопровождаемый характерным шипением и запахом озона, но возможны и искровые разряды.

Эксплуатировать аэроионизатор в таком виде, конечно, нельзя. Требуется как минимум герметизация умножителя диэлектрическим компаундом. Если будет принято решение о герметизации только одного умножителя, то конструкция всего ионизатора должна быть такой, чтобы расстояние между коронирующим электродом и высоковольтным блоком было не менее 1 м. В противном случае надежность аэроионизатора резко падает и он может выйти из строя уже через несколько месяцев. По корпусу высоковольтного блока через имеющиеся стыки и зазоры начинают протекать микротоки, со временем переходящие в искровые разряды, что обусловлено не только неизбежным оседанием аэрозольных частиц на его поверхности, но и их проникновением внутрь корпуса.

В описываемой конструкции герметизированы все детали устройства эпоксидным клеем ЭДП. Перед заливкой узлы и элементы монтируют в диэлектрическом корпусе с толщиной стенок не менее 1,5 мм. Надо принять меры по устранению возможных протечек смолы через отверстия, используемые для крепления разъема, светодиода и ввода сетевого шнура. Для этого диаметр отверстий следует точно согласовать с соответствующими элементами. Можно воспользоваться предварительной герметизацией этих мест клеем ПВА, "Момент", БФ и др.

Клей ЭДП используют в соответствии с прилагаемой к нему инструкцией. Перед смешиванием с отвердителем основу разогревают до температуры 70...90°С для повышения текучести и ускорения процесса отверждения. Но надо обязательно учитывать, что после смешения компонентов реакция отверждения происходит с выделением большого количества тепла. При объеме смолы более 50 мл может произойти саморазогрев с закипанием и отверждением в течение нескольких минут. Поэтому необходимо использовать наполнитель (кварцевый или речной песок), вводимый в уже подготовленную к заливке массу в объемном соотношении 1:1.

Эксплуатация прибора возможна не ранее 24 часов после заливки корпуса.

Автор: В.Н.Коровин

Смотрите другие статьи раздела Медицина.

Читайте и пишите полезные комментарии к этой статье.

<< Назад

Последние новости науки и техники, новинки электроники:

Хорошо управляемые луга могут компенсировать выбросы от скота 15.02.2026

Животноводство, особенно разведение крупного рогатого скота, часто обвиняют в значительном вкладе в глобальное потепление из-за мощного парникового газа - метана, который выделяется при пищеварении у жвачных животных. Это вызывает острые политические споры и призывы к сокращению потребления мяса. Однако ученые напоминают, что полная картина климатического воздействия отрасли не ограничивается только выбросами от животных: огромную роль играет окружающая экосистема - пастбища, почва и растительность, которые способны активно поглощать углекислый газ из атмосферы. Исследователи из Университета Небраски-Линкольна решили глубже изучить этот баланс. Группа под руководством профессора Галена Эриксона сосредоточилась на том, как правильно организованные пастбища накапливают углерод в растениях и грунте благодаря естественным процессам, стимулируемым выпасом скота. Ученые подчеркивают, что при достаточном уровне осадков и грамотном управлении такие луга превращаются в мощные природные погло ...>>

NASA тестирует инновационную технологию крыла 15.02.2026

Коммерческая авиация ежегодно расходует колоссальные объемы керосина, что сказывается не только на бюджете авиакомпаний, но и на состоянии окружающей среды. В 2024 году глобальные затраты на авиационное топливо достигли 291 миллиарда долларов, и эта сумма продолжает расти. Чтобы справиться с этими вызовами, NASA активно работает над технологиями, способными заметно повысить аэродинамическую эффективность самолетов. Одним из самых перспективных направлений стало создание специальной конструкции крыла, которая максимизирует естественный ламинарный поток воздуха и минимизирует сопротивление. В январе 2026 года специалисты NASA Armstrong Flight Research Center успешно провели важный этап наземных испытаний концепции Crossflow Attenuated Natural Laminar Flow (CATNLF). Для эксперимента под фюзеляж исследовательского самолета F-15B закрепили вертикально ориентированную масштабную модель высотой около 0,9 м (3 фута), напоминающую узкий киль. Такая компоновка позволила подвергнуть прототип р ...>>

Забота о внуках очень полезна для здоровья мозга 14.02.2026

Общение между поколениями приносит радость всей семье, но мало кто задумывается, насколько активно бабушки и дедушки, заботящиеся о внуках, поддерживают свою умственную форму. Регулярное взаимодействие с детьми стимулирует мозг пожилых людей, помогая сохранять память, скорость мышления и общую когнитивную активность. Новые научные данные подтверждают, что такая добровольная помощь не только важна для общества, но и может замедлять возрастные изменения в мозге. Исследователи из Тилбургского университета в Нидерландах провели анализ, чтобы понять, приносит ли уход за внуками реальную пользу здоровью пожилых людей. Ведущий автор работы Флавия Черечес отметила, что многие бабушки и дедушки регулярно присматривают за детьми, и оставался открытым вопрос, насколько это положительно сказывается на их собственном благополучии, особенно в плане когнитивных функций. Ученые поставили цель выяснить, способен ли регулярный уход за внуками замедлить снижение памяти и других умственных способ ...>>

Случайная новость из Архива

Самый мощный в мире рентгеновский лазер 21.09.2023

В Национальной ускорительной лаборатории SLAC, под юрисдикцией Министерства энергетики США, успешно запущен Linac Coherent Light Source II (LCLS-II) - самый мощный рентгеновский лазер на свободных электронах (XFEL) в мире.

Этот новейший рентгеновский лазер, обновленный на основе источника когерентного излучения Linac (LCLS), обещает беспрецедентные возможности, которые могут открыть новую эпоху в рентгеновских исследованиях.

Эксперты полагают, что LCLS-II с его потенциалом исследования внутренней структуры и свойств материалов на атомарном и молекулярном уровне может привести к революционным открытиям в области разработки материалов с уникальными характеристиками. Эти открытия, в свою очередь, окажут влияние на множество отраслей - от электроники до сферы хранения энергии и аэрокосмической промышленности.

LCLS-II будет генерировать рентгеновские лучи, яркость которых превышает уже существующий в SLAC рентгеновский лазер на свободных электронах, LCLS, более чем в 10 000 раз.

Скорость создания рентгеновских вспышек также увеличится с 120 вспышек в секунду до одного миллиона вспышек в секунду.

Другие интересные новости:

▪ Разновидности сов и жаворонков

▪ Белые грибы замедляют старение

▪ Испарительные камеры в системах охлаждения смартфонов

▪ Смартфон Vivo Xplay управляется взглядом

▪ Кофемашина Rapid Cold Brew Coffee Maker для холодных напитков

Лента новостей науки и техники, новинок электроники

 

Интересные материалы Бесплатной технической библиотеки:

▪ раздел сайта Типовые инструкции по охране труда (ТОИ). Подборка статей

▪ статья Игольное ушко. Крылатое выражение

▪ статья Кто сделал копию самого себя из дерева, пересадив затем скульптуре свои зубы и волосы? Подробный ответ

▪ статья Акка. Легенды, выращивание, способы применения

▪ статья Сварочные - на выбор. Энциклопедия радиоэлектроники и электротехники

▪ статья Сила пальца. Секрет фокуса

Оставьте свой комментарий к этой статье:

Имя:


E-mail (не обязательно):


Комментарий:





Главная страница | Библиотека | Статьи | Карта сайта | Отзывы о сайте

www.diagram.com.ua

www.diagram.com.ua
2000-2026