Menu Home

Бесплатная техническая библиотека для любителей и профессионалов Бесплатная техническая библиотека


Часы на светодиодных индикаторах КЛЦ202А. Энциклопедия радиоэлектроники и электротехники

Бесплатная техническая библиотека

Энциклопедия радиоэлектроники и электротехники / Часы, таймеры, реле, коммутаторы нагрузки

Комментарии к статье Комментарии к статье

Настольные часы, о которых рассказывает эта статья, отличаются от многих аналогичных конструкций тем, что в них применены не люминесцентные, а крупногабаритные светодиодные индикаторы. Будильник в этих часах издает двухтональный сигнал с регулируемым временем звучания и имеет индикатор включенного состояния. Кроме того, конструкция обеспечивает гашение незначащего нуля на табло часов и резервирование питания часовых микросхем.

Принципиальная схема часов приведена на рис. 1. Для отображения времени в них использованы четыре крупногабаритных светодиодных индикатора с общим анодом. В экспериментах применялись КЛЦ202А, КЛЦ202В, КЛЦ402Б с h = 18 мм и КИПЦ04А с h = 25 мм. Основу самих часов составляют интегральные схемы К176ИЕ12 и К176ИЕ13, описанные в [1, 2]. Элементы DD1, ZQ1, R1, R2, С1 - C3 образуют генератор с делителем частоты, a DD2, VD3 - VD5, R5, С4 - основной счетчик с элементами управления. Включение этих микросхем типовое. В качестве катодного дешифратора применена ТТЛ микросхема К514ИД2, питающаяся от цепи +Uпит через балластный резистор R9. Такое включение несколько некорректно, поскольку входные напряжения для К514ИД2 превышают в этом случае допустимые. Но это имеет и свое преимущество - из часов удалось удалить катодные ключи (семь транзисторов с базовыми резисторами).

Часы на светодиодных индикаторах КЛЦ202А
(нажмите для увеличения)

Анодные ключи выполнены на транзисторах VT3 - VT10. Устройство гашения незначащего нуля максимально упрощено и содержит всего три элемента - VD7, VD8, R17. Его действие основано на фиксации зажигания сегмента f, который является отличительным признаком цифры 0 по отношению к цифрам 1 и 2. При появлении на выходе f дешифратора низкого логического уровня (менее 1 В) диод VD8 открывается и шунтирует базовый ток транзистора VT9. Ключ на транзисторах VT9. VT10 закрывается и гасит индикатор десятков часов. В качестве разделительных точек циферблата используются одиночные светодиоды HL1 и HL2, мигающие в такт секундным импульсам.

Узел отключения индикации содержит тиристор VS1 и транзистор VT2. В рабочем режиме VS1 удерживается в открытом состоянии проходящим через него током питания микросхемы DD3, величина которого находится в пределах 30...40 мА. При отключении сетевого питания VS1 закрывается, микросхема DD3 от питания отключается и индикаторы гаснут. При дальнейшем включении питания тиристор VS1 остается закрытым и цифры не зажигаются, хотя разделительные точки мигают. Это привлекает внимание пользователя и напоминает ему о том, что после включения часов их показания надо сверить по другим часам (ведь неизвестно, какой длительности был перебой в питании). Включается же индикация нажатием кнопки SB3 ("Б"), при этом импульсы частотой 128 Гц, появившиеся на базе транзистора VT2, усиливаются им по току и открывают тиристор VS1.

Будильник выполнен на микросхемах DD4 и DD5 и работает следующим образом. Импульсы с выхода HS микросхемы К176ИЕ13 детектируются цепью VD9R18C6, и отрицательный перепад напряжения с выхода элемента DD5.1 через цепочку R19C7 запускает ждущий мультивибратор на элементах DD4.4 и DD5.2. В результате включается генератор на элементах DD5.3, DD5.4 и его противофазные выходные сигналы управляют работой коммутатора на элементах DD4.1 - DD4.3. В итоге на базу выходного транзистора проходит либо сигнал частоты 512 Гц (с выв. 1 микросхемы DD4), либо 1024 Гц (с выв. 5 микросхемы DD4). Таким образом формируется двухтональный сигнал, прерываемый импульсами частотой 1 Гц, поступающими через резистор R24. Частота переключения коммутатора определяется параметрами элементов R23, С9, а время звучания сигнала - элементами R21, С8.

При указанных на схеме номиналах элементов эту длительность можно изменять от 0 до 60 с. Кнопка SB5 выполняет функции выключателя будильника, а светодиод HL3 - индикатора его включенного состояния. Диод VD10 блокирует выдачу звукового сигнала при ложном срабатывании ждущего мультивибратора не в установленное время (например, под действием помех).

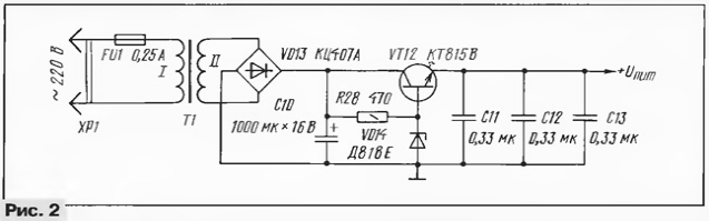
Источник питания часов состоит из трансформатора T1, выпрямителя - VD13C10, и стабилизатора напряжения на элементах VT12, VD14, R28 (рис. 2). Его выходное напряжение около 8,5 В. В случае перебоя сетевого питания микросхемы DD1, DD2 получают подпитку от конденсатора С5, за счет чего поддерживается ход часов еще в течение некоторого времени (естественно, без индикации времени). Ряд элементов часов в этом режиме устраняет утечки с выходов работающих микросхем в отключенную часть часового устройства.

Часы на светодиодных индикаторах КЛЦ202А

Так, диод VD12 препятствует утечке тока через выв. 5 микросхемы DD4. Эмиттерный переход транзистора VT1 закрывается диодом VD1, а выходы микросхемы К176ИЕ13 переводятся в высокоомное состояние низким логическим уровнем на входе V. Резистор R24 большого сопротивления уменьшает утечку через выв. 8 и 12 микросхемы DD5. Все эти меры позволяют эффективно использовать энергию заряженного конденсатора С5. Емкость же последнего выбирают, исходя из ожидаемой длительности перебоев питания. Экспериментально при Uпит = 9 В получены такие значения времени сохранения хода при следующих емкостях конденсатора С5:

  • 1000 мк х 16 В (К50-16) - 5 мин;
  • 2200 мк х 25 В (К50-35) - более 10 мин;
  • 6800 мк х 10 В (PHILIPS) - более 1 ч.

При более длительных перебоях в питании применение обычного конденсатора становится нерациональным, лучшие результаты удается получить при использовании ионистора или аккумуляторной батареи. Конденсатор емкостью 1 Ф х 6,3 В поддерживает ход не более 20 ч (схема включения С5 в этом случае должна быть изменена в соответствии с рис. 3), а батарея из четырех элементов Д - 0,26 Д - более четырех суток. В последнем варианте часы полезно дополнить устройством автоматической подзарядки аккумуляторов.

Часы на светодиодных индикаторах КЛЦ202А

Разумеется, все приведенные способы питания не исключают классического решения - применения батареи "Крона" или ей подобной.

Основные узлы часов собраны на печатной плате размерами 120x70 мм. При монтаже были использованы постоянные резисторы: КИМ (R1) (он может быть заменен 2 - 3 резисторами МЛТ) и МЛТ (остальные), переменный резистор - СПЗ - 9а (R21). Все оксидные конденсаторы - К50 - 16, К50 - 33 или импортные аналоги, С1 - КТ4 - 25, остальные - керамические К10 - 7 или КМ. Конденсаторы С11 - С13 напаиваются непосредственно на выводы питания микросхем DD1, DD2, DD4. В качестве транзистора VT12 можно использовать КТ815, КТ817; а транзисторов VT4, VT6, VT8, VT10 - КТ208, КТ209, КТ313; остальные - КТ315, КТ3102, КТ503 с любыми буквенными индексами. На транзисторе VT12 закреплен теплоотвод в виде алюминиевой пластины размером 15x25 мм. Стабилитрон VD14 - любой малогабаритный, напряжением стабилизации 9...10 В при токе стабилизации не менее 20 мА (Д814Б1, Д814В1, Д818 (А - Е и др). Диоды VD1 - VD12 - любые малогабаритные кремниевые. Тиристор подойдет из серии КУ101. Светодиоды HL1 и HL2 выбирают одного цвета с цифровыми индикаторами (и желательно одного оттенка). Светодиод HL3 со свечением любого цвета. Использован кварцевый резонатор в цилиндрическом корпусе от наручных часов. Динамическая головка - любая мощностью 0,5 или 0,25 Вт с сопротивлением звуковой катушки 50 Ом. Возможно и применение телефонных капсюлей ТА - 4 (65 Ом) и ТК - НТ - 67. Переключатели SB1 - SB5 - П2К, все они смонтированы на общей планке, причем кнопки SB1 - SB4 без фиксации, a SB5 с возвратом повторным нажатием. В качестве трансформатора Т1 использован ТП8 - 8 с гасящим резистором в цепи вторичной обмотки (МЛТ - 1 сопротивлением 24 Ом). Вообще, подойдет любой малогабаритный трансформатор с напряжением вторичной обмотки 10,5...11,5 В при токе нагрузки 200...250 мА (превышение этого напряжения нежелательно из-за ухудшения теплового режима в корпусе часов).

На месте микросхем DD4 и DD5 могут работать аналогичные из серии К561. Дешифратор DD3 - К514ИД2 в корпусе с пленарным расположением выводов. Возможна его замена на более доступную микросхему КР514ИД2 в пластмассовом корпусе. На принципиальной схеме (см. рис. 1) нумерация всех выводов для этой микросхемы указана в скобках.

Настройка часов производится в такой последовательности. Вначале часы нужно включить в сеть и убедиться, что при нажатии кнопки SB3 ("Б") устойчиво включается индикация. Если этого не происходит, необходим подбор тиристора или замена транзистора VT12 на другой с большим коэффициентом усиления.

После этого подбором резистора R4 нужно установить желаемую яркость мигающих разделительных точек (HL1 и HL2).

Затем следует настроить будильник. Для этого отключить диоды VD10 и VD11 и проверить работу ждущего мультивибратора, подавая уровень логического нуля на выв. 12 микросхемы DD4. При этом на выв. 4 микросхемы DD5 должен формироваться отрицательный импульс с длительностью, зависящей от положения движка резистора R21. Далее подбором элементов R23 и С9 нужно установить частоту переключения коммутатора (в пределах 6...12 Гц) по наиболее приятному звучанию будильника, а подбором резистора R27 - яркость свечения индикатора HL3. После этого следует возвратить диоды VD10 и VD11 на свое место. Если длительность звучания сигнала будильника изменять не обязательно, переменный резистор R21 можно заменить соответствующим постоянным.

На следующем этапе настраивают кварцевый генератор, используя электронно-счетный частотомер (и часы, и частотомер перед измерением необходимо прогреть в течение 1 ч). Сначала ротор конденсатора С1 нужно поставить в среднее положение и подбором конденсаторов С2 и C3 установить частоту генерации, близкую к 32768 Гц, проконтролировав ее на выв. 14 микросхемы DD1. Затем вращением ротора С1 добиваются точного значения частоты 32768,0 Гц. Более точная настройка возможна при измерении периода колебаний на выв. 4 микросхемы DD1 (1 с) с дискретностью 0,1 мкс.

В заключение подбором резистора R9 следует установить на выв. 16 микросхемы DD3 напряжение в пределах 4,75...5,25 В (конечно, при включенной индикации).

А теперь несколько слов о возможной доработке часов. В описанной конструкции использовались, как уже отмечалось, четыре типа индикаторов, но по-настоящему хорошее свечение способны обеспечить лишь приборы КЛЦ202В. Увы, беда многих отечественных индикаторов, особенно крупных, - большая неравномерность свечения как внутри сегмента, так и между соседними сегментами, а также значительный разброс по яркости даже при рабочих токах, близких к максимальным. Одно из решений этой проблемы - применение зарубежных индикаторов с общим анодом (одиночных или сдвоенных), а также специальных часовых четырехразрядных сборок. Принципиально важно для данной схемы наличие отдельного вывода анода от каждого разряда, а для четырехразрядных сборок - еще и возможность отображения времени в 24 - часовом формате.

Еще один пример доработки часов - введение электронного выключателя будильника (рис. 4). При этом из старой конструкции удаляют переключатель с фиксацией, в результате чего все управление можно вести малогабаритными кнопками (ПКн - 150 - 1 или им подобными). Будильник включается любой из кнопок SB1 - SB3 ("Б", "Ч", "М"), а выключается отдельной кнопкой SB1 ' ("В"), установленной вместо SB5. После перебоя сетевого питания будильник включается принудительно. (На рис. 4 вновь введенные элементы имеют нумерацию со штрихом.)

Часы на светодиодных индикаторах КЛЦ202А

Следует отметить один недостаток, свойственный таким часам, - пониженная контрастность при сильной внешней засветке. По этой причине часы желательно располагать в затемненной части комнаты, не допуская попадания на них прямых солнечных лучей.

Некорректность согласования выходов микросхемы DD2 со входами DD3 желательно устранить. Для этого между микросхемами следует установить пять эмиттерных повторителей на любых кремниевых маломощных p-n-p транзисторах, например КТ361. Базы транзисторов надо подключить к выходам DD2, эмиттеры - к соответствующим входам DD3, коллекторы - к общему проводу.

Литература

  1. Пухальский Г. И., Новосельцева Т. Я. Проектирование дискретных устройств на интегральных микросхемах. - М., Радио и связь, 1990.
  2. С. Алексеев. Применение микросхем серии К176. - Радио, 1984, № 4 - 6.

Автор: Д.Никишин, г.Калуга

Смотрите другие статьи раздела Часы, таймеры, реле, коммутаторы нагрузки.

Читайте и пишите полезные комментарии к этой статье.

<< Назад

Последние новости науки и техники, новинки электроники:

Хорошо управляемые луга могут компенсировать выбросы от скота 15.02.2026

Животноводство, особенно разведение крупного рогатого скота, часто обвиняют в значительном вкладе в глобальное потепление из-за мощного парникового газа - метана, который выделяется при пищеварении у жвачных животных. Это вызывает острые политические споры и призывы к сокращению потребления мяса. Однако ученые напоминают, что полная картина климатического воздействия отрасли не ограничивается только выбросами от животных: огромную роль играет окружающая экосистема - пастбища, почва и растительность, которые способны активно поглощать углекислый газ из атмосферы. Исследователи из Университета Небраски-Линкольна решили глубже изучить этот баланс. Группа под руководством профессора Галена Эриксона сосредоточилась на том, как правильно организованные пастбища накапливают углерод в растениях и грунте благодаря естественным процессам, стимулируемым выпасом скота. Ученые подчеркивают, что при достаточном уровне осадков и грамотном управлении такие луга превращаются в мощные природные погло ...>>

NASA тестирует инновационную технологию крыла 15.02.2026

Коммерческая авиация ежегодно расходует колоссальные объемы керосина, что сказывается не только на бюджете авиакомпаний, но и на состоянии окружающей среды. В 2024 году глобальные затраты на авиационное топливо достигли 291 миллиарда долларов, и эта сумма продолжает расти. Чтобы справиться с этими вызовами, NASA активно работает над технологиями, способными заметно повысить аэродинамическую эффективность самолетов. Одним из самых перспективных направлений стало создание специальной конструкции крыла, которая максимизирует естественный ламинарный поток воздуха и минимизирует сопротивление. В январе 2026 года специалисты NASA Armstrong Flight Research Center успешно провели важный этап наземных испытаний концепции Crossflow Attenuated Natural Laminar Flow (CATNLF). Для эксперимента под фюзеляж исследовательского самолета F-15B закрепили вертикально ориентированную масштабную модель высотой около 0,9 м (3 фута), напоминающую узкий киль. Такая компоновка позволила подвергнуть прототип р ...>>

Забота о внуках очень полезна для здоровья мозга 14.02.2026

Общение между поколениями приносит радость всей семье, но мало кто задумывается, насколько активно бабушки и дедушки, заботящиеся о внуках, поддерживают свою умственную форму. Регулярное взаимодействие с детьми стимулирует мозг пожилых людей, помогая сохранять память, скорость мышления и общую когнитивную активность. Новые научные данные подтверждают, что такая добровольная помощь не только важна для общества, но и может замедлять возрастные изменения в мозге. Исследователи из Тилбургского университета в Нидерландах провели анализ, чтобы понять, приносит ли уход за внуками реальную пользу здоровью пожилых людей. Ведущий автор работы Флавия Черечес отметила, что многие бабушки и дедушки регулярно присматривают за детьми, и оставался открытым вопрос, насколько это положительно сказывается на их собственном благополучии, особенно в плане когнитивных функций. Ученые поставили цель выяснить, способен ли регулярный уход за внуками замедлить снижение памяти и других умственных способ ...>>

Случайная новость из Архива

Гигантский инвазивный шершень замечен в Европе 26.11.2024

На севере Испании впервые зафиксировано появление гигантского инвазивного шершня Vespa soror, родом из Юго-Восточной Азии. Этот вид, известный своими внушительными размерами и агрессивным поведением, представляет угрозу для местных экосистем, пчеловодства и здоровья людей. Ученые бьют тревогу, поскольку его адаптация к испанскому климату может привести к серьезным последствиям.

Vespa soror - один из крупнейших шершней в мире, близкий родственник гигантского азиатского шершня Vespa mandarinia, также известного как "шершень-убийца". Его отличительные черты: желтая голова и черное тело; средний сегмент окрашен в желто-коричневый цвет с темными полосами; задние сегменты полностью черные.

Эти насекомые охотятся на медоносных пчел, мелких позвоночных и способны причинять вред людям своими болезненными ужалениями, которые могут вызывать тяжелые аллергические реакции.

Предполагается, что шершень проник в Испанию вместе с грузами из Азии. Это типичный путь для инвазивных видов, особенно тех, которые хорошо адаптируются к новым условиям. В данном случае климат Испании - умеренный и теплый - может оказаться благоприятным для размножения Vespa soror.

Четыре особи были обнаружены на севере Испании в ловушках, предназначенных для поимки другого инвазивного вида, азиатского шершня Vespa velutina. Генетический анализ подтвердил их почти полное сходство с популяцией Vespa soror из Юго-Восточной Азии.

Инвазивный шершень представляет серьезную опасность. Шершни уничтожают пчелиные ульи, что может привести к снижению популяции пчел и значительным потерям для фермеров. Появление нового хищника нарушает баланс в местной природе. Нападения шершней становятся особенно частыми осенью, в период активного размножения. Ужаления могут быть опасны, особенно для аллергиков.

Эксперты призывают к немедленным действиям: усилению контроля за импортом товаров; установке ловушек для мониторинга и уничтожения Vespa soror; проведению информационных кампаний для населения о мерах предосторожности при встрече с этим насекомым.

Появление Vespa soror в Европе сигнализирует о необходимости усилить контроль за распространением инвазивных видов. Без своевременных мер этот гигантский шершень может нанести значительный ущерб сельскому хозяйству, экосистемам и здоровью людей. Европа стоит перед вызовом, требующим совместных усилий ученых, экологов и властей для предотвращения новой биологической угрозы.

Другие интересные новости:

▪ Божественному ветру помогли халтурщики-корабелы

▪ Беспроводной DVD-привод для смартфонов

▪ Full HD-телевизоры не выдержали проверки

▪ Водяная планета

▪ Портативный накопитель объемом 4 Тбайт от Seagate

Лента новостей науки и техники, новинок электроники

 

Интересные материалы Бесплатной технической библиотеки:

▪ раздел сайта Телевидение. Подборка статей

▪ статья Кто-то теряет, кто-то находит. Крылатое выражение

▪ статья Какое животное фотографы могли использовать в качестве экспонометра до его изобретения? Подробный ответ

▪ статья Специалист по подбору персонала. Должностная инструкция

▪ статья Двухтактный усилитель на триод-пентодах. Энциклопедия радиоэлектроники и электротехники

▪ статья Калмыцкие загадки

Оставьте свой комментарий к этой статье:

Имя:


E-mail (не обязательно):


Комментарий:





Главная страница | Библиотека | Статьи | Карта сайта | Отзывы о сайте

www.diagram.com.ua

www.diagram.com.ua
2000-2026