Menu Home

Бесплатная техническая библиотека для любителей и профессионалов Бесплатная техническая библиотека


Стабилизированный регулятор мощности. Энциклопедия радиоэлектроники и электротехники

Бесплатная техническая библиотека

Энциклопедия радиоэлектроники и электротехники / Регуляторы мощности, термометры, термостабилизаторы

Комментарии к статье Комментарии к статье

Иногда бывают ситуации, когда необходимо стабилизировать мощность в нагрузке, сопротивление которой меняется с течением времени в широких пределах. В таких случаях поможет предлагаемый регулятор мощности, который одновременно выполняет функции стабилизатора.

Большинство описанных в радиолюбительской литературе регуляторов мощности работают или с чисто активной (лампа накаливания, электроплита, электропечь), или с активно-индуктивной нагрузкой (электродвигатели). Однако эта нагрузка либо постоянная (электропечь), либо изменяется в течение относительно короткого переходного процесса и затем стремится к установившемуся значению (лампа накаливания, электродвигатель). В обоих случаях регулируют мощность таких нагрузок изменением протекающего среднего тока. Поскольку мощность нагрузки Рн, ток через нее Iн и ее сопротивление Rн связаны зависимостью Pн=Iн2·Rн. при неизменном сопротивлении регулирование мощности однозначно достигается регулированием тока.

Встречаются и такие виды нагрузок, сопротивление которых зависит от различных факторов и, следовательно, изменяется во времени по неизвестному заранее закону. Пример подобной нагрузки - электродный водонагревательный котел, в котором рабочей средой и электропроводящим телом является вода. Сопротивление воды зависит от вида и количества содержащихся в ней солей, температуры, скорости протекания через котел и других факторов. Сопротивление такой нагрузки может изменяться в десятки раз. В этом случае управление током через нагрузку не решает задачу регулирования мощности, поскольку ее сопротивление является переменной величиной. Здесь ток через нагрузку зависит не только от напряжения на ней, но и от ее сопротивления. Это не позволяет управлять мощностью обычным способом (установлением определенного значения тока). Даже стабилизация тока не будет выходом из положения.

Поскольку при напряжении на нагрузке Uн ее мощность Pн=Uн·Iн для стабилизации мощности в нагрузке следует стабилизировать произведение Uн·Iн, т. е. обеспечить его постоянство. Регулируемым параметром (независимой переменной) может быть напряжение, поскольку от его значения зависят и ток, и мощность нагрузки.

Следовательно, нужно так регулировать напряжение на нагрузке, чтобы при изменении сопротивления обеспечивалась постоянная средняя мощность в нагрузке. При этом для определения мгновенной мощности необходимо перемножать мгновенные значения напряжения и тока в нагрузке. Это вытекает из классического определения мощности в электротехнике.

Структурная схема устройства, реализующего описанный выше алгоритм управления, представлена на рис. 1.

Стабилизированный регулятор мощности

На входы умножителя подаются электрические сигналы, пропорциональные мгновенным значениям напряжения и тока в нагрузке. С выхода умножителя сигнал, пропорциональный их произведению (т. е. мощности), после его усреднения во времени поступает на первый вход дифференциального усилителя, на второй вход которого подано задающее напряжение. В дифференциальном усилителе происходит сравнение напряжений и усиление разностного сигнала (сигнала ошибки), который затем поступает на компаратор. На второй вход компаратора подаются импульсы пилообразной формы, следующие с удвоенной частотой сети. На выходе компаратора формируются прямоугольные импульсы, скважность которых определяет напряжение с выхода дифференциального усилителя. Импульсы с выхода компаратора управляют симисторным коммутатором, а тот, в свою очередь, нагрузкой. При отклонении мощности в нагрузке от значения, заданного напряжением Uзад, сигнал ошибки с выхода дифференциального усилителя будет воздействовать на компаратор так, что изменение скважности импульсов приведет к стабилизации мощности.

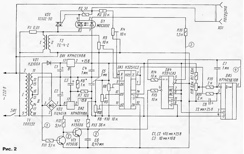
Рассмотрим работу стабилизированного регулятора мощности по его принципиальной схеме (рис. 2) и временным диаграммам (рис. 3).

Стабилизированный регулятор мощности
(нажмите для увеличения)

Стабилизированный регулятор мощности

На входы X и Y микросхемы DA3 (интегральный перемножитель сигналов) поступают сигналы, пропорциональные, соответственно, мгновенным значениям напряжения на нагрузке и тока через нее. Сигнал, пропорциональный мгновенному значению напряжения, снимают с движка подстроечного резистора R4. Резистор R1 - датчик тока нагрузки. Напряжение с этого резистора поступает на первичную обмотку повышающего трансформатора Т2 (коэффициент трансформации - около 40). Необходимость применения трансформатора обусловлена двумя факторами. Во-первых, он повышает напряжение, подаваемое на вход перемножителя, а во-вторых, обеспечивает гальваническую развязку. Сигналы, пропорциональные току и напряжению, - переменные, однако в их выпрямлении нет необходимости, поскольку микросхема К525ПС2 (DA3) допускает подачу на входы X и Y переменного напряжения амплитудой до 10,5 В.

Заметим, что сигналы напряжения и тока, подаваемые на перемножитель, должны быть синфазными, что достигается соответствующим подключением обмоток трансформатора Т2.

Интегральный перемножитель напряжения К525ПС2 разработан для реализации ряда типовых функциональных зависимостей (умножения, деления, возведения в квадрат, извлечения квадратного корня). Для выполнения указанных функций с аналоговыми сигналами используют экспоненциальную зависимость тока коллектора транзистора от его напряжения база-эмиттер. Погрешность умножения - не более 1%. Более подробные сведения о структуре и применении интегральных перемножителей можно найти в [1].

При включении интегрального перемножителя в соответствии с показанной на рис. 2 схемой на его выходе Z действует напряжение Uz≈0,15UxUy, где Ux, Uy - напряжения, приложенные к входам X и Y микросхемы DA3, соответственно.

Импульсы управления симистором VS1 поступают с выхода компаратора напряжения DA4. Интегральный компаратор К554САЗ, используемый в регуляторе мощности, имеет открытый коллекторный выход, рассчитанный на ток нагрузки до 50 мА. Выходной транзистор открыт (т. е. на выходе при подключенной нагрузке напряжение низкого уровня), если напряжение на инвертирующем входе (вывод 4) микросхемы DA4 больше, чем на неинвертирующем (вывод 3). При противоположном соотношении напряжений на выходе компаратора будет напряжение высокого уровня.

На компараторе DA4 происходит сравнение пилообразного напряжения (рис. 3, диаграмма 3) и напряжения, снимаемого с выхода ОУ DA5 (диаграмма 4).

Генератор пилообразного напряжения выполнен на транзисторах VT1, VT2. Он формирует импульсы частотой 100 Гц, синхронизированные напряжением сети. Напряжение с выпрямительного моста VD2 (рис. 3, диаграмма 1) поступает на базу транзистора VT1. Большую часть времени транзистор открыт, а в моменты, когда выпрямленное напряжение приближается к нулю, он закрывается. На его коллекторе формируются короткие прямоугольные импульсы (рис. 3, диаграмма 2), которые подаются на базу транзистора VT2. Пока напряжение на базе равно нулю, на коллекторе транзистора формируется нарастающее напряжение (конденсатор С6 заряжается через резистор R13). В момент появления положительного импульса на базе транзистор VT2 открывается и напряжение на его коллекторе уменьшается практически до нуля (рис. 3, диаграмма 3).

На выходе компаратора формируются прямоугольные импульсы (рис. 3, диаграмма 5). Нагрузка компаратора - резистор R16 и светодиод оптопары U1. При протекании тока через светодиод оптопары ее симистор открывается, обеспечивая открывание симистора VS1 - ток начинает протекать через нагрузку, подключенную к гнездам разъема XS1. Изменение скважности импульсов на выходе компаратора приводит к изменению напряжения и, следовательно, мощности в нагрузке. Из временных диаграмм несложно определить, что увеличение напряжения на выходе ОУ DA5 приводит к уменьшению мощности в нагрузке.

Теперь - о назначении и работе микросхемы DA5, выполняющей функции дифференциального усилителя или усилителя сигнала ошибки (см. рис. 1). Задающее напряжение Uзад снимают с движка переменного резистора R18 и подают на инвертирующий вход ОУ, на неинвертирующий вход которого поступает усредненное выходное напряжение перемножителя DA3. Усреднение выходного сигнала перемножителя обеспечивает интегрирующая цепь R20C8.

ОУ DA5 усиливает поданные на ее входы сигналы, обеспечивая равенство значений напряжения на них. Это значит, что уменьшение задающего напряжения Uзад приведет к уменьшению напряжения на выходе ОУ. Очевидно, что нижнему по схеме положению движка переменного резистора R18 будет соответствовать нулевое значение мощности в нагрузке. Конденсатор С7 обеспечивает стабильную работу ОУ при воздействии помех.

Источник питания элементов регулятора мощности выполнен на двух интегральных стабилизаторах напряжения DA1 и DA2. Использование двух разнотипных микросхем обусловлено желанием обойтись сетевым трансформатором с одной вторичной обмоткой (хотя и с отводом от середины) и одним выпрямительным мостом.

Диод VD1 исключает влияние фильтрующего конденсатора С1 на форму выпрямленного напряжения, подаваемого на вход генератора пилообразного напряжения.

Регулятор мощности собран на печатной плате из двусторонне фольгированного стеклотекстолита. Чертеж печатной платы показан на рис. 4.

Стабилизированный регулятор мощности

Стабилизированный регулятор мощности

В отверстия квадратных контактных площадок необходимо вставить отрезки луженого провода и пропаять их с обеих сторон платы. Микросхемы DA1, DA2 установлены на небольших дюралевых теплоотводах площадью по 20...30 см² каждый; симистор VS1 установлен на стандартном охладителе (литом теплоотводе из алюминиевого сплава) марки 0231. Резистор R1 выполнен из нихро-мового провода диаметром 3 мм.

На месте компаратора DA4, помимо указанного на схеме, можно также использовать К521САЗ, К521СА5, К521СА6 (последняя микросхема содержит два компаратора в одном корпусе), однако при этом придется скорректировать чертеж печатной платы. ОУ КР140УД708 заменим микросхемами К140УД7, К140УД8, К153УД2 и любыми аналогичными. Аналоговый перемножитель напряжений К525ПС2 допустимо заменить на К525ПC3 с любым буквенным индексом, но также с коррекцией печатной платы. Транзисторы VT1, VT2 - любые из серий КТ315, КТ342, КТ503, КТ630, KT3I02 или КТ3117А. Оптопару импортного производства МОC3052 можно заменить отечественной АОУ160А-АОУ160В с коррекцией печатной платы. Симистор VS1 можно применить из серий ТС112, ТС122, ТС132, ТС142 с допустимым импульсным напряжением в закрытом состоянии не менее 400 В и током в открытом состоянии, соответствующим максимальному току нагрузки. Диод КД106А (VD1) заменим любым из серий КД105, КД221, КД226.

Выпрямительный мост (VD2) - любой из серий КЦ402, КЦ405, с коррекцией печатной платы. Оксидные конденсаторы С1 - C3, С8 могут быть К50-16, К50-35, К50-24, К50-29; С4, С5, С7 - КМ-6, К10-17, К73-17; С6 - К73-17, К73-24, К76-П2 (этот конденсатор должен иметь небольшой ТКЕ). Подстроечные резисторы R4, R5, R8-R10 - СП5-2, СПЗ-19, СПЗ-38, переменный резистор R18 - СП-0,4, СПЗ-4М, СПЗ-16, СПЗ-30, остальные - МЛТ, С2-23. Трансформатор Т1 - ТПП232. Его можно заменить на любой другой, у которого вторичная обмотка с отводом от середины обеспечивает напряжение 33...40 В и рассчитана на ток не менее 150 мА. Трансформатор Т2 может быть любым другим с коэффициентом трансформации 30...50. Выключатель питания SA1 - автоматический выключатель A3161, АЕ2050 или АП50. Кроме того, он выполняет функцию предохранителя.

Налаживание регулятора мощности начинают с проверки выходного напряжения микросхемы DA1 ( + 15 В) и установки выходного напряжения микросхемы DA2 (-15 В) резистором R6. После этого производят регулировку перемножителя напряжения DA3. Для этого входы X, Y выход Z и вывод 1 отключают от других элементов. Движки подстроечных резисторов R8-R10 устанавливают в среднее положение. На вход X подают напряжение +5 В, а на вход Y- О В. Резистором R9 устанавливают выходное напряжение перемножителя О В. Затем на вход X подают напряжение О В, а на вход Y- +5 В. Резистором R8 устанавливают выходное напряжение О В. Затем на оба входа перемножителя подают напряжение + 5 В и измеряют выходное напряжение. Затем на одном из входов изменяют полярность входного сигнала (т. е. подают -5 В) и опять измеряют выходное напряжение. С помощью резистора R10 добиваются, чтобы два последних значения выходного напряжения были равны по абсолютному значению (по знаку они должны быть противоположны). При необходимости регулировку повторяют. После этого подключают входы и выход перемножителя напряжения к элементам регулятора. Движки подстроенных резисторов R4 и R5 устанавливают в среднее, а переменного резистора R18 - в нижнее по схеме положение.

К разъему XS1 подключают нагрузку и подают питание на регулятор мощности. Плавно вращая ось переменного резистора R18, убеждаются в увеличении напряжения на нагрузке. Если напряжение на нагрузке максимально при любом положении движка переменного резистора R18, причиной этого может быть неправильная фазировка обмоток трансформатора Т2, приводящая к подаче противофазных напряжений на входы X и Y микросхемы DA3 и отрицательному напряжению на ее выходе Z. В этом случае следует поменять местами выводы любой из обмоток трансформатора Т2.

Подстроечными резисторами R4 и R5 добиваются, чтобы максимальные (амплитудные) значения напряжения на входах перемножителя не превышали 10 В. Это удобно контролировать с помощью осциллографа. В крайнем случае можно воспользоваться вольтметром переменного тока. При синусоидальной форме напряжения на нагрузке (это имеет место, если симистор VS1 открывается в начале каждого полупериода, а напряжение на нагрузке при этом практически равно сетевому) эффективное напряжение на входах перемножителя не должно превышать 7 В. Регулирование мощности должно плавно осуществляться во всем интервале поворота оси переменного резистора R18. Если в верхнем по схеме положении движка переменного резистора R18 при максимальной подключенной нагрузке напряжение на ней не достигает значения сетевого, следует уменьшить сопротивление резистора R17 не более чем до 2,2 кОм или уменьшить коэффициенты передачи тока и напряжения, переместив вниз по схеме движки подстроечных резисторов R4 и R5.

Для проверки функции стабилизации мощности необходимо иметь нагрузку с изменяющимся сопротивлением (удобно использовать двухсекционный бытовой нагреватель) и лабораторный автотрансформатор соответствующей мощности. Нагрузка должна быть обязательно активной (т. е. не иметь индуктивной или емкостной составляющей).

Регулятор мощности подключают к сети через автотрансформатор и подключают к выходу регулятора одну секцию бытового нагревателя. Автотрансформатором устанавливают напряжение 220 В. Подключив параллельно нагрузке вольтметр переменного тока, измеряющий эффективные значения (квадратичный вольтметр), переменным резистором R18 устанавливают на нагрузке напряжение 150...200 В. Затем подключают еще одну секцию и вновь измеряют напряжение на разъеме XS1. Оно должно уменьшиться в 1,4 раза [2]. При другом законе изменения сопротивления нагрузки в любом случае будет выполняться равенство Uн²/Rн = const. Если же сопротивление нагрузки увеличится настолько, что для поддержания установленной мощности напряжение должно превысить свое максимальное значение, регулятор выйдет из режима стабилизации мощности.

Регулятор мощности обладает стабилизирующими свойствами не только в условиях изменения сопротивления нагрузки, но и по отношению к колебаниям сетевого напряжения. В этом можно убедиться, изменяя питающее напряжение регулятора с помощью автотрансформатора в интервале от 190 до 240 В (разумеется, при подключенной нагрузке). Напряжение на нагрузке при таком изменении питающего должно быть стабильным. Варьироваться будет лишь угол открывания симистора VS1, в чем можно убедиться с помощью осциллографа. Сигнал можно снимать либо с нагрузки, либо с выхода компаратора DA4.

Если в распоряжении радиолюбителя нет вольтметра, измеряющего действующее значение (например, прибора электромагнитной системы), то для измерения мощности используют индукционный счетчик электрической энергии: число оборотов диска счетчика должно быть постоянным при изменении сопротивления нагрузки и неизменном положении движка переменного резистора R18. Пользоваться вольтметром средневыпрямленного значения напряжения для этих целей нельзя.

Для повышения надежности рекомендуем последовательно с оптосимистором включить резистор сопротивлением около 150 Ом.

Литература

  1. Путников В. С. Интегральная электроника в измерительных устройствах. - 2-е изд., перераб. и доп. - Л.: Энергоатомиздат. Ленингр. отд-ние, 1988.
  2. Бирюков С. Амплитудное, среднее, эффективное. - Радио, 1999, №6, с. 58, 59.

Автор: А.Евсеев, г.Тула

Смотрите другие статьи раздела Регуляторы мощности, термометры, термостабилизаторы.

Читайте и пишите полезные комментарии к этой статье.

<< Назад

Последние новости науки и техники, новинки электроники:

Стерильного нейтрино не существует 15.01.2026

В физике элементарных частиц поиск новых, пока не обнаруженных объектов играет ключевую роль в понимании устройства Вселенной. Иногда такие поиски приводят к громким открытиям, а иногда - к не менее важным отрицательным результатам, которые позволяют отбросить неверные направления. Именно к таким случаям относится недавний вывод ученых о судьбе стерильного нейтрино - одной из самых интригующих гипотетических частиц последних десятилетий. Исследователи из американской лаборатории Fermilab официально сообщили, что им не удалось найти доказательства существования стерильного нейтрино. К такому выводу пришла команда эксперимента MicroBooNE после многолетнего анализа столкновений нейтрино, которые ранее рассматривались как возможный намек на существование четвертого типа этих частиц. Предполагалось, что стерильное нейтрино взаимодействует с материей исключительно через гравитацию, что делало его крайне трудным объектом для обнаружения. В рамках современной физики нейтрино известны в т ...>>

Беспроводные наушники и колонки Fender 15.01.2026

Музыкальная индустрия постепенно адаптируется к цифровым технологиям, и известный производитель музыкальных инструментов Fender расширяет свое присутствие за пределы гитар и усилителей, представляя современные решения для прослушивания музыки. Новые беспроводные наушники и Bluetooth-колонки Fender объединяют богатый звук, модульность и удобство использования как для дома, так и для профессиональной работы. Флагманской новинкой стали наушники Fender Mix, отличающиеся модульной конструкцией. Динамики подключаются к оголовью через порт USB Type-C и могут быть сняты вместе с амбушюрами, что облегчает уход и транспортировку. Один из динамиков оснащен встроенным адаптером USB Type-C для подключения к источнику звука без потерь, поддерживая кодеки LDHC и Fire, а также функцию Auracast. На другом динамике размещен съемный аккумулятор, который обеспечивает до 100 часов работы без активного шумоподавления; при включении ANC время работы сокращается до 52 часов. Наушники доступны по цене $299 ...>>

Польза белкового завтрака 14.01.2026

Правильное питание по утрам играет ключевую роль в поддержании здоровья и контроле веса. Многочисленные исследования подтверждают, что состав завтрака может влиять на аппетит в течение всего дня и качество употребляемой пищи. Австралийские ученые провели масштабный эксперимент, который показал, что употребление белковой пищи с утра помогает дольше чувствовать сытость и предотвращает переедание. В исследовании участвовали более 9 тысяч человек среднего возраста 46 лет. В период с 2011 по 2012 год специалисты анализировали рационы респондентов, оценивая долю основных макронутриентов. В среднем участники потребляли 43% углеводов, 31% жиров, 18% белков, 2% клетчатки и 4% алкоголя. Такой рацион позволил ученым проследить взаимосвязь между утренним приемом пищи и пищевым поведением в течение дня. Выяснилось, что участники, чей завтрак содержал недостаточное количество белка, ощущали повышенный аппетит в течение дня. Они ели больше, чем необходимо, и часто выбирали продукты с высоким со ...>>

Случайная новость из Архива

Стресс может влиять на пол ребенка 30.09.2024

Ранее считалось, что пол ребенка определяется исключительно генетическими факторами, заложенными в ДНК родителей. Однако недавнее исследование международной группы ученых показало, что сильный стресс, который испытывает будущая мать, может оказывать влияние на пол ребенка. Это открытие меняет представление о том, как внешние факторы могут влиять на внутриутробное развитие.

Исследователи проанализировали данные 187 здоровых беременных женщин в возрасте от 18 до 45 лет. Они изучили 27 показателей, отражающих психосоциальное и физическое состояние матерей, а также их повседневную активность. Информация собиралась с помощью анкет, дневников и ежедневных замеров состояния здоровья. Ключевыми факторами для анализа стали показатели стресса - как субъективные ощущения матерей, так и объективные данные о физическом состоянии.

Результаты исследования показали, что около 17% женщин находились в состоянии психологического стресса, проявляющегося в виде депрессии, тревоги и нервного напряжения. Еще 16% женщин испытывали физический стресс, характеризующийся повышенным артериальным давлением и увеличенным потреблением калорий. Остальные 67% участников исследования не имели выраженных признаков стресса.

Наиболее важное открытие ученых заключается в том, что стресс во время беременности может изменять соотношение полов новорожденных. В нормальных условиях на каждые 100 девочек рождается около 105 мальчиков. Однако в группах женщин, испытывающих физический или психологический стресс, наблюдалось изменение этой пропорции. В частности, у женщин, находившихся под воздействием стресса, чаще рождались девочки. Соотношение мальчиков и девочек в этих группах составило 4:9 и 2:3 соответственно.

Кроме того, исследователи выявили, что стресс оказывает влияние не только на пол ребенка, но и на другие аспекты беременности. Так, у матерей, испытывавших физический стресс, наблюдалось повышенное артериальное давление и увеличенное потребление калорий, что увеличивало риск преждевременных родов. Психологический стресс также был связан с осложнениями во время родов, и такие матери были более склонны к трудностям в процессе рождения ребенка.

Эти выводы подчеркивают важность эмоционального и физического благополучия женщин во время беременности. Влияние стресса на развитие плода, в том числе на пол будущего ребенка, требует дальнейших исследований, но уже сейчас ясно, что управление стрессом может стать важным фактором в обеспечении здорового течения беременности.

Другие интересные новости:

▪ Сервис IBM Watson Discovery Advisor

▪ Новая серия танталовых конденсаторов

▪ Летающий автомобиль

▪ Телевизор от SEIKO EPSON со встроенным фото-принтером

▪ Цветной телевизор с пластиковым экраном

Лента новостей науки и техники, новинок электроники

 

Интересные материалы Бесплатной технической библиотеки:

▪ раздел сайта ВЧ усилители мощности. Подборка статей

▪ статья Ложь во спасение. Крылатое выражение

▪ статья Какой язык программирования получил имя в честь комедийного сериала? Подробный ответ

▪ статья Эксплуатация сварочного аппарата. Типовая инструкция по охране труда

▪ статья Альтернативная энергия из мусора. Энциклопедия радиоэлектроники и электротехники

▪ статья Автозвук: устанавливаем сами. Энциклопедия радиоэлектроники и электротехники

Оставьте свой комментарий к этой статье:

Имя:


E-mail (не обязательно):


Комментарий:





Главная страница | Библиотека | Статьи | Карта сайта | Отзывы о сайте

www.diagram.com.ua

www.diagram.com.ua
2000-2026