Menu Home

Бесплатная техническая библиотека для любителей и профессионалов Бесплатная техническая библиотека


Устройство дистанционной блокировки потребителей электроэнергии. Энциклопедия радиоэлектроники и электротехники

Бесплатная техническая библиотека

Энциклопедия радиоэлектроники и электротехники / Часы, таймеры, реле, коммутаторы нагрузки

Комментарии к статье Комментарии к статье

Современные бытовые мощные электроприборы (электрочайники, микроволновые печи, стиральные машины, калориферы, пылесосы), особенно импортные, отличаются большим потреблением тока. В результате одновременного включения нескольких подобных устройств может произойти перегрузка электропроводки с неприятными последствиями.

Предлагаемое устройство исключает возможность подключения двух наиболее мощных выбранных пользователем потребителей электроэнергии (или двух их групп). Один из них более приоритетный - ведущий, другой - ведомый. Ведущий потребитель может быть включен в любое время, а ведомый - только тогда, когда ведущий отключен. Например, электрочайник - ведущий потребитель, а микроволновая печь - ведомый. В этом случае нельзя включить микроволновую печь в то время, пока электрочайник нагревает воду.

Устройство дистанционной блокировки потребителей электроэнергии
Рис. 1 (нажмите для увеличения)

Принцип действия устройства основан на подаче радиосигнала на отключение цепи питания ведомого потребителя, пока ток потребления ведущего превышает некоторый пороговый уровень. Основа устройства - широко распространенный дистанционный дверной радиозвонок диапазона 433 МГц. В настоящее время такие звонки широко применяются в радиолюбительских конструкциях [1-3], в том числе для управления электропитанием [4]. Радиозвонок доработан и снабжен узлом управления. Для существенного уменьшения "загрязнения" эфира использовано импульсное излучение. Дальность действия радиозвонка - несколько десятков метров в зависимости от конкретной модели и условий размещения, что достаточно для указанных целей. Автор применил радиозвонок "CONSTA NS-9688C".

Предлагаемое устройство состоит из радиопередающей и радиоприемной частей. Первая используется на стороне ведущей нагрузки, вторая - на стороне ведомой. На рис. 1 показана схема блока управления передатчиком звонка. Трансформатор тока Т1 - датчик тока в цепи питания ведущей нагрузки. Использование этого трансформатора позволяет просто реализовать гальваническую развязку датчика [5-8].

Напряжение с вторичной обмотки трансформатора тока (около 50 мВ при токе нагрузки 10 А) проходит через разделительный конденсатор С1 на первый усилительный каскад на элементе DD1.1. Конденсатор С2 подавляет высокочастотные наводки и импульсные помехи на входе (вывод 1) элемента DD1.1. Применение логического элемента в качестве линейного усилителя вызвано стремлением наиболее полно задействовать элементы микросхемы DD1 [9].

Элемент "Исключающее ИЛИ" микросхемы К564ЛП2 аналогично элементам других микросхем структуры КМОП способен работать в линейном режиме как усилитель. Но для этого необходимо подать высокий уровень на один из его входов, превратив, тем самым, его в инвертор, а второй вход включить в цепь ООС. Коэффициент усиления элементов этого типа без обратной связи невелик - всего 25...30 на частоте 50 Гц. Однако этого достаточно.

Усиленный элементом DD1.1 сигнал через конденсатор С3 поступает на элемент DD1.2. Оба элемента охвачены цепями местных ООС и на частоте 50 Гц имеют коэффициент усиления 10...12 каждый. Сигнал с выхода элемента DD1.2 через конденсатор С4 поступает на формирователь прямоугольных импульсов, собранный на элементе DD1.3. Внутренний диод, соединенный катодом с выводом 8, а анодом - с общим проводом микросхемы DD1, открывается во время импульсов отрицательной полярности и закрывается во время импульсов положительной полярности, тем самым детектирует усиленный сигнал.

Если сигнал на входе (вывод 8) элемента DD1.3 ниже порога переключения, на выходе этого элемента - высокий уровень, транзистор VT1 закрыт, в противном случае транзистор VT1 открывается с частотой сети 50 Гц. Резистор R8 ограничивает импульсный ток коллектора транзистора VT1 на безопасном уровне. Конденсатор С5 заряжается, в результате чего на нем формируется постоянное напряжение высокого уровня в течение времени, пока включена ведущая нагрузка.

Это напряжение поступает на одновибратор на элементе DD1.4, на выходе которого формируется импульс высокого уровня длительностью 0,7R10C6 (около 1 с), что вполне достаточно для устойчивого срабатывания коммутационной части. Второй импульс той же длительности формируется при выключении ведущей нагрузки. Транзистор VT2 открывается на время этих импульсов, в результате чего напряжение питания подается на передатчик звонка, потребляющий ток несколько миллиампер. Диод VD1 ограничивает на безопасном уровне обратное напряжение на эмиттерном переходе транзистора VT2.

Блок управления передатчиком получает питание от батареи GB1 типоразмера 23А напряжением 12 В передающего блока радиозвонка. Вместо батареи лучше применить сетевой блок питания с выходным стабилизированным напряжением 12 В.

Выход блока управления подключают к цепям питания радиопередатчика звонка, который доработке не подвергался. SB1 - кнопка звонка - оставлена для возможности ручного дистанционного управления ведомым потребителем электроэнергии. Конденсаторы С7 и С8 установлены в передающем блоке радиозвонка. Они сглаживают импульсы тока, потребляемого передатчиком, предотвращая их воздействие на блок управления.

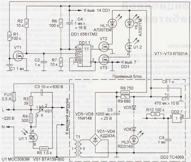
Приемная часть устройства состоит из доработанного приемника радиозвонка и коммутационного блока, схема которого показана на рис. 2. Блок состоит из формирователя импульсов на транзисторе VT1, D-триггера DD1.1, переключательных транзисторов VT2 и VT3, оптоэлектронного ключа переменного тока на симисторном оптроне U1, мощном симисторе VS1, резисторах

Устройство дистанционной блокировки потребителей электроэнергии
Рис. 2 (нажмите для увеличения)

R3-R5 и конденсаторе С3. Радиоприемник дорабатывают так. С его печатной платы удаляют элементы бестрансформаторного блока питания, кроме VD5-VD8, HL3, С6, С7. На освободившееся место устанавливают новый блок питания: трансформатор Т1, диодный мост VD1-VD4, сглаживающий конденсатор С5, резисторы R8 и R9. Затем разрезают печатный проводник, подходящий к выводу 9 микросхемы ТС4069, между этим выводом и общим проводом устанавливают конденсатор С8, а в разрез проводника (показанный знаком "х") впаивают резистор R10. Выход радиоприемника - вывод 8 микросхемы ТС4069 соединяют с входом коммутационного блока. Несмотря на то что микросхему ТС4069 выпускают в разных корпусах, число выводов и их нумерация одинаковые.

Выходное напряжение нового блока питания 12...15 В подается на светодиоды HL1 и HL2 через токоограничивающий резистор R8. Микросхема DD1 и транзистор VT1 получают питание от параметрического стабилизатора напряжения, состоящего из резистора R9 и элементов VD5-VD8HL3, оставшихся от демонтированного бестрансформаторного сетевого блока питания радиозвонка. Светодиод HL3 использован еще и как индикатор наличия напряжения сети и исправности блока питания. В использованном автором радиозвонке применен светодиод RD314S (HL3 на рис. 2), а цепь VD5-VD8 содержит четыре диода. В некоторых других радиозвонках может быть цепь из двух или трех последовательно соединенных диодов, в таком случае напряжение параметрического стабилизатора может находиться в пределах 3,3...4,5 В. Это напряжение питает транзистор VT1 и микросхему DD1. Ее неиспользуемые входы подключены к общему проводу.

После подачи напряжения питания элементы С4, R6, R7 формируют импульс, устанавливающий триггер DD1.1 в состояние с низким уровнем на выводе 1. Транзистор VT2 закрыт, светодиод HL1 погашен. Транзистор VT3 открыт, ток его стока протекает через излучающий диод оптрона U1.2, в результате чего оптосимистор U1.1 и симистор VS1 открыты. Ведомая нагрузка, подключенная к выходу устройства, может быть подключена к сети, о чем сигнализирует горящий светодиод HL2.

При включении ведущей нагрузки импульс низкого уровня с выхода радиоприемника через цепь R1C1 поступает на затвор транзистора VT1, в результате чего этот транзистор закрывается. Цепь R1C1 и аналогичная цепь, добавленная в приемник, о которой сказано выше, предотвращают ложные срабатывания устройства от помех. Импульс высокого уровня со стока VT1 поступает на вход С триггера DD1.1 и переключает его. Транзистор VT2 открывается, a VT3 закрывается. Светодиод HL2 гаснет. Оптосимистор U1.1 и симистор VS1 закрываются. При этом ведомая нагрузка обесточена, о чем сигнализирует включенный светодиод HL1. При необходимости состояние устройства можно изменить на обратное, вручную нажимая на кнопку радиозвонка SB1.

Трансформатор тока Т1 (см. рис. 1) изготовлен на основе катушки реле РЭС10 (исполнение РС4.529.031 -05), которая использована как вторичная обмотка (II). Можно также использовать реле исполнений РС4.529.031-12 и РС4.529.031-20. Размер катушки позволяет поместить ее непосредственно в розетке питания мощного потребителя электроэнергии. Обмотка содержит 1100 витков, ее сопротивление - 45 Ом. На нее наматывают первичную обмотку (I) из двух витков изолированного провода сечением 2,5 мм2. Такой трансформатор тока обеспечивает напряжение 50 мВ на сопротивлении 47 Ом при токе нагрузки 10 А. Если ток нагрузки превышает 25 А, можно уменьшить число витков первичной обмотки до одного.

В устройстве можно использовать трансформаторы на ферромагнитных кольцевых магнитопроводах, конструкции которых описаны в [5-7]. При изготовлении следует принять коэффициент трансформации тока в пределах 1:300...1:1000. Также можно применить трансформаторы тока промышленного изготовления, например, для счетчиков электроэнергии [8].

Устройство дистанционной блокировки потребителей электроэнергии
Рис. 3

Трансформаторный датчик тока можно заменить резисторным, как показано на схеме рис. 3. Оптрон U1 обеспечивает гальваническую развязку блока управления передатчиком звонка от напряжения сети. В разрыв фазного провода нагрузки включен датчик тока - мощный резистор R1, напряжение с которого, пропорциональное току нагрузки, через токоограничивающий резистор R2 подведено к излучающему диоду отпрона U1.

Диод VD1 ограничивает обратное напряжение на излучающем диоде оптрона. Фототранзистор оптрона U1 включают вместо транзистора VT1 (см. рис. 1) с учетом того, что эти транзисторы разной структуры. Коллектор фототранзистора оптрона U1 подключают к плюсу источника питания, а эмиттер - к верхнему (по схеме) выводу резистора R8. Транзистор VT1, резистор R7 и все компоненты, расположенные на рис. 1 левее, не используют. Преимущество резисторного датчика тока - меньшее число деталей и отсутствие намоточных элементов, недостаток - наличие мощного тепловыделяющего резистора.

Устройство дистанционной блокировки потребителей электроэнергии
Рис. 4

Узел управления размещен в корпусе передатчика звонка над его печатной платой, как показано на рис. 4. Транзистор VT1 может быть с любым буквенным индексом из серии КТ361 или КТ3107. Транзисторы VT2 - любые из серии КТ3102. Диод VD1 - любой из серий КД509, КД510, КД521, КД522. Конденсаторы С2, С4, С8 - любые пленочные или керамические, остальные - оксидные импортные.

Устройство дистанционной блокировки потребителей электроэнергии
Рис. 5

Приемно-коммутационный узел устройства (см. рис. 2) размещен в унифицированном пластмассовом корпусе для силовых устройств с внешними размерами 120x120x75 мм, как показано на рис. 5. Платы радиоприемника и коммутационного узла прикреплены в корпусе винтами МЗ и соединены между собой проводами. Для светодиодов HL1-HL3 просверлены отверстия. Мощный симистор VS1 установлен на теплоотвод от процессора Pentium I.

В приемно-коммутационном узле (см. рис. 2) микросхему К561ТМ2 (DD1) можно заменить на КР1561ТМ2, все транзисторы из серии КП501 с любым буквенным индексом. Симисторный оптрон МОС3083М (U1) может быть заменен на МОС3081М, МОС3082М, МОС3051, МОС3052. Симистор ВТА139-800 (VS1) с максимальным током нагрузки 16 А можно заменить на ВТА139-600, а если ток нагрузки больше 16 А, но меньше 25 А, - на ВТА140-800 или ВТА140-600. Конденсатор C3 - К73-17 с номинальным напряжением 630 В. Светодиод АЛ307ЕМ (HL1) желтого цвета свечения можно заменить на АЛ307ЖМ. Этот светодиод сигнализирует о запрете включения ведомой нагрузки, поэтому он может быть красного цвета свечения АЛ307БМ или АЛ307КМ. Светодиод АЛ307ГМ (HL2) зеленого цвета свечения сигнализирует о возможности включения ведомой нагрузки, его можно заменить на АЛ307ВМ. Цепь VD5-VD8HL3 можно заменить стабилитроном из серий КС133-КС147 с любым буквенным индексом, катод которого включают к правому (по схеме) выводу резистора R9, а анод - к минусовому проводу питания.

Сетевой трансформатор блока питания Т1 - любой с номинальной мощностью 3...4 Вт и напряжением вторичной обмотки 9...11 В. Такие трансформаторы часто используются в бытовой радиоаппаратуре. Самодельный блок питания T1VD1-VD4C5 можно заменить готовым сетевым адаптером с выходным напряжением 12...15 В и током не менее 30 мА.

Налаживание устройства сводится к установке порога срабатывания блока управления передатчиком (см. рис. 1) от тока, потребляемого ведущей нагрузкой. В процессе налаживания подбирают число витков первичной обмотки (I) трансформатора тока Т1, а также устанавливают необходимое усиление элементов DD1.1 и DD1.2 подборкой резисторов R3 и R5 в пределах 300...1000 кОм. Коммутационный блок (см. рис. 2) налаживания не требует .

Литература

  1. Нечаев И. Охранное устройство на базе беспроводного звонка. - Радио, 2011, № 9, с. 53, 54.
  2. Нечаев И. Сигнализатор протечки на базе радиозвонка. - Радио, 2011, №3, с. 53, 54.
  3. Нечаев И. Охранное устройство на базе радиозвонка. - Радио, 2007, № 9, с. 59, 60.
  4. Нечаев И. Дистанционный выключатель питания. - Радио, 2011, № 7, с. 42, 43.
  5. Нечаев И. Индикатор потребляемой мощности. - Радио, 1986, № 2, с. 49, 50.
  6. Нечаев И. Индикатор потребляемой мощности. - Радио, 2000, № 11, с. 59.
  7. Евсеев А. Применение преобразователя мощность - частота серии КР1095ПП1 в электронных устройствах. - Радио, 2008, № 10, с. 28-31.
  8. Косенко С. Измеритель активной мощности на микросхеме ADE7755. - Радио, 2010, № 8, с. 19, 20.
  9. Воскобойников М. Цифровые микросхемы в устройствах НЧ. - Радио, 1981, № 7/8, с. 37.

Автор: Д. Панкратьев

Смотрите другие статьи раздела Часы, таймеры, реле, коммутаторы нагрузки.

Читайте и пишите полезные комментарии к этой статье.

<< Назад

Последние новости науки и техники, новинки электроники:

Дети, растущие рядом с природой, обретают крепкие кости 02.03.2026

Влияние окружающей среды на здоровье человека становится все более очевидным, особенно в детском возрасте. Новое исследование, опубликованное в журнале JAMA Network Open, показывает, что близость к природе напрямую связана с крепостью костей у детей. Ученые установили, что у детей, чьи дома окружены природными территориями в радиусе 1000 метров на 25% больше обычного, риск развития крайне низкой плотности костей снижается на 65%. Для проведения исследования были проанализированы данные более 300 детей, проживающих в городских, пригородных и сельских районах Фландрии в Бельгии. Плотность костной ткани у детей в возрасте от четырех до шести лет оценивалась с помощью ультразвуковых методов. Такой подход позволил безопасно и точно измерить состояние костей на ранних этапах формирования скелета. При анализе учитывались ключевые факторы, влияющие на рост и развитие детей: возраст, вес, рост, этническая принадлежность и уровень образования матери. На основании этих параметров исследоват ...>>

Самовосстанавливающаяся инфраструктура будущего 02.03.2026

Современные мосты и бетонные конструкции по всему миру сталкиваются с проблемой устаревания и износа. Многие сооружения, построенные до 1980-х годов, постепенно теряют свою несущую способность, что требует дорогого ремонта или полной замены. Недавние разработки ученых из Швейцарских федеральных лабораторий материаловедения и технологий (Empa) предлагают инновационное решение - систему укрепления бетонных конструкций с помощью "умной стали", способной самостоятельно устранять трещины и повреждения. В основе новой технологии лежит арматура из сплава на основе железа с эффектом памяти формы (Fe-SMA). Этот материал обладает уникальным свойством: при нагревании до 190-200 °C стержни стремятся вернуться к своей первоначальной конфигурации. В бетонной конструкции это создает внутреннее напряжение, которое затягивает трещины и выравнивает деформированные элементы, существенно повышая прочность и долговечность сооружений. Актуальность разработки объясняется критическим состоянием инфрастр ...>>

Поцелуи полезны для здоровья 01.03.2026

Вопрос о том, как социальные связи и близость с партнером отражаются на здоровье человека, привлекает внимание не только психологов, но и специалистов в области микробиологии. Новое исследование показывает, что совместное проживание с любимым человеком может оказывать значительное влияние на микробиом кишечника и общее самочувствие. Доктор Наоми Миддлтон, клинический психологи и эксперт по здоровью кишечника, объяснила, что все аспекты совместной жизни - поцелуи, совместное питание, физическая близость и даже просто пребывание рядом - тесно связаны с поддержанием сбалансированной кишечной микрофлоры. Она подчеркивает, что здоровье экосистемы кишечника во многом определяется социальными взаимодействиями и повседневной близостью с другими людьми. По словам Миддлтон, длительное совместное пребывание с партнером может способствовать увеличению микробного разнообразия в кишечнике, а также снижать воспалительные процессы, связанные со стрессом. Такой эффект обусловлен тем, что микробио ...>>

Случайная новость из Архива

Определен верхний предел скорости звука 22.10.2020

Международная группа ученых вычислила значение верхнего (максимального) предела скорости распространения звуковых волн. Это значение оказалось равно 36 километрам в секунду, в два раза больше, чем скорость распространения звука в алмазе, самого твердого из всех известных материалов на сегодняшний день.

Волны, такие, как звуковые и электромагнитные, являются колебаниями, которые перемещают заключенную в них энергию из одного места в другое. Звуковые волны могут распространяться в различных средах, в воздухе, в воде и в твердых телах, и в каждой из таких сред скорость распространения звука имеет свое значение. К примеру, чем больше плотность среды, тем быстрее в ней распространяется звук, это объясняет, почему можно узнать о приближении поезда гораздо раньше, прислонив ухо к рельсу железнодорожного пути.

Теория специальной относительности Альберта Эйнштейна устанавливает абсолютный максимальный предел ограничения любой скорости, который равен скорости света в вакууме и составляет около 300 тысяч километров в секунду. Однако, до последнего времени никому не было известно, существует ли какой-то свой верхний предел для скорости распространения звуковых волн.

Проведенные упомянутыми выше учеными предварительные исследования показали, что верхний предел скорости звука может зависеть от значения двух безразмерных фундаментальных констант: постоянной тонкой структуры (fine structure constant) и соотношения массы протона к массе электрона.

Эти два значения, как уже хорошо известно, играют очень большую роль в деле понимания нами природы, строения и "функционирования" Вселенной. Их точно измеренные значения определяют ход ядерных реакций, таких, как распад протонов и процессы термоядерного синтеза, протекающие в недрах звезд. Баланс между этими двумя константами определяет узкую полосу "пригодной для жизни зоны", в которой на поверхности планет могут начать формироваться молекулярные структуры, являющиеся первыми "проблесками" будущей жизни.

Однако, результаты новых исследований указывают на то, что две фундаментальные константы также могут влиять и на другие явления и процессы, имеющие отношение к материаловедению, физике конденсированной материи, где их значения устанавливают некоторые пределы для определенных свойств материала, включая и скорость звука в этих материалах.

Ученые произвели проверку их теории относительно скорости звука на очень широком ряде различных материалов, что позволило подтвердить предположение, что с увеличением массы атома скорость звука в среде этого вещества будет уменьшаться. Это, в свою очередь, подразумевает, что самая большая скорость звука будет в среде твердого атомарного водорода. Однако, такая форма водорода получается только при очень высоких давлениях, выше 1 миллиона атмосфер, что сопоставимо с давлением в ядре газовых гигантских планет, таких, как Юпитер. При таких давлениях водород переходит в твердую металлическую форму, он обладает электрической проводимостью и, согласно некоторым теориям, является сверхпроводником, критическая точка которого находится в диапазоне комнатных температур.

Для расчетов ученые использовали созданную ими квантово-механическую модель металлической атомарной формы водорода. Вычисления, проведенные при помощи этой модели, дали ученым значение скорости звука, очень близкое к фундаментальному пределу, полученному теоретическим путем.

Другие интересные новости:

▪ Суперконденсатор в 5 раз тоньше листа бумаги

▪ Системная плата Gigabyte Z590 Aorus Tachyon

▪ Летающие скирмионы

▪ Концентрация углерода в воздухе достигла рекордного максимума

▪ Быстрое биотопливо из водорослей

Лента новостей науки и техники, новинок электроники

 

Интересные материалы Бесплатной технической библиотеки:

▪ раздел сайта Электрику. Подборка статей

▪ статья Не дай Бог увидеть русский бунт, бессмысленный и беспощадный. Крылатое выражение

▪ статья Где расположен аэропорт с песчаными взлетно-посадочными полосами? Подробный ответ

▪ статья Грузчик. Должностная инструкция

▪ статья Индикатор постоянного напряжения. Энциклопедия радиоэлектроники и электротехники

▪ статья Упрощенный вариант схемы усилителя мощности на комплементарных транзисторах. Энциклопедия радиоэлектроники и электротехники

Оставьте свой комментарий к этой статье:

Имя:


E-mail (не обязательно):


Комментарий:





Главная страница | Библиотека | Статьи | Карта сайта | Отзывы о сайте

www.diagram.com.ua

www.diagram.com.ua
2000-2026