Menu Home

Бесплатная техническая библиотека для любителей и профессионалов Бесплатная техническая библиотека


Управление электрическим отопительным котлом. Энциклопедия радиоэлектроники и электротехники

Бесплатная техническая библиотека

Энциклопедия радиоэлектроники и электротехники / Регуляторы мощности, термометры, термостабилизаторы

Комментарии к статье Комментарии к статье

Предлагаемый микроконтроллерный блок управления разработан и изготовлен взамен не обеспечивающего достаточного удобства эксплуатации штатного блока управления электрического котла отопления "ЭВАН ЭПО-7,5/220 B". Он может быть применен и для управления другими электронагревательными приборами.

После покупки и установки котла "ЭВАН ЭПО-7,5/220 B" выявились недостатки блока управления, которым он укомплектован. Главный из них - одновременное включение и выключение трех установленных в котле электронагревателей. Возникающие при этом броски тока и перепады напряжения в сети настолько велики, что вызывают сбои в работе некоторых, питающихся от нее же, электронных приборов. Случались даже выходы их из строя. Кроме того, мощный контактор, периодически включавший и выключавший нагреватели для поддержания заданной температуры, грохотал на весь дом, а висевший на стене блок, в котором он был установлен, при этом "подпрыгивал", пока не упал и не разбился. Было решено не ремонтировать этот блок, а разработать и изготовить новый, по возможности устранив недостатки и расширив выполняемые функции.

Новый блок управления был сделан четырехканальным с электронной коммутацией. Три канала управляют нагревателями с разносом по времени, что значительно снижает броски потребляемого от сети тока. Контактор используется лишь для аварийного отключения нагревателей в случае перегрева котла. Четвертый канал управляет водяным насосом системы отопления. Предусмотрен режим быстрого разогрева котла до заданной температуры при выключенном насосе с последующим его включением для подачи горячей воды в систему отопления.

Новая система, как и старая, стабилизирует температуру воды на выходе из котла, хотя есть возможность переключиться на ее стабилизацию на входе. Если подключить к блоку управления датчик температуры воздуха в помещении, система автоматически переходит в режим стабилизации этого параметра.

Схема нового блока управления вместе с датчиками температуры и исполнительными устройствами (нагревателями и водяным насосом) изображена на рис. 1. Систему отопления включают и выключают выключателем SA1, подающим сетевое напряжение на модуль питания. После этого начинают работать все остальные модули блока управления. На нагреватели ЕК1-ЕК3 напряжение 220 В поступает через контактор KM1, автоматы защиты сети SA3-SA5 и модуль симисторных коммутаторов, управляемых сигналами, формируемыми в микроконтроллерном модуле. Тип контактора - NC1 -25. Когда котел нормально работает, его контакты замкнуты.

Управление электрическим отопительным котлом
Рис. 1 (нажмите для увеличения)

Цепь управления двигателем M2, приводящим в движение водяной насос, в которую входят автомат SA2 и один из каналов симисторного модуля, отличается лишь тем, что ее размыкание контактором KM1 не предусмотрено. Это необходимо, чтобы в случае аварийного отключения нагревателей насос продолжил работать, обеспечивая циркуляцию воды в системе отопления и ее ускоренное охлаждение. Теплоотводы симисторов, коммутирующих нагреватели и насос, обдувает двухскоростной компьютерный вентилятор M1 типоразмера 80x80x20 мм с напряжением питания 12 В.

К модулю симисторных коммутаторов подключены двухцветные светодиоды HL1-HL4. Их кристаллы красного цвета свечения включаются при подаче сетевого напряжения на входы соответствующих симисторных коммутаторов, а зеленые - при открывании их симисторов. В последнем случае цвет свечения светодиода становится желтым, это сигнализирует о том, что на нагреватель или насос сетевое напряжение подано. Диоды VD1-VD8 защищают светодиоды от обратного напряжения.

Датчики температуры воды на выходе из котла (BK1), на его входе (BK2), а также температуры воздуха в отапливаемом помещении (BK3) подключены к микроконтроллерному модулю через модуль питания и межмодульных соединений. На выводах датчиков BK1 - BK3 смонтированы детали фильтров (соответственно R1C1, R2C2, R3C3). К выводам 1, 2 датчиков и свободным выводам резисторов припаяны, согласно схеме, провода коротких отрезков стандартных USB-кабелей с вилками разъемов USB-A.

В качестве корпусов для датчиков ВК1 и ВК2 использованы стандартные автомобильные датчики температуры охлаждающей жидкости 19-3828, из которых удалены все "внутренности". Датчики DS18B20 вместе с припаянными к ним деталями и концами кабелей вставлены в образовавшиеся полости и залиты автомобильным герметиком.

После затвердевания герметика датчик ВК1 ввинчивают на место ранее имевшегося датчика температуры воды на выходе из котла. Диаметр и шаг резьбы подходят. Чтобы установить датчик ВК2, необходимо сделать вставку с резьбовым отверстием в трубопроводе, подводящем воду к котлу.

На датчик ВКЗ и конец ведущего к нему кабеля для защиты от внешних воздействий надевают отрезок термоусаживаемой трубки. Этот датчик помещают в удаленном от источников тепла и защищенном от сквозняков месте отапливаемого помещения.

С разъемом Х5 модуля питания и межмодульных соединений датчики ВК1-ВКЗ соединены кабелями, сделанными из USB-удлинителей с кабельными розетками USB-A. качестве термовыключателя SF1, сигнализирующего о недопустимом перегреве воды, использован ТМ108 - стандартный автомобильный выключатель вентилятора системы охлаждения двигателя. Место для его установки в котле имеется, шаг и диаметр резьбы подходят. Контакты этого выключателя замыкаются, когда температура воды в котле достигает 92 оС, что приводит к немедленному отпусканию якоря контактором KM1 и выключению всех нагревателей. Размыкаются контакты выключателя SF1 при понижении температуры воды до 87 оС.

Для анализа сигналов датчиков и формирования сигналов управления нагревателями и другими устройствами системы применен универсальный микроконтроллерный модуль, описанный в [1], со специально разработанной программой. Чтобы взамен графического ЖКИ подключить к нему светодиодные индикаторы, модуль подвергся небольшой доработке. Удален регулировавший контрастность ЖКИ подстроечный резистор R15 (нумерация элементов модуля - согласно схеме на рис. 1 в [1]). Освободившиеся в результате этого два контакта разъема X4 использованы для передачи дополнительных сигналов управления светодиодными индикаторами. Для этого контакт 2 соединен с выходом PC7 (выводом 28), а контакт 18 - с выходом PD7 (выводом 30) микроконтроллера DD1.

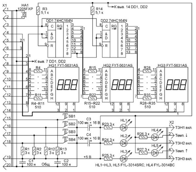
Схема подключаемого к микроконтроллерному модулю взамен ЖКИ модуля светодиодной индикации и управления изображена на рис. 2. В нем установлены трехразрядные семиэлементные светодиодные индикаторы HG1 - HG3 с общим катодом, на которые выводятся сведения о работе котла. Они зависят от выбранного режима работы системы отопления.

Управление электрическим отопительным котлом
Рис. 2 (нажмите для увеличения)

Информацию для отображения на индикаторах HG1-HG3 микроконтроллер формирует в виде последовательного 24-разрядного кода, который три соединенных последовательно восьмиразрядных сдвиговых регистра преобразуют в параллельный код, подаваемый на аноды элементов индикаторов. Первый из этих регистров находится в микроконтроллерном модуле (DD2 по его схеме). Он обслуживает индикатор HG1. Два других (DD1 и DD2 в рассматриваемом модуле индикации) обслуживают соответственно индикаторы HG2 и HG3. Первым в 24-разрядный регистр загружается значение старшего разряда регистра DD2, последним - значение младшего разряда регистра DD2 микроконтроллерного модуля.

Светодиоды HL1-HL3 модуля индикации отображают сформированные микроконтроллерным модулем сигналы управления нагревателями, соответственно ЕК1, ЕК2 и ЕКЗ. Светодиод HL4 включается, когда температура воды в котле падает, а HL5 - когда она растет. С помощью кнопок SB1-SB4 переключают режимы работы системы и изменяют их параметры.

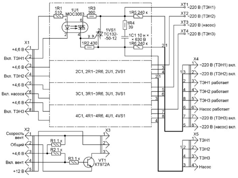
Схема модуля симисторных коммутаторов представлена на рис. 3. В нем четыре одинаковых канала. Позиционные обозначения элементов каждого из них снабжены префиксами, совпадающими с номерами каналов. Управляющие сигналы, сформированные микроконтроллерным модулем, поступают через разъем X1 на излучающие диоды симисторных оптронов 1U1-4U1, обеспечивающих гальваническую развязку между управляющими и исполнительными цепями.

Управление электрическим отопительным котлом
Рис. 3 (нажмите для увеличения)

Примененные оптроны MOC3063 [2] имеют узлы привязки моментов открывания фотосимисторов к моментам перехода приложенного к ним напряжения через ноль. Это значительно уменьшает уровень коммутационных помех. Исполнительные элементы коммутаторов - мощные симисторы 1VS1-4VS1, установленные на теплоотводах, которые обдувает вентилятор M1 (см. рис. 1).

Узел управления этим вентилятором, подключаемым к разъему X3, собран на транзисторе VT1. Сигнал включения вентилятора поступает от микроконтроллера на разъем X2 одновременно с появлением на X1 сигнала, включающего любой из нагревателей, а снимается спустя установленное время после выключения последнего из работавших нагревателей. Это обеспечивает быстрое охлаждение нагревшихся симисторов.

Все силовые входы (через резисторы 1R5-4R5) и выходы (через резисторы 1R6-4R6) каналов коммутации соединены c разъемом XP4, к которому подключают светодиоды-индикаторы подачи сетевого напряжения на входы (контакты XT1-XT4) коммутаторов и его появления на контактах разъема X5, к которым подключены нагреватели и насос.

На рис. 4 изображена схема модуля межмодульных соединений и питания маломощных узлов. Трансформатор Т1 понижает сетевое напряжение 220 В до 15 В, которое затем выпрямляет диодный мост VD1. После сглаживания пульсаций конденсаторами С2 и С3 выпрямленное напряжение стабилизируют интегральные стабилизаторы DA1 и DA2. Первый выдает напряжение 12 В для питания реле K1 и вентилятора М1 (см. рис. 1), второй - 5 В для питания микроконтроллерного модуля. В модуле питания находится также узел управления контактором аварийного отключения нагревателей, состоящий из транзистора VT1 и реле K1.

Управление электрическим отопительным котлом
Рис. 4 (нажмите для увеличения)

Разъем Х3 соединяют с микроконтроллерным модулем, а Х4 - с датчиками температуры. На разъем Х5 выведены сигналы управления нагревателями и насосом, а также питающие напряжения для модуля коммутации.

Детали каждого модуля блока управления котлом монтируют на отдельной печатной плате из фольгированного стеклотекстолита толщиной 1,5 мм. Чертеж платы микроконтроллерного модуля имеется в [1]. Подстроечный резистор R15 на ней не устанавливают, а контакты 2 и 18 разъемаX4 соединяют с указанными ранее выводами микроконтроллера перемычками из изолированного провода. Других доработок не требуется.

Печатная плата модуля индикации и управления - двусторонняя. Чертеж ее печатных проводников изображен на рис. 5, а расположение деталей - на рис. 6. Если эта плата будет изготавливаться по технологии без сторон короткие отрезки неизолированного провода. Выводы деталей также пропаивают с двух сторон.

Управление электрическим отопительным котлом
Рис. 5

Управление электрическим отопительным котлом
Рис. 6

Остальные печатные платы - односторонние. Чертеж платы модуля симисторных коммутаторов показан на рис. 7. Соединения электродов 1 симисторов с контактными площадками на печатной плате выполняют изолированными проводами сечением не менее 2,5 мм2. Вентилятор M1 закреплен на П-образных теплоотводах симисторов 1VS1 - 1VS4 (рис. 8). Для этого в верхних полках теплоотводов сделаны резьбовые отверстия. Чертеж платы модуля питания и межмодульных соединений изображен на рис. 9.

Управление электрическим отопительным котлом
Рис. 7

Управление электрическим отопительным котлом
Рис. 8

Управление электрическим отопительным котлом
Рис. 9

В устройстве применены постоянные резисторы МЛТ, С2-33, оксидные конденсаторы К50-35 или импортные, остальные конденсаторы - К73-17. Все микросхемы и индикаторы HG1-HG3 установлены в панели.

Блок управления отопительным котлом собран в корпусе от музыкального центра "LG" (рис. 10). На нижней металлической панели корпуса, которая стала задней панелью блока, закреплены все модули, контактор, автоматы защиты сети и другие крупные детали. Верхняя пластмассовая панель превратилась в переднюю. В ней сделаны отверстия для индикаторов и кнопок управления, а также для доступа к выключателю SA1 и автоматам защиты сети SA2-SA5. Боковые стенки корпуса обрезаны до нужных размеров. В нижней его части расположены разъемы для подключения датчиков температуры и внешних силовых цепей. Силовые цепи блока выполнены изолированным монтажным проводом сечением не менее 2,5 мм2.

Управление электрическим отопительным котлом
Рис. 10

Управляют котлом с помощью четырех кнопок, установленных в блоке индикации и управления. Изменить температуру стабилизации можно в любой момент кнопками SB4 "+" и SB3 "-". Если датчик, измеряющий температуру воздуха в помещении, не подключен, стабилизируется температура воды в котле. С подключением этого датчика на индикатор выводятся его показания и стабилизируется температура в помещении.

На индикатор HG1 модуля индикации и управления в рабочем режиме выводится при наличии датчика BK3 заданная температура воздуха в помещении, а без него - заданная температура воды в котле (на выходе или на входе в зависимости от установленного режима). На индикатор HG2 выводится измеренная температура воздуха в помещении или воды на выходе из котла. На индикатор HG3 при подключенном датчике температуры воздуха будет выведена измеренная температура воды на выходе котла, а при отключенном - на входе в него.

Нажатиями на кнопку SB1 "Режим" входят в сервисный режим и выбирают параметр, который предполагается изменить. Кнопкой SB3 "-" уменьшают, SB4 "+" увеличивают значение выбранного параметра. Нажатием на кнопку SB2 "Память" записывают значения измененных параметров в EEPROM микроконтроллера. Для восстановления параметров, заданных по умолчанию, т. е. возвращения к их значениям, действовавшим при первом включении системы, необходимо удерживать кнопку SB2 "Память" нажатой более 5 с. Когда раздастся непрерывный звуковой сигнал, кнопку можно отпустить.

В сервисном режиме на индикатор HG2 выводится буква П с номером регулируемого параметра, а на индикатор HG1 - его значение. Все регулируемые параметры, пределы их изменения и значения по умолчанию указаны в таблице. В нее включены также параметры, задаваемые в рабочем режиме, а потому не имеющие условных обозначений на индикаторе. Это значения поддерживаемой системой отопления температуры воды в котле или воздуха в помещении. Все параметры могут принимать только целые значения. Следует помнить, что программа микроконтроллера не проверяет их корректность. По этой причине, изменяя параметры, следует руководствоваться здравым смыслом и соблюдать осторожность.

Предусмотрены три способа выхода из сервисного режима. Во-первых, это происходит после нажатия на кнопку "Память" и записи информации в EEPROM. Во-вторых, автоматически через минуту после последнего нажатия на любую кнопку. В-третьих, в результате перебора всех параметров до выхода в рабочий режим. Все нажатия на кнопки сопровождаются подтверждающими звуковыми сигналами. Измененные значения параметров, не записанные в EEPROM, действуют только до выключения устройства.

При первом включении мик-роконтроллерного модуля с только что загруженной программой из нее в EEPROM микроконтроллера переписываются значения параметров, заданные по умолчанию. Но для этого EEPROM должна быть чистой (содержать 0FFH во всех ячейках), иначе информация переписана не будет, все параметры придется устанавливать вручную.

После инициализации датчиков температуры и системы индикации программа проверяет состояние термовыключателя SF1 и, если температура воды ниже допустимой, подает короткий звуковой сигнал готовности и включает контактор. Определив, какие датчики подключены, программа управляет нагревателями, поддерживая заданную температуру воды в котле или воздуха в помещении. Показания отсутствующего или неисправного датчика заменяются на индикаторе тремя тире.

При температуре ниже заданной включаются насос, вентилятор охлаждения симисторов и поочередно через заданные промежутки времени - нагревательные элементы. По достижении заданной температуры нагревательные элементы поочередно выключаются. По умолчанию насос продолжает работать, не выключаясь, но параметром П_2 можно задать его выключение через определенный параметром П_3 промежуток времени или при понижении температуры воды до заданного параметром П_4 значения. Вентилятор обдува симисторов выключается спустя установленное параметром П_10 время после выключения последнего нагревателя.

Когда температура уменьшится на заданное параметром П_1 число градусов, вновь будут включены нагреватели и цикл регулирования температуры повторится. Чем больше значение этого параметра, тем реже включаются, но дольше работают нагреватели.

Обозн. Параметр Интервал изменения По умолчанию
Нет Температура воды в котле, °С 0-90 40
Нет Температура воздуха в помещении, °С 0-40 20
П_1 Разность температуры включения и выключения нагревателей, °С 0-10 2
П_2 Работа насоса после выключения нагревателей 0 - не работает;1 - работает заданное время;2 - работает до заданной температуры 0
П_3 Длительность работы насоса, мин 0-30 4
П_4 Температура выключения насоса, °С 0-50 40
П_5 Работа нагревателя № 1 0 - вместе с нагревателями 2 и № 3;1 - включен постоянно 0
П_6 Разнос моментов включения или выключения нагревателей, с 0-20 10
П_7 Выдержка для подавления "дребезга" кнопок, мс 0-50 20
П_8 Разогрев воды в котле до заданной температуры при выключенном насосе 0 - включен1 - выключен 0
П_9 Температура разогрева воды, °С 0-90 75
П_10 Задержка выключения вентилятора, с 0-240 120
П_11 Контроль температуры воды 0 - на выходе из котла1 - на входе в котел 0

Файлы печатных плат в формате Sprint Layout 5.0 и программу микроконтроллера можно скачать с ftp://ftp.radio.ru/pub/2014/03/epo_evan.zip.

Литература

  1. Киба В. Универсальный микроконтрол-лерный модуль с графическим ЖКИ. - Радио, 2010, № 3, с. 28-30.
  2. 6-pin DIP zero-cross phototriac driver optocoupler. - mkpochtoi.narod.ru/ MOC3061_MOC3062_MOC3063_zerocross_ ds.pdf.

Автор: В. Киба

Смотрите другие статьи раздела Регуляторы мощности, термометры, термостабилизаторы.

Читайте и пишите полезные комментарии к этой статье.

<< Назад

Последние новости науки и техники, новинки электроники:

Лабораторная модель прогнозирования землетрясений 30.11.2025

Предсказание землетрясений остается одной из самых сложных задач геофизики. Несмотря на развитие сейсмологии, ученые все еще не могут точно определить момент начала разрушительного движения разломов. Недавние эксперименты американских исследователей открывают новые горизонты: впервые удалось наблюдать микроскопические изменения в контактной зоне разломов, которые предшествуют землетрясению. Группа под руководством Сильвена Барбота обнаружила, что "реальная площадь контакта" - участки, где поверхности разлома действительно соприкасаются - изменяется за миллисекунды до высвобождения накопленной энергии. "Мы открыли окно в сердце механики землетрясений", - отмечает Барбот. Эти изменения позволяют фиксировать этапы зарождения сейсмического события еще до появления традиционных сейсмических волн. Для наблюдений ученые использовали прозрачные акриловые материалы, через которые можно было отслеживать световые изменения в зоне контакта. В ходе искусственного моделирования примерно 30% ко ...>>

Музыка как естественный анальгетик 30.11.2025

Ученые все активнее исследуют немедикаментозные способы облегчения боли. Одним из перспективных направлений становится использование музыки, которая способна воздействовать на эмоциональное состояние и когнитивное восприятие боли. Новое исследование международной группы специалистов демонстрирует, что даже кратковременное прослушивание любимых композиций может значительно снижать болевые ощущения у пациентов с острой болью в спине. В эксперименте участвовали пациенты, обратившиеся за помощью в отделение неотложной помощи с выраженной болью в спине. Им предлагалось на протяжении десяти минут слушать свои любимые музыкальные треки. Уже после этой короткой сессии врачи фиксировали заметное уменьшение интенсивности боли как в состоянии покоя, так и при движениях. Авторы исследования подчеркивают, что музыка не устраняет саму причину боли. Тем не менее, она воздействует на эмоциональный фон пациента, снижает уровень тревожности и отвлекает внимание, что в сумме приводит к субъективном ...>>

Алкоголь может привести к слобоумию 29.11.2025

Проблема влияния алкоголя на стареющий мозг давно вызывает интерес как у врачей, так и у исследователей когнитивного старения. В последние годы стало очевидно, что границы "безопасного" употребления спиртного размываются, и новое крупное исследование, проведенное международной группой ученых, вновь указывает на это. Работы Оксфордского университета, выполненные совместно с исследователями из Йельского и Кембриджского университетов, показывают: даже небольшие дозы алкоголя способны ускорять когнитивный спад. Команда проанализировала данные более чем 500 тысяч участников из британского биобанка и американской Программы миллионов ветеранов. Дополнительно был выполнен метаанализ сорока пяти исследований, в общей сложности включавших сведения о 2,4 миллиона человек. Такой масштаб позволил оценить не только прямую связь между употреблением спиртного и развитием деменции, но и влияние генетической предрасположенности. Один из наиболее тревожных результатов касается людей с повышенным ге ...>>

Случайная новость из Архива

MEMS-микрофон MP23DB01HP 27.06.2020

MP23DB01HP - это новый компактный ненаправленный MEMS-микрофон производства STMicroelectronics, построенный на базе емкостного сенсорного элемента и содержащий встроенную микросхему, которая выполняет обработку сигнала.

Первичный преобразователь акустических колебаний основан на MEMS-технологии микрообработки кремния. Встроенная микросхема изготовлена по технологии КМОП, что обеспечивает низкое потребление при формировании выходного цифрового сигнала в формате PDM.

MP23DB01HP имеет несколько режимов работы (пониженное энергопотребление, низкое энергопотребление и режим максимальной производительности), которые определяются диапазоном тактовой частоты. Прибор имеет очень высокую перегрузочную способность (AOP 135dBSPL) и малый разброс чувствительности в пределах +-1 дБ.

У MP23DB01HP - нижнее расположение порта подвода звукового сигнала. Микрофон выпускается в металлическом корпусе, обеспечивающем экранирование от электромагнитных помех. Изделие работает в расширенном диапазоне температур от -40°C до 85°C.

Особенности MP23DB01HP:

Всенаправленный цифровой MEMS-микрофон;
Очень низкие нелинейные искажения;
Высокая перегрузочная способность: 135 dBSPL;
Несколько режимов работы;
Потребление тока: 2 мкА (спящий режим); 285 мкА (маломощный режим);
Потребление в режиме максимальной производительности: 800 мкА;
Цифровой PDM-интерфейс с опцией для настройки стерео.

Другие интересные новости:

▪ Экшен-камера Garmin VIRB 360

▪ 49" монитор Samsung CHG90

▪ Плесени открытый космос нипочем

▪ Ген счастья найден

▪ Детские смарт-часы Garmin Bounce

Лента новостей науки и техники, новинок электроники

 

Интересные материалы Бесплатной технической библиотеки:

▪ раздел сайта Радиолюбительские расчеты. Подборка статей

▪ статья Древо жизни. Крылатое выражение

▪ статья Когда и где красноармейцы и белогвардейцы сражались на одной стороне в одинаковой форме? Подробный ответ

▪ статья Наладчик станков с ЧПУ. Должностная инструкция

▪ статья Автозапуск дизель-генератора при прекращении подачи электроэнергии на микроконтроллере PIC16F84A. Энциклопедия радиоэлектроники и электротехники

▪ статья Необыкновенная посылка. Секрет фокуса

Оставьте свой комментарий к этой статье:

Имя:


E-mail (не обязательно):


Комментарий:





Главная страница | Библиотека | Статьи | Карта сайта | Отзывы о сайте

www.diagram.com.ua

www.diagram.com.ua
2000-2025