Menu Home

Бесплатная техническая библиотека для любителей и профессионалов Бесплатная техническая библиотека


Охранная система Lock GSM. Энциклопедия радиоэлектроники и электротехники

Бесплатная техническая библиотека

Энциклопедия радиоэлектроники и электротехники / Охрана и сигнализация через мобильную связь

Комментарии к статье Комментарии к статье

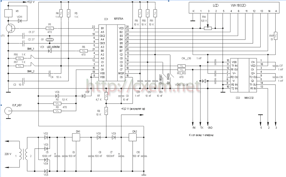
Охранная система LOСK GSM (далее - ОС) предназначена для охраны различных стационарных объектов от несанкционированного доступа. ОС имеет две зоны охраны, которые можно задействовать как под охранные функции, так и под пожарную сигнализацию. Обе зоны работают независимо друг от друга. В качестве датчиков охраны и пожарной сигнализации должны использоваться датчики, которые в режиме охраны имеют сопротивление, близкое к нулю и бесконечно большое сопротивление при срабатывании, например, инфракрасные датчики движения. Последовательно с датчиком включается резистор 1 кОм. Напряжение для питания датчиков берется непосредственно с ОС. Возможно соединение двух датчиков одной зоны в последовательную цепь, при этом сопротивление резисторов каждого датчика должно быть по 510 Ом.

ОС позволяет работать как в автономном режиме, так и с оповещением по GSM-каналу. При работе в автономном режиме при нарушении объекта срабатывает реле силовой нагрузки (РСН), которым можно управлять звуковым излучателем (сиреной), при режиме оповещения  по GSM-каналу  - дополнительно отправляются SMS на запрограммированный телефонный номер с указанием события, которое произошло на охраняемом объекте. Для этого необходим терминал сотовой связи, например,  Siemens M35i с активированной SIM-картой или сотовый телефон .

Постановка и снятие с охраны осуществляется с помощью персональных электронных ключей Dallas Semiconductor DS1990А.

В энергонезависимую память микроконтроллера можно записать 16 ключей. OC позволяет записывать ключи в память микроконтроллера непосредственно на считывающем устройстве.

Основные технические характеристики: (при совместной работе с Siemens M35i)

1. Количество зон охраны..........2
2. Количество электронных ключей:..........до 16-ти
3. Напряжение основного питания :..........~220 В
4. Напряжение резервного питания:..........+12 В
5. Нормальное сопротивление шлейфа..........1 кОм  +/- 10%
6. Время работы реле силовой нагрузки (РСН):..........75 секунд
7. Максимальная мощность РСН..........12В x 0,5А
8. Потребляемый ток в режиме "Охрана":..........не более 100 мА
9. Потребляемый ток в режиме "Тревога":..........не более 160 мА
10. Скорость обмена ОС - терминал GSM..........19,2 кб/

Алгоритм работы ОС

Все датчики в момент постановки на охрану должны находиться в замкнутом состоянии. Охранные шлейфа при этом имеют сопротивление 1 кОм  +/- 10%. После касания зарегистрированным ключом считывающего устройства, загорится контрольный светодиод, расположенный на считывающем устройстве. Это обозначает, что ОС находится в режиме охраны объекта. Если во время постановки на охрану одна или обе зоны находились в разомкнутом состоянии, то установка режима охраны будет осуществлена автоматически после их возвращения в исходное состояние. Для снятия с охраны необходимо повторно коснуться электронным ключом считывающего устройства. Светодиод при этом погаснет.

Если произошло несанкционированное нарушение одной из зон (срабатывает охранный датчик, происходит обрыв или короткое замыкание шлейфа), немедленно включается РСН (которое управляет, например, сиреной) на 75 секунд и начинает мигать контрольный светодиод. Одновременно на заданный номер (или несколько номеров - зависит от порядка записи на SIM карту) отправляется SMS с указанием зоны нарушения. При нарушении во время тревоги другой охранной зоны, также будет отправлено соответствующее SMS-сообщение, но время работы РСН будет отсчитываться с момента срабатывания первоначально нарушенной охранной зоны.

Если по истечении 75 секунд контакты датчика (датчиков) не придут в исходное нормальное состояние, отправляется SMS, что охранные зоны не восстановлены и  РСН начинает работать в импульсном режиме (замкнуто 1 секунда, разомкнуто 2 секунды), и с такой же частотой мигает контрольный светодиод. В случае возврата в исходное состояние датчиков, ОС перейдет в режим охраны, будет отправлено SMS о восстановлении зон охраны, и мигание светодиода продолжится с уменьшенной в два раза частотой, по сравнению с режимом тревоги. Это дополнительно укажет на то, что происходило срабатывание ОС.

При последующем нарушении зон охраны, алгоритм работы будет идентичен алгоритму, описанному выше.

Для отключения во время тревоги РСН, и, соответственно, включения режима снятия с охраны, необходимо коснуться электронным ключом считывающего устройства.

При попытке поставить на охрану или попытке снятия с охраны  ОС незарегистрированным электронным ключом, происходит кратковременное (в течение 1 секунды) срабатывание РСН. После трехкратной попытки снятия с охраны ОС незарегистрированным ключом, происходит отправка SMS о попытке подбора ключа.

ОС так же контролирует пропадание и восстановление основного (сетевого) питания. При этих событиях отправляются соответствующие SMS - сообщения. Все режимы работы отображаются на дисплее ЖКИ ОС.

О различных версиях прошивки данной охранной системы, читайте на сайте lock.3dn.ru/. Там же можно бесплатно скачать полностью рабочую версию 1.0

Охранная система Lock GSM. Принципиальная схема охранной системы
(нажмите для увеличения)

Рекомендации по самостоятельной сборке ОС

Печатная плата ОС разработана с применением SMD компонентов, что позволило создать довольно компактное устройство. Рисунки печатных плат прилагаются - вид со стороны деталей (файл Vid.lay), вид со стороны монтажа (файл Plata_SMD.lay) и фотошаблон (файл Foto.lay) для изготовления печатной платы методом использования позитивного фоторезиста, например "POSITIV RESIST". Печатные платы выполнены в программе Layout 40.

Если Вы планируете использовать не модем, а только сотовый телефон, микросхему МАХ232 и ее компоненты обвязки можно не устанавливать. Однако обращаем Ваше внимание, что телефон будет работать нестабильно в области отрицательных температур. Это проблема всех сотовых телефонов, поэтому желательно использовать именно модем, например "Siemens M35iT". Кроме того, через эту микросхему можно подключить СОМ порт компьютера для наладки ОС (об этом будет сказано ниже).

Так же необязательно использование индикатора ЖКИ. В этом случае придется производить инициализацию устройства, запись и удаление ключей "вслепую", что очень неудобно.

Резисторы R16 и R17 устанавливаются непосредственно в датчике движения последовательно с нормально замкнутыми контактами SMK1 и SMK2. Они должны иметь точно такие же номиналы как R4 и R5, так как вместе с ними образуют уравновешенный мост для контроля охранных шлейфов. Если Вы используете только один канал охраны, то второй канал необходимо зашунтировать резистором.

Для работы модема информационные SMS необходимо предварительно записать на SIM-карту. Алгоритм записи и примерные тексты SMS в ячейки SIM-карты приведен в таблице 1 приложения: Приведенная последовательность нумерации ячеек ОБЯЗАТЕЛЬНА!

9-ти пиновый СОМ используется для соединения ОС с GSM модемом. В случае использования сотового телефона, на плате имеется соответствующий разъем. Для питания датчиков движения применяются два разъема, с кторых снимается напряжение 12В. Назначение остальных входов/выходов для подключения к ОС приведено в таблице 2 приложения.

Собрав устройство, тщательно проверьте правильность монтажа, отсутствие КЗ. При установке элементов на плату нужно учесть следующий момент - в устройстве используются коммутационные кнопки, которые имеют "сквозные" выводы, за счет чего они выполняют так же роль перемычек. Пример такой кнопки показан на рисунке. В ней вывод 1  соединен с выводом 2, а вывод 3 - с выводом 4. В случае применения других кнопок (не установленных на плату) соедините соответствующие точки перемычками, изготовленными из изолированного провода.  Обратите на это особое внимание!

Охранная система Lock GSM. Кнопка

Наладка и инициализация ОС

Для наладки подключите к выводам ОС соответствующие цепи считывающего устройства и контрольного светодиода. Вместо датчиков движения включите кнопки с нормально замкнутыми контактами последовательно с резисторами номиналом 1 кОм. К выходу РСН (выводы 1 и 2 ОС)  подключите, соблюдая полярность светодиод с последовательно включенным резистором 1-2 кОм. Этим светодиодом будет контролироваться работа РСН. Вместо GSM  модема подключите к 9-ти пиновому разъему СОМ порт компьютера модемным кабелем. Обратите внимание на то, что бы выход ТХ ОС был подключен ко входу RX COM порта. Через терминальную программу вы сможете наблюдать управляющие команды модемом.

Подключите ОС к источнику основного (сетевого) и резервного питания. На индикаторе будет выведена заставка. Запустите на Вашем компьютере любую терминальную программу, например,  COM Port Toolkit  или rs232Pro. Выполните инициализацию ОС, для этого нажмите  на время не менее 1 секунды и отпустите кнопку ВВОД. ОС перейдет в режим "Снято с охраны", о чем будет выведено сообщение на ЖКИ. После этого можно начинать запись ключей.

  Порядок записи ключей:

1. Сначала очищается память микроконтроллера. Для этого в режиме "Снято с охраны" нужно нажать и удерживать не менее 5 секунд кнопку ВВОД. На дисплей будет выведен запрос об удалении ключей, а затем подтверждение, что ключи удалены. После этого ОС автоматически перейдет в режим записи ключей, будет выведено сообщение, что началась запись и загорится светодиод на считывающем устройстве.

2. Кратковременно (продолжительностью не более 1 секунды) последовательно коснуться ключами считывающего устройства (максимум - 16 ключей).

3. Подтверждением успешной регистрации будет однократное мигание светодиода считывающего устройства, кратковременное срабатывание РСН и сообщение на дисплее.

4. Примерно через 50 секунд после регистрации последнего ключа, устройство выйдет из режима записи, о чем на дисплей выводится сообщение: "Запись ключей завершена", при этом кратковременно сработает РСН и гаснет светодиод. Необходимо помнить, что можно зарегистрировать максимум 16 ключей. Регистрация 17-го ключа удалит первый ключ, 18-го-второй и так далее. При регистрации, продолжительность касания считывающего устройства должна быть не более 1 секунды, иначе произойдет двойная регистрация одного и того же ключа.

Коснитесь записанным ключом считывающего устройства. На ЖКИ будет выведено сообщение, что ОС находиться в режиме охраны, а в терминальной программе будет видна команда AT+IPR=19200. Это говорит о том, что была проведена инициализация GSM модема и установлена скорость обмена 19,2 кБ/с.

Разомкните контакты зоны №1. При этом будет выведено сообщение "Тревога! Зона №1", сработает РСН, а в терминальной программе вы увидите команду отправки SMS: AT+CMSS=1. Аналогичная ситуация будет наблюдаться при размыкании контактов второй зоны. ОС перейдет в режим тревоги так же при обрыве или коротком замыкании охранного шлейфа.

Для отключения режима тревоги, коснитесь ключом считывающего устройства. ОС перейдет в режим "Снято с охраны".

Снова поставьте ОС в режим охраны и разомкните, а затем восстановите любую охранную зону. Через 75 секунд РСН должно отключиться, ОС перейдет в режим охраны с мигающим контрольным светодиодом, а в терминальной программе будет видна команда AT+CMSS=3. Если охранные зоны не были восстановлены, то РСН перейдет в импульсный режим работы и пройдет команда AT+CMSS=4.

В режиме охраны ОС отключите основное (сетевое) питание. Терминальная программа выдаст команду AT+CMSS=5, а при восстановлении основного питания - команду AT+CMSS=6.

Возьмите незапрограммированный на данной ОС ключ, и, в режиме охраны, трижды коснитесь им считывающего устройства. После третьего касания терминальная программа выдаст команду AT+CMSS=7.

После выполнения наладки подключите к ОС штатные устройства - датчики движения, сирену, GSM модем и опробуйте работу ОС в реальных условиях.

В случае утери одного из ключей, в целях безопасности, необходимо кнопкой ВВОД удалить информацию обо всех ключах, и произвести новую регистрацию оставшихся ключей. При этом при нажатии на кнопку ВВОД на дисплей выводится запрос об удалении всех ключей. При отпускании кнопки удаление будет отменено, для подтверждения удаления необходимо удерживать кнопку ВВОД в нажатом состоянии не менее пяти секунд. По истечении этого времени  выводится информация, что все ключи удалены, кратковременно срабатывает РСН, загорается светодиод и ОС автоматически переходит в режим записи новых ключей, о чем на дисплей выводится соответствующее сообщение. Если необходимо просто добавить новый ключ, нажмите кнопку МЕНЮ и проведите запись ключа, который будет добавлен в память ОС. Эти режимы работы ОС так же можно проверить на этапе наладки.

Если в будущем понадобиться произвести полное отключение основного и резервного питания, операцию ИНИЦИАЛИЗАЦИИ (нажатие кнопки ВВОД после подачи питания) необходимо повторить, но ключи в памяти БУДУТ СОХРАНЕНЫ, так как записываются в энергонезависимую память

Охранная система Lock GSM. Фото устройства

Таблица 1

№ п/п Событие (текст SMS) Номер ячейки SIM-карты
1 Тревога! Нарушение охранной зоны №1 1
2 Тревога! Нарушение охранной зоны №2 2
3 Система  установлена в режим "Охрана" 3
4 Система в  режим "Охрана" НЕ УСТАНОВЛЕНА! 4
5 Пропало основное питание охранной системы 5
6 Восстановлено основное питание охранной системы 6
7 Внимание! Была попытка подбора ключа! 7

Таблица 2

№ PIN Назначение PIN
1 Общий (корпус)
2 Контакт РСН (+12В - появляется при срабатывании РСН)
3 Выход контрольного светодиода
4 Общий (корпус)
5 Вход считывающего устройства
6 Вход зоны №1
7 Вход зоны №2
8 Общий (корпус)
9 Общий (корпус)
10 Напряжение питания модема GSM и заряда аккумулятора +13,2 B
11 Вход переменного напряжения 18 В
12 Вход переменного напряжения 18 В

Прошивку HEX, файлы в формате LAY вы можете скачать здесь (62 кБайт)

Автор: Михаил (alarm.gsm [собака] gmail.com); Публикация: cxem.net

Смотрите другие статьи раздела Охрана и сигнализация через мобильную связь.

Читайте и пишите полезные комментарии к этой статье.

<< Назад

Последние новости науки и техники, новинки электроники:

Власть является ключевым фактором счастья в отношениях 11.03.2026

Исследования семейных и романтических отношений показывают, что длительное счастье пары зависит не только от привычных факторов, таких как доверие, уважение и преданность, но и от более тонких психологических аспектов. Современные ученые ищут закономерности, которые отличают действительно счастливые пары от остальных, чтобы понять, какие механизмы поддерживают гармонию в отношениях. Группа исследователей из Университета Мартина Лютера в Галле-Виттенберге и Бамбергского университета провела опрос среди 181 пары, которые состояли в совместных отношениях более восьми лет и прожили вместе хотя бы месяц. Участники заполняли анкету, описывая различные аспекты своих отношений, включая распределение обязанностей, эмоциональную поддержку и степень вовлеченности в совместные решения. Анализ данных показал интересный паттерн: пары, где оба партнера ощущали высокий уровень личной власти, оказывались наиболее счастливыми и удовлетворенными. В данном контексте под властью понимается способност ...>>

Защищенная колонка-повербанк Anker Soundcore Boom Go 3i 11.03.2026

Компания Anker представила новую модель линейки Soundcore - колонку Soundcore Boom Go 3i, ориентированную на активное использование на улице. Новинка отличается высокой степенью защиты: корпус соответствует стандарту IP68, что обеспечивает водо- и пыленепроницаемость, а ударопрочный дизайн выдерживает падение с высоты до одного метра. За качество звука отвечает 15-ваттный драйвер, обеспечивающий пик громкости до 92 дБ, а технология BassUp 2.0 усиливает низкие частоты, делая звучание более насыщенным. Колонка обладает автономностью до 24 часов, а LED-индикатор позволяет контролировать уровень заряда батареи. Кроме того, Soundcore Boom Go 3i может выполнять функцию павербанка: согласно внутренним тестам, устройство способно зарядить iPhone 17 с нуля до 40% за один час, что делает его полезным аксессуаром в походах и поездках. Среди функциональных особенностей модели стоит выделить технологию Auracast, которая улучшает подключение и позволяет создавать стереопару из двух колонок ...>>

Раннее воздержание от алкоголя перестраивает мозг и иммунитет 10.03.2026

Алкогольная зависимость - хроническое расстройство с компульсивным употреблением спиртного, которое влияет не только на поведение, но и на функционирование мозга и иммунной системы. Недавние исследования показали, что даже на ранних этапах воздержания организм начинает перестраиваться, открывая новые возможности для терапии зависимости. Ученые сосредоточились на пациентах, находящихся в первые недели абстиненции, и зафиксировали значительные изменения в мозговой активности. С помощью функциональной магнитно-резонансной томографии они выявили перестройку сетей нейронных связей, отвечающих за контроль импульсов и принятие решений. Эти изменения могут быть ключевыми для восстановления самоконтроля и снижения риска рецидива. Одновременно с нейронной перестройкой исследователи наблюдали колебания иммунной системы. В крови повышался уровень цитокинов - сигнальных белков, регулирующих воспалительные процессы. Эти данные свидетельствуют о существовании нейроиммунного взаимодействия, при ...>>

Случайная новость из Архива

Электрическая капсула для стимуляции желудока и улучшения аппетита 05.05.2023

Американские инженеры создали капсулу, которая при глотании электрически стимулирует клетки желудка, побуждая их вырабатывать гормон голода грелин. Первые испытания по изобретению, которое может помочь в лечении тошноты и пониженного аппетита, провели на свиньях.

Гормон грелин отвечает за чувство голода и известен за способность усиливать аппетит и противодействовать тошноте. Он производится главным образом клетками желудка, поэтому ученые Массачусетского технологического института предположили, что электрическая стимуляция желудка изнутри может увеличить выработку гормона. Это пригодилось бы при лечении состояний, сопровождающихся плохим аппетитом и тошнотой у людей.

Чтобы избежать имплантации электродов в орган, ученые создали прототип капсулы, которую можно проглотить, как обычную таблетку, и она будет временно действовать в желудке, пока естественным образом не покинет его. Она имеет в строении электронику, которая генерирует электрические сигналы и посылает их в клетки через электрод, намотанный на капсулу снаружи, а также содержит внутри батарею для ее питания.

Чтобы жидкость в желудке не мешала электроду контактировать с клетками, инженеры придали капсуле форму, на которую их вдохновила кожа ящериц молохов. У этих животных она имеет систему микроскопических каналов, которые впитывают и направляют благодаря капиллярным силам дождевую воду и росу в рот молохов.

Похожей системой каналов с гидрофильным покрытием наделили и поверхность капсулы, чтобы она отводила лишнюю жидкость от электрода, позволяя контактировать с клетками и стимулировать их. А чтобы капсула не начала действовать еще в пищеводе, ее покрыли сахарозаменителем изомальтом, деградирующим в кислоте желудка.

Тестирование на 13 свиньях показало, что уже через десять минут стимуляции капсулой уровень грелина в крови возрастает примерно на 40 процентов. Капсула оставалась в желудке в течение суток, а затем все животные избавлялись от нее естественным путем в течение двух недель, что для свиней является нормальным показателем.

Изучение тканей пищеварительного тракта испытуемых животных не выявило признаков воспаления, травмы или других патологий из-за капсулы, что предварительно свидетельствует о безопасности технологии. К тому же выявленное увеличение уровня грелина ученые считают достаточным для уменьшения тошноты и улучшения аппетита, но необходимы следующие опыты на людях, что это проверить.

Другие интересные новости:

▪ Lifebook T4210

▪ Бесплатный Wi-Fi стал важнее секса и алкоголя

▪ Бактерия вызывает дождь

▪ Нанокатализатор на цедре апельсина

▪ Заспинный помощник

Лента новостей науки и техники, новинок электроники

 

Интересные материалы Бесплатной технической библиотеки:

▪ раздел сайта Металлоискатели. Подборка статей

▪ статья Видеосъемка свадеб и истинные человеческие чувства. Искусство видео

▪ статья Как Амфитрион убедился, кто из рожденных Алкменой близнецов его сын? Подробный ответ

▪ статья Наладчик гальванического оборудования. Типовая инструкция по охране труда

▪ статья Микрофонный усилитель. Энциклопедия радиоэлектроники и электротехники

▪ статья Столы фокусника. Секрет фокуса

Оставьте свой комментарий к этой статье:

Имя:


E-mail (не обязательно):


Комментарий:





Главная страница | Библиотека | Статьи | Карта сайта | Отзывы о сайте

www.diagram.com.ua

www.diagram.com.ua
2000-2026