Бесплатная техническая библиотека
Базовый блок охраны. Энциклопедия радиоэлектроники и электротехники

Энциклопедия радиоэлектроники и электротехники / Охранные устройства и сигнализация объектов
Комментарии к статье
В простейшем варианте для работы охранной сигнализации достаточно подключить блок временных интервалов (A3) к источнику питания (А1), а также установить датчики F1...F4 и кнопки управления SB1 - включение, SB2 - выключение охраны (рис. 2.2). Такое подключение в тексте называется "базовый блок".
Рис. 2.2. Базовый блок охранной сигнализации
Технические характеристики базового блока охраны:
- Предусмотрено смешанное питание. В стационарных условиях основным является сеть 220 В, но в случае ее отключения питание переходит на аккумулятор напряжением 9...13 В. Номинальное напряжение питания 12 В. Ток, потребляемый блоком охраны от аккумулятора в режиме ОХРАНА не превышает 0,15 мА Схема постоянно контролирует состояние аккумулятора и вовремя оповестит о снижении напряжения ниже 9 В.
- Включение и выключение режима охраны производится разными кнопками При включении блока кнопкой SB1 устройство будет ждать, пока сработает датчик F1, после чего выполняется задержка 12 с до перехода в режим ОХРАНА За это время надо покинуть помещение и закрыть дверь Выключение
блока охраны производится кнопкой SB2.
- Схема предусматривает подключение датчиков по четырем независимым охранным шлейфам, при этом количество датчиков не ограничено
- При срабатывании датчика, установленного на входной двери (F1) в режиме ОХРАНА, блок временных интервалов обеспечивает задержку 6...7 с на включение сигнальных устройств. За этот интервал времени необходимо успеть отключить блок охраны скрытно установленной кнопкой SB2 При срабатывании других датчиков звуковой сигнал тревоги включается без задержки.
- Предусмотрено ограничение времени работы звукового сигнала. При самых неблагоприятных обстоятельствах (когда датчики постоянно срабатывают) су ммарное время работы сирены не превысит 16 мин. Режим ограничения можно отключить тумблером SA1.
- Для удобства эксплуатации блок охраны имеет звуковую и световую индикацию режимов работы схемы
- при включении кнопкой SB1, если все охранные датчики находятся в исходном состоянии, никакой индикации быть не должно непрерывное свечение зеленого светодиода говорит о пониженном напряжении на аккумуляторе, а красного - что сработал один из охранных датчиков (F2 F4),
- при кратковременном срабатывании датчика F1, пока идет отсчет интервала 12 с, мигает зеленый светодиод,
- когда блок перешел в режим ОХРАНА, никакой индикации нет,
- при срабатывании F1 и начале отсчета второго интервала (6 с) раздается тихий прерывистый звуковой сигнал и мигает зеленый светодиод.
В зависимости от назначения системы схема блока питания (А1) выбирается из вариантов, показанных на рис 2.3
В качестве охранных датчиков могут применяться герконовые контакты совместно : магнитом или кнопки (первое надежнее, так как они герметичны и не боятся атмосферных воздействий).
Для звукового сигнала тревоги (НА1) может использоваться автомобильная сирена или аналогичная пищалка. Ее включение производится одной из групп контактов реле ЗК1 (A3), что позволяет коммутировать любую нагрузку, в том числе сетевого звонка (до трех разных устройств одновременно). Если же блок охраны имеет только автономное питание, то вместо реле ЗК1 можно подключить сразу звуковую сирену.
Рассмотрим более подробно работу модулей системы охраны
Источник питания А1 в особых пояснениях не нуждается, так как собран по типовой схеме. Коммутация напряжения питания осуществляется контактами поляризованного реле К1 (А1), рис 23, которое выполняет роль триггера. Особенностью такого реле является способность поддерживать переключающие контакты в нужном положении при отсутствии напряжения на обмотке - достаточно кратковременной подачи напряжения на соответствующую обмотку, чтобы переключить группу контактов. В качестве резервного источника питания G1 могут применяться 10 аккумуляторов типа НкГц-0,5 или более мощные. Если G1 не устанавливается, то цепь контроля напряжения соединяется с "+" питания (на рис. 2.За перемычка вместо диода VD5).
Рис. 2.3. а) Питание схемы в стационарных условиях, б) питание схемы в автомобиле (нажмите для увеличения)
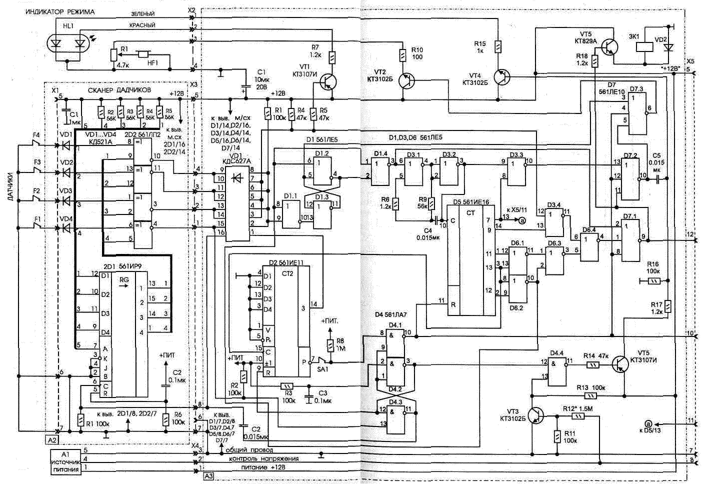
Рис. 2.4. Электрическая схема блоков системы охраны (нажмите для увеличения)
Для питания всех узлов схемы можно использовать и меньшее напряжение, если применять все исполнительные реле с обмоткой на соответствующее рабочее напряжение.
Блок временных интервалов A3, рис. 2.4, состоит из триггера на элементах D1.1. D1.3; генератора импульсов D3 1, D3.2; счетчика импульсов D5 селектора временных интервалов (12 и 6 с) на логических элементах микросхем D6, D3 4, D7; ограничителя времени звучания звукового сигнала на счетчике D2; триггера на элементах D4 для обеспечения режима ожидания начала отсчета первого временного интервала (12 с).
В момент подачи питания на схему импульс, сформированный цепью C3-R3, обеспечивает начальную нулевую установку счетчиков D2 и D5 (на выходе D2/7 появится лог. "1", т. е. напряжение питания). При этом на выводах микросхем будут состояния: D4/3 - "1"; D5/11 - "1"; D1/1 - "1"; D1/2 - "1" D1/3 - "0"; D6/10 - "1"; D7/9 - "0".
После срабатывания датчика F1 (лог. "0" на входах D4/13 и D1/9) на выходе D4/11 появится лог. "1" (на D4/10 - лог. "0", что разрешает работу счетчика D5). При этом работает генератор (импульсы на D3/3 с частотой примерно 500 Гц) и связанный с ним счетчик D5, до момента времени (12 с), пока на D6/10 не появится лог. "0" (на D1/3 лог. "1" - что остановит работу генератора). Схема переходит в режим ОХРАНА. Если при этом сработает датчик F1 - переключится триггер на элементах D1 1 .D1.3 (на выводе D1/4 появится лог. "1", на D1/3 - "0"), что разрешает работу генератора и счетчика D5. В этом случае если не нажать кнопку SB2, через 6 с появится звуковой сигнал тревоги.
При срабатывании любого другого датчика триггер на элементах D1.1...D1.3 также переключится, но звуковой сигнал тревоги появится без задержки и будет прерывистым, так как лог. "0" подается на вход D3/12, а на D3/11 будут импульсы.
Счетчик D2 позволяет ограничить время работы звукового оповещения. Когда на D2/7 появится лог. "0" (при включенном SA1), а на D4/10 - лог. "1" - этот уровень дает запрет на работу D5 и прохождение сигналов на выход D7/9.
Контроль за напряжением аккумулятора выполняет транзистор VT3. Он работает в режиме микротоков, за счет чего имеет большое усиление и переключается из запертого состояния в открытое при изменении напряжения в цепи контроля на 0,1 В. Подбором резистора R11 нужно добиться, чтобы при напряжении источника G1 9 В и меньше транзистор VT3 запирался (лог "1" на входе D4/6). Зеленый светодиод будет непрерывно светиться - что говорит о необходимости устранить причину снижения напряжения. Светодиод отключится при переходе схемы в режим ОХРАНА (D4/5 - лог "0") - это исключает разряд элементов питания за счет тока, протекающего через светодиод.
Сдвоенный светодиод HL1 можно заменить двумя любыми обычными, но с разным цветом свечения. Зеленый светодиод служит также для индикации режимов работы моргает). Пои этом для того чтобы снизить ток потребления схемой, напряжение на него подается короткими импульсами с выхода D7/10. Из-за инерции зрения это незаметно.
Топология печатной платы для схемы не разрабатывалась, и монтаж радиоэлементов несложно выполнить на универсальных макетных платах с контактными площадками под установку микросхем При монтаже следует учитывать, что, пока микросхемы не распаяны в схему, они боятся статического электричества.
В схеме применены неполярные конденсаторы - К10-17, электролитические типа К52-1Б или аналогичные с малыми токами утечки Резисторы подойдут любые. Диодную матрицу КДС627А можно заменить обычными импульсными диодами. Вместо сдвоенного светодиода HL1 подойдут два одинарных из серии КИПД24 (разных цветов) Микросхемы серии 561 заменяются на аналогичные из серии 564 Для соединения модулей между собой (при использовании системы для охраны помещения) удобно применять разъемы типа МРН14-1 или аналогичные. Реле ЗК1 типа РЭС48, паспорт РС4.520.202
(РС4.520 214), но подойдут и многие другие Поляризованные реле К1 блока питания типа РЭС32Б РС4 520.204, РС4 520.212 или РС4.520 220.
Соединения от датчиков F1.. F4 до схемы выполняются перевитыми между собой проводами. Кнопка SB2 устанавливается скрытно в любом удобном месте. Звуковой индикатор HF1 и светодиод HL1 желательно вынести из корпуса, что отвлечет внимание от места расположения основной конструкции в случае проникновения вора.
Налаживание блока временных интервалов начинается с установки резистором R12 порога запирания транзистора VT3 при напряжении 9 В в цепи аккумулятора (напряжение подается от регулируемого источника питания). После этого проверяется логика работы схемы в соответствии с описанием. При необходимости можно подстроить частоту тактового генератора резистором R9 для получения временных интервалов 6 и 12 с (или 8 и 16с).
Публикация: cxem.net
Смотрите другие статьи раздела Охранные устройства и сигнализация объектов.
Читайте и пишите полезные комментарии к этой статье.
<< Назад
Последние новости науки и техники, новинки электроники:
Оптимальная продолжительность сна
12.11.2025
Сон играет ключевую роль в поддержании здоровья, когнитивных функций и общего самочувствия. Несмотря на широко распространенный стереотип о восьмичасовом сне, последние исследования показывают, что оптимальная продолжительность сна для большинства здоровых взрослых ближе к семи часам.
Эволюционный биолог из Гарварда, Дэниел Э. Либерман, утверждает, что традиционная норма восьми часов сна - это скорее культурное наследие индустриальной эпохи, чем биологическая необходимость. По его словам, полевые исследования, проведенные в сообществах, не использующих электричество, показывают, что средняя продолжительность сна составляет 6-7 часов, что значительно отличается от общепринятого стандарта.
Современные эпидемиологические данные подтверждают этот взгляд. Исследования выявили так называемую "U-образную кривую" зависимости между продолжительностью сна и рисками для здоровья. Минимальные показатели заболеваемости и смертности наблюдаются именно у людей, спящих около семи часов в сутки. ...>>
Дефицит кислорода усиливает выброс закиси азота
12.11.2025
Парниковые газы играют ключевую роль в изменении климата, а закись азота (N2O) - один из наиболее опасных среди них. Этот газ не только втрое сильнее углекислого газа в удержании тепла, но и разрушает озоновый слой. Недавнее исследование американских ученых показало, что микробы в зонах с низким содержанием кислорода активно производят N2O, усиливая глобальные климатические риски.
Команда из Университета Пенсильвании изучала прибрежные воды у Сан-Диего и провела наблюдения на глубинах от 40 до 120 метров в Восточной тропической северной части Тихого океана - одной из крупнейших зон дефицита кислорода. Исследователи сосредоточились на том, как морские микроорганизмы превращают нитраты в закись азота.
В ходе работы выяснилось, что существует два пути образования N2O. Один путь начинается с нитрата, другой - с нитрита. На первый взгляд более короткий путь должен быть эффективнее, однако микробы, использующие нитрат, продуцируют больше газа, поскольку этот "сырьевой" источник более д ...>>
Омега-3 помогают молодым кораллам выживать
11.11.2025
Сохранение коралловых рифов становится все более актуальной задачей в условиях глобального изменения климата. Молодые кораллы особенно уязвимы на ранних стадиях развития, когда стрессовые условия и нехватка питательных веществ могут привести к высокой смертности. Недавнее исследование ученых из Технологического университета Сиднея показывает, что специальные пищевые добавки способны существенно повысить выживаемость личинок кораллов.
В ходе работы исследователи разработали особый состав "детского питания" для коралловых личинок. В него вошли масла, богатые омега-3 жирными кислотами, а также важные стерины, необходимые для формирования клеточных мембран. Личинки, получавшие эти добавки, развивались быстрее, становились крепче и демонстрировали более высокую устойчивость к стрессовым факторам.
Особое внимание ученые уделили липидам. Анализ показал, что личинки активно усваивают эти вещества, что напрямую влияет на их жизнеспособность. Стерины, содержащиеся в корме, повышают устойчи ...>>
Случайная новость из Архива Пленка впитывает пот и заряжает гаджет
04.01.2021
Команда исследователей из Национального университета Сингапура (NUS) создала новую пленку, которая очень эффективно впитывает пот с нашей кожи, чтобы нам было прохладно и комфортно во время физической нагрузки. Влагу, полученную из человеческого пота, можно использовать для зарядки носимых электронных устройств: часов, фитнес-браслетов и других гаджетов.
Потоотделение - естественный процесс терморегуляции нашего тела. Пот в основном состоит из воды. Когда вода испаряется с поверхности кожи, она снижает температуру кожи. Новая влагопоглощающая пленка помогает сделать этот процесс быстрее. И получить с его помощью энергию для электронных устройств.
Основными компонентами пленки являются два гигроскопичных химиката - хлорид кобальта и этаноламин. Помимо того, что эта пленка очень хорошо впитывает влагу, она может быстро выделять воду при воздействии солнечного света. Она меняет цвет после поглощения влаги с синего на фиолетовый и - далее - на розовый. Эта функция может использоваться как индикатор степени поглощения влаги.
Обычные гигроскопичные материалы, такие как цеолиты и силикагели, имеют низкое водопоглощение и объемные твердые структуры, что делает их непригодными для поглощения влаги от испарения пота. Для сравнения: новая влагопоглощающая пленка, разработанная исследователями NUS, впитывает в 15 раз больше влаги и делает это в шесть раз быстрее, чем обычные материалы.
Чтобы в полной мере использовать поглощенный пот, команда NUS также разработала носимое устройство для сбора энергии, состоящее из восьми электрохимических ячеек (ЭК), использующих новую пленку в качестве электролита. Каждая ячейка может генерировать около 0,57 вольт электричества при поглощении влаги. Общая энергия, собираемая устройством, достаточна для питания светодиода.
Команда NUS упаковала пленку в гибкие воздухопроницаемые и водонепроницаемые мембраны из политетрафторэтилена (ПТФЭ), которые широко используются в одежде. Тестирование показало, что пленку можно вшивать в подкладки для подмышек и в стельки для обуви, чтобы устранить неприятный запах пота. Ученые уже создали прототип такой стельки (на фото). Кроме того, инновационную пленку можно перевоспроизводить и использовать повторно более 100 раз.
|
Другие интересные новости:
▪ Панорамная приставка для цифровой фотокамеры
▪ Найден след от столкновения с крупнейшем метеоритом за всю историю
▪ Огонь будет задушен
▪ Система жидкостного охлаждения для компактных ПК Asetek 645LT
▪ Электрокар заряжается за 30 минут
Лента новостей науки и техники, новинок электроники
Интересные материалы Бесплатной технической библиотеки:
▪ раздел сайта Аудиотехника. Подборка статей
▪ статья Через час по чайной ложке. Крылатое выражение
▪ статья Что обеспечивало работу омывателя лобового стекла в автомобиле Фольксваген Жук? Подробный ответ
▪ статья Черемуха обыкновенная. Легенды, выращивание, способы применения
▪ статья Музыкальные звонки с автоматическим перебором мелодий. Энциклопедия радиоэлектроники и электротехники
▪ статья Регулирование мощности низковольтной нагрузки. Энциклопедия радиоэлектроники и электротехники
Оставьте свой комментарий к этой статье:
Главная страница | Библиотека | Статьи | Карта сайта | Отзывы о сайте

www.diagram.com.ua
2000-2025