Бесплатная техническая библиотека
Генератор сигнала ДМВ. Энциклопедия радиоэлектроники и электротехники

Энциклопедия радиоэлектроники и электротехники / Измерительная техника
Комментарии к статье
При налаживании радиолюбительских конструкций, работающих на частотах выше 1 ГГц (например, в любительском диапазоне 23 см), необходим генератор высокостабильного сигнала. Его нетрудно изготовить, если в распоряжении радиолюбителя имеется кварцевый резонатор на частоту 27...50 МГц.
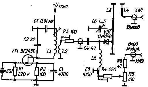
Принципиальная схема генератора изображена на рис. 1. Задающий генератор собран на транзисторе VT1, умножитель частоты - на диоде VD1. Необходимую гармонику исходного сигнала (например, 29-ю для любительского диапазона 23 см при использовании резонатора на частоту 45 МГц) выделяет контур L3C6. Напряжение смещения на диоде VD1 создается автоматически. Его оптимальное значение (по максимальному сигналу требуемой гармоники) устанавливают подстроечным резистором R4. По этому же критерию подбирают (подстроечным резистором R3) уровень высокочастотного напряжения, поступающего на умножитель с задающего генератора. При необходимости выходной сигнал генератора можно промодулировать. Требуемый уровень модулирующего напряжения устанавливают переменным резистором R5.
Рис.1
В генераторе применен обычный высокочастотный диод (не предназначенный для работы в диапазоне ДМВ). Если его заменить на диод Шоттки, уровень выходного сигнала заметно возрастет.
Колебательный контур L1C2 настраивают на частоту кварцевого резонатора. Конструкция катушек L1 и L2 некритична (отношение их чисел витков - около 10). Дроссель 15 представляет собой бескаркасную катушку (10 витков) диаметром 13 мм.
Элементы VD1, С4, С5, L3- L5 монтируют на плате из одностороннего фольгированного материала, располагая все детали со стороны фольги. Контур L3C6 представляет собой подстраиваемую конденсатором полуволновую линию. Ее размеры для любительского диапазона 23 см показаны на рис. 2. Изготавливают линию из медной полосы, изгибают и припаивают оба ее конца к фольге. Петлю связи L4 сгибают из провода диаметром 1 мм. и располагают в нескольких миллиметрах от линии L3.
Рис.2
Увеличив продольные размеры .линии (пропорционально уменьшению рабочей частоты), описанный генератор можно использовать для настройки, например, телевизионных конвертеров ДМВ.
Питают генератор от стабилизированного источника напряжением 9...12 В.
Транзистор VT1 можно заменить на КП303Е, диод VD1 - на КД522 или КД514А. Кварцевые резонаторы на частоту 27...30 МГц есть в наборах серии "Кварц" для радиоуправляемых моделей.
Литература
- Prufostillator fur microwelle. - QSP, 1988, № 7, S. 20, 21.
Публикация: Н. Большаков, rf.atnn.ru
Смотрите другие статьи раздела Измерительная техника.
Читайте и пишите полезные комментарии к этой статье.
<< Назад
Последние новости науки и техники, новинки электроники:
Стерильного нейтрино не существует
15.01.2026
В физике элементарных частиц поиск новых, пока не обнаруженных объектов играет ключевую роль в понимании устройства Вселенной. Иногда такие поиски приводят к громким открытиям, а иногда - к не менее важным отрицательным результатам, которые позволяют отбросить неверные направления. Именно к таким случаям относится недавний вывод ученых о судьбе стерильного нейтрино - одной из самых интригующих гипотетических частиц последних десятилетий.
Исследователи из американской лаборатории Fermilab официально сообщили, что им не удалось найти доказательства существования стерильного нейтрино. К такому выводу пришла команда эксперимента MicroBooNE после многолетнего анализа столкновений нейтрино, которые ранее рассматривались как возможный намек на существование четвертого типа этих частиц. Предполагалось, что стерильное нейтрино взаимодействует с материей исключительно через гравитацию, что делало его крайне трудным объектом для обнаружения.
В рамках современной физики нейтрино известны в т ...>>
Беспроводные наушники и колонки Fender
15.01.2026
Музыкальная индустрия постепенно адаптируется к цифровым технологиям, и известный производитель музыкальных инструментов Fender расширяет свое присутствие за пределы гитар и усилителей, представляя современные решения для прослушивания музыки. Новые беспроводные наушники и Bluetooth-колонки Fender объединяют богатый звук, модульность и удобство использования как для дома, так и для профессиональной работы.
Флагманской новинкой стали наушники Fender Mix, отличающиеся модульной конструкцией. Динамики подключаются к оголовью через порт USB Type-C и могут быть сняты вместе с амбушюрами, что облегчает уход и транспортировку. Один из динамиков оснащен встроенным адаптером USB Type-C для подключения к источнику звука без потерь, поддерживая кодеки LDHC и Fire, а также функцию Auracast. На другом динамике размещен съемный аккумулятор, который обеспечивает до 100 часов работы без активного шумоподавления; при включении ANC время работы сокращается до 52 часов. Наушники доступны по цене $299 ...>>
Польза белкового завтрака
14.01.2026
Правильное питание по утрам играет ключевую роль в поддержании здоровья и контроле веса. Многочисленные исследования подтверждают, что состав завтрака может влиять на аппетит в течение всего дня и качество употребляемой пищи. Австралийские ученые провели масштабный эксперимент, который показал, что употребление белковой пищи с утра помогает дольше чувствовать сытость и предотвращает переедание.
В исследовании участвовали более 9 тысяч человек среднего возраста 46 лет. В период с 2011 по 2012 год специалисты анализировали рационы респондентов, оценивая долю основных макронутриентов. В среднем участники потребляли 43% углеводов, 31% жиров, 18% белков, 2% клетчатки и 4% алкоголя. Такой рацион позволил ученым проследить взаимосвязь между утренним приемом пищи и пищевым поведением в течение дня.
Выяснилось, что участники, чей завтрак содержал недостаточное количество белка, ощущали повышенный аппетит в течение дня. Они ели больше, чем необходимо, и часто выбирали продукты с высоким со ...>>
Случайная новость из Архива Иммунитет беременных реагирует на пол ребенка
14.02.2017
От женщин можно услышать, что во время беременности они чувствуют, кто у них внутри, мальчик или девочка. Это не выдумки: в некоторых медицинских исследованиях удалось показать, что известные и не очень приятные симптомы, сопутствующие беременности, могут быть сильнее или слабее в зависимости от пола будущего ребенка.
Но в чем конкретная причина таких отличий? Аманда Митчелл (Amanda M. Mitchell) и ее коллеги из Университета штата Огайо предположили, что все дело в иммунитете. Плохое самочувствие часто начинается с воспаления, и вот исследователи решили проверить, как на протяжении беременности меняется воспалительный фон у восьмидесяти женщин.
Иммунитет управляет воспалением с помощью сигнальных белков цитокинов, и если в организме появляется, например, бактериальная инфекция, иммунные клетки выделяют много цитокинов, чтобы скоординировать атаку против патогена. С другой стороны, если иммунитет "перегрет", если он на пустом месте, без каких-то серьезных причин поддерживает тлеющую воспалительную реакцию, то это можно узнать по фоновому уровню тех же самых цитокинов.
Фоновый уровень воспалительных цитокинов в крови беременных от пола ребенка не зависел. Но все менялось при появлении бактерий: у женщин, беременных девочками, иммунные клетки реагировали на инфекцию сильнее, генерируя больше воспалительных молекулярных сигналов. Бактерии в наш организм проникают постоянно, и иммунитет их атаки успешно отражает, не давая развиться полноценной инфекционной болезни.
Однако иммунный ответ должен быть соразмерен угрозе, и вот именно из-за чрезмерного усердия иммунитета беременные могут сильнее уставать, сильнее страдать от разных болей, кроме того, у них могут обостряться симптомы хронических заболеваний, вроде астмы, связанных с повышенной иммунной активностью. Наконец, не стоит забывать, что агрессивная иммунная система матери способна навредить самому ребенку.
Почему иммунитет становится таким активным «в присутствии девочек», пока не вполне ясно; возможно, виной тому специфические изменения в гормональном фоне, которые происходят именно при вынашивании ребенка женского пола. Но, как бы то ни было, и самим беременным, и врачам, у которых они наблюдаются, необходимо учитывать такие особенности поведения иммунной системы и своевременно предпринимать какие-то иммуноуспокаивающие меры.
|
Другие интересные новости:
▪ Перетертый щебень на полях борется с выбросами CO2 и увеличивает урожайность
▪ Детектор гравитационных волн
▪ Термостойкая солнечная панель с высоким КПД
▪ Новый рекорд квантовой суперпозиции
▪ Формула счастья
Лента новостей науки и техники, новинок электроники
Интересные материалы Бесплатной технической библиотеки:
▪ раздел сайта Охрана труда. Подборка статей
▪ статья Что доброго может быть из Назарета? Крылатое выражение
▪ статья Что означают наши имена? Подробный ответ
▪ статья Порядок расследования несчастных случаев на производстве
▪ статья Имитатор звука мотора и гудка автомашины. Энциклопедия радиоэлектроники и электротехники
▪ статья Танцующее яйцо. Физический эксперимент
Оставьте свой комментарий к этой статье:
Главная страница | Библиотека | Статьи | Карта сайта | Отзывы о сайте

www.diagram.com.ua
2000-2026