Menu Home

Бесплатная техническая библиотека для любителей и профессионалов Бесплатная техническая библиотека


Экономичный электронный кот. Энциклопедия радиоэлектроники и электротехники

Бесплатная техническая библиотека

Энциклопедия радиоэлектроники и электротехники / Дом, приусадебное хозяйство, хобби

Комментарии к статье Комментарии к статье

Материалы о борьбе с грызунами с помощью различных электронных устройств уже публиковались в журнале "Радио". В предлагаемой вниманию читателей статье приводится описание еще одного прибора аналогичного назначения, отличающегося от уже известных возможностью работы в условиях значительных колебаний температуры и влажности, экономичностью, простым схемотехническим решением. Он не требует сложных измерительных приборов при настройке.

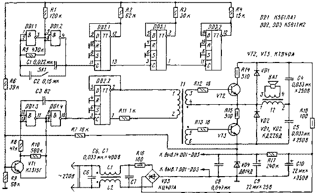
Принципиальная схема электронного устройства для отпугивания грызунов приведена на рис. 1. Оно состоит из генератора НЧ, делителя частоты, генератора ультразвуковой частоты, формирователя сигнала типа "меандр", усилителя мощности и звукового сигнализатора.

Генератор НЧ собран на элементах DD1.1, DD1.2 микросхемы DD1. Частота следования вырабатываемых им прямоугольных импульсов определяется номиналами резистора R5 и конденсатора С1. При замыкании контактов переключателя SA1 параллельно конденсатору С1 подключается дополнительный конденсатор С2, что понижает частоту. Чтобы затруднить грызунам адаптацию к отпугивающему сигналу, положение переключателя SA1 необходимо менять один-два раза в неделю.

С выхода генератора НЧ сигнал поступает на трехразрядный двоичный счетчик-делитель, выполненный на элементах DD2.1, DD3.1 и DD3.2 и считающий до 16 в коде 1-2-4-8 (младшим разрядом служит вывод 3 элемента DD1.1). К выходам счетчика подключены резисторы R1-R4, преобразующие двоичный цифровой код чисел от 0 до 15 в аналоговый сигнал, т. е. в напряжение, изменяющееся от нуля до логической единицы (12В).

Экономичный электронный кот
(нажмите для увеличения)

Каждый старший разряд счетчика включен через резистор вдвое меньшего номинала, чем младший. При такой комбинации включения резисторов R1-R4 напряжение в точке их соединения равно нулю, когда во всех разрядах присутствует логический нуль. При каждом переключении мультивибратора DD1.1, DD1.2 это напряжение скачкообразно увеличивается на 1/16 напряжения питания (Uпит). За 16 тактов переключения счетчик достигнет состояния 1111, а напряжение в точке соединения резисторов - максимума, т. е. Uпит. При следующем переключении счетчик сбрасывается в состояние 0000 и цикл работы повторяется.

Резисторы R1-R4 могут быть установлены на разъемы, что дает возможность менять их местами, при этом каждому из 16 состояний счетчика будет соответствовать один из 16 уровней напряжения. Каждой комбинации этих резисторов соответствует определенная последовательность изменения управляющего напряжения. Количество таких комбинаций N равно факториалу числа четыре:

N=4!=1х2x3x4=24.

Такое разнообразие законов модуляции ультразвука также можно использовать для предотвращения адаптации грызунов к отпугивающему сигналу электронного устройства.

На элементах DD1.3, DD1.4 собран генератор ультразвуковой частоты, которая определяется емкостью конденсатора C3, а также режимом работы открытого транзистора VT1. Режим зависит от управляющего напряжения, подаваемого через резистор R6 на базу транзистора VT1. При указанных на схеме номиналах элементов и изменении управляющего напряжения от 0 до 12 В частота генератора изменяется примерно от 50 до 100 кГц.

С выхода ультразвукового генератора модулированные по частоте колебания поступают на D-триггер DD2.2, который делит их частоту на 2 и формирует на выходе сигнал типа "меандр", необходимый для симметричной работы выходного каскада. Нагружен D-триггер на первичную обмотку трансформатора Т1, подключенную к его выходу через резистор R11. Это уменьшает токовую нагрузку триггера и способствует лучшей работе выходного каскада.

Более подробно следует остановиться на схемотехнике выходного каскада - усилителя мощности, а также на способе подачи питания на разные части устройства. Учитывая условия, в которых приходится работать подобным устройствам, традиционную схему питания (трансформатор-выпрямитель-стабилизатор) использовать нецелесообразно. Дело в том, что малогабаритные сетевые трансформаторы в помещениях с высокой влажностью работают ненадежно: магнитопровод подвергается

коррозии; в первичной обмотке часто повреждается изоляция и возникают обрывы, поскольку для нее применяется очень тонкий провод. Что касается линейных стабилизаторов, то они имеют существенный недостаток - от 20 до 50 % мощности рассеивается на самом стабилизаторе, что не удовлетворяет требованию экономичности. Вот почему для таких устройств рекомендуется использовать бестрансформаторное питание.

Излучателем в подобных отпугивателях грызунов обычно служит четырех-, шестиваттная высокочастотная динамическая головка. Как показала проверка, через несколько дней работы наиболее нагретой деталью оказывается именно эта головка. Для большей надежности работы ее мощность должна быть порядка 3...3.5 Вт. При напряжении питания 300 В ток, потребляемый усилителем мощности, будет составлять 10... 12 мА. Низковольтная часть устройства, собранная на ИМС, потребляет примерно б...7 мА. Такие значения токов позволили низковольтную и высоковольтную части включить последовательно и питать их от общего источника питания напряжением 300...310 В, состоящего из мостового выпрямителя VD3 и конденсатора фильтра С10. Питание ИМС стабилизирует стабилитрон VD4. Таким образом, отпадает необходимость вырабатывать дополнительное напряжение питания ИМС, например, с помощью гасящего конденсатора и диодного моста.

Усилитель мощности представляет собой полумостовой инвертор, собранный на транзисторах VT2, VT3 и конденсаторах С4, С5 (Моин В. С. Стабилизированные транзисторные преобразователи. - М.: Энергоатомиздат, 1996). В нем применены наиболее дешевые из числа высоковольтных транзисторы КТ940А. Напряжение на их коллекторе близко к максимально допустимому, но как показали испытания, этот узел способен работать даже при напряжении 335 В.

Использование высокочастотных транзисторов частично решает проблему сквозного тока. Для защиты от него приняты и другие меры. Так, включение резисторов R14, R15 в цепи коллекторов транзисторов VT2, VT3 ограничивает их токи даже при коротком замыкании в трансформаторе Т2 или нагрузке. Рассеиваемая на резисторах мощность составляет 0,1...0,15 Вт, что уменьшает КПД не более чем на 5 %. Избыточное насыщение открытого транзистора устраняется путем ограничения тока базы с помощью резистора R11. И это лучше, чем использовать для ограничения тока базовые резисторы R12, R13, поскольку в первом случае ток базы в течение времени присутствия на ней открывающего импульса носит убывающий характер. На рис. 2 показана форма тока базы при ограничении его резистором R11 (рис. 2,а) и резисторами R12, R13 (рис. 2,6).

При работе транзистора в ключевом режиме необходимо, чтобы он находился в насыщенном состоянии Кнас=Iб/(Iк/h21э)>1 на протяжении почти всего времени действия открывающего импульса. Как показано на рис. 2,6, этому времени соответствует отрезок t1-t2. Только в конце импульса (t3-t4) нужноуменьшить ток базы, чтобы коэффициент насыщения Кнас приблизился к 1. Это снизит коммутационные потери в транзисторах. Однако следует признать, что такой способ уменьшения коммутационных потерь эффективен лишь при точной настройке выходного каскада, а это возможно при постоянной длительности импульса (t3-t1=const). Поскольку в описываемом устройстве названное условие не выполняется, то невозможна и точная настройка каскада.

Через резистор R17 протекает небольшой ток, обеспечивающий запуск устройства при включении его в сеть. Фильтр L1 L2C6C7 защищает сеть от помех со стороны отпугивателя грызунов. В авторском варианте устройства на печатной плате размещены ИМС, транзистор VT1 и связанные с ними резисторы и конденсаторы, а также стабилитрон VD4 и конденсаторы С8, С9. Для остальных деталей использован навесной монтаж на куске стеклотекстолита. Транзисторы VT2, VT3 прикреплены к плате с помощью винтов М3 и гаек.

В устройстве могут быть применены резисторы МЛТ указанной на схеме мощности. Конденсаторы С4, С5-С7 - К73-17, С9, С10 - К50-29 или К50-35, остальные - любые керамические. Для намотки дросселей L1, L2 и трансформатора Т1 подойдут кольцевые сердечники К12х5х5,5, К12Х8ХЗ, К16х8хб и др. из феррита. Катушки L1, L2 содержат 20 витков сложенного вдвое провода ПЭЛШО 0,25. Обмотка 1-2 трансформатора Т1 содержит 210 витков провода ПЭЛШО 0,1, обмотки 3-4 и 5-6 - по 18 витков ПЭЛШО 0,25. Трансформатор Т2 можно намотать на ферритовых кольцевых сердечниках К20х10хб, К28х16х9, К32Х16Х8 и даже на Ш-образном ферритовом магнитопроводе, например, от блокинг-трансформатора старого лампового телевизора. Обмотка 1-2 содержит 200 витков провода ПЭЛШО 0,2, 3-4 - 8 витков провода ПЭЛШО 0,3. Все магнитопроводы выполнены из феррита марок 1500НМ, 2000НМ, 3000НМ. Микросхемы К561ЛА7 и К561ТМ2 можно заменить на соответствующие им из серии 564. Вместо транзисторов КТ940А допустимо использовать КТ854, КТ858, КТ872 и др. высоковольтные. Переключатель SA1 - П2К или любой другой малогабаритный, динамическая головка - 4ГДВ-1.

Экономичный электронный кот

Для налаживания устройства необходим внешний источник питания напряжением 20...25 В. Сначала отдельно настраивают ту часть, которая смонтирована на печатной плате. Источник питания (соблюдая полярность!) через резистор сопротивлением 0.62...1 кОм подключают к конденсатору С9. Работу генератора НЧ и делителей частоты можно проверить с помощью светодиода. Катод светодиода подпаивают к минусовому выводу конденсатора С9, а анод через резистор сопротивлением 5,1... 10 кОм - поочередно к нижним (по схеме) выводам резисторов R1-R4. Частота мигания светодиода каждый раз должна уменьшаться в два раза. При замыкании контактов переключателя SA1 частота понижается в несколько раз.

При наличии осциллографа или частотомера проверяют диапазон частот, генерируемых ультразвуковым генератором. Для этого уменьшают частоту генератора НЧ, подключив вместо С1 конденсатор емкостью 2,2...4,7 мкФ и вместо R5 резистор сопротивлением 1...3 МОм. Частоту поочередно измеряют на выводах 1 и 2 микросхемы DD2. Она должна принимать 16 различных значений, примерно от 25 до 50 кГц. При необходимости диапазон частот можно откорректировать с помощью резисторов R6-R10: делитель R7R9 задает среднюю частоту; при уменьшении сопротивления резистора R6 увеличивается девиация; резисторы R8, R10 обеспечивают равномерность изменения частоты. При отсутствии измерительных приборов убедиться в работоспособности ультразвукового генератора можно, переведя его в звуковой диапазон. Для этого параллельно конденсатору C3 подключают дополнительный конденсатор емкостью 820...3300 пФ и с помощью высокоомного телефона, подключенного к выводам 1 и 2 микросхемы DD2, прослушивают, с какой частотой переключается триггер. После этого, установив резистор R5 и конденсаторы С1, C3 указанных на схеме номиналов, переходят к настройке устройства в целом. Элементы устройства имеют гальваническую связь с питающей сетью, поэтому при его настройке необходимо соблюдать меры предосторожности!

Печатную плату соединяют с трансформатором Т1 согласно принципиальной схеме. ИМС питают от внешнего источника. На выходной каскад подают полное питание, соединив минусовый вывод конденсатора С10 с эмиттером транзистора VT2. Если ошибок в монтаже нет и детали исправны, то выходной каскад заработает сразу. Нужно только установить необходимую выходную мощность. Для этого измеряют падение напряжения на резисторе R18, оно должно быть 1...1,2 В. При меньшем напряжении обмотку 3-4 трансформатора Т2 необходимо увеличить на 1-2 витка, при большем - уменьшить на такое же число витков. Если транзисторы VT2, VT3 нагреваются, нужно уменьшить сопротивление резистора R11. После проведения этих операций отключают от ИМС внешний источник питания и все соединения выполняют в соответствии с принципиальной схемой.

Автор: И. Танасийчук, г. Сторожинец Черновицкой обл.; Публикация: Н. Большаков, rf.atnn.ru

Смотрите другие статьи раздела Дом, приусадебное хозяйство, хобби.

Читайте и пишите полезные комментарии к этой статье.

<< Назад

Последние новости науки и техники, новинки электроники:

Стерильного нейтрино не существует 15.01.2026

В физике элементарных частиц поиск новых, пока не обнаруженных объектов играет ключевую роль в понимании устройства Вселенной. Иногда такие поиски приводят к громким открытиям, а иногда - к не менее важным отрицательным результатам, которые позволяют отбросить неверные направления. Именно к таким случаям относится недавний вывод ученых о судьбе стерильного нейтрино - одной из самых интригующих гипотетических частиц последних десятилетий. Исследователи из американской лаборатории Fermilab официально сообщили, что им не удалось найти доказательства существования стерильного нейтрино. К такому выводу пришла команда эксперимента MicroBooNE после многолетнего анализа столкновений нейтрино, которые ранее рассматривались как возможный намек на существование четвертого типа этих частиц. Предполагалось, что стерильное нейтрино взаимодействует с материей исключительно через гравитацию, что делало его крайне трудным объектом для обнаружения. В рамках современной физики нейтрино известны в т ...>>

Беспроводные наушники и колонки Fender 15.01.2026

Музыкальная индустрия постепенно адаптируется к цифровым технологиям, и известный производитель музыкальных инструментов Fender расширяет свое присутствие за пределы гитар и усилителей, представляя современные решения для прослушивания музыки. Новые беспроводные наушники и Bluetooth-колонки Fender объединяют богатый звук, модульность и удобство использования как для дома, так и для профессиональной работы. Флагманской новинкой стали наушники Fender Mix, отличающиеся модульной конструкцией. Динамики подключаются к оголовью через порт USB Type-C и могут быть сняты вместе с амбушюрами, что облегчает уход и транспортировку. Один из динамиков оснащен встроенным адаптером USB Type-C для подключения к источнику звука без потерь, поддерживая кодеки LDHC и Fire, а также функцию Auracast. На другом динамике размещен съемный аккумулятор, который обеспечивает до 100 часов работы без активного шумоподавления; при включении ANC время работы сокращается до 52 часов. Наушники доступны по цене $299 ...>>

Польза белкового завтрака 14.01.2026

Правильное питание по утрам играет ключевую роль в поддержании здоровья и контроле веса. Многочисленные исследования подтверждают, что состав завтрака может влиять на аппетит в течение всего дня и качество употребляемой пищи. Австралийские ученые провели масштабный эксперимент, который показал, что употребление белковой пищи с утра помогает дольше чувствовать сытость и предотвращает переедание. В исследовании участвовали более 9 тысяч человек среднего возраста 46 лет. В период с 2011 по 2012 год специалисты анализировали рационы респондентов, оценивая долю основных макронутриентов. В среднем участники потребляли 43% углеводов, 31% жиров, 18% белков, 2% клетчатки и 4% алкоголя. Такой рацион позволил ученым проследить взаимосвязь между утренним приемом пищи и пищевым поведением в течение дня. Выяснилось, что участники, чей завтрак содержал недостаточное количество белка, ощущали повышенный аппетит в течение дня. Они ели больше, чем необходимо, и часто выбирали продукты с высоким со ...>>

Случайная новость из Архива

Создано комнатное растение, которое эффективнее 30 воздухоочистителей 16.11.2022

Парижский стартап создал комнатное растение с помощью генной инженерии, которое может буквально очищать воздух в вашем доме. Растение использует природные очистительные свойства, уже имеющие комнатные растения. Таким образом, хотя она добавляет немного цвета любой комнате, в которой вы ее поставите, она также активно поддерживает воздух более чистым, чем 30 воздухоочистителей.

Компания под названием Neoplants модифицировала как растение Сциндапсус (Потос), так и его корневой микробиом, чтобы значительно повысить природные свойства растения очищать воздух. Комнатное растение с помощью генной инженерии под названием Neo P1 недавно появилось на рынке, и его можно приобрести прямо сейчас.

Растения могут многое предложить вашему дому. По словам исследователей, они не только могут повысить ваше настроение и помочь снизить тревогу, но они также могут очищать воздух благодаря своим природным свойствам очистки воздуха. Однако с этим комнатным растением, созданным с помощью генной инженерии, вы получаете больше базового уровня очистки. На самом деле Neoplants утверждают, что Neo P1 в 30 раз эффективнее лучших установок NASA.

Но почему это комнатное растение, созданное с помощью генной инженерии, работает лучше, чем воздухоочиститель? Ну, для начала, растения лучше оборудованы для работы с летучими органическими соединениями (ЛОС), являющимися высокоактивными химическими веществами, содержащимися в чистящих средствах, строительных материалах, красках и этот список можно продолжать. ЛОС, как известно, вредны для здоровья человека и могут вызывать раздражение в организме человека.

Хотя воздухоочистители могут помочь, они обычно не стремятся полностью нейтрализовать эти вредные соединения, что означает, что они никогда не удаляются из воздуха. Видите проблему? Но такие растения, как это комнатное растение, созданное с помощью генной инженерии, лучше способны нейтрализовать ЛОС, поэтому комнатные растения в вашем доме могут улучшить качество воздуха в нем.

Neoplants начали с потоса, поскольку это одно из самых популярных растений в Северной Америке. Но работа была нелегкой, поскольку компании пришлось полностью составить карту генома самого потоса, молекулярный биолог и главный технический директор компании приравняли к созданию самолета во время полета. В результате генетически модифицированное комнатное растение лучше оснащено для устранения ЛОС.

Кроме того, в Neoplants говорят, что компания затронула только эффективность комнатного растения для очистки воздуха. Она не растет быстрее, и более не устойчива к пестицидам, чем обычные цветковые растения. Генно-инженерное комнатное растение будет продаваться за 179 долларов, что делает его дороже большинства обычных комнатных растений. Но, учитывая, что растение является одним из лучших воздухоочистителей, цена вполне оправдана.

Другие интересные новости:

▪ Высокоэффективные понижающие импульсные регуляторы

▪ Axis Vidius - самый маленький дрон с камерой

▪ Температура тела влияет на продолжительность жизни

▪ Электрические тракторы

▪ Влияние микробов на геологические процессы Земли

Лента новостей науки и техники, новинок электроники

 

Интересные материалы Бесплатной технической библиотеки:

▪ раздел сайта Микроконтроллеры. Подборка статей

▪ статья Печные таблетки из угольной пыли. Советы домашнему мастеру

▪ статья Какая советская песня переведена на десятки языков мира? Подробный ответ

▪ статья Горец сахалинский. Легенды, выращивание, способы применения

▪ статья ШИМ регулятор оборотов вентилятора. Энциклопедия радиоэлектроники и электротехники

▪ статья Импульсный источник питания, 220/29х2 вольт 8 ампер. Энциклопедия радиоэлектроники и электротехники

Оставьте свой комментарий к этой статье:

Имя:


E-mail (не обязательно):


Комментарий:





Главная страница | Библиотека | Статьи | Карта сайта | Отзывы о сайте

www.diagram.com.ua

www.diagram.com.ua
2000-2026