Бесплатная техническая библиотека
Регистратор солнечной энергии. Энциклопедия радиоэлектроники и электротехники

Энциклопедия радиоэлектроники и электротехники / Альтернативные источники энергии
Комментарии к статье
Данное устройство используется для логгирования данных солнечной энергии и может применяться в различных комплексах, где используются солнечные батареи и модули.

В качестве датчика используется обычный модуль солнечной батареи от старого калькулятора, а в качестве энергонезависимого устройства для хранения данных - MMC флэш-карта.

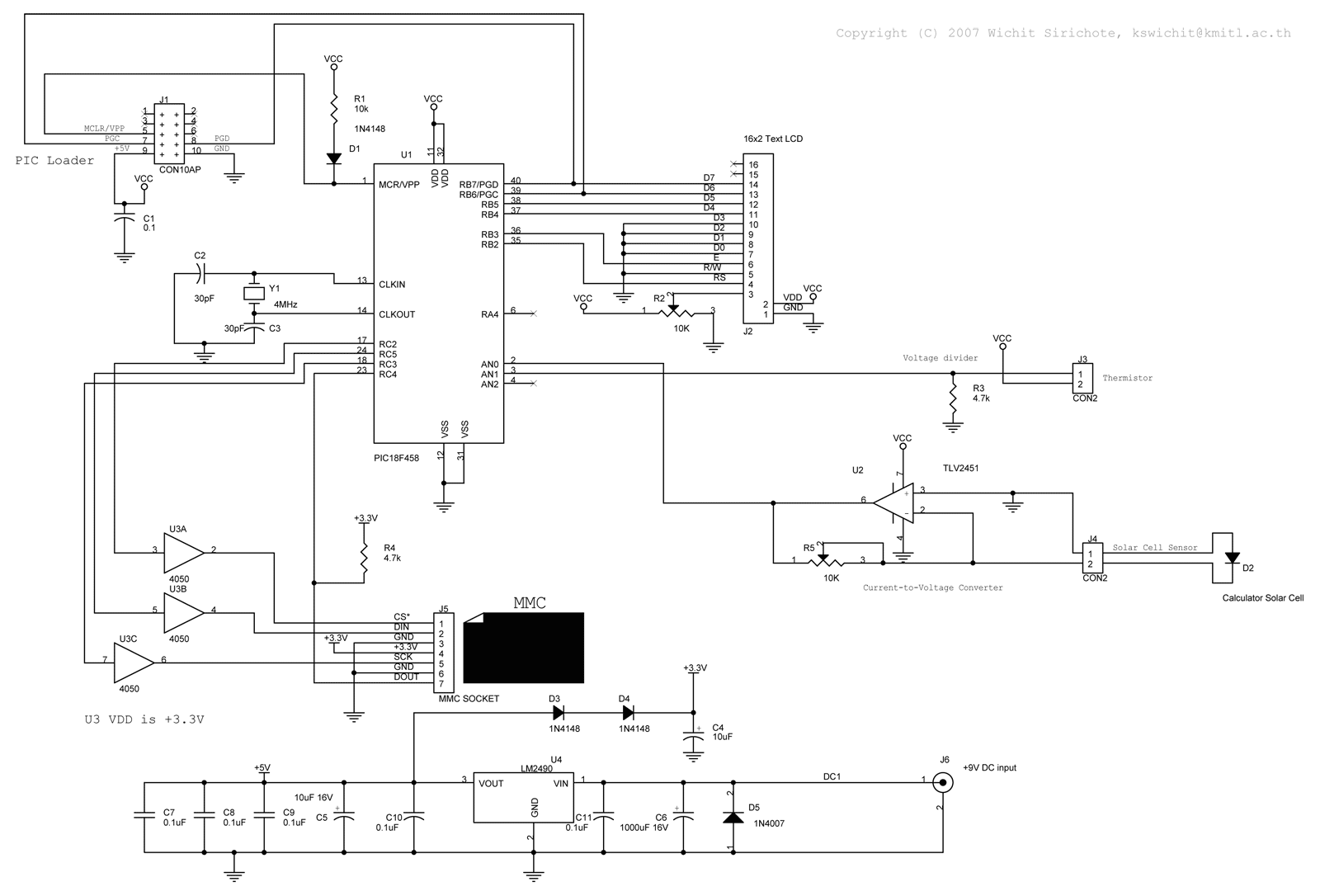
В качестве микроконтроллера используется PIC18F458. Флэш-карта: 128 МБайт Multimedia Memory Card, MMC. Обмен данными между PIC и MMC реализован при помощи SPI. Интервал измерений - 1 минута. В прошивке реализовано автоматическое обнаружение MMC-карты, создание файла на ней и последующая запись данных в него. На LCD-дисплее отображается имя файла, текущие данные солнечной энергии и данные АЦП в реальном времени.
Т.о. при помощи MMC-флэш-карты, данный логгер позволяет сохранять на ней огромный массив данных, с последующим их анализом на ПК.

Для оценки данных солнечной энергии, мы записываем интенсивность излучения (Ватт/м2). На рисунке выше изображен дневной график зависимости солнечного излучения от кол-ва измерений (интервал измерений - 5 минут). Всего измерений 4777.
В регистраторе используется МК PIC18F458 работающий на частоте 4 МГц. Порты SPI RC2-RC5 используются для интерфейса MMC-карты. Т.к в MMC-карте используются логические уровни +3.3 В, то для преобразования логических уровней МК +5В, используются ОУ CD4050. RC3 - тактовый сигнал. Данные с MMC считываются RC4.
LCD дисплей подключен к portB в 4-х битном режиме. U2 (TLV2451) - преобразователь ток-напряжение, от солнечного модуля. Подстройка R5 позволяет получить уровень +5 Вольт. Напряжение поступает на АЦП нулевого канала МК. Канал 1 микроконтроллера, может быть использован для подключения термистора. U4 - стабилизатор напряжения +5 Вольт. Диоды D3, D4 (КД522Б) служат для преобразования 5В -> 3.3 В.

(Нажмите для увеличения)
Фотографии готового устройства:

Список используемых радиоэлементов:
C1 0.1
C2,C3 30pF
C4 10uF
C5 10uF 16V
C6 1000uF 16V
C7,C8,C9 0.1uF
C10,C11 0.1uF
D1,D3,D4 1N4148
D2 модуль солнечной батареи от калькулятора
D5 1N4007
J1 CON10AP
J2 16x2 текстовый LCD
J3,J4 разъемы
J5 разъем под MMC
J6 +9V DC input
R1,R2,R5 10K
R3,R4 4.7k
U1 PIC18F458
U2 TLV2451
U3 4050
U4 LM2490
Y1 4MHz
Скачать файл прошивки для микроконтроллера
Публикация: cxem.net
Смотрите другие статьи раздела Альтернативные источники энергии.
Читайте и пишите полезные комментарии к этой статье.
<< Назад
Последние новости науки и техники, новинки электроники:
Власть является ключевым фактором счастья в отношениях
11.03.2026
Исследования семейных и романтических отношений показывают, что длительное счастье пары зависит не только от привычных факторов, таких как доверие, уважение и преданность, но и от более тонких психологических аспектов. Современные ученые ищут закономерности, которые отличают действительно счастливые пары от остальных, чтобы понять, какие механизмы поддерживают гармонию в отношениях.
Группа исследователей из Университета Мартина Лютера в Галле-Виттенберге и Бамбергского университета провела опрос среди 181 пары, которые состояли в совместных отношениях более восьми лет и прожили вместе хотя бы месяц. Участники заполняли анкету, описывая различные аспекты своих отношений, включая распределение обязанностей, эмоциональную поддержку и степень вовлеченности в совместные решения.
Анализ данных показал интересный паттерн: пары, где оба партнера ощущали высокий уровень личной власти, оказывались наиболее счастливыми и удовлетворенными. В данном контексте под властью понимается способност ...>>
Защищенная колонка-повербанк Anker Soundcore Boom Go 3i
11.03.2026
Компания Anker представила новую модель линейки Soundcore - колонку Soundcore Boom Go 3i, ориентированную на активное использование на улице.
Новинка отличается высокой степенью защиты: корпус соответствует стандарту IP68, что обеспечивает водо- и пыленепроницаемость, а ударопрочный дизайн выдерживает падение с высоты до одного метра. За качество звука отвечает 15-ваттный драйвер, обеспечивающий пик громкости до 92 дБ, а технология BassUp 2.0 усиливает низкие частоты, делая звучание более насыщенным.
Колонка обладает автономностью до 24 часов, а LED-индикатор позволяет контролировать уровень заряда батареи. Кроме того, Soundcore Boom Go 3i может выполнять функцию павербанка: согласно внутренним тестам, устройство способно зарядить iPhone 17 с нуля до 40% за один час, что делает его полезным аксессуаром в походах и поездках.
Среди функциональных особенностей модели стоит выделить технологию Auracast, которая улучшает подключение и позволяет создавать стереопару из двух колонок ...>>
Раннее воздержание от алкоголя перестраивает мозг и иммунитет
10.03.2026
Алкогольная зависимость - хроническое расстройство с компульсивным употреблением спиртного, которое влияет не только на поведение, но и на функционирование мозга и иммунной системы. Недавние исследования показали, что даже на ранних этапах воздержания организм начинает перестраиваться, открывая новые возможности для терапии зависимости.
Ученые сосредоточились на пациентах, находящихся в первые недели абстиненции, и зафиксировали значительные изменения в мозговой активности. С помощью функциональной магнитно-резонансной томографии они выявили перестройку сетей нейронных связей, отвечающих за контроль импульсов и принятие решений. Эти изменения могут быть ключевыми для восстановления самоконтроля и снижения риска рецидива.
Одновременно с нейронной перестройкой исследователи наблюдали колебания иммунной системы. В крови повышался уровень цитокинов - сигнальных белков, регулирующих воспалительные процессы. Эти данные свидетельствуют о существовании нейроиммунного взаимодействия, при ...>>
Случайная новость из Архива Чувство голода может замедлить старение
19.05.2025
Периодическое голодание, низкокалорийные рационы и ограничение определенных питательных веществ часто обсуждаются как возможные пути к здоровому старению. Однако новый взгляд на этот вопрос предложили ученые из Мичиганского университета, показав, что не сама нехватка калорий, а субъективное ощущение голода может запускать в организме процессы, связанные с замедлением старения.
Авторы исследования провели серию экспериментов с плодовыми мушками Drosophila melanogaster - модельными организмами, часто используемыми в генетике и геронтологии. Интересно, что эти маленькие насекомые имеют около 75% тех же генов, которые у людей связаны с различными заболеваниями. Их мозг и обмен веществ демонстрируют поразительное сходство с соответствующими системами млекопитающих. Поэтому мушки стали идеальным объектом для изучения связи между ощущением голода и продолжительностью жизни.
Ученые обнаружили, что мушки, которым давали пищу с пониженным содержанием аминокислот с разветвленной цепью (так называемых BCAA), сохраняли чувство голода даже после приема пищи. Это проявлялось в их стремлении съесть больше на следующем приеме пищи и выбирать еду с высоким содержанием белка. Такой поведенческий паттерн указывает на то, что голод в этих случаях носил не эмоциональный, а физиологически обусловленный характер.
Особый интерес вызвал следующий этап исследования, в котором биологи искусственно активировали в мозге мушек нейроны, отвечающие за чувство голода. В результате они заметили, что продолжительность жизни мух, у которых стимулировалась "мозговая" потребность в пище, возрастала. Эти наблюдения позволили авторам сделать вывод: не столько ограничение калорий, сколько ощущение, что организм не насытился, способно запускать механизмы, продлевающие жизнь.
Значительное внимание в работе было уделено молекулярной стороне вопроса. Когда мушки находились в состоянии хронического голода, в их нейронах активировались особые белки - гистоны, которые регулируют экспрессию генов. Исследователи предположили, что именно эти измененные гистоны являются связующим звеном между ощущением голода, работой мозга и замедлением процессов старения. Ранее уже появлялись данные о том, что увеличение запаса гистонов может быть связано с повышенной продолжительностью жизни.
Хотя механизмы действия пока до конца не изучены, ученые Плетчер и его коллеги убеждены: чувство голода само по себе способно запускать процессы адаптации, которые на молекулярном уровне тормозят старение. Это может объяснить пользу диет с низким содержанием BCAA, которые не вызывают резкого насыщения, но снабжают организм необходимыми веществами.
Конечно, подобные открытия, сделанные на основе исследований с насекомыми, требуют дальнейшего подтверждения на более сложных организмах, включая человека. Тем не менее, эти результаты открывают интересную перспективу: возможно, именно субъективное восприятие голода, а не строгое ограничение пищи, играет решающую роль в долголетии. И если эта гипотеза подтвердится, то в будущем подходы к питанию и здоровому образу жизни могут быть пересмотрены в пользу более тонкой настройки сигналов насыщения, а не жесткого контроля за калориями.
|
Другие интересные новости:
▪ Материнская плата Gigabyte G1.Sniper Z87
▪ Потолочная точка доступа TP-Link EAP610
▪ Плеер Apple iPod
▪ Прочный полимер с эффектом памяти
▪ В чистом воздухе живут дольше
Лента новостей науки и техники, новинок электроники
Интересные материалы Бесплатной технической библиотеки:
▪ раздел сайта Инструмент электрика. Подборка статей
▪ статья Уж сколько раз твердили миру. Крылатое выражение
▪ статья Становится ли на планете меньше влажных тропических лесов? Подробный ответ
▪ статья Платан восточный. Легенды, выращивание, способы применения
▪ статья Экономичный таймер. Энциклопедия радиоэлектроники и электротехники
▪ статья Сундук с сюрпризами. Секрет фокуса
Оставьте свой комментарий к этой статье:
Комментарии к статье:
Сергей
Нуждаюсь в подобном устройстве. Есть вариант приобрести/заказать?
Главная страница | Библиотека | Статьи | Карта сайта | Отзывы о сайте

www.diagram.com.ua
2000-2026