Menu Home

Бесплатная техническая библиотека для любителей и профессионалов Бесплатная техническая библиотека


ЭНЦИКЛОПЕДИЯ РАДИОЭЛЕКТРОНИКИ И ЭЛЕКТРОТЕХНИКИ
Бесплатная библиотека / Электрику

Электродвигатели. Асинхронные двигатели. Энциклопедия радиоэлектроники и электротехники

Бесплатная техническая библиотека

Энциклопедия радиоэлектроники и электротехники / Электродвигатели

Комментарии к статье Комментарии к статье

Асинхронными двигателями называются электрические машины, имеющие по крайней мере две обмотки, в которых переменные напряжения сдвинуты по фазе относительно друг друга.

Принцип действия

В асинхронных системах появляется возможность создать в механически неподвижном устройстве вращающееся магнитное поле. Катушка, подключенная к источнику переменного тока, образует пульсирующее магнитное поле, т. е. магнитное поле, изменяющееся по значению и направлению.

Асинхронные двигатели
Рис. 16.6. Подключение катушек двигателя к источнику трехфазного напряжения

Асинхронные двигатели
Рис. 16.7. График изменения токов трехфазной системы

В цилиндре с внутренним диаметром D размещают на поверхности три катушки, пространственно смещенные относительно друг друга на 120°. Катушки подключены к источнику трехфазного напряжения (рис, 16.6). На рис. 16.7 показан график изменения мгновенных токов, образующих трехфазную систему.

Каждая из катушек создает пульсирующее магнитное поле. Магнитные поля катушек, взаимодействуя друг с другом, образуют результирующее вращающееся магнитное поле, характеризующееся вектором результирующей магнитной индукции .

На рис. 16.8 изображены векторы магнитной индукции каждой фазы и результирующий вектор , построенные для трех моментов времени t1, t2, t3. Положительные направления осей катушек обозначены +1, +2, +3.

В момент t = t1 ток и магнитная индукция в катушке А-Х положительны и максимальны, в катушках B-Y и C-Z - одинаковы и отрицательны. Вектор результирующей магнитной индукции равен геометрической сумме векторов магнитных индукций катушек и совпадает с осью катушки А-Х. В момент t = t2 токи в катушках А-Х и C-Z одинаковы по величине и противоположны по направлению. Ток в фазе В равен нулю. Результирующий вектор магнитной индукции повернулся по часовой стрелке на 30°.

Асинхронные двигатели
Рис. 16.8. Векторы магнитной индукции для трех моментов времени

В момент t = t3 токи в катушках А-Х и B-Y одинаковы по величине и положительны, ток в фазе C-Z максимален и отрицателен, вектор результирующего магнитного поля размещается в отрицательном направлении оси катушки C-Z. За период переменного тока вектор результирующего магнитного поля повернется на 360°. Линейная скорость перемещения вектора магнитной индукции

где - частота переменного напряжения; Т - период синусоидального тока; пг - частота вращения магнитного поля или синхронная частота вращения. За период Т магнитное поле перемещается на расстояние где

- полюсное деление или расстояние между полюсами магнитного

поля по длине окружности цилиндра диаметром D.

Линейная скорость откуда

где n1 - синхронная частота вращения многополюсного магнитного поля с числом пар полюсов Р.

Катушки, изображенные на рис. 16.6, создают двухполюсное магнитное поле, с числом полюсов 2Р = 2. Частота вращения поля равна 3000 об/мин. Чтобы получить четырехполюсное магнитное поле, необходимо внутри цилиндра диаметром D поместить шесть катушек, по две на каждую фазу. Тогда, согласно формуле (16.7), магнитное поле будет вращаться в два раза медленнее, с n1 = 1500 об/мин.

Чтобы получить вращающееся магнитное поле, необходимо выполнить два условия:

  • Условие 1 - иметь хотя бы две пространственно смещенные катушки.
  • Условие 2 - подключить к катушкам несовпадающие по фазе токи.

Конструкция

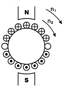
Асинхронный двигатель имеет неподвижную часть, именуемую статором, и вращающуюся часть, называемую ротором. В статоре размещена обмотка, создающая вращающееся магнитное поле. Различают асинхронные двигатели с короткозамкнутым и фазным ротором. В пазах ротора с короткозамкнутой обмоткой размещены алюминиевые или медные стержни. По торцам стержни замкнуты алюминиевыми или медными кольцами. Статор и ротор набирают из листов электротехнической стали, чтобы уменьшить потери на вихревые токи. Фазный ротор имеет трехфазную обмотку (для трехфазного двигателя). Концы фаз соединены в общий узел, а начала выведены к трем контактным кольцам, размещенным на валу. На кольца накладывают неподвижные контактные щетки. К щеткам подключают пусковой реостат. После пуска двигателя сопротивление пускового реостата плавно уменьшают до нуля.

Принцип действия асинхронного двигателя

Принцип действия асинхронного двигателя рассмотрим на модели, изображенной на рис. 16.9.

Вращающееся магнитное поле статора представим в виде постоянного магнита, вращающегося с синхронной частотой вращения щ. В проводниках замкнутой обмотки ротора индуктируются токи. Полюса магнита перемещаются по часовой стрелке. Наблюдателю, разместившемуся на вращающемся магните, кажется, что магнит неподвижен, а проводники роторной обмотки перемещаются против часовой стрелки. Направления роторных токов, определенные по правилу правой руки, указаны на рис. 16.9.

Асинхронные двигатели
Рис. 16.9. Модель асинхронного двигателя

Пользуясь правилом левой руки, найдем направление электромагнитных сил, действующих на ротор и заставляющих его вращаться. Ротор двигателя будет вращаться с частотой вращения n1 в направлении вращения поля статора. Ротор вращается асинхронно, т. е. частота его вращения n2 меньше частоты вращения поля статора w. Относительная разность скоростей поля статора и ротора называется скольжением:

Скольжение не может быть равным нулю, так как при одинаковых скоростях поля и ротора прекратилось бы наведение токов в роторе и, следовательно, отсутствовал бы электромагнитный вращающий момент.

Вращающий электромагнитный момент уравновешивается противодействующим тормозным моментом С увеличением нагрузки на валу двигателя тормозной момент становится больше вращающего, и скольжение увеличивается. Вследствие этого возрастают индуктированные в роторной обмотке ЭДС и токи. Вращающий момент увеличивается и становится равным тормозному моменту. Вращающий момент может возрастать с увеличением скольжения до определенного максимального значения, после чего при дальнейшем увеличении тормозного момента вращающий момент резко уменьшается, и двигатель останавливается.

Если скольжение заторможенного двигателя равно единице, то говорят, что двигатель работает в режиме короткого замыкания. Частота вращения ненагруженного асинхронного двигателя n2 приблизительно равна синхронной частоте n1.

Если скольжение ненагруженного двигателя S = 0, то говорят, что двигатель работает в режиме холостого хода.

Скольжение асинхронной машины, работающей в режиме двигателя, изменяется от нуля до единицы. Асинхронная машина может работать в режиме генератора. Для этого ее ротор необходимо вращать сторонним двигателем в направлении вращения магнитного поля статора с частотой n2 > n1. Скольжение асинхронного генератора S < 0.

Асинхронная машина может работать в режиме электромашинного тормоза. Для этого необходимо ее ротор вращать в направлении, противоположном направлению вращения магнитного поля статора. В этом режиме S > 1.

Как правило, асинхронные машины используются в режиме двигателя. Асинхронный двигатель является наиболее распространенным в промышленности типом двигателя. Частота вращения поля в асинхронном двигателе жестко связана с частотой сети f1 и числом пар полюсов статора.

При частоте f1 = 50 Гц существует следующий ряд частот вращения (Р - n1, об/мин):

1 - 3000;

2 - 1500;

3 -1000;

4 - 750.

Из формулы (16.7) получим

Скорость поля статора относительно ротора называется скоростью скольжения

Частота тока и ЭДС в роторной обмотке

Асинхронная машина с заторможенным ротором работает как трансформатор. Основной магнитный поток индуктирует в статорной и в неподвижной роторной обмотках ЭДС Е1 и Е2K:

где Фm - максимальное значение основного магнитного потока, сцепленного со статорной и роторной обмотками; W1 и W2 - числа витков статорной и роторной обмоток; - частота напряжения в сети; К01 и К02 - обмоточные коэффициенты статорной и роторной обмоток.

Чтобы получить более благоприятное распределение магнитной индукции в воздушном зазоре между статором и ротором, статорные и роторные обмотки не сосредоточивают в пределах одного полюса, а распределяют по окружностям статора и ротора. ЭДС распределенной обмотки меньше ЭДС сосредоточенной обмотки. Этот факт учитывается введением в формулы, определяющие величины электродвижущих сил обмоток, обмоточных коэффициентов. Величины обмоточных коэффициентов несколько меньше единицы. ЭДС в обмотке вращающегося ротора

Ток ротора работающей машины

где R2 - активное сопротивление роторной обмотки; х2 - индуктивное сопротивление роторной обмотки,

, где x2K - индуктивное сопротивление заторможенного ротора. Тогда

Однофазный двигатель имеет одну обмотку, расположенную на статоре. Однофазная обмотка, питаемая переменным током, создаст пульсирующее магнитное поле. Поместим в это поле ротор с короткозамкнутой обмоткой. Ротор вращаться не будет. Если раскрутить ротор сторонней механической силой в любую сторону, двигатель будет устойчиво работать. Объяснить это можно следующим образом.

Пульсирующее магнитное поле можно заменить двумя магнитными полями, вращающимися в противоположных направлениях с синхронной частотой п1 и имеющими амплитуды магнитных потоков, равные половине амплитуды магнитного потока пульсирующего поля. Одно из магнитных полей называется прямовращающимся, другое - обратновращающимся. Каждое из магнитных полей индуктирует в роторной обмотке вихревые токи. При взаимодействии вихревых токов с магнитными полями образуются вращающие моменты, направленные встречно друг другу. На рис. 16.10 изображены зависимости момента от прямого поля М', момента от обратного поля М" и результирующего момента М в функции скольжения М = М' - М".

Асинхронные двигатели
Рис. 16.10. Зависимость момента прямого поля, обратного поля и результирующего момента от скольжения

Оси скольжений направлены встречно друг другу. В пусковом режиме на ротор действуют вращающие моменты, одинаковые по величине и противоположные по направлению. Раскрутим ротор сторонней силой в направлении прямовращающегося магнитного поля. Появится избыточный (результирующий) вращающий момент, разгоняющий ротор до скорости, близкой к синхронной. При этом скольжение двигателя относительно прямовращающегося магнитного поля

Скольжение двигателя относительно обратновращающегося магнитного поля

Рассматривая результирующую характеристику, можно сделать следующие выводы.

Вывод 1. Однофазный двигатель не имеет пускового момента. Он будет вращаться в ту сторону, в которую раскручен внешней силой.

Вывод 2. Из-за тормозного действия обратновращающегося поля характеристики однофазного двигателя хуже, чем трехфазного.

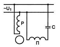
Для создания пускового момента однофазные двигатели снабжают пусковой обмоткой, пространственно смещенной относительно основной, рабочей обмотки на 90°. Пусковая обмотка подключается к сети через фазосдвигающие элементы: конденсатор или активное сопротивление.

На рис, 16.11 показана схема включения обмоток двигателя, где Р - рабочая обмотка, П - пусковая обмотка. Емкость фазосдвигающего элемента С подбирают таким образом, чтобы токи в рабочей и пусковой обмотках различались по фазе на 90°. Трехфазный асинхронный двигатель может работать от однофазной сети, если подключить его обмотки по следующим схемам (рис. 16.12).

В схеме, изображенной на рис. 16.12, а статорные обмотки соединены звездой, а в схеме на рис. 16.12, б - треугольником. Величина емкости С ~ 60 мкФ на 1 кВт мощности.

Асинхронные двигатели
Рис. 16.11. Схема включения обмоток однофазного двигателя

Асинхронные двигатели
Рис. 16.12. Схемы включения обмоток трехфазного двигателя на одну фазу: а - первый вариант; б - второй вариант

Автор: Корякин-Черняк С.Л.

Смотрите другие статьи раздела Электродвигатели.

Читайте и пишите полезные комментарии к этой статье.

<< Назад

Последние новости науки и техники, новинки электроники:

Питомцы как стимулятор разума 06.10.2025

Помимо эмоциональной поддержки, домашние питомцы могут оказывать заметное воздействие на когнитивные процессы, особенно у пожилых людей. Новое масштабное исследование показало, что общение с кошками и собаками не просто улучшает настроение - оно действительно способствует замедлению возрастного снижения умственных способностей. Работа проводилась в рамках проекта Survey of Health, Ageing and Retirement in Europe (SHARE), охватывающего период с 2004 по 2022 год. В исследовании приняли участие тысячи европейцев старше 50 лет. Анализ показал, что владельцы домашних животных демонстрируют более устойчивые когнитивные функции по сравнению с теми, кто не держит питомцев. Особенно выражен эффект оказался у владельцев кошек и собак. Согласно данным ученых, владельцы собак дольше сохраняют хорошую память, в то время как хозяева кошек медленнее теряют способность к быстрому речевому взаимодействию. Исследователи связывают это с тем, что ежедневное взаимодействие с животными требует внимани ...>>

Мини-ПК ExpertCenter PN54-S1 06.10.2025

Компания ASUSTeK Computer презентовала новый мини-компьютер ASUS ExpertCenter PN54-S1. Устройство ориентировано на пользователей, которым важно сочетание производительности, энергоэффективности и универсальности - от офисных задач до мультимедийных проектов. В основе ExpertCenter PN54-S1 лежит современная аппаратная платформа AMD Hawk Point, использующая архитектуру Zen 4. Это поколение чипов отличается улучшенным управлением энергопотреблением и повышенной вычислительной мощностью. Новинка доступна в конфигурациях с процессорами Ryzen 7260, Ryzen 5220 и Ryzen 5210, представленных AMD в начале 2025 года. Таким образом, устройство охватывает широкий диапазон задач - от базовых офисных до ресурсоемких вычислений. Корпус мини-ПК выполнен из прочного алюминия и имеет размеры 130&#215;130&#215;34 мм, что делает его практически незаметным на рабочем столе или за монитором. Несмотря на компактность, внутренняя компоновка позволяет установить два модуля оперативной памяти SO-DIMM ...>>

Глазные капли, возвращающие молодость зрению 05.10.2025

С возрастом человеческий глаз постепенно теряет способность четко видеть на близком расстоянии - развивается пресбиопия, или возрастная дальнозоркость. Этот естественный процесс связан с утратой эластичности хрусталика и ослаблением цилиарной мышцы, отвечающей за фокусировку. Миллионы людей по всему миру сталкиваются с необходимостью носить очки для чтения или прибегают к хирургическим методам коррекции. Однако исследователи из Центра передовых исследований пресбиопии в Буэнос-Айресе представили решение, которое может стать удобной и неинвазивной альтернативой - специальные глазные капли, способные улучшать зрение на длительный срок. Разработку возглавила Джованна Беноцци, директор Центра. По ее словам, цель исследования состояла в том, чтобы предоставить пациентам с пресбиопией эффективный и безопасный способ коррекции зрения без хирургического вмешательства. Новые капли, созданные на основе пилокарпина и диклофенака, показали убедительные результаты: уже через час после первого пр ...>>

Случайная новость из Архива

В Антарктиде когда-то росли пальмы и баобабы 11.08.2012

53 миллиона лет назад Антарктика была райским местом, где всегда тепло и растут пальмы. В статье, опубликованной в последнем номере журнала Nature, рассказывается о результатах последней экспедиции комплексной программы бурения океана (IODP), работающей уже 10 лет и в последнюю кампанию пробурившей километровую толщу льда на восточном побережье Антарктиды.

Интерес к антарктической жизни того периода, относящегося к раннему эоцену, сейчас особенно возрастает в связи с тем, что мир тогда накрыл "парниковый эффект" - уровень содержания углекислого газа в атмосфере вместо сегодняшних 390 частей на миллион был как минимум 600. По оценкам, глобальная температура у земной поверхности была на 5 градусов выше, чем сейчас, и острого климатического деления между экватором и полюсами не существовало.

В те времена Антарктида была частью древнего суперконтинента Гондвана с теплым и влажным климатом. 30-35 миллионов лет назад Гондвана раскололась, и Антарктида осталась в районе Южного полюса в одиночестве. 34 миллиона лет назад начался ледниковый период, температуры резко упали, и то, что осталось, со временем покрылось километрами ледяной попоны.

Бурение позволило исследователям добраться сквозь четыре километра воды и километр льда к местам, где хоть что-то сохранились от Антарктики эоцена - в осадочных породах той эпохи они обнаружили зерна пальмовых деревьев - близких родственников современных баобаба и макадамии (австралийского ореха). Полученные данные свидетельствуют о том, что зимние температуры в тех местах не падали ниже 10 градусов Цельсия, а летние держались в районе 20 градусов.

Бурение было инициировано, в первую очередь, изучением современного глобального потепления и попытками понять, чем нам это оно грозит в будущем. Пока исследованы полюса - Северный в начале нулевых годов (с тем же "теплым" результатом) и и Южный сейчас. "Тепловой рай" освоен, осталось освоить "тепловой ад" средних широт.

Другие интересные новости:

▪ Пчелиная слепота

▪ Хромбук с невидимыми пикселями

▪ Оптические диски подорожают

▪ Электроэнергия из снега

▪ Силиконовый чип для искусственной сетчатки

Лента новостей науки и техники, новинок электроники

 

Интересные материалы Бесплатной технической библиотеки:

▪ раздел сайта Культурные и дикие растения. Подборка статей

▪ статья ЧП районного масштаба. Крылатое выражение

▪ статья Какие бывают черепахи? Подробный ответ

▪ статья Фиалка трехцветная. Легенды, выращивание, способы применения

▪ статья Таймер для кофемолки. Энциклопедия радиоэлектроники и электротехники

▪ статья Универсальная батарея 1,5-12 вольт. Энциклопедия радиоэлектроники и электротехники

Оставьте свой комментарий к этой статье:

Имя:


E-mail (не обязательно):


Комментарий:





Главная страница | Библиотека | Статьи | Карта сайта | Отзывы о сайте

www.diagram.com.ua

www.diagram.com.ua
2000-2025