Menu Home

Бесплатная техническая библиотека для любителей и профессионалов Бесплатная техническая библиотека


ЭНЦИКЛОПЕДИЯ РАДИОЭЛЕКТРОНИКИ И ЭЛЕКТРОТЕХНИКИ
Бесплатная библиотека / Электрику

Электронные пускорегулирующие аппараты. Простой электронный балласт на микросхеме IR2153. Энциклопедия радиоэлектроники и электротехники

Бесплатная техническая библиотека

Энциклопедия радиоэлектроники и электротехники / Пускорегулирующие аппараты люминесцентных ламп

Комментарии к статье Комментарии к статье

Рассмотрим простую схему электронного балласта на микросхеме IR2153 (IR2151), представленную на рис. 3.14. Основные параметры IR2153 таковы:

  • максимальное напряжение на выводе VB относительно общего провода - 600 В;
  • напряжение питания (Vcc) - 15 В;
  • ток потребления (Icc) - 5 мА;
  • максимальный ток управления Io -+100 мА / -210 мА;
  • время включения (tоп) - 80 нс;
  • время выключения (toff) - 40 нс;
  • пауза коммутации (задержка) -1,2 мкс.

Простой электронный балласт на микросхеме IR2153
Рис. 3.14. Структурная схема ИМС IR2153 (нажмите для увеличения)

Принципиальная электрическая схема электронного балласта, выполненного на основе IR2153, изображена на рис. 3.15.

IR2153 - это драйвер мощных полевых транзисторов с изолированным затвором (MOSFET), с внутренним генератором. Он представляет собой точную копию генератора, использующегося в таймере серии 555, отечественный аналог - КР1006ВИ1. Работает непосредственно от шины постоянного напряжения через гасящий резистор R1.

Внутренняя стабилизация напряжения предотвращает превышение напряжения Vcc выше 15,6 В. Блокировка по пониженному напряжению блокирует оба выхода управления затворами VT1 и VT2, когда напряжение Vcc ниже 9 В.

DA1 имеет два управляющих выхода:

  • нижний 5 для управления VT2;
  • верхний 7 выход для управления VT1, "плавающий", т. к. формирователь импульсов управления полевым транзистором VT1 питается от плавающего источника питания, который образуют элементы VD2, С7).

Простой электронный балласт на микросхеме IR2153
Рис. 3.15. Принципиальная схема электронного балласта, выполненного  на основе IR2153 (нажмите для увеличения)

При управлении силовыми ключами (VT1, VT2) микросхема IR2151 обеспечивает задержку коммутации продолжительностью 1,2 мкс для предотвращения ситуации, когда транзисторы VT1 и VT2 одновременно открыты и через них протекает сквозной ток, который моментально выводит оба транзистора из строя.

Данный балласт рассчитан на питание одной или двух ламп мощностью 40 (36) Вт (ток лампы- 0,43 А) от сети переменного тока 220 В 50 Гц. При использовании двух ламп по 40 Вт необходимо добавить элементы, выделенные пунктиром (EL2, L3, C11, RK3). Следует заметить, что для устойчивой работы номиналы элементов в параллельных ветвях должны быть равными (L3, С11 = L2, C10), а длина проводов, подводимых к лампам, - одинаковой.

Совет. При работе одного драйвера на две лампы предпочтительнее использовать частотный прогрев электродов (без позисторов). Об этом способе будет рассказано ниже (при описании ЭПРА на микросхеме IR53HD420).

При использовании ламп другой мощности (18-30 Вт) следует изменить номиналы L2 = 1,8-1,5 мГн (соответственно); при использовании ламп мощностью 60-80 Вт - L2 = 1-0,85 мГн, a R2 - из условия выполнения Fг ~ Fб (формулы расчета этих частот приведены ниже).

Напряжение сети 220 В поступает на сетевой фильтр (фильтр электромагнитной совместимости), образованный элементами C1, L1, С2, C3. Необходимость его применения вызвана тем, что ключевые преобразователи являются источниками электромагнитных радиочастотных помех, которые сетевые провода излучают в окружающее пространство как антенны.

Действующие российские и зарубежные стандарты нормируют уровни радиопомех, создаваемых этими устройствами. Хорошие результаты дают двухзвенные LC-фильтры и экранировка всей конструкции.

На входе сетевого фильтра включен традиционный узел защиты от сетевых перенапряжений и импульсных помех, включающий варистор RU1 и предохранитель FU1. Терморезистор RK1 с отрицательным температурным коэффициентом (NTC) ограничивает бросок входного тока, обусловленный зарядом емкостного фильтра С4 на входе инвертора при подключении электронного балласта к сети.

Далее напряжение сети выпрямляется диодным мостом VD1 и сглаживается конденсаторам С4. Цепочка R1C5 питает микросхему DAI - IR2153. Частота внутреннего генератора FT микросхемы задается элементами R2 = 15 кОм; С6 = 1 нФ в соответствии с формулой

Резонансная частота балластной схемы F6 задается элементами L2 = 1,24 мГн; C10 = 10 нФ в соответствии с формулой

Для обеспечения хорошего резонанса требуется выполнение следующего условия: частота внутреннего генератора должна быть примерно равна резонансной частоте балластной схемы, т. е. Fг ~ Fб.

В нашем случае это правило выполняется. Элементы VD2, С7 образуют плавающий (бутстрепный) источник питания формирователя импульсов управления полевым транзистором .VT1. Элементы R5, С9 - демпфирующая цепь (snubber), предотвращающего защелкивание (срабатывания паразитного тиристора в структуре КМОП драйвера) выходных каскадов микросхемы. R3, R4 - ограничительные затворные резисторы, ограничивают наведенные токи и тоже предохраняют выходные каскады микросхемы от защелкиваниия. Увеличивать (в больших пределах) сопротивление этих резисторов не рекомендуется, т. к. это может привести к самопроизвольному открытию силовых транзисторов.

Конструкция и детали. Дроссель сетевого фильтра L1 намотан на ферритовом кольце К32х20х6 М2000НМ двухжильным сетевым проводом до полного заполнения окна. Возможна замена на дроссель от ПФП блока питания телевизора, видеомагнитофона, компьютера.

Хорошие результаты помехоподавления дают специализированные фильтры EPCOS: B8414-D-B30; В8410-В-А14.

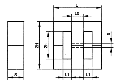
Дроссель электронного балласта L2 выполнен на Ш-образном магнитопроводе из феррита М2000НМ. Типоразмер сердечника Ш5х5 с зазором 8 = 0,4 мм. Величина зазора в нашем случае- это толщина прокладки между соприкосающимися поверхностями половинок магнитопровода. Возможна замена магнитопровода на Ш6х6 с зазором δ = 0,5 мм; Ш7х7 с зазором δ = 0,8 мм.

Для изготовления зазора необходимо проложить прокладки из немагнитного материала (нефольгированный стеклотекстолит или гетинакс) соответствующей толщины между соприкосающимися поверхностями половинок магнитопровода и скрепить эпоксидным клеем.

От величины немагнитного зазора зависит величина индуктивности дросселя (при постоянном количестве витков). При уменьшении зазора индуктивность возрастает, при увеличении - уменьшается. Уменьшать величину зазора не рекомендуется, т. к. это приводит к насыщению сердечника.

При насыщении сердечника его относительная магнитная проницаемость резко уменьшается, что влечет за собой пропорциональное уменьшение индуктивности. Снижение индуктивности вызывает ускоренный рост тока через дроссель и его нагрев. Возрастает и ток, проходящий через ЛЛ, что отрицательно сказывается на сроке ее службы. Ускоренно нарастающий ток через дроссель также вызывает ударные токовые перегрузки силовых ключей VT1, VT2, повышенные омические потери в ключах, их перегрев и преждевременный выход из строя.

Обмотка L2 - 143 витка провода ПЭВ-2 диаметром 0,25 мм. Межслойная изоляция - лакоткань. Намотка - виток к витку. Основные размеры Ш-образных сердечников (состоят из двух одинаковых Ш-образных сердечников) из магнитомягких ферритов (по ГОСТ 18614-79) приведены в табл. 3.2.

Таблица 3.2. Основные размеры Ш-образных сердечников

Простой электронный балласт на микросхеме IR2153

Транзисторы VT1, VT2 - IRF720, мощные полевые транзисторы с изолированным затвором. MOSFET- это Metal Oxide Semiconductor Field Effect Transistor; в отечественном варианте МОП ПТ - полевые транзисторы структуры металл-окисел-полупроводник.

Рассмотрим их параметры:

  • постоянный ток стока (ID) - 3,3 А;
  • импульсный ток стока (IDM)-13 А;
  • максимальное напряжение сток-исток (VDS) - 400 В;
  • максимальная рассеиваемая мощность (PD) - 50 Вт;
  • диапазон рабочих температур (Tj) - от -55 до +150 °С;
  • сопротивление в открытом состоянии -1,8 Ом;
  • общий заряд затвора (QG) - 20 нКл;
  • входная емкость (CISS) - 410 пФ.

При выборе и замене транзисторов (сравнение в табл. 3.3) для электронных балластов следует помнить, что на сегодняшний день количество фирм, производящих полевые транзисторы, довольно велико (IR, STMicro, Toshiba, Fairchild, Infineon и т. д.). Ассортимент транзисторов постоянно расширяется, появляются более совершенные с улучшенными характеристиками. Параметры, на которые следует обращать повышенное внимание:

  • постоянный ток стока (ID);
  • максимальное напряжение сток-исток (VDS);
  • сопротивление в открытом состоянии, RDS(on);
  • общий заряд затвора (QG);
  • входная емкость CISS.

Возможные замены транзисторов для электронного балласта: IRF730, IRF820, IRFBC30A (International Rectifier); STP4NC50, STP4NB50, STP6NC50, STP6NB50 (STMicroelectronics); полевые транзисторы фирмы Infineon ( infineon.com) серии LightMos, CoolMOS, SPD03N60C3, ILD03E60, STP03NK60Z; PHX3N50E фирмы PHILIPS и т. п.

Транзисторы установлены на небольшие пластинчатые радиаторы. Длина проводников между выходами драйвера 5, 7, резисторами в цепях затворов R3, R4 и затворами полевых транзисторов должна быть минимальной.

Таблица 3.3. Сравнительная таблица с параметрами некоторых транзисторов для электронных балластов

Простой электронный балласт на микросхеме IR2153

Простой электронный балласт на микросхеме IR2153
Рис. 3.16. Основные размеры сердечника (к табл. 3.2)

Диодный мост VD1 - импортный RS207; допустимый прямой ток 2 А; обратное напряжение 1000 В. Можно заменить на четыре диода с соответствующими параметрами.

Диод VD2 класса ultra-fast (сверхбыстрый) - обратное напряжение не менее 400 В; допустимый прямой постоянный ток - 1 А; время обратного восстановления - 35 нс. Подойдут 11DF4, BYV26B/C/D, HER156, HER157, HER105-HER108, HER205-HER208, SF18, SF28, SF106-SF109, BYT1-600. Этот диод должен располагаться как можно ближе к микросхеме.

Микросхема DAI - IR2153, она заменима на IR2152, IR2151, IR2153D, IR21531, IR2154, IR2155, L6569, МС2151, MPIC2151. При использовании IR2153D диод VD2 не требуется, т. к. он установлен внутри микросхемы.

Резисторы R1-R5 - ОМЛТ или МЛТ.

Конденсаторы С1-C3 - К73-17 на 630 В; С4 - электролитический (импортный) на номинальное напряжение не менее 350 В; С5 - электролитический на 25 В; С6 - керамический на 50 В; С7 - керамический или К73-17 на напряжение не менее 60 В; С8, С9 - К73-17 на 400 В; СЮ - полипропиленовый К78-2 на 1600 6.

Варистор RU1 фирмы EPCOS - S14K275, S20K275, заменим на TVR (FNR) 14431, TVR (FNR) 20431 или отечественный СН2-1а-430 В.

Терморезистор (термистор) RK1 с отрицательным температурным коэффициентом (NTC - Negative Temperature Coefficient) - SCK 105 (10 Ом, 5 А) или фирмы EPCOS - B57234-S10-M, B57364-S100-M.

Термистор можно заменить на проволочный резистор 4,7 Ом мощностью 3-5 Вт.

Позистор RK2 - термистор РТС (Positive Temperature Coefficient) с положительным температурным коэффициентом. Разработчики IR2153 рекомендуют использовать позистор фирмы Vishay Cera-Mite - 307С1260. Его основные параметры:

  • номинальное сопротивление при +25 °С - 850 Ом;
  • мгновенное (максимально допустимое) среднеквадратичное напряжение, прикладываемое к позистору при зажигании лампы - 520 В;
  • постоянное (максимально допустимое) среднеквадратичное напряжение, прикладываемое к позистору при нормалной работе лампы, -175 В;
  • максимальный допустимый ток переключения (переводящий позистор в высокоомное состояние) -190 мА;
  • диаметр позистора - 7 мм.

Возможная замена позистора RK2 - импульсные позисторы фирмы EPCOS (число циклов переключения 50000-100000): В59339-А1801-Р20, В59339-А1501-Р20, B59320-J120-A20, В59339-А1321-Р20.

Позисторы с необходимыми параметрами в количестве, достаточном, для восьми электронных балластов, можно изготовить из широко распространенного позистора СТ15-2-220 от системы размагничивания телевизора ЗУСЦТ. Разобрав пластмассовый корпус, извлекают две "таблетки". Алмазным надфилем делают на каждой два надпила крест-накрест, как показано на рис. 3.17, и разламывают ее по надпилам на четыре части.

Совет. К металлизированным поверхностям изготовленного таким образом позистора очень трудно припаять выводы. Поэтому, как показано на рис. 3.18, делают в печатной плате (поз. 3) прямоугольное отверстие и зажимаю обломок "таблетки" (поз. 1) между упругими контактами (поз. 2), припаянными к печатным проводникам. Подбирая размер обломка, можно добиться желаемой продолжительности прогрева лампы.

Простой электронный балласт на микросхеме IR2153
Рис. 3.17. "Таблетка" позистора с надпилами

Простой электронный балласт на микросхеме IR2153
Рис. 3.18. Крепление самодельного позистора на плате

Совет. Если люминесцентную лампу предполагается использовать в режиме нечастого включения-выключения, то позистор можно исключить.

Настройка. Разброс параметров элементов С6, L2, СЮ может потребовать подстройки частоты драйвера. Равенства частоты задающего генератора микросхемы IR2153 резонансной частоте контура L2C10 проще всего добиваться подборкой частотозадающего резистора R2. Для этого его удобно временно заменить парой последовательно соединенных резисторов: постоянного (10-12 кОм) и подстроечного (10-15 кОм). Критерием правильной настройки служат надежный запуск (зажигание) и устойчивое горение лампы.

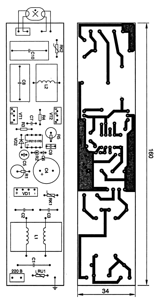
Балласт собран на печатной плате из фольгированного стеклотекстолита и помещен в алюминиевый экранирующий кожух. Печатная плата и расположение элементов показана на рис. 3.19.

Простой электронный балласт на микросхеме IR2153
Рис. 3.19. Печатная плата и расположение элементов

Автор: Корякин-Черняк С.Л.

Смотрите другие статьи раздела Пускорегулирующие аппараты люминесцентных ламп.

Читайте и пишите полезные комментарии к этой статье.

<< Назад

Последние новости науки и техники, новинки электроники:

Восприятие музыки зависит от цвета концертного зала 03.03.2026

Восприятие живой музыки традиционно связывают с слухом, однако на впечатления от концерта влияют и другие факторы, включая визуальное оформление и освещение. Вопрос о том, может ли цвет интерьера напрямую изменять то, как мы слышим звук, долго оставался открытым. Недавнее исследование ученых из Технического университета Берлина проливает свет на эту связь и демонстрирует, что визуальная среда способна влиять на субъективное восприятие музыки. Чтобы изучить эффект цвета, исследователи предложили участникам прослушать записи концерта в виртуальных залах, оформленных в красные, зеленые и синие оттенки. Цвета варьировались по яркости и насыщенности, что дало 12 различных вариантов оформления. Поскольку построить физические залы с таким разнообразием цветов было невозможно, использовалась технология виртуальной реальности. Звук воспроизводился через наушники с бинауральной технологией, адаптирующей звучание к движениям головы, что создавало ощущение реального присутствия в зале. Участ ...>>

Chrysalis: концепт межзвездного корабля для 400-летнего путешествия 03.03.2026

Межзвездные полеты остаются одной из самых амбициозных целей человечества. Международный научный проект Chrysalis предложил концепцию космического корабля, способного совершить 400-летнее путешествие с экипажем из 2400 человек. Победивший в конкурсе 2025 года дизайн демонстрирует не только инженерные решения, но и социальную архитектуру, рассчитанную на 16 поколений людей, живущих на борту. В основе концепции лежит вращательная конструкция длиной 58 километров. Такая масштабная система должна создать искусственную гравитацию, достаточную для нормального функционирования организма, без вызывающей дезориентацию центробежной нагрузки. Для стабилизации конструкции проект предусматривает несколько цилиндров, вращающихся в противоположных направлениях, что минимизирует колебания и вибрации. Сборка корабля планируется в точках Лагранжа - участках космоса, где можно минимизировать расход топлива. Движение корабля предполагается обеспечить прямым термоядерным двигателем на гелии-3 и дейте ...>>

Дети, растущие рядом с природой, обретают крепкие кости 02.03.2026

Влияние окружающей среды на здоровье человека становится все более очевидным, особенно в детском возрасте. Новое исследование, опубликованное в журнале JAMA Network Open, показывает, что близость к природе напрямую связана с крепостью костей у детей. Ученые установили, что у детей, чьи дома окружены природными территориями в радиусе 1000 метров на 25% больше обычного, риск развития крайне низкой плотности костей снижается на 65%. Для проведения исследования были проанализированы данные более 300 детей, проживающих в городских, пригородных и сельских районах Фландрии в Бельгии. Плотность костной ткани у детей в возрасте от четырех до шести лет оценивалась с помощью ультразвуковых методов. Такой подход позволил безопасно и точно измерить состояние костей на ранних этапах формирования скелета. При анализе учитывались ключевые факторы, влияющие на рост и развитие детей: возраст, вес, рост, этническая принадлежность и уровень образования матери. На основании этих параметров исследоват ...>>

Случайная новость из Архива

Ожидания влияют на восприятие звуков 03.09.2024

Наше восприятие мира вокруг нас во многом зависит от того, как мозг интерпретирует сигналы, поступающие от органов чувств. Часто мы не задумываемся о том, насколько точно наши органы чувств передают информацию о реальности. Современные исследования в области нейробиологии показывают, что мозг активно предсказывает, что произойдет дальше, и это предсказание оказывает влияние на наше восприятие окружающего мира. Одним из последних достижений в этой области стали результаты работы группы ученых из Технического университета Дрездена, которые показали, что ожидания влияют даже на то, как мы слышим звуки.

В течение последних двух десятилетий исследования доказали, что кора головного мозга не просто пассивно обрабатывает сенсорные данные, а активно предсказывает будущие события, фиксируя разницу между ожиданиями и реальностью. Новое исследование под руководством профессора Катарины фон Кригштайн выявило, что не только кора, но и весь слуховой путь играет ключевую роль в этой предсказательной деятельности.

Для того чтобы изучить, как ожидания влияют на слуховое восприятие, команда ученых применила функциональную магнитно-резонансную томографию (фМРТ). В эксперименте приняли участие 19 добровольцев. Им предлагалось слушать последовательности звуков и определить, какой из них отличается от остальных. Ученые искусственно манипулировали ожиданиями участников, заставляя их ожидать появления отклоняющегося звука в определенном месте последовательности.

В ходе эксперимента нейробиологи исследовали реакции мозга на звуки, которые не соответствовали ожиданиям, особенно сосредоточившись на двух важных ядрах подкоркового пути: нижнем бугорке и медиальном коленчатом теле. Результаты показали, что хотя участники быстрее распознавали отклоняющийся звук, когда он появлялся в ожидаемом месте, подкорковые структуры активировались лишь тогда, когда звук возникал неожиданно.

Исследование показало, что ожидания играют ключевую роль в сенсорной обработке на всех уровнях слуховой системы. Эти результаты подтверждают, что мозг постоянно сверяет поступающие сенсорные сигналы с заранее сформированными ожиданиями, и только значительные отклонения от этих ожиданий приводят к активации определенных структур мозга.

Открытия, сделанные командой профессора фон Кригштайн, могут иметь важные практические применения. В частности, они могут помочь в разработке новых методов лечения нарушений, связанных с восприятием звуков, таких как дислексия развития. Понимание того, как мозг формирует и обрабатывает ожидания, может привести к созданию более эффективных терапевтических подходов.

Наше восприятие мира не является пассивным процессом. Мозг активно формирует ожидания, которые влияют на то, как мы воспринимаем и обрабатываем сенсорные сигналы. Исследования в этой области продолжают раскрывать новые механизмы работы мозга, углубляя наше понимание того, как мы взаимодействуем с окружающей реальностью.

Другие интересные новости:

▪ Умная футболка YouCare 5G

▪ Набор Nubia Z50S Pro Starlight Imaging Kit

▪ 504-кубитный квантовый чип

▪ Ветродвигатель без лопастей

▪ Определен возраст твердого ядра в центре Земли

Лента новостей науки и техники, новинок электроники

 

Интересные материалы Бесплатной технической библиотеки:

▪ раздел сайта Биографии великих ученых. Подборка статей

▪ статья Менандр. Знаменитые афоризмы

▪ статья Кто устанавливает моду? Подробный ответ

▪ статья Определение расстояний при помощи тысячных. Советы туристу

▪ статья Измеритель емкости - приставка к тестеру. Энциклопедия радиоэлектроники и электротехники

▪ статья Микросхемы. Цифровой сигнальный процессор SAA7706H для автомобильного аудиокомплекса. Энциклопедия радиоэлектроники и электротехники

Оставьте свой комментарий к этой статье:

Имя:


E-mail (не обязательно):


Комментарий:




Комментарии к статье:

Петр
А как рассчитать дроссель и конденсаторы на две лампы по 9W?

Юра
С8 у Вас не влияет на резонанс? Он последовательно идет с 10 по формуле.

Гость
Очень хорошо!

Гость
Вопрос: откуда возьмётся ток при включении нижнего транзистора, когда верхний будет выключен?


Главная страница | Библиотека | Статьи | Карта сайта | Отзывы о сайте

www.diagram.com.ua

www.diagram.com.ua
2000-2026