Menu Home

Бесплатная техническая библиотека для любителей и профессионалов Бесплатная техническая библиотека


ЭНЦИКЛОПЕДИЯ РАДИОЭЛЕКТРОНИКИ И ЭЛЕКТРОТЕХНИКИ
Бесплатная библиотека / Электрику

Электронные стартеры. Принцип действия электронного стартера на микросхеме UBA2000T. Энциклопедия радиоэлектроники и электротехники

Бесплатная техническая библиотека

Энциклопедия радиоэлектроники и электротехники / Пускорегулирующие аппараты люминесцентных ламп

Комментарии к статье Комментарии к статье

Рассмотрим более подробно электронный стартер, реализованный на специализированной микросхеме фирмы PHILIPS - UBA2000T. UBA2000T представляет собой интегральную схему, используемую в электронных стартерах для люминесцентных ламп, предназначенных для замены обыкновенных биметаллических стартеров.

Микросхема управляет предварительным прогревом электродов лампы и ее поджигом. Время прогрева лампы строго определено путем использования делителя частоты питающей сети. При выходе лампы из строя схема автоматически отключается после семи неудачных попыток поджига, предотвращая таким образом возможность перегрева балластного устройства. В случае возникновения перебоев в напряжении питания схема автоматически сбрасывается в исходное состояние и обеспечивает повторный поджиг лампы.

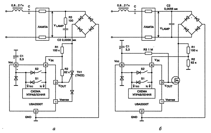
Микросхема UBA2000T обеспечивает выполнение последовательности действий, необходимых для поджига люминесцентной лампы. Способы включения микросхемы в цепи питания лампы приведены на рис. 3.4, а функциональная блок-схема UBA2000T представлена на рис. 3.5.

Сетевое напряжение выпрямляется и делится при помощи внешних резцсторов R1 и R2 до необходимого уровня. При включении питания буферный конденсатор С1 заряжается через резистивный делитель и внутренний ключ S1; напряжение на конденсаторе используется для питания микросхемы.

До тех пор, пока напряжение на буферном конденсаторе Vcc не превысит пускового уровня Vcc (гst), осуществляется инициализация внутренних цепей микросхемы. Когда напряжение питания Vcc достигнет порога запуска Vcc (гst), а пиковое значение VlN станет больше FIGN (то есть сетевое напряжение находится вблизи своего пикового значения), происходит открывание внешнего силового ключа. В результате через электроды лампы, силовой ключ и интегральный датчик тока начинает протекать ток прогрева электродов лампы.

На протяжении всего периода времени, пока замкнут внешний силовой ключ, питание микросхемы осуществляется за счет буферного конденсатора С1. Типичная форма напряжения на выводе 6 (Vcc) представлена на рис. 3.6.

Принцип действия электронного стартера на микросхеме UBA2000T
Рис. 3.4. Способы включения микросхемы в цепи питания ЛЛ (нажмите для увеличения)

Принцип действия электронного стартера на микросхеме UBA2000T
Рис. 3.5. Функциональная блок-схема UBA2000T

Принцип действия электронного стартера на микросхеме UBA2000T
Рис. 3.6. Напряжение на выводе 6 (Vcc)

На протяжении периода прогрева электродов лампы происходит разряд конденсатора. Напряжение с токоизмерительного резистора поступает на компаратор, выходной сигнал которого используется в качестве тактового сигнала для внутреннего счетчика. Этим счетчиком определяется время прогрева электродов лампы, равное 1,52 с при частоте питающей сети 50 Гц. Благодаря использованию счетчика время прогрева выдерживается очень точно, так как зависит только от частоты питающей сети.

После предварительного прогрева электродов лампы внешний силовой ключ размыкается в момент времени, когда напряжение на токоизмерительном резисторе соответствует протекающему току не менее 285 мА. В результате прерывания тока в цепи, содержащей индуктивную нагрузку, происходит генерация высоковольтного импульса, который осуществляет поджиг люминесцентной лампы.

После успешного поджига лампы напряжение на ней становится значительно ниже сетевого. В результате напряжение питания микросхемы не превышает порогового уровня, необходимого для ее работы. На рис. 3.6 приведена форма напряжения питания микросхемы при поджиге лампы после второй попытки.

Во время прогрева электродов лампы питание микросхемы осуществляется за счет энергии, запасенной в буферном конденсаторе, и напряжение питания постепенно снижается. Если после подачи высоковольтного импульса не произошло поджига лампы, то внешний силовой ключ остается закрытым, и напряжение на буферном конденсаторе снова повышается выше стартового уровня. Внешний силовой ключ снова замыкается, и начинается следующий цикл прогрева и поджига лампы. При всех последующих попытках поджига, кроме первой, время прогрева уменьшено до 0,64 с, поскольку электроды лампы еще не остыли после предыдущих неудачных попыток поджига. Внутренний счетчик ограничивает число неудачных попыток поджига до 7. Это предотвращает мигание лампы в конце срока ее службы.

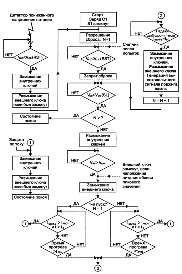
Микросхема UBA2000T содержит встроенные цепи защиты по току. Когда ток через резистор датчика превышает порог защиты (IPROT), силовой ключ закрывается, и микросхема переходит в режим покоя. Выключение и повторное включение напряжения питания приводят к сбросу цепей защиты. Диаграмма состояний микросхемы в процессе поджига лампы приведена на рис. 3.7.

Принцип действия электронного стартера на микросхеме UBA2000T
Рис. 3.7. Диаграмма состояний микросхемы UBA2000Te процессе поджига лампы

Источник питания. При подаче напряжения питания на микросхему происходит заряд буферной емкости и разрешается работа внутреннего источника тока. Внутреннее напряжение питания микросхемы стабилизировано и не зависит от напряжения на буферном конденсаторе. Встроенный стабилитрон ограничивает напряжение на выводе 6 (Vcc) на уровне Vcc (sl).

Компараторы напряжения. Компараторы отслеживают напряжение на буферном конденсаторе и разрешают работу внутренних цепей микросхемы при достижении напряжением питания стартового уровня - Vcc (sl). Для первоначальной зарядки конденсатора требуется некоторый период времени tini (см. рис. 3.6). Это время зависит от номинала конденсатора С1, тока потребления микросхемы и сопротивления внешнего делителя на входе Vin (R1IIR2). После заряда конденсатора С1 и при условии, что сетевое напряжение находится вблизи своего максимального значения, генерируется импульс тока, открывающий внешний силовой ключ.

В случае если напряжение питания падает до уровня, указывающего на отсутствие сетевого напряжения, внутренние цепи микросхемы сбрасываются, и она становится готова для осуществления прогрева и пуска лампы при повторном включении сетевого напряжения.

Триггер. Состояние внутреннего триггера отражает состояние внешнего силового ключа. Процесс установки триггера определяется состоянием компараторов напряжения, счетчика числа поджигов и режимом покоя микросхемы. Сброс триггера управляется таймером, датчиком тока и цепями защиты по току.

Датчик тока. Датчик тока управляет моментом выключения силового ключа и осуществляет генерацию тактовых импульсов для управления внутренними счетчиками микросхемы (рис. 3.8).

Принцип действия электронного стартера на микросхеме UBA2000T
Рис. 3.8. Генерация тактовых импульсов

Для правильной работы ток прогрева электродов лампы должен находиться в пределах допустимого диапазона IPR. Благодаря некоторому гистерезису отдельные пики тока прогрева электродов не оказывают влияния на состояние счетчика. Кроме того, цепи датчика тока осуществляют дополнительную низкочастотную фильтрацию сигнала, устраняющую влияние коротких импульсов тока на время прогрева электродов лампы.

Датчик фронта. Датчик фронта обеспечивает закрывание внешнего силового ключа на падающем фронте выпрямленного тока прогрева.

Счетчик. При подаче на счетчик тактового сигнала с удвоенной частотой питающей сети счетчик задает длительность первого прогрева электродов лампы и, если необходимо, длительность последующих шести прогревов.

Схема управления временем прогрева. В зависимости от состояния счетчика числа запусков выбирается большое (tPRF = 1,25 с) или малое (tPRN = 0,64 с) время прогрева.

Счетчик числа запусков. Число запусков подсчитывается отдельным счетчиком. После семи неудачных попыток запуска микросхема переводится в состояние покоя. В состоянии покоя потребляемый ток увеличивается, благодаря чему буферный конденсатор быстро разряжается при отключении стартера от источника питания. Это обеспечивает автоматический сброс стартера при "горячей" замене неисправной лампы.

Цепи защиты по току. Если ток через измерительный резистор превышает пороговое значение IPROT, внешний силовой ключ закрывается. На протяжении нескольких первых периодов открытого состояния силового ключа (времени блокировки tD) работа цепей защиты по току запрещается. Благодаря этому переходные процессы при открывании ключа не приводят к срабатыванию цепей токовой защиты. В случае превышения током порогового значения происходит отключение силового ключа, и микросхема переводится в состояние покоя, предотвращая последующее открывание ключа. Из этого состояния микросхема может быть выведена только путем отключения напряжения питания.

Выходной буфер. Выходной буфер предназначен для управления внешним тиристором с малым входным током либо мощным полевым транзистором. В процессе включения микросхемы на ее выходе поддерживается низкий уровень, предотвращающий открывание силового ключа.

Силовой ключ на тиристоре. Как уже упоминалось, UBA2000T может работать совместно с высоковольтным тиристором TN22 (рис. 3.9). Он представляет собой высококачественный несимметричный тиристор, изготовленный по высоковольтной p-n-p-n диффузионной планарной технологии. Производитель - фирма STMicroelectronics (st.com). Тиристор выпускается в пластмассовых корпусах IPAK (ТО-251), DPAK (ТО-252) и предназначен для использования в электронных пусковых устройствах люминесцентных ламп.

Основные технические характеристики тиристора TN22:

  • напряжение лавинного пробоя Vbr - 1200-1500 В;
  • ток удержания в открытом состоянии 1Н, не менее -175 мА;
  • управляющий ток не более -1,5 мА.

Принцип действия электронного стартера на микросхеме UBA2000T
Рис. 3.9. Схема и внешний вид тиристора TN22

Максимальные значения параметров и режимов TN22:

  • повторяющееся значение напряжения в закрытом состоянии (при температуре кристалла Tj=110 °С) VDRM - 400 В;
  • среднеквадратичное значение тока открытого тиристора (при угле проводимости 180° и температуре корпуса TC = 95 °С) IT (rms) - 2 А;
  • среднее значение тока открытого тиристора (при угле проводимости 180° и температуре корпуса TC = 95 °С) IT (av) -1,8 А;
  • неповторяющееся пиковое значение тока открытого тиристора (при начальной температуре перехода Tj = 25 °С):
  • при tP = 8,3 мс - 22 А;
  • при tP = 10 мс - 20 А;
  • предельное значение I2t при tP = 10 мс - 2 А2-с;
  • критическая скорость нарастания тока в открытом состоянии (при IG = 5 мА и dIG/dt = 70 мА/мкс) - 50 А/мкс;
  • рабочая температура кристалла Тj - -40...+110 °С;
  • температура хранения TSTG 40...+150 °С.

Типичный пример использования микросхемы совместно с тиристором с малым входным током (типа TN22), используемым в качестве внешнего силового ключа, приведен на рис. 3.4, а. При этом резистивный делитель входного напряжения подключается не к общему проводу, а к управляющему электроду внешнего ключа. Поскольку напряжение на управляющем электроде ключа мало, это не приводит к заметному изменению коэффициента деления.

Выходной буферный усилитель осуществляет генерацию импульса тока, необходимого для открывания внешнего ключа ТН1. Этот импульс тока синхронизирован с напряжением на выводе 4 (VIN). Силовой ключ открывается, когда напряжение VIN достигнет уровня VIGN. При этом ток через делитель R1 и R2 является составной частью тока, необходимого для открывания ключа. Если необходимо, то импульс тока повторяется каждые полпериода сетевого напряжения. Когда требуется закрыть внешний ключ, выходной буфер способен обеспечить большой втекающий ток, необходимый для надежного закрывания ключа.

Иногда бывает необходимо ограничить импульсный ток, протекающий при открывании ключа за счет разряда помехоподавляющего конденсатора С2. Для этого последовательно с конденсатором может быть включен резистор R3.

Силовой ключ на полевом транзисторе. Типовая схема использования микросхемы UBA2000T совместно с силовым ключом на полевом транзисторе приведена на рис. 3.4, б. В этом случае резистивный делитель подключается к общему проводу. Выходной буфер микросхемы работает аналогично предыдущему случаю. Импульс выходного тока заряжает затвор полевого транзистора. В результате транзистор открывается.

Для удержания транзистора в проводящем состоянии используется высокоомный резистор, включенный между затвором транзистора и буферным конденсатором С1. Необходимость этого резистора вызвана тем, что выходной ток носит импульсный, а не непрерывный характер. Необходимо отметить, что использование резистора приводит к увеличению тока разряда буферной емкости С1.

Внутренний стабилитрон ограничивает напряжение на выходе микросхемы, а, следовательно, и на затворе полевого транзистора на уровне приблизительно 6,8 В.

Обе схемы применения требуют использования силового ключа с напряжением пробоя V(BR)AC или V(BR)DS, превышающим напряжение поджига люминесцентной лампы.

В табл. 3.1 приведены предельные значения параметров микросхемы UBA2000T.

Таблица 3.1. Предельные значения параметров микросхемы UBA2000T

Принцип действия электронного стартера на микросхеме UBA2000T

Примечания к таблице.

1. Вывод подключен к внутреннему стабилитрону с напряжением пробоя около 6,8 В.

2. Вывод подключен к внутреннему стабилитрону с напряжением пробоя 130-230 В. Ток через вывод должен быть ограничен на уровне 10 мА.

3. Импульсное значение при длительности импульса 2 мс.

Автор: Корякин-Черняк С.Л.

Смотрите другие статьи раздела Пускорегулирующие аппараты люминесцентных ламп.

Читайте и пишите полезные комментарии к этой статье.

<< Назад

Последние новости науки и техники, новинки электроники:

Горькие продукты улучшают работу мозга 08.11.2025

Как выяснили японские ученые, горький вкус флаванолов играет важную роль в стимуляции центральной нервной системы. Даже при минимальном усвоении этих веществ организм получает сигнал к повышению активности нейромедиаторов и улучшению когнитивных функций, что делает натуральные продукты с горьким вкусом потенциально полезными для мозга и общей физиологии. В поисках способов улучшить работу мозга ученые все чаще обращаются к натуральным соединениям, содержащимся в привычных продуктах питания. Одним из таких веществ являются флаванолы, присутствующие в какао, красном вине и ягодах. Исследователи из Технологического института Сибаура в Японии выяснили, что горький и вяжущий вкус этих соединений способен активировать мозг через вкусовые рецепторы, способствуя улучшению памяти, внимания и способности к обучению. Ранее было известно, что флаванолы защищают нейроны и поддерживают когнитивные функции, однако их биодоступность - доля вещества, поступающая в кровь - крайне низка. Это вызвал ...>>

Дождевой электрогенератор 08.11.2025

Группа разработчиков Нанкинского университета аэронавтики и астронавтики представила дождевой электрогенератор, который превращает дождевые капли в источник электричества, используя саму воду как структурный и электрический элемент. В отличие от традиционных капельных генераторов, где электричество создается на твердых диэлектрических пленках с металлическими электродами, новое устройство плавает непосредственно на поверхности воды. Вода одновременно выполняет роль опоры и проводника, что позволило снизить вес системы на 80%, а стоимость уменьшить почти наполовину, сохранив при этом мощность до 250 вольт на каждую каплю. "Мы позволили воде одновременно выполнять структурную и электрическую функции, создав легкую, доступную и масштабируемую систему", - объяснил профессор Ванлин Гуо, ведущий автор исследования. Такая концепция открывает путь к созданию гидровольтаических систем, которые могут работать в водоемах без использования суши, дополняя солнечные и ветровые технологии. П ...>>

Климат влияет на длительность беременности 07.11.2025

Беременность традиционно воспринимается как естественный биологический процесс с предсказуемыми сроками, однако современные исследования все чаще доказывают, что на ее продолжительность влияют факторы, выходящие далеко за пределы медицины. Среди них особое место занимают климат и окружающая среда - именно эту взаимосвязь впервые подробно изучили ученые из Университета Кертина в Австралии. Их работа раскрывает, что экстремальные погодные условия способны не только вызывать преждевременные роды, но и, напротив, удлинять срок беременности. Команда исследователей проанализировала данные почти 400 тысяч новорожденных, появившихся на свет в Западной Австралии. Результаты оказались неожиданными: климатические колебания заметно влияли на организм будущих матерей, особенно у тех, кто рожал после 41-й недели беременности. По словам доктора Сильвестра Додзи Ньядана из Школы народного здоровья Университета Кертина, проблема перенашивания долгое время оставалась в тени, хотя ее последствия могут ...>>

Случайная новость из Архива

Водоблоки полного покрытия Aqua Computer Kryographics Next 04.12.2018

Компания Aqua Computer представила новую серию водоблоков полного покрытия Kryographics Next, в которой на данный момент доступны модели для видеокарт GeForce RTX 2080 и RTX 2080 Ti в эталонном исполнении. Отмечается, что новинки являются самыми лучшими водоблоками Aqua Computer на данный момент.

Основание новинок выполнено из меди. Будут доступны версии водоблоков с никелированным основание, и с "чистым" медным. По словам производителя, основание фрезеруется из цельного бруска меди и в итоге весит 1,25 кг. Как и положено водоблоку полного покрытия, Kryographics Next контактирует не только с графическим процессором, но также с силовыми элементами цепей питания, и микросхемами памяти.

Верхняя часть водоблоков Kryographics Next изготовлена из прозрачного акрила и украшена декоративной металлической пластиной. Конечно же, не обошлось без настраиваемой RGB-подсветки. Водоблок насчитывает 15 пиксельных (адресуемых) светодиодов. Управлять подсветкой можно либо с помощью контроллера Aqua Computers QUADRO, либо с помощью утилиты ASUS Aura Sync, конечно, только при подключении к материнской плате ASUS.

Также производитель предлагает для новых водоблоков усиливающие пластины на тыльную часть видеокарты. Одна из пластин будет стандартная, тогда как другая оснащена дополнительной медной тепловой трубкой, проходящей в области контакта с элементами подсистемы питания, и заканчивающейся в терминале для подключения фитингов. Наличие тепловой трубки должно обеспечить лучшее охлаждение.

Базовая версия водоблоков Aqua Computer Kryographics Next для видеокарт GeForce RTX 2080 и RTX 2080 Ti оценена производителем в 150 евро. За версию с никелированным основанием придется отдать на 15 евро больше. Стандартная усиливающая пластина стоит 33 евро, а с тепловой трубкой - 48 евро.

Другие интересные новости:

▪ Android 5.0 ожидается во втором квартале 2012 г.

▪ Водоблок EK-Vector RX 5700 + XT

▪ Самый длинный висячий мост

▪ Смартфон на запястье

▪ Запах человека: от младенцев до подростков

Лента новостей науки и техники, новинок электроники

 

Интересные материалы Бесплатной технической библиотеки:

▪ раздел сайта Микроконтроллеры. Подборка статей

▪ статья Филистер. Крылатое выражение

▪ статья Как рождаются мухи? Подробный ответ

▪ статья Черемуха птичья. Легенды, выращивание, способы применения

▪ статья Большой 5-метровый самодельный ветрогенератор (Часть 1). Энциклопедия радиоэлектроники и электротехники

▪ статья Мостовой измеритель КСВ. Энциклопедия радиоэлектроники и электротехники

Оставьте свой комментарий к этой статье:

Имя:


E-mail (не обязательно):


Комментарий:





Главная страница | Библиотека | Статьи | Карта сайта | Отзывы о сайте

www.diagram.com.ua

www.diagram.com.ua
2000-2025