Menu Home

Бесплатная техническая библиотека для любителей и профессионалов Бесплатная техническая библиотека


ЭНЦИКЛОПЕДИЯ РАДИОЭЛЕКТРОНИКИ И ЭЛЕКТРОТЕХНИКИ
Бесплатная библиотека / Электрику

Устройство электрического освещения. Энциклопедия радиоэлектроники и электротехники

Бесплатная техническая библиотека

Энциклопедия радиоэлектроники и электротехники / Освещение

Комментарии к статье Комментарии к статье

По существующим нормам в жилых домах при комбинированной системе освещения от любых источников света наименьшая освещенность письменного стола, рабочей поверхности для шитья и других ручных работ составляет 300 лк, а кухонного стола и мойки посуды - 200 лк. Средняя вертикальная освещенность улиц и дорог местного значения, поселковых улиц должна составлять не менее 150 лк. Запрещается предусматривать стационарное освещение и устанавливать штепсельные розетки в кладовых.

В осветительных устройствах для светопропускающих поверхностей следует применять несгораемые материалы.

В установках с лампами накаливания общего назначения мощностью не более 60 Вт и люминесцентными лампами допускается использование оргстекла и подобных ему материалов. При этом расстояние от колб люминесцентных ламп до светопропускающих поверхностей должно быть не менее 15 мм, для ламп накаливания - 100 мм.

При установке на потолках из сгораемых материалов встраиваемых или потолочных светильников, устройство которых по техническим условиям не предусматривает их монтажа на сгораемой конструкции, места примыкания светильников к потолкам должны быть защищены асбестовыми прокладками толщиной не менее 3 мм.

Для освещения подполий, подвалов, чердаков, кладовых рекомендуется использовать лампы накаливания.

В технических подпольях и на чердаках жилых зданий освещение должно устанавливаться только по линии основных проходов. В домах высотой в один и два этажа, а также в домах садоводческих товариществ устройства освещения чердаков не требуется. Освещение хозяйственных кладовых с решетчатыми перегородками, расположенных в подвалах, следует выполнять светильниками, установленными в проходах (без установки дополнительных светильников в этих помещениях).

В жилых комнатах, кухнях и коридорах квартир должна быть предусмотрена установка светильников общего освещения, подвешенных или закрепленных на потолке, а также клеммных колодок для подключения светильников, а в кухнях, кроме того, - подвесных патронов, присоединяемых к клеммной колодке. В туалете над дверью устанавливают стенной патрон, а в ванной - светильник над зеркалом.

В жилых комнатах площадью 10 м2и более следует предусматривать возможность установки многоламповых светильников с включением ламп двумя группами.

Многоламповые светильники разработаны именно с той целью, чтобы можно было изменять по своему выбору мощность светильника. Для этого лампы светильника разделены на две группы, каждая из которых выведена на свой выключатель. Они предусматривают, как правило, три режима мощности светильника.

Если, например, в люстре пять ламп по 60 или 100 Вт, то одна из линий объединяет две лампы, к другой подключены оставшиеся три. В результате можно по своему выбору изменять режим освещенности комнаты: мягкий рассеянный свет - при включенных двух лампах, спокойное общее освещение - при трех работающих лампах и яркое праздничное освещение - при работе всех пяти ламп.

Обычно, мягкий свет используется при отдыхе, средний - при общении в кругу семьи, например за ужином, а полное освещение - во время семейных торжеств, при встрече гостей, во время каких-нибудь праздничных мероприятий .

Освещение остальных помещений квартиры - коридоров, прихожих, ванных и туалетных комнат - требует достаточной яркости и четкости, однако не целесообразно устанавливать в них многоламповые светильники с двумя группами ламп.

На рис. 52 представлена электрическая схема включения трехрожковой люстры в электрическую сеть.

Устройство электрического освещения
Рис. 52. Электрическая схема подключения трех ламп люстры: SB - выключатель двухполюсной; HL1-HL3 - электрические лампы накаливания; 1 - колодка клеммная люстровая; 2 - контактные зажимы выключателя; 3 - крюк для подвешивания люстры; 4 - люстра.

Схема работает следующим образом. При включении левой клавиши выключателя SB загораются электролампы HL1 и HL2. При включении правой клавиши выключателя (левая клавиша отключена) загорается одна лампа HL3. При включении обеих клавиш одновременно загораются все три электролампы.

Для обеспечения электробезопасности нулевой рабочий провод следует подключать к выключателю так, как показано на рис. 52. Фазный провод надо подключать к общей точке соединения электроламп без разрыва его цепи через клеммную колодку. Фазный провод необходимо подключать к центральному контакту патрона, а нулевой - к резьбовой его части .

Крюк для подвешивания светильника к потолку должен быть заизолирован с помощью полихлорвиниловой трубки. Это требование не относится к случаям крепления крюков к деревянным основаниям.

Внешний диаметр полукольца у крюка должен быть не менее 3,5 см. Расстояние от перекрытия (основания) до начала изгиба должно составлять 1,2 см. При изготовлении крюков из круглой стали диаметр прутка должен составлять 6 мм. Приспособление для подвешивания светильников должно выдерживать в течение 10 минут без повреждения и остаточных деформаций приложенную нагрузку, равную пятикратной массе светильника (масса светильника в проектах принимается равной 10 кг).

В кухнях следует предусматривать:

- 3 штепсельные розетки на 6 А для подключения холодильника, надплитного фильтра, динамика трехпрограммного радиовещания и бытовых электроприемников мощностью до 1,3 кВт;

- 1 штепсельную розетку с заземляющим контактом на 10 А для подключения бытового прибора мощностью до 2,2 кВт, требующего зануления;

- 1 штепсельную розетку с заземляющим контактом до 25 А для подключения электрической плиты мощностью 5,8 кВт или бытового прибора мощностью до 4 кВт, требующего зануления.

В кухнях площадью более 8 м2следует предусматривать 4 штепсельные розетки на 6 А.

В ванных, душевых, туалетах корпусы светильников и патроны должны быть из изолирующего материала. При установке светильников с лампами накаливания на высоте 2,5 м и менее рекомендуется применять светильники с заглубленными патронами с высокими изолирующими кольцами или светильники с другими конструктивными решениями, повышающими безопасность обслуживания.

Высота установки светильников с люминесцентными лампами при влагозащищенном использовании (при условии недоступности к токоведущим частям) не регламентируется.

Допускается применение светильников-блоков с люминесцентными лампами мощностью до 40 Вт без рассеивателей. Высота установки указанных светильников от пола должна составлять не менее 2,2 м до корпуса светильника.

В индивидуальных домах следует устанавливать штепсельные розетки на 6 А из расчета:

- в жилых комнатах - 1 розетка на каждые полные и неполные 10 м2жилой площади;

- в кухнях - 2 розетки независимо от площади.

В квартирах жилых домов следует предусматривать три однофазные групповые линии: две - для питания общего освещения и штепсельных розеток на 6 и 10 А; третью групповую линию - для подключения бытовых электроприборов мощностью до 4 кВт и электрических плит. Не допускается объединение нулевых проводников рабочего освещения с нулевыми проводниками эвакуационного и аварийного освещения, а также нулевых проводников осветительных и силовых сетей. Устройство трехфазных четырехпроводных вводов в квартиры допускается при соответствующем технико-экономическом обосновании. На рис. 53 показаны схемы включения светильников в сеть и схема управления светильниками с двух мест.

Устройство электрического освещения
Рис. 53. Электрические схемы включения светильников в сеть: а - двухпроводная однофазная линия; б - двухпроводная однофазная линия с третьим проводом для зануления металлических корпусов светильников; в - схема управления светильниками с двух мест: SB1, SB2 - выключатели двухполюсные; FU1, FU2- предохранители плавкие; HL1-HL3 - светильники; 1 - место зануления корпуса светильника; 2 - защитный нулевой провод; 3 - рабочий нулевой провод; 4 - металлический корпус светильника.

В сетях с глухозаземленной нейтралью напряжением 380/220 В для питания сетей освещения применяют однофазные и трехфазные групповые линии. Для зануления металлических корпусов светильников, как показано на рис. 53, б, используют нулевой защитный провод, идущий от осветительного шитка без разрыва цепи отключающими аппаратами, а в цепях фазного и нулевого рабочего проводов устанавливаются аппараты защиты от коротких замыканий. Для одновременного отключения фазного и нулевого рабочего проводов используют двухполюсный выключатель.

Если помещение имеет значительную протяженность (например, складские помещения, имеющие два выхода), удобно использовать электрическую схему включения светильников из двух противоположных мест (рис. 53, в). Схема работает следующим образом. При входе в помещение с одного конца выключатель SBI поворачивается в положение "А" (выключатель SB2 должен быть включен в положение "С"). При этом происходит включение светильников в сеть. При выходе из помещения с другого его конца, если повернуть выключатель SB2 в положение "D", светильники отключаются от сети.

На рис. 54 показана схема электропроводки, выполненная в однокомнатном садовом доме, а на рис. 55 - в двухкомнатном.

Устройство электрического освещения
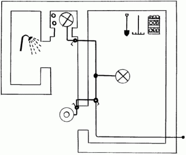
Рис. 54. Схема электропроводки, выполненной в однокомнатном садовом доме (вид в плане): 1 - терраса площадью 8,35 м2; 2 - розетка штепсельная; 3 - комната площадью 12 м2; 4 - выключатель однополюсный; 5 - щиток вводный со счетчиком; 6 - кухня.

Устройство электрического освещения
Рис. 55. Схема электропроводки в двухкомнатном садовом доме (вид в плане):

1 - комната площадью 6,77 м2; 2 - комната площадью 11,3 м2; 3 - кладовая; 4 - кухня; 5 - терраса площадью 7,84 м2.

Цифры у светильников обозначают минимально необходимую мощность электрических ламп накаливания. На стенке около кладовой и в прихожей устанавливаются настенные патроны с электрической лампой мощностью 25 Вт. На кухне, веранде и в комнатах предусматриваются штепсельные розетки. На ответвлении от питающей воздушной линии (до ввода проводов в счетчик) устанавливаются аппараты защиты (автоматический выключатель или два плавких предохранителя - на фазном и нулевом проводах). Ввод осуществляется от ВЛ с торцевой стороны дома кабелем марки АНРГ сечением 2 x 4 мм2. Групповая сеть внутри дома выполняется проводом марки АППР сечением 2 х 2,5 мм2открыто. Общая длина внутренней электропроводки для однокомнатного дома составляет 27 м, а для двухкомнатного - 35 м. Оптимальная мощность для садового дома составляет 1 кВт. На рис. 56 показана электропроводка в приусадебных хозпостройках (вид в плане).

Устройство электрического освещения
Рис. 56. Схема электропроводки хозпостройки.

Для сараев и кладовых следует применять кабели марок АВРГ, АНРГ, АВВГ.

Осветительные приборы

Что относится к осветительным приборам, известно всем - это, конечно же, потолочные и настенные светильники, настольные лампы, торшеры и пр. Приобретая осветительный прибор для того или иного помещения, часто руководствуются в основном эстетическим фактором: чтобы светильник вписывался в общий интерьер, гармонировал с предметами мебели по стилю, цвету. Реже придается значение функциональности светильника (разве что при выборе настольной лампы). И практически никогда не берется во внимание фактор экономический. А ведь понятие рационального освещения включает в себя и эстетический, и экономический, и функциональный, и, если угодно, технологический факторы вместе взятые.

Так что же необходимо знать, приступая к подбору осветительных приборов для квартиры, дома, надворных построек, наружного освещения? Прежде всего то, что включают в себя понятия функциональное освещение, экономичное освещение, что такое эстетический и технологический факторы. По функциональному назначению освещение может быть общим, местным и комбинированным.

Общий тип освещения используется практически во всех помещениях: гостиных, столовых, спальнях, ванных комнатах и т. д. Но здесь возможны варианты:

- чтобы получить хорошо освещенную зону помещения (обычно это главная зона), используются светильники, направляющие основной световой поток вниз;

- добиться мягкого освещения всей комнаты помогут светильники, направляющие световой поток вверх, в потолок. В этом случае световые лучи, отражаясь от поверхности потолка, равномерно рассеиваются и ровно освещают всю комнату.

В светильниках общего назначения возможно применение как одной лампы мощностью в 100-200 Вт (довольно редко), так и нескольких ламп общей мощностью 200-300 Вт (в большинстве случаев). Многоламповые светильники, помимо достаточно яркого освещения, позволяют изменять мощность освещения по своему выбору. Дело в том, что лампы многолампового светильника (обычно их пять) разделены на две группы, каждая из которых выведена на свой выключатель (именно для таких светильников используются двухклавишные выключатели); поэтому они предусматривают три режима мощности светильника: две включенные лампы дают мягкий рассеянный свет; три рабочие лампы обеспечивают спокойное общее освещение; когда же задействованы все пять ламп - освещение становится ярким, праздничным.

Такие помещения, как коридоры, прихожие, ванные и туалетные комнаты, хотя и требуют достаточной освещенности, но благодаря своим небольшим площадям могут получить необходимое освещение и без применения многоламповых светильников (тем более с разделением ламп на две группы). Обычно в помещениях подобного типа устанавливают светильники с одной, но достаточно мощной лампой.

Говоря о мощности ламп, следует учесть, что при одинаковой суммарной мощности светильники с разным числом ламп дают разный световой поток; например, световой поток от трех ламп по 40 Вт будет менее ярким, чем световой поток от двух ламп по 60 Вт; а одна лампа в 120 Вт даст больший световой поток, нежели те же две 60-ваттные лампы. В помещениях и зонах, не требующих постоянного мощного освещения, рациональнее установить светильники с сенсорными выключателями - электронными регуляторами мощности освещения (рис. 57).

Устройство электрического освещения
Рис. 57. Схема светильника с сенсорным регулятором мощности: Н1, Н2 - лампы накаливания; Е - регулятор освещенности; S - сенсорный контакт; F1 - основной предохранитель; F2 - запасной предохранитель.

Включать и выключать такие светильники, а также регулировать мощность светового потока можно простым прикосновением пальцев к сенсорному регулятору.

Режим работы сенсорного регулятора следующий:

- кратковременное касание сенсорного контакта (до 1 секунды) включает либо отключает лампы;

- длительное прикосновение регулирует уровень освещенности от минимума до максимума и наоборот (весь диапазон светильник набирает в течение 5 секунд).

В светильниках с сенсорным регулятором обычно используются две лампы накаливания мощностью по 40 Вт каждая (если иное не оговорено в инструкции к светильнику).

И еще одна тонкость: если при касании сенсорного контакта лампы не включаются или освещенность не регулируется, то следует вынуть вилку шнура светильника из розетки, перевернуть ее на 180°, вновь включить в сеть, после чего еще раз коснуться контакта. Если светильник возобновил свою нормальную работу, значит, неисправность связана с полярностью подающихся на ввод потенциалов. Если светильник после смены полярности штырей вилки не работает, необходимо проверить целостность предохранителей и при необходимости заменить их. Если же и после такой манипуляции светильник не работает, то скорее всего из строя вышел сенсорный регулятор; отремонтировать его в домашних условиях не представляется возможным.

Местное освещение используют в том случае, когда необходимо создать мощный световой поток в ограниченном пространстве; такое освещение требуется довольно часто: на кухне - над рабочим столом; в кабинете - для работы за письменным столом или для чтения; в мастерской - над станком и т. п. Как правило, в этих случаях используют в основном одноламповые светильники, как стационарные (настенные светильники, бра), так и переносные (настольные лампы, торшеры).

Все перечисленные светильники создают достаточный уровень освещения лишь на небольшом участке, поэтому источник светового потока местного освещения должен располагаться на расстоянии от освещаемой зоны не более 90 см. Диапазон мощности ламп, используемых для местного освещения, достаточно широк: от 60 Вт (например, над кухонным рабочим столом) до 100 Вт (например, над столом письменным) и даже до 150 Вт (при работах, требующих особой точности и тщательности, например при сборке мелких механизмов).

Конструкции светильников для местного освещения могут быть самыми разнообразными. Но наиболее удобны из них те, которые позволяют регулировать расстояние от источника света до освещаемого места и направленность световых лучей, но при этом нет необходимости перемещать сам светильник. В качестве примера светильников подобного типа можно рассмотреть настольную лампу с пантографной системой (рис. 58).

Устройство электрического освещения
Рис. 58. Светильник с пантографной системой: а - крепление к горизонтальной поверхности; б - крепление к вертикальной поверхности: 1 - струбцина; 2 - подвижная ножка; 3 - пантографная система; 4 - винтовой зажим; 5 - выключатель; 6 - отражатель; 7 - кронштейн.

Конструкция этого светильника удобна еще и тем, что позволяет закрепить его не только на горизонтальной поверхности, но и на вертикальной. Стойка (ножка) светильника разделена на две части пантографной системой, которая позволяет приближать и удалять отражатель с лампой от освещаемого места. Винтовой зажим делает возможным изменение направления светового потока: его можно направить как на поверхность стола, так и на стену и даже на потолок.

В качестве держателя светильника используется струбцина, имеющая два отверстия: вертикальное и горизонтальное. Если светильник необходимо закрепить на горизонтальной поверхности, то кронштейн ножки вставляют в вертикальное отверстие струбцины; при креплении к вертикальной поверхности - в горизонтальное отверстие. Крепят струбцину с помощью винтового зажима.

Конструкция кронштейна стойки такова, что обеспечивает поворот светильника на 360°.

Комбинированный тип освещения представляет собой смешение общего и местного освещения; именно по такому типу делается освещение большинства помещений в квартирах и домах: имеется общий светильник, который освещает всю комнату, а рабочие места (письменный стол, рабочий стол на кухне, швейная машина и т. п.) дополнительно освещаются местными светильниками.

В помещениях, имеющих повышенную влажность, загрязненных горючей пылью, а также с высокой температурой воздуха - в банях, душах, столярных мастерских, саунах и т. п. - используют герметичные светильники (рис. 59).

Устройство электрического освещения
Рис. 59. Устройство герметичного светильника: 1 - крышка с внутренней резьбой; 2 - отверстие для провода; 3 - резьбовая шайба; 4 - провода; 5 - патрон; 6 - стеклянный плафон с наружной резьбой; 7 - кольцо для навески.

Крышка такого светильника изготавливается, как правило, из жаропрочной пластмассы. С внутренней стороны на крышке укреплен патрон, а герметичность ввода проводов обеспечивается резиновой шайбой. Сверху на крышке предусмотрено кольцо для навешивания светильника. Вторая часть светильника - плафон - выполнен из толстостенного стекла; при необходимости плафон дополнительно армируют металлической сеткой, что защищает его от возможных механических повреждений. Резьбовое соединение верхней и нижней частей светильника препятствует попаданию внутрь влаги и горючей пыли. На рис. 60 представлены разные виды светильников для хозяйственных построек.

Устройство электрического освещения
Рис. 60. Общий вид светильников для хозпостроек: а - светильник типа НСПОЗ-60; б - светильник типа ПСХ-60; в - светильник типа НПП05-100; г - светильник типа РВ041 переносной на напряжении 12, 46 (36) В для освещения рабочей зоны (ремонтное освещение).

Для освещения жилых, подсобных помещений, для наружного освещения используют несколько типов ламп: лампы накаливания, люминесцентные лампы, дуговые ртутные лампы (ДРЛ). Приобретая светильник, обязательно нужно поинтересоваться, какого типа лампы используются в нем, ибо каждому конкретному типу ламп соответствует определенный тип патрона.

Самыми распространенными являются электрические лампы накаливания; этому способствует их низкая стоимость в сочетании с высокой надежностью, а также простота подключения и эксплуатации.

Принцип получения видимого излучения (светового потока) ламп накаливания основан на явлении разогрева вольфрамового проводника до температуры 2200¬2800 °C при прохождении по нему электрического тока. Под действием такой высокой температуры вольфрамовая нить накаляется и начинает ярко светиться.

Лампы накаливания можно классифицировать по нескольким признакам: по диаметру цоколя лампы накаливания общего пользования могут быть 14, 27 и 40 мм; по номинальной мощности - 40, 60, 100 Вт и более; по диапазону напряжения - для использования в сети с напряжением 127 или 220 В; по наполнению стеклянной колбы - вакуумные, газонаполненные (аргон 86 % и азот 14 %), с криптоновым наполнителем (криптон 86 % и азот 14 %); по покрытию стеклянной колбы - прозрачные, матовые, молочного цвета, опаловые. Большинство этих признаков указывается в маркировке ламп. Буквенные символы маркировок расшифровываются так: В - вакуумная, Г - газонаполненная, Б - биспиральная, БК - биспиральная с криптоновым наполнителем, МТ - матированная колба, МЛ - колба молочного цвета, О - опаловая колба. Цифровые символы маркировки указывают мощность лампы (в ваттах) и диапазон напряжения питания лампы (в вольтах).

Несмотря на такое разнообразие марок ламп накаливания, их конструкция одинакова. Каждая из ламп имеет стеклянную колбу; в ней находятся два электрода, заканчивающиеся крючками, на которых укреплена вольфрамовая нить; узкий конец колбы вставлен в цоколь с резьбой, центральная часть которого представляет собой контакт.

В среднем любая лампа накаливания рассчитана на 1000 часов непрерывной работы - это номинальный срок службы.

Принцип действия люминесцентных ламп низкого давления (рис. 61) основан на преобразовании ультрафиолетового излучения тлеющего электрического разряда электродов в газовой среде в излучение видимой части спектра.

Устройство электрического освещения
Рис. 61. Устройство трубчатой люминесцентной лампы низкого давления: 1 - стеклянная трубка; 2 - покрытие люминофора; 3 - биспиральная вольфрамовая нить; 4 - электроды; 5 - стеклянные ножки; 6 - цоколь; 7 - контактные штыри.

В качестве преобразователя выступает люминофор, которым покрыта внутренняя поверхность стеклянной колбы лампы.

Люминесцентные лампы имеют целый ряд неоспоримых достоинств:

- коэффициент полезного действия (КПД) приблизительно в 4 раза больше по сравнению с КПД ламп накаливания;

- люминесцентные лампы относятся к разряду самых экономичных, так как нагревательные спирали задействованы не все время свечения лампы, а включаются только на время ее розжига; затем они отключаются с помощью стартера;

- яркость светового потока у люминесцентных ламп ощутимо превышает яркость светового потока ламп накаливания; кроме того, их видимое излучение имеет улучшенный спектральный состав;

- их номинальный срок службы превышает срок службы ламп накаливания примерно в 12 раз, то есть люминесцентная лампа рассчитана на 12 000 часов непрерывного свечения;

- достаточно широка цветовая гамма выпускаемых люминесцентных ламп, все зависит от состава используемого в них люминофорного покрытия.

Однако используются такие лампы гораздо реже. Ограниченность их применения объясняется тем, что для надежной работы им требуются определенные условия: температура окружающего воздуха должна быть не менее 18 и не более 25 °C, а относительная влажность воздуха - не более 70 %.

Маркировку люминесцентных ламп легко расшифровать, если известны значения буквенных и цифровых символов. Первая буква в их маркировке всегда Л, что значит "люминесцентная". Следующие буквы (до Ц, указывающей на характеристику цветности) дают информацию о спектральном составе и конструктивных особенностях ламп, так как их колбы (стеклянные трубки) могут быть самого разнообразного вида и размера (рис. 62): Б - белая, Д - дневная, ТБ - тепло-белая, ХБ - холодно-белая, Е - естественная, БЕ - белая естественная, Ф - фотосинтетическая, Р - рефлекторная, К кольцевая, А - амальгамная. Цифры указывают номинальную мощность лампы: 6, 9, 11, 15, 18, 20, 30, 36, 40, 58, 65, 80, 125 и 150 Вт.

Устройство электрического освещения
Рис. 62. Виды люминесцентных ламп: а - трубчатые; б - U-образные; в - кольцевые.

Следующий тип ламп, используемых в бытовых условиях, - дуговые ртутные лампы высокого давления - ДРЛ (рис. 63). Действие ДРЛ основано на явлении дугового разряда, который в парах ртути дает мощное ультрафиолетовое излучение. Как и в люминесцентных лампах, люминофорное покрытие преобразует ультрафиолетовое излучение в излучение видимой части спектра.

Устройство электрического освещения
Рис. 63. Устройство дуговых ртутных ламп: 1 - стеклянная колба; 2 - покрытие люминофором; 3 - кварцевая трубка; 4 - основные вольфрамовые электроды; 5 - дополнительные вольфрамовые электроды; 6 - резистор; 7 - цоколь с резьбой; 8 контактная часть цоколя.

Плюсом дуговых ртутных ламп является их экономичность. А вот низкое качество цветопередачи ограничивает область их применения: лампы ДРЛ используют в основном для наружного освещения.

Работают лампы от сети с номинальным напряжением 220 и 380 В, а их мощность может быть 50, 80, 125, 250, 400, 700, 1000, 2000 Вт.

Одной из разновидностей мощных ламп для освещения открытых площадок являются металлогалогенные лампы ДРИ; их конструкция практически не отличается от ртутных ламп высокого давления: та же стеклянная колба, покрытая изнутри люминофором; в ее полости размещаются кварцевая трубка, два основных вольфрамовых электрода, два дополнительных вольфрамовых электрода, резистор; с патроном лампа соединяется посредством цоколя с резьбой, а питание электрическим током осуществляется через центральную - контактную - часть цоколя.

Из маркировки дуговых ламп можно почерпнуть следующие сведения: Д - дуговая, Р - ртутная, И - с излучающими добавками, З - зеркальная. Первое число после буквенного символа - номинальная мощность в ваттах. Выпускаются лампы шести видов: 250, 400, 700, 1000, 2000, 3500 Вт. Срок службы ДРИ колеблется от 600 до 10 000 часов непрерывной работы.

Самые простые в подключении к сети - электрические лампы накаливания (рис. 64): к боковой резьбе патрона для этой лампы подсоединяют нулевой, к ее выключателю - фазный провод электропроводки, а провод, идущий от лампы к выключателю, соединяют с верхним контактом патрона.

Устройство электрического освещения
Рис. 64. Схема включения в электрическую цепь ламп накаливания: а - одинарный однополюсный; б - однополюсный выключатель на две цепи; в - управление лампой с двух мест: EL1, EL2 - лампы накаливания; QS - одинарный однополюсный выключатель; QS1 - сдвоенный однополюсный выключатель; SA1, SA2 - переключатели.

При положении выключателя "включено" цепь замыкается и лампа загорается. Как видно из рис. 64, в, управлять лампой накаливания возможно с двух мест, это удобно при больших размерах помещения, в длинных коридорах, проходных комнатах. Кстати, применение в электропроводке переключателей, управляющих лампами с двух мест, является одним из пунктов программы экономии электроэнергии. Включить в сеть люминесцентную лампу труднее (рис. 65), так как сложнее сам процесс ее работы: напряжение зажигания должно быть достаточно большим, чтобы пробить газовый слой между электродами; но, как только между ними (электродами) возникнет разряд, пусковой накал нужно выключить, поскольку все возрастающая сила тока может их попросту сжечь.

Устройство электрического освещения
Рис. 65. Схема включения в электрическую цепь люминесцентной лампы: EL1 - люминесцентная лампа; KK - стартер; C - конденсатор; LL - дроссель.

Схема включения люминесцентной лампы в электрическую цепь, помимо лампы и выключателя, требует наличия дросселя, конденсатора и стартера. Дроссель, или ПРА (пускорегулирующий аппарат), облегчает зажигание и отвечает за ограничение тока, что способствует устойчивой работе лампы. Конструктивно дроссель представляет собой сердечник из листовой электротехнической стали с обмоткой. Порядок включения дросселя в цепь - последовательно с лампой. Дроссели заводского изготовления имеют маркировку, в которой содержится информация о его назначении, устройстве, исполнении и рабочих параметрах, а также код государственного стандарта. Например, если на корпусе дросселя имеется маркировка 2УБИ-40/220-АВПП-900, то следует читать "двухламповый индукционный стартерный аппарат с предварительным подогревом электродов к лампам мощностью 40 Вт, для подключения к однофазной электрической сети напряжением 220 В, со сдвигом фаз между токами ламп встроенного исполнения, с особо пониженным уровнем шума, номер разработки - 900".

Если мощность ПРА не соответствует мощности самой лампы, она попросту не зажжется.

Дроссель можно заменить лампой накаливания, которая будет выполнять функцию балласта в ограничении тока.

А чтобы люминесцентная лампа в этом случае зажигалась более надежно, на ее поверхности располагают широкую металлическую полосу из фольги и присоединяют к одному из выводов электродов или заземляют (рис. 66).

Устройство электрического освещения
Рис. 66. Схема включения люминесцентной лампы при отсутствии дросселя: EL1 - люминесцентная лампа; KK - стартер; C - конденсатор; EL2 - лампа накаливания.

Можно обойтись и без фольги, если один из монтажных токоведущих проводов проложить вдоль самой лампы и закрепить его на концах стеклянной трубки проволокой.

Стартер играет роль выключателя нитей накаливания после того, как между электродами возникнет разряд. В маркировке стартеров перед буквой С (стартер) указывают мощность лампы, для которой предназначен стартер, а после нее - его номинальное напряжение (127 или 220 В), например: 2 °C-127 - стартер для люминесцентных ламп предельной мощностью 20 Вт включительно, то есть 4, 6, 8, 15, 18 и 20 Вт; 65С-220 - стартер для люминесцентных ламп мощностью 65 Вт. Но если в маркировке указано 8 °C-220, то это означает "стартер для люминесцентных ламп предельной мощностью 80 Вт включительно, за исключением ламп мощностью 65 Вт, то есть 13, 30, 36, 58 и 80 Вт".

В электрическую цепь стартер включают параллельно люминесцентной лампе. Для подсоединения стартер имеет контактные штырьки, которые вставляют в гнезда стартеродержателя, после чего стартер поворачивают по часовой стрелке до упора. Саму лампу соединяют с патроном расположенными на ее торцах штырьками - контактными электродами: штырьки обоих цоколей одновременно вставляют в прорези в верхней части патрона до упора и лампу осторожно поворачивают на 90°. Как уже отмечалось, люминесцентные лампы очень капризны в отношении влажности и температуры воздуха окружающей среды. Так, если относительная влажность достигает 75-80 %, они могут не зажечься; аналогичная неприятность случается и при температурах, выходящих за диапазон 10-35 °C.

Помочь здесь может тонкая токопроводящая полоса (например, из металлической фольги), приклеенная на колбу лампы и заземленная или зануленная, либо покрытие стеклянной колбы слоем гидрофобного прозрачного лака.

Механизм люминесцентной лампы реагирует и на понижение напряжения в сети на 10 %, что также следует учитывать при выборе в качестве осветительного прибора светильника с люминесцентными лампами.

Если цоколь лампы накаливания (неважно, является ли она самостоятельным источником света или используется в качестве балласта при включении лампы люминесцентной) приржавел к патрону и лампу в патроне заклинило, то следует вывернуть нижнюю часть патрона вместе с лампой, отключив, конечно же, предварительно автоматический выключатель или вывернув пробки. Полученное неразъемное соединение патрон - цоколь можно разъединить, разбив колбу и используя пассатижи; но смысла в этом нет, ибо дальнейшая эксплуатация заржавевшего патрона не рекомендуется.

Подобная неприятность может случиться и с люминесцентной лампой, и здесь следует действовать особенно осторожно, не допуская повреждения стеклянной трубки, поскольку в ней находятся пары ртути - опасный и сильнодействующий яд. Вообще, большинство неисправностей люминесцентного светильника нельзя исправить в бытовых условиях и только некоторые из них можно устранить самостоятельно (табл. 7).

Таблица 7. Неисправности люминесцентного светильника; их причины и порядок их устранения

Устройство электрического освещения

В схеме включения в электрическую цепь дуговой ртутной лампы (рис. 67) стартер отсутствует, поскольку не требуется отключения нитей накаливания после возникновения разряда между электродами.

Устройство электрического освещения
Рис. 67. Схема включения в электрическую цепь ламп ДРЛ: FU - предохранитель; C - конденсатор; EL - лампа ДРЛ; LL - дроссель.

Однако конденсатор и дроссель необходимы: конденсатор включают параллельно с лампой, дроссель - последовательно.

А теперь несколько полезных советов по поводу установки, эксплуатации и ремонта осветительных приборов и источников светового излучения (ламп). Первый совет стал уже традиционным: прежде чем устанавливать светильник, монтировать его в электрическую сеть, осматривать на предмет выявления неисправностей и ремонтировать, необходимо вывернуть предохранители (пробки) на распределительном щитке или счетчике или отключить автоматические выключатели. Производить все вышеперечисленные работы предпочтительно в светлое время суток, пользуясь естественным освещением. Если же помещение, в котором предстоит работать, не имеет естественного освещения или необходимо сделать срочный ремонт, то можно воспользоваться автономными источниками освещения: электрическими фонарями на батареях, осветительными лампами, работающими от автомобильного аккумулятора и т. п.

Прежде чем подключить к электроцепи осветительный прибор, нужно выяснить, в каком состоянии проводка в месте подключения, а также есть ли крюк для люстры. Одним из недостатков практически всех светильников с лампами накаливания является слишком близкое расположение клемм для подключения разнополюсных проводов, поэтому следует внимательно следить за тем, чтобы провода, подходящие к клеммам люстры, были надежно изолированы друг от друга.

У подавляющего большинства потолочных светильников (люстр) на стержне имеются декоративные колпачки, которые закрывают провода, подвесной крюк и клеммник (некоторые из колпачков снабжены винтами для фиксации в верхнем положении). Длина подвесного крюка должна быть несколько меньше, чем длина декоративного колпачка, чтобы последний полностью закрывал клеммник и провода. Крюки выпускаются нескольких видов - для каждого типа перекрытия (монолитная конструкция, многопустотные плиты и т. д.). Желательно, чтобы концы крюка имели изоляционные колпачки; если они отсутствуют, то концы следует изолировать специально для этого предназначенной лентой.

При замене неисправных ламп в светильнике необходимо проследить, чтобы тип и мощность новых ламп соответствовали параметрам электропроводки и осветительного прибора, например: если установить в светильник лампу накаливания большей мощности, чем та, на которую он рассчитан, то это непременно вызовет перегрев контактного соединения патрон - цоколь, что может стать причиной новой неисправности, не исключено даже возгорание.

Автор: Коршевр Н.Г.

Смотрите другие статьи раздела Освещение.

Читайте и пишите полезные комментарии к этой статье.

<< Назад

Последние новости науки и техники, новинки электроники:

Власть является ключевым фактором счастья в отношениях 11.03.2026

Исследования семейных и романтических отношений показывают, что длительное счастье пары зависит не только от привычных факторов, таких как доверие, уважение и преданность, но и от более тонких психологических аспектов. Современные ученые ищут закономерности, которые отличают действительно счастливые пары от остальных, чтобы понять, какие механизмы поддерживают гармонию в отношениях. Группа исследователей из Университета Мартина Лютера в Галле-Виттенберге и Бамбергского университета провела опрос среди 181 пары, которые состояли в совместных отношениях более восьми лет и прожили вместе хотя бы месяц. Участники заполняли анкету, описывая различные аспекты своих отношений, включая распределение обязанностей, эмоциональную поддержку и степень вовлеченности в совместные решения. Анализ данных показал интересный паттерн: пары, где оба партнера ощущали высокий уровень личной власти, оказывались наиболее счастливыми и удовлетворенными. В данном контексте под властью понимается способност ...>>

Защищенная колонка-повербанк Anker Soundcore Boom Go 3i 11.03.2026

Компания Anker представила новую модель линейки Soundcore - колонку Soundcore Boom Go 3i, ориентированную на активное использование на улице. Новинка отличается высокой степенью защиты: корпус соответствует стандарту IP68, что обеспечивает водо- и пыленепроницаемость, а ударопрочный дизайн выдерживает падение с высоты до одного метра. За качество звука отвечает 15-ваттный драйвер, обеспечивающий пик громкости до 92 дБ, а технология BassUp 2.0 усиливает низкие частоты, делая звучание более насыщенным. Колонка обладает автономностью до 24 часов, а LED-индикатор позволяет контролировать уровень заряда батареи. Кроме того, Soundcore Boom Go 3i может выполнять функцию павербанка: согласно внутренним тестам, устройство способно зарядить iPhone 17 с нуля до 40% за один час, что делает его полезным аксессуаром в походах и поездках. Среди функциональных особенностей модели стоит выделить технологию Auracast, которая улучшает подключение и позволяет создавать стереопару из двух колонок ...>>

Раннее воздержание от алкоголя перестраивает мозг и иммунитет 10.03.2026

Алкогольная зависимость - хроническое расстройство с компульсивным употреблением спиртного, которое влияет не только на поведение, но и на функционирование мозга и иммунной системы. Недавние исследования показали, что даже на ранних этапах воздержания организм начинает перестраиваться, открывая новые возможности для терапии зависимости. Ученые сосредоточились на пациентах, находящихся в первые недели абстиненции, и зафиксировали значительные изменения в мозговой активности. С помощью функциональной магнитно-резонансной томографии они выявили перестройку сетей нейронных связей, отвечающих за контроль импульсов и принятие решений. Эти изменения могут быть ключевыми для восстановления самоконтроля и снижения риска рецидива. Одновременно с нейронной перестройкой исследователи наблюдали колебания иммунной системы. В крови повышался уровень цитокинов - сигнальных белков, регулирующих воспалительные процессы. Эти данные свидетельствуют о существовании нейроиммунного взаимодействия, при ...>>

Случайная новость из Архива

Пленка впитывает пот и заряжает гаджет 04.01.2021

Команда исследователей из Национального университета Сингапура (NUS) создала новую пленку, которая очень эффективно впитывает пот с нашей кожи, чтобы нам было прохладно и комфортно во время физической нагрузки. Влагу, полученную из человеческого пота, можно использовать для зарядки носимых электронных устройств: часов, фитнес-браслетов и других гаджетов.

Потоотделение - естественный процесс терморегуляции нашего тела. Пот в основном состоит из воды. Когда вода испаряется с поверхности кожи, она снижает температуру кожи. Новая влагопоглощающая пленка помогает сделать этот процесс быстрее. И получить с его помощью энергию для электронных устройств.

Основными компонентами пленки являются два гигроскопичных химиката - хлорид кобальта и этаноламин. Помимо того, что эта пленка очень хорошо впитывает влагу, она может быстро выделять воду при воздействии солнечного света. Она меняет цвет после поглощения влаги с синего на фиолетовый и - далее - на розовый. Эта функция может использоваться как индикатор степени поглощения влаги.

Обычные гигроскопичные материалы, такие как цеолиты и силикагели, имеют низкое водопоглощение и объемные твердые структуры, что делает их непригодными для поглощения влаги от испарения пота. Для сравнения: новая влагопоглощающая пленка, разработанная исследователями NUS, впитывает в 15 раз больше влаги и делает это в шесть раз быстрее, чем обычные материалы.

Чтобы в полной мере использовать поглощенный пот, команда NUS также разработала носимое устройство для сбора энергии, состоящее из восьми электрохимических ячеек (ЭК), использующих новую пленку в качестве электролита. Каждая ячейка может генерировать около 0,57 вольт электричества при поглощении влаги. Общая энергия, собираемая устройством, достаточна для питания светодиода.

Команда NUS упаковала пленку в гибкие воздухопроницаемые и водонепроницаемые мембраны из политетрафторэтилена (ПТФЭ), которые широко используются в одежде. Тестирование показало, что пленку можно вшивать в подкладки для подмышек и в стельки для обуви, чтобы устранить неприятный запах пота. Ученые уже создали прототип такой стельки (на фото). Кроме того, инновационную пленку можно перевоспроизводить и использовать повторно более 100 раз.

Другие интересные новости:

▪ Silicon Power выпускает карточки microSDHC 32 ГБ Class 6

▪ Электронная записная книжка Sharp WG-PN1

▪ Сигарета со встроенным огнетушителем

▪ Волнистые транзисторы

▪ Пропускнаая способность Wi-Fi повышена в 8 раз

Лента новостей науки и техники, новинок электроники

 

Интересные материалы Бесплатной технической библиотеки:

▪ раздел сайта Любителям путешествовать - советы туристу. Подборка статей

▪ статья Скалозуб. Крылатое выражение

▪ статья Какие овощи имеют соцветия в виде фракталов? Подробный ответ

▪ статья Вредные условия труда. Справочник

▪ статья О питании электроламп через диод. Энциклопедия радиоэлектроники и электротехники

▪ статья Необычное зажигание свечи. Секрет фокуса

Оставьте свой комментарий к этой статье:

Имя:


E-mail (не обязательно):


Комментарий:




Комментарии к статье:

Антон
Вот только не сказано о ремонте светильников с лампами ДРЛ...

Сергей
Что-то новое в расключке выключателя. Рис.52. Это кто же тебя учил фазу напрямую сажать в цепь, а нулевой через выключатель?


Главная страница | Библиотека | Статьи | Карта сайта | Отзывы о сайте

www.diagram.com.ua

www.diagram.com.ua
2000-2026