Menu Home

Бесплатная техническая библиотека для любителей и профессионалов Бесплатная техническая библиотека


ЭНЦИКЛОПЕДИЯ РАДИОЭЛЕКТРОНИКИ И ЭЛЕКТРОТЕХНИКИ
Бесплатная библиотека / Электрику

Выбор электропроводок, способов прокладки проводов и кабелей. Электродетали. Энциклопедия радиоэлектроники и электротехники

Бесплатная техническая библиотека

Энциклопедия радиоэлектроники и электротехники / Электромонтажные работы

Комментарии к статье Комментарии к статье

Провода, кабели и шнуры - главный элемент любой электропроводки, к которому полагаются всевозможные дополнения: различные электродетали или электроустановочные устройства. К ним относятся выключатели и переключатели, электрические соединители (розетки и вилки) и зажимы, патроны для ламп и стартеров, различного типа предохранители.

По способу монтажа выключатели классифицируют на выключатели для открытой и скрытой установки. Кроме того, существует деление выключателей на одноклавишные, сдвоенные и строенные (рис. 7).

Выбор электропроводок, способов прокладки проводов и кабелей. Электродетали
Рис. 7. Типы выключателей: а - одноклавишный; б - сдвоенный; в - строенный; г - для открытой установки: 1 - корпус выключателя; 2 - подрозетник; 3 - шурупы; д для скрытой установки: 1 - стальная или пластмассовая коробка; 2 - корпус выключателя; 3 - распорные лапки; 4 - винт.

Выключатели для открытой установки монтируют, как правило, при прокладке открытой электропроводки; их крепят к деревянным розеткам толщиной около 10 мм с помощью шурупов. Для монтажа выключателей для скрытой установки дополнительной деталью является стальная или пластмассовая коробка: сначала в стену вмуровывают коробку, к которой распорными лапками и винтами крепят сам выключатель.

Одноклавишные выключатели предназначены для замыкания одной цепи (например, для включения/выключения одного светильника).

Спаренные чаще всего используют для пятирожковых светильников, когда одна клавиша включает две лампочки, другая - три, а обе - все пять (рис. 8).

Выбор электропроводок, способов прокладки проводов и кабелей. Электродетали
Рис. 8. Схема включения ламп пятирожкового светильника.

Удобны спаренные выключатели и для раздельных санузлов, а также в том случае, если в помещении кухни или того же санузла имеются два потребителя электрического тока: осветительный прибор (потолочный светильник) и система вытяжной вентиляции, установленная в форточке или вентиляционном окне. Назначение строенных выключателей - замыкать и размыкать три электрические цепи (они очень удобны в малогабаритных квартирах при освещении кухни, ванной и туалетной комнат).

По признаку конструктивных особенностей механизма выключатели могут быть клавишными, перекидными, поворотными, кнопочными и шнуровыми. В настоящее время для бытовых нужд выпускают выключатели в основном клавишного типа, но не исключено наличие в квартире кнопочных или поворотных выключателей. В переносных осветительных приборах (например, торшерах) зачастую используются шнуровые выключатели.

Но даже выключатели одного типа могут существенно различаться по своим кинематическим схемам (рис. 9).

Выбор электропроводок, способов прокладки проводов и кабелей. Электродетали
Рис. 9. Конструкция механизмов выключателей: а - качающийся механизм выключателя с пружиной сжатия: 1 - клавиша; 2 - пружина; 3 - шарик; 4 - коромысло; б - качающийся механизм выключателя с пружиной растяжения: 1 - контактная пластина; 2 - рамка; 3 - скоба; 4 - пружина; 5 - основание.

Выбор электропроводок, способов прокладки проводов и кабелей. Электродетали

Схемы действия представленных выключателей достаточно просты. В качающемся механизме с пружиной сжатия (рис. 9, а) при нажатии на клавишу (1) шарик (3), сжимая пружину (2), проходит через ось качания коромысла (4), и под действием пружины скользит по плечу коромысла, перекидывая его в противоположное положение, тем самым разрывая или соединяя цепь. В качающемся механизме с пружиной растяжения (рис. 9, б) рамка (2), которая

закреплена на клавише выключателя и прижата к основанию (5) пружиной (4), может качаться вокруг оси и вступать в контакт с пластиной (1) или размыкать этот контакт. Пружина посредством скобы (3) при переходе рамки через вертикальную плоскость перекидывает рамку на положение "включено" или обратно в зависимости от нажима на верхнюю или нижнюю часть клавиши.

Выключатели такой конструкции помещены в плоский корпус с одной, двумя или тремя крупными клавишами в одном блоке. Их возможно применять как для скрытой, так и для открытой проводки. Их контакт изготовлен из металлокерамики с добавлением серебра, что обеспечивает надежную работу выключателя. Номинальный ток - до 4 А.

Кулачковый выключатель с плоской пружиной (рис. 9, в) устроен очень просто. Так же как и тумблерный выключатель (рис. 10), он часто применяется в бытовых приборах.

Выбор электропроводок, способов прокладки проводов и кабелей. Электродетали
Рис. 10. Механизм выключателей (переключателей): а - кулачкового типа; б - тумблерного типа.

Наибольший номинальный ток обычных бытовых выключателей - 6 А; если же контакты выключателя выполнены из металлокерамики, то 10 А. Причиной наиболее вероятных неприятностей, которые могут встречаться в выключателях, является вольтова дуга, возникающая в момент разрыва контактов или вибрации контактной пластины после удара контакта о контакт. Это приводит к расклепыванию контактов, истиранию и оплавлению деталей выключателя. При выборе нового выключателя целесообразнее предпочесть конструкцию, которая обеспечивает быстрое разведение контактов на расстояние, не поддерживающее горения вольтовой дуги, поскольку при медленном разведении контактов вольтова дуга держится значительное время и вызывает наибольший износ выключателя. Иногда бытовой прибор, например настольная лампа, начинает мигать, а выключатель издает характерный треск, который легко услышать. Это явное свидетельство неисправности выключателя, который необходимо срочно отремонтировать или поменять. Треск происходит от постоянного искрения между контактами из-за ненадежного их прилегания друг к другу во включенном состоянии. Такая неисправность может возникнуть из-за недостаточного усилия перекидной пружины, окисления или загрязнения контактов.

Надо отметить, что кулачковые механизмы в выключателях чаще подвержены такой неприятности, поскольку не обеспечивают быстрого разрыва цепи, а также стабильного и достаточного усилия для контакта. Лучше заранее поменять такие выключатели на клавишные с качающимся механизмом с пружиной растяжения, не дожидаясь, когда они выйдут из строя.

Большинство электроприборов подключается к сети с помощью штепсельных соединений: розетки и вилки. Одна из частей таких соединений, а именно штепсельная розетка является составной частью электропроводки. Конструкции розеток не столь разнообразны, как конструкции выключателей, и все же различают розетки: для открытой и скрытой установки; двух- и трехконтактные; для подключения вилок с круглыми и плоскими контактами; для подключения одной и двух вилок (рис. 11).

Выбор электропроводок, способов прокладки проводов и кабелей. Электродетали
Рис. 11. Разновидности штепсельных соединений: а - розетка для открытой установки; б - розетка для скрытой установки; в - трехконтактная розетка; г - штепсельное соединение с плоскими контактами; д - розетка для подключения двух вилок; е - конструкция механизма розетки с прижимной пружиной.

Розетки для открытой и скрытой установки прикрепляют к стенам аналогично выключателям этих же типов. Наиболее надежны из них розетки с прижимной пружиной (рис. 12).

Выбор электропроводок, способов прокладки проводов и кабелей. Электродетали
Рис. 12. Конструкция розетки с прижимной пружиной: а - основание унифицированной розетки; б - контактный узел с прижимной пружиной.

Для повышения безопасности (особенно если розетки расположены достаточно низко от пола, а в доме есть маленькие дети) розетки снабжают поворотной шайбой или перемещающейся заслонкой; эти устройства надежно закрывают отверстия гнезд на то время, когда розетка не задействована.

Номинальный ток для розеток в сети напряжением 220 В равен 10 А; для сети же с напряжением 380 В - 25 А.

Ранним утром, поздним вечером или ночью, то есть в темное время суток, найти выключатель или розетку бывает трудно. Для удобства потребителей многие производители электродеталей выпускают розетки и выключатели с вмонтированной в их корпус неоновой лампочкой. Но если в квартире (доме) установлены обычные электроустановочные детали, то несложно оснастить их неоновой лампочкой самостоятельно. Все, что понадобится для этого, - это подпаять к выводам лампочки отрезки изолированного провода и последовательно с гасящим сопротивлением (1-5 МОм) подсоединить их к выводам выключателя или розетки (рис. 13).

Выбор электропроводок, способов прокладки проводов и кабелей. Электродетали
Рис. 13. Схема включения неоновой лампочки в цепь выключателя или розетки.

Когда электроприбор (светильник или другой приемник тока) задействован, то цепь, в которую входит неоновая лампочка, разомкнута и лампочка не горит; но стоит выключить светильник или удалить из розетки вилку, цепь замыкается и лампочка начинает светиться.

Чтобы светящуюся лампочку было видно, необходимо в непросвечивающей крышке корпуса выключателя просверлить отверстие диаметром 5-6 мм и вклеить в него кусочек оргстекла с полукруглой головкой, к оргстеклу изнутри корпуса выключателя прижать баллончик неоновой лампочки.

Если корпус выполнен из прозрачного материала, достаточно расположить лампочку под крышкой или в любом другом месте внутри корпуса выключателя. Чтобы свести к минимуму число изгибания провода при установке розеток и выключателей скрытой проводки, их выполняют таким образом, чтобы их конструкция позволяла подключать к ним провода уже после закрепления выключателя или розетки в гнезде на стеновой панели.

Если проводка открытая, выключатели и розетки следует устанавливать на деревянных подрозетниках, к которым они крепятся двумя шурупами. На обоях около выключателя постоянно появляются пятна от рук. Этого легко избежать, если между крышкой выключателя и обоями проложить тонкую (1-1,5 мм) пластинку из оргстекла с отверстием под механизм выключателя. Размер пластинки приблизительно 130 х 180 мм.

Следующим элементом электропроводки является патрон, который необходим для подключения к сети осветительных ламп. Поскольку существует два типа осветительных ламп - лампы накаливания и люминесцентные, существует и два типа патронов для них.

Для ламп накаливания используют резьбовые патроны, которые различают по размерам: лампы мощностью до 60 Вт можно подключить к патрону Е14 (малый цоколь) и Е27 (средний цоколь); лампы мощностью до 200 Вт - к патрону Е27; лампы мощностью от 300 до 1500 Вт - к патрону Е40 (большой цоколь). Если на цоколе лампы написано: 14 мм, то для нее надо использовать только патрон типа Е14, если - 27 мм, то подойдет патрон типа Е27.

Конструктивное решение патронов не одинаково: различают подвесные патроны с ниппелем, с ушком для подвешивания, настенный патрон с наклонным фланцем и др. Схема монтажа патрона в электропроводке показана на рис. 14.

Выбор электропроводок, способов прокладки проводов и кабелей. Электродетали
Рис. 14. Резьбовой патрон: 1 - нулевой провод; 2 - фазный провод.

Для каждой из этих серий ламп определена температура, которая считается повышенной: для Е14 это более 110 °C, для Е27 - более 140 °C. Корпуса патронов для работы в таких условиях изготавливаются из керамики или жаростойкой пластмассы. Такие режимы работы возникают при применении ламп с верхними значениями мощности внутри небольших закрытых плафонов.

Каким бы ни был корпус резьбового патрона - фарфоровым или пластмассовым, но контакты и контактные зажимы монтируются только на фарфоровых вкладышах. Это обусловлено тем, что во время свечения лампочки соединение патрон - лампа может нагреваться до очень высоких температур (до 200 °C).

Для люминесцентных ламп патроны могут быть стоечными, круглыми или накидными. Изготавливают их, как правило, из пластмассы, поскольку свечение люминесцентной лампы не приводит к значительному повышению температуры соединений. Единственная, пожалуй, причина повреждения патронов - плохой контакт зажимов провода или плохой контакт лампы с контактным лепестком, поврежденным искрой, часто возникающей в контактном соединении. Патроны разбирают прямо на месте, перед тем как их снять. Нужно отсоединить провода, ослабить стопорный винт внутри корпуса (в резьбе донышка) или отвернуть контргайку с резьбовой трубки. После этого можно снять патрон с трубки светильника.

В местах ответвлений и разветвлений электропроводки устанавливаются разветвительные (рис. 15), а в местах соединения проводов на отдельных участках скрытой проводки соединительные коробки. Коробки могут быть металлическими или пластмассовыми. Отличие разветвительных и соединительных коробок заключается в разном количестве отверстий на боковых стенках: у разветвительных коробок три- четыре отверстия, у соединительных - два (в принципе, в качестве соединительных коробок допустима установка разветвительных). В комплекты коробок обязательно входит крышка.

Выбор электропроводок, способов прокладки проводов и кабелей. Электродетали
Рис. 15. Разветвительная коробка.

Предохранители - обязательная деталь любой электропроводки. Они представляют собой устройства защиты электрической цепи. Есть два основных типа предохранителей - автоматические и с плавкими вставками (рис. 16).

Выбор электропроводок, способов прокладки проводов и кабелей. Электродетали
Рис. 16. Типы предохранителей: а - предохранитель с плавкой вставкой; б - автоматический предохранитель.

В последнее время широкое распространение получили именно автоматические выключатели, они гораздо проще в эксплуатации: при срабатывании защитного устройства достаточно нажать кнопку на головке выключателя (разумеется, предварительно отключив все электроприборы либо те из них, которые явились причиной, приведшей к срабатыванию автоматического выключателя), и электропроводка вновь вернется в рабочее состояние.

Предохранители с плавкими вставками - вчерашний день электротехники; однако если дом старой постройки, то в нем счетчики электроэнергии наверняка оснащены именно предохранителями с плавкими вставками. Состоят они из фарфоровой пробки, внутри которой находится проволочка, рассчитанная на ток 6 или 10 А; если ток в цепи достигает предельного значения, проволочка плавится и цепь обесточивается. Неудобство таких предохранителей в том, что они по сути являются одноразовыми, так как после срабатывания предохранитель подлежит замене. Более совершенными являются предохранители с плавкими вставками. Они представляют собой пустотелый керамический корпус с резьбой на цоколе, в отверстие которого помещается сменная трубчатая вставка с впаянной тонкой, легко перегорающей проволочкой; при срабатывании такого предохранителя подлежит замене лишь эта вставка, а не весь предохранитель.

Следует запомнить, что категорически запрещается производить ремонт вышедших из строя плавких предохранителей. Если они перегорают, ни в коем случае нельзя наматывать проволоку на пробку, так как через нее может пройти сильный ток, что может послужить причиной пожара. Кстати, как утверждает статистика, треть пожаров в России происходит именно из-за применения в предохранителях таких жучков. Необходимо всегда иметь запасные пробки на 6 или 10 А. Самостоятельно ремонтировать и регулировать устройства защиты всех типов запрещается. Они опломбированы на заводе. При сгорании плавкой вставки ее можно заменить только на вставку заводского производства.

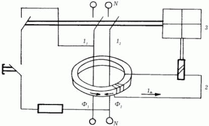
Помимо предохранителей, электропроводку можно дополнительно оснастить устройством защитного отключения (УЗО). Структура и принцип действия УЗО просты (рис. 17).

Выбор электропроводок, способов прокладки проводов и кабелей. Электродетали
Рис. 17. Структура устройства защитного отключения: 1 - дифференциальный трансформатор тока; 2 - пороговый элемент; 3 - исполнительный механизм.

В устройстве последовательно соединены дифференциальный трансформатор тока, пороговый элемент на чувствительном магнитоэлектрическом реле и исполнительный механизм - сильноточная контактная группа на пружинном проводе. При нормальной работе электропроводки и электроприборов, подключенных к сети, рабочий ток, протекая в прямом и обратном проводниках первичной обмотки дифференциального трансформатора, наводит в его магнитопроводе противоположно направленные, но равные по величине магнитные потоки (Ф1 и Ф2), которые компенсируют друг друга; поэтому во вторичной обмотке трансформатора ток равен 0 и пороговый элемент не срабатывает.

В случае короткого замыкания (или утечки тока в землю, или при прикосновении человека к оголенному проводу и другим токоведущим деталям проводки или приборов) баланс магнитных потоков нарушается, во вторичной обмотке трансформатора появляется ток и магнитоэлектрическое реле порогового элемента мгновенно реагирует воздействием на исполнительный механизм, который, действуя по принципу расцепителя, обесточивает защищаемую цепь. Может показаться, что УЗО фактически дублирует предохранители с плавкими вставками или автоматические выключатели, ведь они выполняют ту же функцию защиты электропроводки при коротком замыкании или перегрузке сети. Но это не совсем так: преимуществом УЗО перед обычными предохранителями является то, что оно, помимо защиты электропроводки от возможного возгорания и выхода из строя электроприборов, защищает и человека, сводя риск его поражения электрическим током к минимуму.

Если принято решение включить в цепь электропроводки своего жилища устройство защитного отключения, то следует помнить, что различают два типа таких устройств: электронные - зависимые от напряжения питания и электромеханические - не зависимые от напряжения питания.

Недостатком электронных УЗО является то, что их работоспособность зависит от наличия тока в цепи. Но, к сожалению, очень часто в электрических сетях происходит обрыв нулевого провода, цепь обрывается, но напряжение в сети сохраняется; человек, предполагая обесточку электропроводки, прикасается к токоведущим деталям, что приводит к поражению током. Электромеханические УЗО лишены этого недостатка и действуют независимо от наличия или колебания напряжения в сети. Поэтому электронные УЗО целесообразно использовать только как дополнительную подстраховку других защитных устройств на наиболее опасных участках электропроводки, например в особо влажных помещениях. Остается только добавить, что монтаж и ремонт УЗО можно доверять только квалифицированным специалистам, имеющим лицензию на выполнение электромонтажных работ, - они помогут с выбором устройства. Чтобы не было сомнений относительно качества устройства, ориентироваться нужно на следующие сведения:

- среди отечественных УЗО, отвечающих требованиям Госстандарта и Главгосэнергонадзора и хорошо зарекомендовавших себя на практике, можно выделить два устройства - АСТРО*УЗО производства ОАО "Технопарк- Центр" (электромеханическое) и УЗО-2000 производства ОАО НИИ "Проектэлектромонтаж" (электронное);

- среди импортных УЗО хорошо зарекомендовали себя на российском рынке NFI 5 SZ 3227 (от концерна "Siemens"); DX/D40 (от французской фирмы "Legrand"); F 360, F 370, DS 640/DS 650 (от фирмы ABB).

Последним (в списке, но не по значению) элементом электропроводки является счетчик электрической энергии: однофазный - для учета электроэнергии на бытовые нужды и трехфазный, если, например, домашняя мастерская оборудована станками с электродвигателями.

Автор: Коршевр Н.Г.

Смотрите другие статьи раздела Электромонтажные работы.

Читайте и пишите полезные комментарии к этой статье.

<< Назад

Последние новости науки и техники, новинки электроники:

Власть является ключевым фактором счастья в отношениях 11.03.2026

Исследования семейных и романтических отношений показывают, что длительное счастье пары зависит не только от привычных факторов, таких как доверие, уважение и преданность, но и от более тонких психологических аспектов. Современные ученые ищут закономерности, которые отличают действительно счастливые пары от остальных, чтобы понять, какие механизмы поддерживают гармонию в отношениях. Группа исследователей из Университета Мартина Лютера в Галле-Виттенберге и Бамбергского университета провела опрос среди 181 пары, которые состояли в совместных отношениях более восьми лет и прожили вместе хотя бы месяц. Участники заполняли анкету, описывая различные аспекты своих отношений, включая распределение обязанностей, эмоциональную поддержку и степень вовлеченности в совместные решения. Анализ данных показал интересный паттерн: пары, где оба партнера ощущали высокий уровень личной власти, оказывались наиболее счастливыми и удовлетворенными. В данном контексте под властью понимается способност ...>>

Защищенная колонка-повербанк Anker Soundcore Boom Go 3i 11.03.2026

Компания Anker представила новую модель линейки Soundcore - колонку Soundcore Boom Go 3i, ориентированную на активное использование на улице. Новинка отличается высокой степенью защиты: корпус соответствует стандарту IP68, что обеспечивает водо- и пыленепроницаемость, а ударопрочный дизайн выдерживает падение с высоты до одного метра. За качество звука отвечает 15-ваттный драйвер, обеспечивающий пик громкости до 92 дБ, а технология BassUp 2.0 усиливает низкие частоты, делая звучание более насыщенным. Колонка обладает автономностью до 24 часов, а LED-индикатор позволяет контролировать уровень заряда батареи. Кроме того, Soundcore Boom Go 3i может выполнять функцию павербанка: согласно внутренним тестам, устройство способно зарядить iPhone 17 с нуля до 40% за один час, что делает его полезным аксессуаром в походах и поездках. Среди функциональных особенностей модели стоит выделить технологию Auracast, которая улучшает подключение и позволяет создавать стереопару из двух колонок ...>>

Раннее воздержание от алкоголя перестраивает мозг и иммунитет 10.03.2026

Алкогольная зависимость - хроническое расстройство с компульсивным употреблением спиртного, которое влияет не только на поведение, но и на функционирование мозга и иммунной системы. Недавние исследования показали, что даже на ранних этапах воздержания организм начинает перестраиваться, открывая новые возможности для терапии зависимости. Ученые сосредоточились на пациентах, находящихся в первые недели абстиненции, и зафиксировали значительные изменения в мозговой активности. С помощью функциональной магнитно-резонансной томографии они выявили перестройку сетей нейронных связей, отвечающих за контроль импульсов и принятие решений. Эти изменения могут быть ключевыми для восстановления самоконтроля и снижения риска рецидива. Одновременно с нейронной перестройкой исследователи наблюдали колебания иммунной системы. В крови повышался уровень цитокинов - сигнальных белков, регулирующих воспалительные процессы. Эти данные свидетельствуют о существовании нейроиммунного взаимодействия, при ...>>

Случайная новость из Архива

Орбитальный запуск космической ракеты Spectrum с территории Европы 28.03.2025

Европа готовится к историческому событию - первому орбитальному запуску ракеты с территории континента. Немецкая компания Isar Aerospace намерена вывести на орбиту свою ракету Spectrum с норвежского космодрома Andoya Spaceport, который начал работу в 2023 году. Изначально старт был запланирован на 24 марта, но неблагоприятные погодные условия вынудили организаторов перенести запуск.

Первая миссия Spectrum носит исключительно испытательный характер и не предусматривает коммерческой полезной нагрузки. Основная цель - сбор технических данных, которые помогут в последующих запусках. Разработчики осознают сложность задачи, так как лишь немногим ракетам в мире удавалось достичь орбиты при первом запуске.

Ракета Spectrum представляет собой носитель среднего класса высотой 28 метров. По своим характеристикам она занимает промежуточное положение между легкой Electron от Rocket Lab и более мощной Falcon 9 компании SpaceX. Спектр возможностей ракеты позволяет доставлять до 1000 кг груза на низкую околоземную орбиту. Проектирование и производство велись исключительно специалистами Isar Aerospace на протяжении семи лет.

Конструкция ракеты включает две ступени. Первая оснащена девятью жидкостными двигателями, работающими на кислороде и пропане. Верхняя ступень оборудована двигателем Aquila, способным многократно включаться для точного вывода полезной нагрузки на заданную орбиту.

Несмотря на то, что первый запуск еще не состоялся, компания Isar Aerospace уже заключила контракт с Норвежским космическим агентством. Согласно соглашению, к 2028 году ракеты Spectrum выведут на орбиту спутники программы Arctic Ocean Surveillance, предназначенные для мониторинга Арктического региона.

Предстоящий запуск имеет большое значение не только для самой компании, но и для всей европейской космической отрасли. Успешное выполнение миссии подтвердит статус Andoya Spaceport как первого континентального космодрома Европы, а также откроет новые перспективы для развития коммерческих космических запусков в регионе.

Другие интересные новости:

▪ Физкультурная компьютерная игра EA SPORTS Active 2.0

▪ Нетбук Samsung N310

▪ Сердцу вредит низкая гравитация в космосе

▪ Сердце для биороботов

▪ Основная причина лишнего веса

Лента новостей науки и техники, новинок электроники

 

Интересные материалы Бесплатной технической библиотеки:

▪ раздел сайта Цветомузыкальные установки. Подборка статей

▪ статья Вредные привычки и их социальные последствия. Основы безопасной жизнедеятельности

▪ статья Что такое гены? Подробный ответ

▪ статья Счетчики и делители частоты. Радио - начинающим

▪ статья Часы Always with you. Энциклопедия радиоэлектроники и электротехники

▪ статья Электричество отталкивает. Физический эксперимент

Оставьте свой комментарий к этой статье:

Имя:


E-mail (не обязательно):


Комментарий:





Главная страница | Библиотека | Статьи | Карта сайта | Отзывы о сайте

www.diagram.com.ua

www.diagram.com.ua
2000-2026