Menu Home

Бесплатная техническая библиотека для любителей и профессионалов Бесплатная техническая библиотека


Электронный пароль. Энциклопедия радиоэлектроники и электротехники

Бесплатная техническая библиотека

Энциклопедия радиоэлектроники и электротехники / Цифровая техника

Комментарии к статье Комментарии к статье

В этой части статьи ее автор рассказывает о принципе работы и конструкции ИК приемника, составляющего вместе с брелоком-генератором систему автоматического опознания "своего".

Схема устройства, принимающего кодированный сигнал инфракрасного излучателя, показана на рис. 1. Микросхема DA1, представляющая собой фотоусилитель, преобразует импульсы тока в фотодиоде BL1, возбуждаемые ИК вспышками брелока-излучателя, в импульсы напряжения, пригодные для прямого их введения в цифровой анализатор. На рис. 2,а изображен график импульсной последовательности на выходе фотоусилителя, соответствующий коду 111011100111001,который мы здесь и ниже будем рассматривать в качестве примера.

Электронный пароль
(нажмите для увеличения)

В приемнике два формирователя. Один из них, выполненный на элементах DD1.1 и DD3.1, расширяет каждый из входных импульсов (напомним, длительность импульсов ИК передатчика - около 10 мкс) до tф1=RЗС5=0,6...0,8 мс (рис. 2,6). А второй, собранный на элементах DD1.2 и DD3.3, формирует импульс длительностью tф2=R4С6=30...50 мс (рис. 2,г). По 1 фронту этого импульса на выходе элемента DD3.5 формируется короткий импульс (tr=R5C7=10 мкс), устанавливающий сдвигающий регистр DD4DD5 и счетчик DD6 в нулевое состояние (рис. 2,д). Элементы DD1.3, DD1.4, резистор R7 и кварцевый резонатор ZQ1 образуют задающий генератор, работающий на частоте 32 768 Гц (на такой же частоте, напомним, работает и задающий генератор ИК излучателя).

Электронный пароль
Рис.2

В сдвигающем регистре принятый сигнал (или помеха) фиксируется следующим образом. По фронту импульса первой же ИК вспышки микросхемы DD4-DD6 устанавливаются в нулевое состояние (на их выходах возникают нули) и счетчик DD6 начинает счет импульсов с частотой 32 768 Гц. Примерно через 0,5 мс (tзн/2) ноль на выходе 24 (выв. 5) счетчика DD6 будет замещен единицей. В сдвигающем регистре К561ИР2 такой перепад напряжения на входе С приводит к перемещению хранящегося в нем числа на один разряд в сторону старших (по схеме на рис. 1 - вниз), а в младший разряд микросхемы DD4 будет вписано то значение, которое в этот момент окажется на его входе D (выв. 7). Это может быть и 1 - расширенный до tф1 "единичный" импульс, и 0 - если вспышка в этом знакоместе кодовой посылки отсутствовала. Следующий сдвиг числа произойдет через tзн=0,976 мс - "шаг", который сохранится в дальнейшем.

Система сделает лишь 16 поразрядных сдвигов (сдвигающие импульсы, генерируемые счетчиком DD6, иллюстрирует рис. 2,в) - с появлением сигнала высокого уровня (лог. 1) на выходе 29 счетчика DD6 и соответственно низкого (лог. 0) на входе DD2.2 (выв. 9), счетчик самозаблокируется и сохранит это состояние до очередного старта системы. Таким образом, принятая последовательность ИК вспышек преобразуется в число, хранящееся в регистре DD4DD5. Остается выяснить, является ли оно кодовым.

Осуществляется это диодно-резисторным дешифратором Д1, схему которого (для того же кода 111011100111001) иллюстрирует рис. 3. Идея дешифрации проста. Все выходы регистра, на которых в соответствии с кодовой комбинацией должна быть 1, подключают к входам диодно-резисторного логического элемента И (VD1, VD4-VD6, VD9-VD11, VD13-VD15, R1), а выходы, на которых должен быть 0, - к входам диодно-резисторного логического элемента ИЛИ (VD2, VD3, VD7, VD8, VD12, R2). Если в регистре зафиксировано число-код, то на выходе элемента И дешифратора установится напряжение высокого уровня, а на выходе элемента ИЛИ - низкого. И только в этом случае на выходе ИК приемника возникнет сигнал 1. Это "единичное" его состояние продержится до тех пор, пока не будет нажата кнопка SB1 "Обнуление" (параллельно ей может быть включено несколько кнопок такого же назначения) или по каналу не пройдет какой-либо посторонний сигнал.

Электронный пароль
Рис.3

Все его детали ИК приемника смонтированы на печатной плате размерами 83х54 мм (рис. 4), выполненной из двустороннего фольгированного стеклотекстолита толщиной 1,5 мм. Технология изготовления самой печатной платы и приемы монтажа деталей на ней - те же, что и при конструировании брелока-генератора.

Особое внимание при монтаже приемника следует обратить на экранирование фотоголовки (BL1, DA1 и др.): обладая высокой чувствительностью и значительной широкополосностью, она подвержена воздействию электрических сигналов различного происхождения. Экран в виде открытой плоской коробки размерами 30х15х11 мм (на рис. 5 он обозначен штриховыми линиями) изготавливают из жести по чертежу, показанному на рис. 6, и припаивают в двух-трех точках к фольге общего провода. При необходимости чувствительность фотоголовки можно уменьшить, зашунтировав вход микросхемы DA1 резистором R1 сопротивлением 0,2...3 МОм.

Все резисторы - МЛТ-0,125. Конденсатор С2 - К53-30, С4 и С10 - импортные 0 8 мм, остальные - КМ-6, К10-176, КД. Кварцевый резонатор ZQ1 - малогабаритный часовой. На плате предусмотрено место (на рис. 5 обведено штрихпунктир-ной линией) для размещения и монтажа деталей звукового генератора, описанного в "Радио", 1997, № 8, с. 44, 45.

Для ослабления засветки фотодиода посторонними источниками света, способными существенно уменьшить чувствительность приемника, его помещают в "колодец", склеенный из черного полистирола. Это защитит фотодиод от воздействия источников, расположенных в стороне от оптической оси. К тому же образующийся невидимый "коридор", в пределах которого только и будет возможен оптический контакт приемника с излучателем, умножит и без того немалые трудности информационного "взлома" системы.

Окно фотодиода полезно заклеить пленкой, ослабляющей по преимуществу видимый свет. В роли такого своеобразного инфракрасного фильтра неплохо показали себя темные пластиковые обои. Тем более, что расстояние, на котором приемник способен обнаружить и дешифровать ИК вспышки брелока-излучателя, в среднем превышает 10 м.

Приемник сохраняет работоспособность при снижении напряжения питания до 4 В, потребляемый им ток не превышает 1,4 мА.

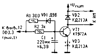
К выходу приемника (вывод 12 элемента DD3.6) могут быть подключены самые разные сигнальные устройства. Например, светодиод HL1 с токоограни-чительным резистором R9, показанный на рис. 1 штриховыми линиями, или упомянутый выше звуковой генератор, оповещающий о появлении "своего". Но если по сигналу приемника охранная система должна включить, скажем, привод дверного электрозамка, в сигнал, управляющий исполнительным механизмом (ИМ), нужно ввести временную задержку. Схема возможного ее варианта показана на рис. 5. Запаздывание срабатывания ИМ зависит от постоянной времени R2C1 и может составить несколько десятых долей секунды.

Электронный пароль
Рис.5

Длительность задержки увеличится, если в эмиттерную цепь транзистора VT1 включить диод VD3. Напряжение питания ИМ с учетом возникающих при его выключении экстранапряжений (диод VD2 при индуктивных нагрузках обязателен), не должна превышать максимально допустимого для транзистора VT1 (для КТ972А Uкэmax=60 В, для КТ972Б - 45 В). Рабочий ток ИМ - не более 2 А.

Задержка срабатывания ИМ - эффективное средство в борьбе с попытками подобрать задействованный в системе код. В принятой нами системе кодирования даже секундная задержка заставит злоумышленника простоять у чужих дверей не один час. И это - при наличии у него соответствующей аппаратуры, знания принципов кодирования и времяимпульсных характеристик ИК излучения. "Подсмотреть" же работу ИК брелока-генератора, не войдя в визуальный контакт с его владельцем, несравнимо сложнее, нежели это допускают кодовые генераторы, работающие в радиодиапазоне.

Автор: Ю. Виноградов, г. Москва; Публикация: Н. Большаков, rf.atnn.ru

Смотрите другие статьи раздела Цифровая техника.

Читайте и пишите полезные комментарии к этой статье.

<< Назад

Последние новости науки и техники, новинки электроники:

Хорошо управляемые луга могут компенсировать выбросы от скота 15.02.2026

Животноводство, особенно разведение крупного рогатого скота, часто обвиняют в значительном вкладе в глобальное потепление из-за мощного парникового газа - метана, который выделяется при пищеварении у жвачных животных. Это вызывает острые политические споры и призывы к сокращению потребления мяса. Однако ученые напоминают, что полная картина климатического воздействия отрасли не ограничивается только выбросами от животных: огромную роль играет окружающая экосистема - пастбища, почва и растительность, которые способны активно поглощать углекислый газ из атмосферы. Исследователи из Университета Небраски-Линкольна решили глубже изучить этот баланс. Группа под руководством профессора Галена Эриксона сосредоточилась на том, как правильно организованные пастбища накапливают углерод в растениях и грунте благодаря естественным процессам, стимулируемым выпасом скота. Ученые подчеркивают, что при достаточном уровне осадков и грамотном управлении такие луга превращаются в мощные природные погло ...>>

NASA тестирует инновационную технологию крыла 15.02.2026

Коммерческая авиация ежегодно расходует колоссальные объемы керосина, что сказывается не только на бюджете авиакомпаний, но и на состоянии окружающей среды. В 2024 году глобальные затраты на авиационное топливо достигли 291 миллиарда долларов, и эта сумма продолжает расти. Чтобы справиться с этими вызовами, NASA активно работает над технологиями, способными заметно повысить аэродинамическую эффективность самолетов. Одним из самых перспективных направлений стало создание специальной конструкции крыла, которая максимизирует естественный ламинарный поток воздуха и минимизирует сопротивление. В январе 2026 года специалисты NASA Armstrong Flight Research Center успешно провели важный этап наземных испытаний концепции Crossflow Attenuated Natural Laminar Flow (CATNLF). Для эксперимента под фюзеляж исследовательского самолета F-15B закрепили вертикально ориентированную масштабную модель высотой около 0,9 м (3 фута), напоминающую узкий киль. Такая компоновка позволила подвергнуть прототип р ...>>

Забота о внуках очень полезна для здоровья мозга 14.02.2026

Общение между поколениями приносит радость всей семье, но мало кто задумывается, насколько активно бабушки и дедушки, заботящиеся о внуках, поддерживают свою умственную форму. Регулярное взаимодействие с детьми стимулирует мозг пожилых людей, помогая сохранять память, скорость мышления и общую когнитивную активность. Новые научные данные подтверждают, что такая добровольная помощь не только важна для общества, но и может замедлять возрастные изменения в мозге. Исследователи из Тилбургского университета в Нидерландах провели анализ, чтобы понять, приносит ли уход за внуками реальную пользу здоровью пожилых людей. Ведущий автор работы Флавия Черечес отметила, что многие бабушки и дедушки регулярно присматривают за детьми, и оставался открытым вопрос, насколько это положительно сказывается на их собственном благополучии, особенно в плане когнитивных функций. Ученые поставили цель выяснить, способен ли регулярный уход за внуками замедлить снижение памяти и других умственных способ ...>>

Случайная новость из Архива

Открыта третья форма магнетизма 23.01.2025

Магнетизм - одно из фундаментальных явлений природы, играющее ключевую роль в современных технологиях. До недавнего времени было известно о существовании двух основных видов магнетизма: ферромагнетизма и антиферромагнетизма. Однако, недавно британские ученые совершили открытие, которое может изменить наше представление о магнетизме и открыть путь к созданию революционных устройств. Они обнаружили новую, третью форму магнетизма, получившую название "альтермагнетизм".

"Раньше мы имели два хорошо известных типа магнетизма", - рассказывает автор исследования, докторант Ноттингемского университета в Великобритании Оливер Амин. "Это ферромагнетизм, где магнитные стрелки указывают в одном направлении, и антиферромагнетизм, где соседние магнитные моменты указывают в противоположных направлениях, - можно представить это как шахматную доску чередования белых и черных плиток".

В основе работы современных устройств магнитной памяти лежит способность электрического тока принимать два направления. Эти направления могут совпадать или быть противоположными магнитным моментам, что и позволяет хранить и передавать информацию. Альтермагнитные материалы, впервые созданные в 2022 году, занимают промежуточное положение между ферро- и антиферромагнетизмом.

Как и в антиферромагнетиках, в альтермагнетиках каждый отдельный магнитный момент направлен в противоположную сторону по отношению к соседнему. Однако, в отличие от них, каждый магнитный момент в альтермагнетике немного закручен относительно своего соседа, что приводит к появлению некоторых ферромагнитных свойств. Таким образом, альтермагнетики сочетают в себе лучшие качества обоих видов магнетизма.

Соавтор исследования из Ноттингемского университета, Альфред Дал Дин, отмечает, что "преимущество ферромагнетиков состоит в том, что мы имеем простой способ чтения и записи памяти с помощью этих верхних или нижних доменов. Но поскольку эти материалы обладают чистым магнетизмом, эту информацию также легко потерять, протирая магнитом". Антиферромагнитными материалами, в свою очередь, гораздо сложнее манипулировать для хранения информации, однако информация в них гораздо более защищена и передается гораздо быстрее.

"Альтермагнетики обладают скоростью и стойкостью антиферромагнетиков, но они также обладают этим важным свойством ферромагнетиков, которое называется нарушением симметрии обратного времени", - добавляет Дал Дин. Способность создавать изображения и управлять новой формой магнетизма может привести к революции в создании устройств памяти следующего поколения, значительно увеличив скорость их работы, повысив устойчивость и упростив использование.

Более того, открытие альтермагнетизма может стать ключом к разгадке тайны сверхпроводимости. "Альтермагнетизм также поможет в развитии сверхпроводимости. Долгое время в симметрии между этими двумя областями существовала дыра, и этот класс магнитного материала, который до сих пор оставался неуловимым, оказался этим недостающим звеном в головоломке", - заключает Дал Дин. Таким образом, открытие третьего вида магнетизма может стать отправной точкой для создания сверхпроводящих технологий будущего, которые изменят наш мир.

Другие интересные новости:

▪ Ученые определили важность релятивистских эффектов для объектов

▪ Генетика одиночества

▪ NVidia Tegra для беспилотных автомобилей

▪ В мозге есть встроенная система шумоподавления

▪ Ноутбуки Dell Latitude 9000, 7000 и 5000

Лента новостей науки и техники, новинок электроники

Интересные материалы Бесплатной технической библиотеки:

▪ раздел сайта И тут появился изобретатель (ТРИЗ). Подборка статей

▪ статья Привычка - вторая натура. Крылатое выражение

▪ статья Почему Ливерпуль, выиграв Лигу Чемпионов, смог защищать титул только в виде исключения? Подробный ответ

▪ статья Родиола розовая. Легенды, выращивание, способы применения

▪ статья Линейный широкополосный усилитель мощности (UA4UDF). Энциклопедия радиоэлектроники и электротехники

▪ статья Торт быстрого приготовления. Секрет фокуса

Оставьте свой комментарий к этой статье:

Имя:


E-mail (не обязательно):


Комментарий:





Главная страница | Библиотека | Статьи | Карта сайта | Отзывы о сайте

www.diagram.com.ua

www.diagram.com.ua
2000-2026