Бесплатная техническая библиотека
Регулировка полосы пропускания. Энциклопедия радиоэлектроники и электротехники

Энциклопедия радиоэлектроники и электротехники / Гражданская радиосвязь
Комментарии к статье
KB трансивер RA3AO, описанный в [1], по основным своим параметрам не уступающий трансиверам зарубежного производства высокого класса, не имеет столь высокого сервиса, необходимого при работе на загруженных участках KB диапазонов.
Одним из наиболее важных узлов является устройство, позволяющее плавно сужать полосу пропускания приемного тракта трансивера с сохранением высокой избирательности тракта (VBT). Для этого в ПЧ тракт трансивера вводится устройство, функциональная схема которого приведена на рис.1, представляющее из себя преобразователь частоты ПЧ трансивера в более низкую, с последующей фильтрацией при помощи электромеханического фильтра и дальнейшим переносом на частоту основной ПЧ.
(нажмите для увеличения)
Генератор подставки преобразователя осуществляет сдвиг АЧХ ЭМФ относительно полосы пропускания кварцевого фильтре приемного тракта, производя сужение общей полосы пропускания приемного тракта трансивера, без сдвига частоты принимаемой станции, сверху или снизу (рис.2) [2].
Рис.2
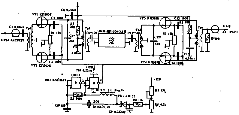
Схема подобного устройства приведена на рис.3 и содержит два балансных смесителя, кварцевый генератор с уводом частоты кварцевого резонатора. Устройство собрано на печатной плате размерами 120х70 мм из одностороннего текстолита.
Рис.3 (нажмите для увеличения)
Трансформаторы Т1 - Т4 намотаны на кольцевых магнитопроводах К12, 600НН и содержат по 3х9 витков скрученного провода ПЭВ 0,1...0,2. Электромеханический фильтр типа ЭМФ-ДП-3.1Н, но может быть использован любой, с любой полосой пропускания и боковой полосой, но желательно не шире 3,5 кГц, так как появится большая нерабочая зона при перестройке генератора подставки.
Резисторы R1 и R7 типа СП4-1. Кварцевый резонатор ZQ1 в корпусе Б-1.
Устройство может быть использовано и в других трансиверах и приемниках (при соответствующей замене кварца).
Место включения - в тракте ПЧ, после фильтра основной селекции.
Литература
1. В.В.Дроздов. Любительские KB трансиверы. Радио и связь. М.1988.
2. С.Казаков. Конструкторы связной аппаратуры отчитываются. Радио N10,: 1987, с.26.
Автор: В.Тетерюк (YL2GL), г.Ливны; Публикация: Н. Большаков, rf.atnn.ru
Смотрите другие статьи раздела Гражданская радиосвязь.
Читайте и пишите полезные комментарии к этой статье.
<< Назад
Последние новости науки и техники, новинки электроники:
Глазные капли, возвращающие молодость зрению
05.10.2025
С возрастом человеческий глаз постепенно теряет способность четко видеть на близком расстоянии - развивается пресбиопия, или возрастная дальнозоркость. Этот естественный процесс связан с утратой эластичности хрусталика и ослаблением цилиарной мышцы, отвечающей за фокусировку. Миллионы людей по всему миру сталкиваются с необходимостью носить очки для чтения или прибегают к хирургическим методам коррекции. Однако исследователи из Центра передовых исследований пресбиопии в Буэнос-Айресе представили решение, которое может стать удобной и неинвазивной альтернативой - специальные глазные капли, способные улучшать зрение на длительный срок.
Разработку возглавила Джованна Беноцци, директор Центра. По ее словам, цель исследования состояла в том, чтобы предоставить пациентам с пресбиопией эффективный и безопасный способ коррекции зрения без хирургического вмешательства. Новые капли, созданные на основе пилокарпина и диклофенака, показали убедительные результаты: уже через час после первого пр ...>>
Цифровая рация Xiaomi Digital Walkie Talkie
05.10.2025
Компания Xiaomi представила современное устройство, объединившее классические принципы радиосвязи с возможностями цифровых технологий.
Новинка под названием Xiaomi Digital Walkie Talkie демонстрирует, как привычные рации могут быть переосмыслены в духе времени. Устройство оснащено цветным дисплеем диагональю 1,57 дюйма, который отображает список контактов, параметры соединения и даже примерное местоположение собеседника. Такой подход превращает стандартную рацию в компактное средство связи, сочетающее функциональность смартфона и устойчивость профессиональной техники.
Одним из ключевых преимуществ стала высокая автономность. Встроенный аккумулятор емкостью 2500 мА·ч обеспечивает до 100 часов работы в режиме ожидания и около 14 часов непрерывных разговоров, что особенно важно в экспедициях, на дальних маршрутах или в зонах, где подзарядка невозможна. Согласно данным портала unionrayo.com, такое время работы выгодно отличает устройство от большинства аналогов.
По дальности дейст ...>>
Открыт обращаемый драйвер старения
04.10.2025
Недавняя работа ученых из Сямэньского университета в Китае показала, что в гипоталамусе, главном регуляторе внутренних функций организма, кроется один из ключей к продлению молодости.
Команда под руководством Лиге Ленга обнаружила, что снижение уровня белка менина в гипоталамусе связано с ускорением процессов старения. Менин, как выяснилось, играет важную роль в предотвращении воспаления и поддержании нормальной работы нейронов. Когда его уровень снижается, в мозге возрастает активность воспалительных сигналов, что запускает цепную реакцию возрастных изменений во всем организме - от ослабления когнитивных функций до потери плотности костей и истончения кожи.
Чтобы понять, как именно менин влияет на старение, ученые вывели генномодифицированных мышей, у которых этот белок можно было выборочно отключить. Даже у молодых животных такое вмешательство быстро привело к ухудшению памяти, снижению прочности костей и эластичности кожи, а также к укорочению жизни. Эти результаты убедительно ...>>
Случайная новость из Архива Поддержка DisplayPort в разъеме USB Type-C
29.09.2014
Организация Video Electronics Standards Association (VESA), сотрудничающая с USB 3.0 Promoter Group, уже воспользовалась возможностью добавления альтернативных режимов, описав режим DisplayPort Alt Mode для USB Type-C. В этом режиме разъемы USB Type-C и кабели могут использоваться для доставки данных DisplayPort, в частности, для подключения мониторов 4K и более высокого разрешения; данных SuperSpeed USB (USB 3.1) и питание (до 100 Вт мощности) - все это по одному кабелю. Режим DisplayPort Alt Mode также можно использовать для подключения адаптеров, которые позволят задействовать огромное количество существующих мониторов с входами DisplayPort, HDMI, DVI и VGA.
В режиме DisplayPort Alt Mode происходит переназначение части линий SuperSpeed USB для передачи данных DisplayPort, а остальные линии разъема USB Type-C служат для передачи данных по каналу AUX и для функции HPD (Hot Plug Detection).
Устройства с разъемом USB Type-C и поддержкой DisplayPort Alt Mode можно будет подключить и к существующим устройствам с DisplayPort, используя двунаправленный преобразующий кабель с разъемами USB Type-C и DisplayPort. Источник видео с разъемом USB Type-C и поддержкой DisplayPort Alt Mode можно будет подключать к устройству отображения с входом HDMI, DVI или VGA, используя подходящий переходник. Все переходники и преобразующие кабели будут соответствовать спецификации USB Type-C, включая нечувствительность разъема к ориентации и направлению включения кабеля.
Реализовать описанные возможности позволяет сходство между USB и DisplayPort, дающее возможность использовать одни и те же электрические цепи и кабели для передачи данных SuperSpeed USB со скоростью до 10 Гбит/с в расчете на линию или DisplayPort со скоростью до 8,1 Гбит/с на линию (как описано в стандарте DisplayPort 1.3). Первые реализации DisplayPort Alt Mode в устройствах с разъемом USB Type-C, вероятнее всего, будут следовать требованиям DisplayPort 1.2a (скорость до 5,4 Гбит/с на линию). С учетом использования четырех линий, это означает поддержку разрешений до 4K (4096 x 2160 пикселей) с кадровой частотой 60 Гц и 30-битной глубиной представления цвета.
Может использоваться только часть линий - одна или две, оставляя возможность одновременно передавать данные SuperSpeed USB. Например, в стыковочной станции, использование двух линий для DisplayPort 1.3 позволит одновременно передавать в обоих направлениях данные SuperSpeed USB и выводить данные DisplayPort с разрешением 4K (3840 x 2160 пикселей). При использовании всех четырех линий в DisplayPort Alt Mode разрешение повышается до 5K (5120 x 2880 пикселей), причем остается возможность передавать данные USB 2.0 по отдельным выводам USB Type-C, зарезервированным для этого.
|
Другие интересные новости:
▪ Существование пятой силы не подтверждено
▪ Нейроинтерфейс для управления работами силой мысли
▪ Медузы как удобрение
▪ Lightyear 0 - серийный автомобиль на солнечных батареях
▪ Съедобная пищевая пленка для продуктов
Лента новостей науки и техники, новинок электроники
Интересные материалы Бесплатной технической библиотеки:
▪ раздел сайта Электрику. ПТЭ. Подборка статей
▪ статья Конфликтология. Шпаргалка
▪ статья Как велики размеры звезд? Подробный ответ
▪ статья Котовник бухарский. Легенды, выращивание, способы применения
▪ статья Экономичный инфракрасный генератор. Энциклопедия радиоэлектроники и электротехники
▪ статья Узлы развязались сами. Секрет фокуса
Оставьте свой комментарий к этой статье:
Главная страница | Библиотека | Статьи | Карта сайта | Отзывы о сайте

www.diagram.com.ua
2000-2025