Акустические системы АС-35 (S-90) известны, как одни из лучших акустических систем доперестроечных времен. Они выпускались разными заводами и в несколько отличной комплектации, не меняясь по сути. Для модификации были использованы системы 35АС-012 ГОСТ 23262-88 Брянского электромеханического завода, выпущенные в январе 1990 года. Они содержат динамики 75ГДН-3-4, 20ГДС-3-4, 10ГДВ-2-16 и рассчитаны на частотный диапазон 40-25000 гц (сопротивление 4 Ом). Доработка позволила уменьшить неравномерность АЧХ на средних частотах и избавиться от свойственного им "цыканья" и резкости на высоких частотах путем замены высокочастотной головки и демпфирования среднечастотной. Для переделки использовались ВЧ динамики фирмы Peerless 100 DT 26 72 SF FF WA 8 (ном. по каталогу 811827). Вполне удачный вариант, особенно, если вас не смущает перспектива потратить на них около 53$, что сопостовимо со стоимостью самих S-90.
Замена внутренней проводки АС, герметизация корпуса, установка распорок
Установка АС на шипы
В результате этих изменений звук АС изменился в лучшую сторону. Исчезли "цыканья", свист и пришепетывания на высоких частотах. Расширилась звуковая сцена, приобретя большую глубину и прозрачность. Низкие частоты зазвучали более упруго и чисто. Звучание АС стало более естественным и натуральным.
Для замены была выбрана головка фирмы Peerless 811827 с магнитной жидкостью в зазоре. Максимальная мощность 130 Вт, импеданс 8 Ом, резонансная частота 1130 Гц и чувствительностью 92 дБ. Внешние габариты этой головки несколько меньше, чем штатной, и импеданс в два раза ниже. Это и повлекло необходимость в изготовлении для нее изолированного бокса и изменения номиналов элементов в схеме кроссовера.
Бокс был выполнен из двух квадратов (11х11см) из 10мм фанеры. В одном из квадратов было вырезано отверстие, диаметром 90 мм, и сделана небольшая выборка в торце, для сигнальной проводки. Во втором квадрате делается 4 отверстия под винты крепления головки или намечаются точки крепления для шурупов. Квадраты, после укладки провода, скрепляются 4 мелкими шурупами с промазкой поверхности стыка пластилином для герметизации, и с промазкой пластилином устанавливаются соосно отверстию для ВЧ головки АС изнутри. В полученный бокс диаметром 90мм и глубиной 30мм и устанавливается ВЧ головка. Головка устанавливается через тонкую резиновую прокладку на 4 винта или шурупа (длиной не менее 50мм). Эти винты окончательно стягивают и фиксируют весь "пакет". Через штатную резиновую прокладку поверх устанавливается защитная сетка и ее крепление.
Демпфирование СЧ головки заключалось в заклейке окон в ее корзине полоской тонкой белой бязи. Полоска бязи шириной 15см склеивается в трубу и приклеивается к основанию и ребрам корзины клеем момент. Второе отверстие трубы собирается и завязывается как кисет.
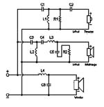
Кроссовер состоит из трех полос. Переделка низкочастотной части состоит только в отделении ее от остальных двух фильтров и подключении на отдельные клеммы новой колодки. Штатное отверстие в задней стенке увеличивается до размеров, необходимых для установки новой клеммной панели.
Частоту раздела СЧ - ВЧ снижаем в 2 раза. Это означает увеличение в 2 раза соответствующих индуктивностей и емкостей. В СЧ фильтре это L3 и С5. У меня были детали от аналогичных кроссоверов, поэтому я не стал менять индуктивность L3 на вдвое большую, а просто подключил еще одну, такую же (Ls), последовательно. Емкость конденсатора С5 составляла 4 мкФ, для ее увеличения параллельно была подключена емкость Сs, состоящая из двух конденсаторов МБГО-2 2 мкФх160в. В ВЧ фильтре просто двойного увеличения номиналов не достаточно. Учитывая, что импеданс ВЧ головки уменьшился вдвое, емкость нужно в 2 раза увеличить, а индуктивность в 2 раза уменьшить. Итого индуктивность остается без изменения, а емкость увеличивается в 4 раза. В исходном варианте они составляли 2 мкФ (С1) и 1 мкФ (С2). Расчетные 2,25 мкФ и 0,75 мкФ, новые значения выбраны 10 мкФ и 3 мкФ. Вместо С1 установлен конденсатор МБГО-2 10 мкФх160в (Cn), а С1 подключен параллельно С2, образуя суммарную с ним емкость 3 мкФ.
Частота раздела снизилась в 2 раза до 2500гц, что более чем в 2 раза превышает резонансную частоту ВЧ головки, и с учетом фильтра третьего порядка в кроссовере это делает ненужным установку режекторного фильтра на резонансную частоту.
О замене внутренней проводки, герметизации корпуса, установке распорок и шипов написано и так уже немало, это все стандартные приемы. Хочу только добавить, что в конечной конструкции использовалась не только мраморная плита под шипами, но и вторая плита с размерами верхней плоскости АС, приклеенная к ней сверху.









Публикация: audiohi-fi.ru
Смотрите другие статьи раздела Акустические системы.
Читайте и пишите полезные комментарии к этой статье.
<< Назад
Последние новости науки и техники, новинки электроники:
Хорошо управляемые луга могут компенсировать выбросы от скота
15.02.2026
Животноводство, особенно разведение крупного рогатого скота, часто обвиняют в значительном вкладе в глобальное потепление из-за мощного парникового газа - метана, который выделяется при пищеварении у жвачных животных. Это вызывает острые политические споры и призывы к сокращению потребления мяса. Однако ученые напоминают, что полная картина климатического воздействия отрасли не ограничивается только выбросами от животных: огромную роль играет окружающая экосистема - пастбища, почва и растительность, которые способны активно поглощать углекислый газ из атмосферы.
Исследователи из Университета Небраски-Линкольна решили глубже изучить этот баланс. Группа под руководством профессора Галена Эриксона сосредоточилась на том, как правильно организованные пастбища накапливают углерод в растениях и грунте благодаря естественным процессам, стимулируемым выпасом скота. Ученые подчеркивают, что при достаточном уровне осадков и грамотном управлении такие луга превращаются в мощные природные погло ...>>
NASA тестирует инновационную технологию крыла
15.02.2026
Коммерческая авиация ежегодно расходует колоссальные объемы керосина, что сказывается не только на бюджете авиакомпаний, но и на состоянии окружающей среды. В 2024 году глобальные затраты на авиационное топливо достигли 291 миллиарда долларов, и эта сумма продолжает расти. Чтобы справиться с этими вызовами, NASA активно работает над технологиями, способными заметно повысить аэродинамическую эффективность самолетов. Одним из самых перспективных направлений стало создание специальной конструкции крыла, которая максимизирует естественный ламинарный поток воздуха и минимизирует сопротивление.
В январе 2026 года специалисты NASA Armstrong Flight Research Center успешно провели важный этап наземных испытаний концепции Crossflow Attenuated Natural Laminar Flow (CATNLF). Для эксперимента под фюзеляж исследовательского самолета F-15B закрепили вертикально ориентированную масштабную модель высотой около 0,9 м (3 фута), напоминающую узкий киль. Такая компоновка позволила подвергнуть прототип р ...>>
Забота о внуках очень полезна для здоровья мозга
14.02.2026
Общение между поколениями приносит радость всей семье, но мало кто задумывается, насколько активно бабушки и дедушки, заботящиеся о внуках, поддерживают свою умственную форму. Регулярное взаимодействие с детьми стимулирует мозг пожилых людей, помогая сохранять память, скорость мышления и общую когнитивную активность.
Новые научные данные подтверждают, что такая добровольная помощь не только важна для общества, но и может замедлять возрастные изменения в мозге.
Исследователи из Тилбургского университета в Нидерландах провели анализ, чтобы понять, приносит ли уход за внуками реальную пользу здоровью пожилых людей. Ведущий автор работы Флавия Черечес отметила, что многие бабушки и дедушки регулярно присматривают за детьми, и оставался открытым вопрос, насколько это положительно сказывается на их собственном благополучии, особенно в плане когнитивных функций.
Ученые поставили цель выяснить, способен ли регулярный уход за внуками замедлить снижение памяти и других умственных способ ...>>
Случайная новость из Архива Альтернатива платине для производства зеленого водорода
31.01.2026
Зеленый водород, получаемый с помощью электролиза воды на возобновляемой энергии, считается одним из главных инструментов перехода к безуглеродной экономике. Однако ключевой барьер на пути его массового внедрения - высокая стоимость и ограниченность лучших катализаторов, в первую очередь платины. Именно поэтому научное сообщество активно ищет доступные альтернативы, способные обеспечить сопоставимую эффективность при значительно меньших затратах.
Недавняя работа исследователей из Института материалов IMDEA предлагает неожиданный и перспективный путь решения этой задачи.
Вместо того чтобы синтезировать совершенно новые материалы, ученые решили улучшить уже известные межметаллические соединения - сплавы Ag3In, Ni3Fe и Ni3Sn - с помощью управляемой эластичной деформации. Под этим термином понимается обратимое изменение формы твердого тела под действием внешней силы, когда материал после снятия нагрузки полностью возвращается в исходное состояние, не получая никаких повреждений. Авторы исследования сосредоточились именно на таком контролируемом растяжении или сжатии, которое позволяет тонко настраивать электронную структуру поверхности катализатора.
Экспериментальные результаты оказались весьма впечатляющими. Растяжение образца Ni3Sn всего на 1,26 % повысило его каталитическую активность до уровня, составляющего 71 % от эффективности платины. При этом разные типы деформации действовали по-разному: тянущие напряжения заметно улучшали работу сплава Ag3In, тогда как сжимающие деформации положительно влияли на Ni3Fe, Ni3Sn и даже на саму платину. Эти данные убедительно демонстрируют, что механическое воздействие может стать мощным инструментом для оптимизации катализаторов без необходимости полной замены материала.
Особое значение работы заключается в том, что исследователи смогли изолировать и количественно измерить влияние именно упругих деформаций, исключив побочные эффекты. Как отметил один из авторов, Хорхе Редондо, на этот раз команда разработала целую серию серьезных межметаллических кандидатов, которые способны реально конкурировать с платиновыми металлами. Такой подход открывает путь к созданию катализаторов на основе недорогих и широко распространенных элементов.
Полученные результаты особенно актуальны в контексте глобального перехода к водородной энергетике. Платина остается одним из самых дорогих и дефицитных металлов, а ее мировые запасы ограничены, что создает серьезные риски для масштабирования производства зеленого водорода. Поэтому существует мощный экономический и стратегический стимул найти доступные заменители, которые хотя бы приблизились бы к платине по эффективности.
Исследование Института IMDEA не только демонстрирует конкретные улучшения для уже существующих сплавов, но и закладывает методологическую основу для дальнейшего поиска. Ученые подчеркивают, что комбинация предварительного отбора кандидатов с помощью машинного обучения и последующей тонкой настройки через эластичную деформацию может существенно ускорить разработку новых поколений катализаторов.
|
Другие интересные новости:
▪ Генетика одиночества
▪ Мусоропровод для спасения при пожаре
▪ Искусственный фотосинтез
▪ Компактный Canon imageFormula DR C240
▪ Бутылка вина в протонном ускорителе
Лента новостей науки и техники, новинок электроники
Интересные материалы Бесплатной технической библиотеки:
▪ раздел сайта Электрические счетчики. Подборка статей
▪ статья Я с детства не любил овал, я с детства угол рисовал. Крылатое выражение
▪ статья Как отзывалась о французской столице княжна Анна, дочь Ярослава Мудрого? Подробный ответ
▪ статья Ресепшионист. Должностная инструкция
▪ статья Антенна на диапазоны от 10 до 160 метров. Энциклопедия радиоэлектроники и электротехники
▪ статья Схема универсального кабеля (GSM box). Энциклопедия радиоэлектроники и электротехники
Оставьте свой комментарий к этой статье:
Главная страница | Библиотека | Статьи | Карта сайта | Отзывы о сайте

www.diagram.com.ua
2000-2026