Бесплатная техническая библиотека
Еще раз об UW3DI. Энциклопедия радиоэлектроники и электротехники

Энциклопедия радиоэлектроники и электротехники / Гражданская радиосвязь
Комментарии к статье
Десятки лет верой и правдой служат нам "старички" - трансиверы конструкции UW3DI, оставаясь для многих единственной возможностью с увлечением проводить время в эфире. За прошедшие годы в различной литературе было немало публикаций по доработке и усовершенствованию этих трансиверов. С ориентацией на начинающего радиолюбителя и основываясь на собственном опыте, предлагаю некоторые изменения в конструкции и схеме первоначальной авторской публикации трансивера UW3DI-1 (см."Радио", 1970, № 5, 6).
Автоматическая регулировка усиления
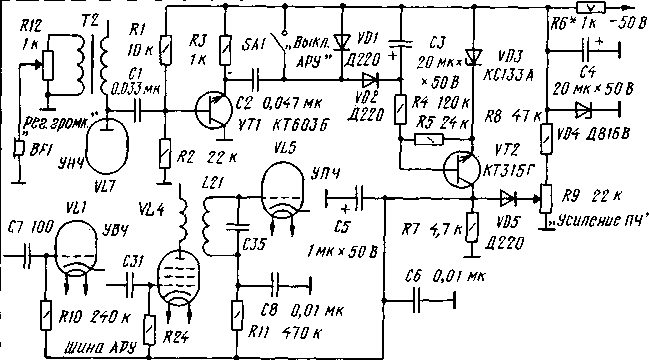
Существенно улучшить работу трансивера позволит введение системы АРУ. За основу взята схема АРУ трансивера UW3DI-II (с некоторыми дополнениями, см. рис.1). На этом и последующих рисунках позиционные обозначения элементов без номиналов соответствуют позиционным обозначениям схемы в авторской публикации с небольшой модификацией - Л7 заменено на VL7, РЗ - на КЗ и т. п.Лампы в УПЧ заменены: 6Ж9П (VL4) - на 6К13П и 6Ж1П (VL5) - на 6К4П. Следует учесть, что перед установкой в трансивер лампы 6К13П необходимо поменять местами проводники, подведенные к ножкам 8 и 9 ламповой панельки. Цоколевки ламп 6К4П и 6Ж1 П совпадают.
Рис.1 (нажмите для увеличения)
Низкочастотный сигнал с лампы VL7 УНЧ через эмиттерный повторитель на транзисторе VT1 подается на детектор АРУ (диоды VD1 и VD2). Конденсатор C3 определяет время задержки АРУ, стабилитрон VD3 - порог срабатывания АРУ. Резистором R9 осуществляют ручную регулировку усиления. При наиболее громких сигналах напряжение на шине АРУ достигает величины -10В.
Узел АРУ собран на печатной плате из фольгированного стеклотекстолита. Ее устанавливают в подвале шасси.
Входной контур УВЧ
Улучшить избирательность приемного тракта можно, установив на входе УВЧ высокодобротный узкополосный контур (рис. 2). Катушка L1 выполнена на ферритовом магнитопроводе с отверстиями (так называемом трансфлюксоре), который применяют, например, в телевизионных комнатных антеннах. Она содержит 50 витков провода ПЭВ-2 0,23 мм. Отвод для диапазона 80 м сделан от 25-го витка, для диапазона 40 м - от 10-го витка (считая от конца катушки, соединенного с общим проводом). Катушка связи с антенной - один виток такого же провода.
Рис.2
Катушка L2 выполнена на каркасе диаметром 15 мм и имеет 20 витков посеребренного провода диаметром 0,7 мм. Шаг намотки - 1 мм. Отводы сделаны от 1-го и 12-го витков, считая от конца катушки, соединенного с общим проводом.
S-метр и индикатор выхода
Эта доработка (рис. 3) позволяет использовать имеющийся в трансивере измерительный прибор как S-метр при приеме и индикатор выхода при передаче. Для коммутации измерительного прибора используют свободную группу контактов реле КЗ.
Рис.3
Миллиамперметр заменяют микроамперметром с током полного отклонения 50-100 мкА. При приеме прибор градуируют по общепринятой методике подбором резистора R4, а при передаче - подстроечным резистором R3 (при максимальном сигнале на выходе трансивера).
При первоначальной настройке П-контура (подбором конденсаторов С53 - С55) в анодную цепь лампы выходного каскада следует включить миллиамперметр на 150-200 мА. В дальнейшем настройку выходного контура контролируют по индикатору выхода.
Микрофонный усилитель
Для работы с низкоомными микрофонами надо добавить каскад на транзисторе VT1 (рис. 4). Системы VOX, AntiVOX и лампа VL14 исключены. Освободившийся при этом правый по схеме вывод конденсатора С 105 соединяют с общим проводом, как это и показано на рис. 4.
Рис.4
Правый по схеме вывод резистора R87 подключен к шине, которая объединяет катоды ламп, используемых только в режиме передачи. Переменным резистором R5 регулируют уровень выходного сигнала микрофонного усилителя.
Коммутация режимов
В трансивере есть три режима: CW, SSB и настройка. При настройке трансивер включают на передачу переключателем SA2 (рис. 5).
Рис.5
При работе CW и SSB для этого используют педаль. Резистор R1 подбирают в зависимости от типа применяемого реле.
Автор: Владимир Житков, п. Усть-Донецк Ростовской обл.; Публикация: Н. Большаков, rf.atnn.ru
Смотрите другие статьи раздела Гражданская радиосвязь.
Читайте и пишите полезные комментарии к этой статье.
<< Назад
Последние новости науки и техники, новинки электроники:
Хорошо управляемые луга могут компенсировать выбросы от скота
15.02.2026
Животноводство, особенно разведение крупного рогатого скота, часто обвиняют в значительном вкладе в глобальное потепление из-за мощного парникового газа - метана, который выделяется при пищеварении у жвачных животных. Это вызывает острые политические споры и призывы к сокращению потребления мяса. Однако ученые напоминают, что полная картина климатического воздействия отрасли не ограничивается только выбросами от животных: огромную роль играет окружающая экосистема - пастбища, почва и растительность, которые способны активно поглощать углекислый газ из атмосферы.
Исследователи из Университета Небраски-Линкольна решили глубже изучить этот баланс. Группа под руководством профессора Галена Эриксона сосредоточилась на том, как правильно организованные пастбища накапливают углерод в растениях и грунте благодаря естественным процессам, стимулируемым выпасом скота. Ученые подчеркивают, что при достаточном уровне осадков и грамотном управлении такие луга превращаются в мощные природные погло ...>>
NASA тестирует инновационную технологию крыла
15.02.2026
Коммерческая авиация ежегодно расходует колоссальные объемы керосина, что сказывается не только на бюджете авиакомпаний, но и на состоянии окружающей среды. В 2024 году глобальные затраты на авиационное топливо достигли 291 миллиарда долларов, и эта сумма продолжает расти. Чтобы справиться с этими вызовами, NASA активно работает над технологиями, способными заметно повысить аэродинамическую эффективность самолетов. Одним из самых перспективных направлений стало создание специальной конструкции крыла, которая максимизирует естественный ламинарный поток воздуха и минимизирует сопротивление.
В январе 2026 года специалисты NASA Armstrong Flight Research Center успешно провели важный этап наземных испытаний концепции Crossflow Attenuated Natural Laminar Flow (CATNLF). Для эксперимента под фюзеляж исследовательского самолета F-15B закрепили вертикально ориентированную масштабную модель высотой около 0,9 м (3 фута), напоминающую узкий киль. Такая компоновка позволила подвергнуть прототип р ...>>
Забота о внуках очень полезна для здоровья мозга
14.02.2026
Общение между поколениями приносит радость всей семье, но мало кто задумывается, насколько активно бабушки и дедушки, заботящиеся о внуках, поддерживают свою умственную форму. Регулярное взаимодействие с детьми стимулирует мозг пожилых людей, помогая сохранять память, скорость мышления и общую когнитивную активность.
Новые научные данные подтверждают, что такая добровольная помощь не только важна для общества, но и может замедлять возрастные изменения в мозге.
Исследователи из Тилбургского университета в Нидерландах провели анализ, чтобы понять, приносит ли уход за внуками реальную пользу здоровью пожилых людей. Ведущий автор работы Флавия Черечес отметила, что многие бабушки и дедушки регулярно присматривают за детьми, и оставался открытым вопрос, насколько это положительно сказывается на их собственном благополучии, особенно в плане когнитивных функций.
Ученые поставили цель выяснить, способен ли регулярный уход за внуками замедлить снижение памяти и других умственных способ ...>>
Случайная новость из Архива Сверхкомпактные сенсоры Sony IMX928 и IMX929
31.01.2026
В эпоху тотальной автоматизации производства и перехода к Индустрии 4.0 качество и скорость машинного зрения становятся критически важными. Камеры и сенсоры, установленные на конвейерах, роботах и системах контроля качества, должны одновременно захватывать мельчайшие детали и мгновенно реагировать на быстро движущиеся объекты.
Компания Sony, один из лидеров в области промышленной визуализации, представила два новых сенсора с глобальным затвором - IMX928 и IMX929, которые сочетают рекордно высокое разрешение с выдающейся скоростью считывания в исключительно компактных квадратных корпусах.
Оба сенсора разработаны специально для задач автоматизации, высокоточного 3D-измерения и сложного визуального инспекционного контроля, особенно в производстве электроники и полупроводников. Главная особенность новинок - почти идеальная квадратная форма матрицы, которая позволяет максимально эффективно использовать пространство внутри оборудования и упрощает интеграцию в компактные промышленные системы.
Модель IMX928 обладает разрешением 68,16 мегапикселя и размером активной области 22,5 x 22,5 мм. По сути, это уже полнокадровый сенсор, однако его высота остается сравнительно небольшой, что делает его идеальным решением для тех случаев, когда требуется максимально детализированное изображение в ограниченном пространстве. Такой сенсор способен обеспечить исключительное качество картинки даже при стесненных габаритах промышленных камер.
Еще более компактным оказался IMX929: его матрица занимает всего 19,9 x 19,9 мм, при этом разрешение составляет 50,79 мегапикселя. Благодаря уменьшенным размерам сенсор легче интегрируется в системы с жесткими ограничениями по объему, сохраняя при этом очень высокую детализацию и быстродействие, что особенно ценно для современных линий сборки и контроля качества.
Ключевое преимущество обоих сенсоров - технология глобального затвора, которая полностью исключает искажения движения (эффект rolling shutter), неизбежные при съемке быстро перемещающихся объектов. Sony подчеркивает, что новая архитектура позволила найти оптимальный баланс между разрешением, скоростью считывания и габаритами без потери надежности - качества, критически важного для непрерывной работы на производстве.
По скорости считывания новинки заметно превосходят предшественников. IMX928 обеспечивает 12-битное считывание на уровне до 90 кадров в секунду, а более компактный IMX929 достигает впечатляющих 136 кадров в секунду. Для сравнения: предыдущая модель IMX927 с разрешением 105 мегапикселей выдавала лишь 73 кадра в секунду. Такой прирост производительности открывает новые возможности для систем реального времени, где каждая доля секунды имеет значение.
Новые сенсоры Sony ориентированы прежде всего на автоматизированные производственные линии, прецизионный 3D-контроль размеров и поверхности, а также на передовые процессы в полупроводниковой отрасли, где требуется одновременно высокая детализация и мгновенная реакция на дефекты.
|
Другие интересные новости:
▪ Источник питания Ecosol Powerstick
▪ Интернет от Lufthansa
▪ Открыт новый способ сохранения витаминов в пище
▪ Многофункциональная платформа Intrinsyc Open-Q 660
▪ Органы человека стареют с разной скоростью
Лента новостей науки и техники, новинок электроники
Интересные материалы Бесплатной технической библиотеки:
▪ раздел сайта Искусство аудио. Подборка статей
▪ статья Замятин Евгений Иванович. Знаменитые афоризмы
▪ статья Как были вывезены мощи святого Марка мимо мусульманской таможни? Подробный ответ
▪ статья Шиповник майский. Легенды, выращивание, способы применения
▪ статья Система заземления IT. Энциклопедия радиоэлектроники и электротехники
▪ статья Приемник прямого усиления на KB. Энциклопедия радиоэлектроники и электротехники
Оставьте свой комментарий к этой статье:
Главная страница | Библиотека | Статьи | Карта сайта | Отзывы о сайте

www.diagram.com.ua
2000-2026