Бесплатная техническая библиотека
Прерывистая сигнализация на разнополярных транзисторах. Энциклопедия радиоэлектроники и электротехники

Энциклопедия радиоэлектроники и электротехники / Радиолюбителю-конструктору
Комментарии к статье
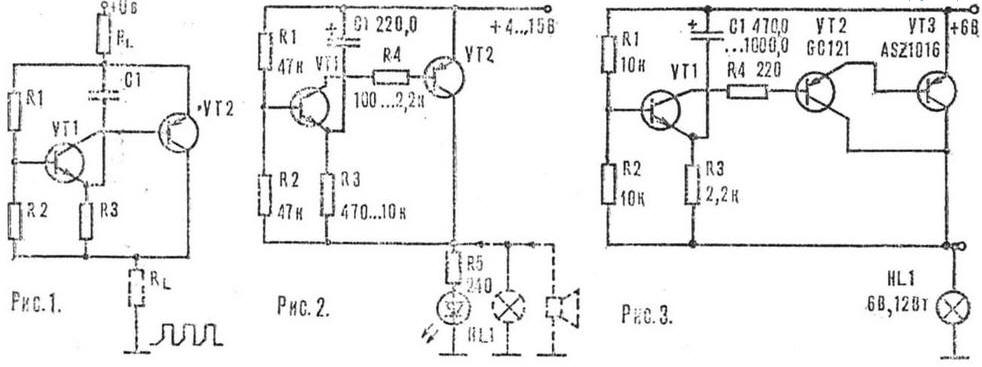
Это устройство, описание которого было опубликовано в журнале "Функаматер" (ГДР), используется в различных контрольно-измерительных приборах или аппаратуре, где необходима прерывистая световая или звуковая сигнализация. Причем нагрузку можно подключать как со стороны положительного, так и со стороны отрицательного полюса источника питания.
(нажмите для увеличения)
В момент включения конденсатор С1 (рис. 1) разряжен. Напряжение на эмиттере транзистора VT1 больше по величине, чем на базе. В процессе зарядки С1 потенциал на эмиттере VT1 снижается и, когда он станет ниже потенциала базы приблизительно на 0,6 В, этот транзистор открывается, вызывая отпирание полупроводникового триода VТ2. Через него протекает ток, зависящий от величины нагрузки. Конденсатор С1 разряжается через VТ1, VТ2 и R3. После его разряда транзисторы запираются и процесс повторяется. Частоту колебаний определяют величины С1 и R3. Путем изменения сопротивления R3 варьируют соотношение длительности включенного состояния к выключенному в интервале от 1:1 до 1:100.
На рисунке 2 приведена схема простого и надежного в работе сигнализатора с применением светодиодов или ламп накаливания с током до 100 мА. С помощью резистора R4 в небольших пределах изменяют время свечения, однако его сопротивление не должно быть слишком большим, иначе транзистор VТ2 не будет полностью отпираться. Величины конденсатора С1 и резистора R3 также можно менять в небольших пределах.
В качестве VТ1 можно применять любой транзистор серии КТЗ15 с коэффициентом усиления h219> 50, VТ2 - полупроводниковый триод МП42 с любым буквенным индексом.
Переключатель, схема которого представлена на рисунке 3, может служить указателем поворотов, например на мопеде. Транзисторы VТ2 и VТ3 - соответственно типов МП42 и П216, П217 любых буквенных индексов, причем VТ3 не нужно устанавливать на радиатор. Требования к VТ1 такие же, как и в предыдущей схеме.
Смотрите другие статьи раздела Радиолюбителю-конструктору.
Читайте и пишите полезные комментарии к этой статье.
<< Назад
Последние новости науки и техники, новинки электроники:
Восприятие музыки зависит от цвета концертного зала
03.03.2026
Восприятие живой музыки традиционно связывают с слухом, однако на впечатления от концерта влияют и другие факторы, включая визуальное оформление и освещение. Вопрос о том, может ли цвет интерьера напрямую изменять то, как мы слышим звук, долго оставался открытым. Недавнее исследование ученых из Технического университета Берлина проливает свет на эту связь и демонстрирует, что визуальная среда способна влиять на субъективное восприятие музыки.
Чтобы изучить эффект цвета, исследователи предложили участникам прослушать записи концерта в виртуальных залах, оформленных в красные, зеленые и синие оттенки. Цвета варьировались по яркости и насыщенности, что дало 12 различных вариантов оформления. Поскольку построить физические залы с таким разнообразием цветов было невозможно, использовалась технология виртуальной реальности. Звук воспроизводился через наушники с бинауральной технологией, адаптирующей звучание к движениям головы, что создавало ощущение реального присутствия в зале.
Участ ...>>
Chrysalis: концепт межзвездного корабля для 400-летнего путешествия
03.03.2026
Межзвездные полеты остаются одной из самых амбициозных целей человечества. Международный научный проект Chrysalis предложил концепцию космического корабля, способного совершить 400-летнее путешествие с экипажем из 2400 человек. Победивший в конкурсе 2025 года дизайн демонстрирует не только инженерные решения, но и социальную архитектуру, рассчитанную на 16 поколений людей, живущих на борту.
В основе концепции лежит вращательная конструкция длиной 58 километров. Такая масштабная система должна создать искусственную гравитацию, достаточную для нормального функционирования организма, без вызывающей дезориентацию центробежной нагрузки. Для стабилизации конструкции проект предусматривает несколько цилиндров, вращающихся в противоположных направлениях, что минимизирует колебания и вибрации. Сборка корабля планируется в точках Лагранжа - участках космоса, где можно минимизировать расход топлива.
Движение корабля предполагается обеспечить прямым термоядерным двигателем на гелии-3 и дейте ...>>
Дети, растущие рядом с природой, обретают крепкие кости
02.03.2026
Влияние окружающей среды на здоровье человека становится все более очевидным, особенно в детском возрасте. Новое исследование, опубликованное в журнале JAMA Network Open, показывает, что близость к природе напрямую связана с крепостью костей у детей. Ученые установили, что у детей, чьи дома окружены природными территориями в радиусе 1000 метров на 25% больше обычного, риск развития крайне низкой плотности костей снижается на 65%.
Для проведения исследования были проанализированы данные более 300 детей, проживающих в городских, пригородных и сельских районах Фландрии в Бельгии. Плотность костной ткани у детей в возрасте от четырех до шести лет оценивалась с помощью ультразвуковых методов. Такой подход позволил безопасно и точно измерить состояние костей на ранних этапах формирования скелета.
При анализе учитывались ключевые факторы, влияющие на рост и развитие детей: возраст, вес, рост, этническая принадлежность и уровень образования матери. На основании этих параметров исследоват ...>>
Случайная новость из Архива Любители собак и кошек отличаются характерами
01.07.2025
Вопрос о том, почему одни люди предпочитают собак, а другие - кошек, давно полнует психологов и обычных любителей животных. Недавнее исследование, проведенное учеными Техасского университета в Остине, позволило подробнее разобраться в этой теме и выявить связь между характером человека и его привязанностью к тем или иным домашним питомцам.
В ходе исследования была организована онлайн-анкета, где участников просили сначала указать, к какой группе они себя относят - любителей собак или кошек. Затем респондентам предлагали ответить на вопросы, касающиеся их поведения, темперамента и личностных черт.
Результаты показали, что поклонники собак в среднем на 15% более экстравертны по сравнению с любителями кошек. Эти люди отличаются жизнерадостностью, энергичностью и большей общительностью. Их часто описывают как сговорчивых, преданных и успешных в межличностных отношениях.
Кроме того, среди любителей собак оказалось больше тех, кто проявляет высокую добросовестность - на 11% выше по сравнению с приверженцами кошек. Они склонны к дисциплине, организованности и планированию своих действий, что часто помогает им в достижении поставленных целей.
С другой стороны, поклонники кошек демонстрируют совершенно иной набор черт. Они на 11% чаще проявляют креативность и нестандартное мышление, а также обладают так называемой "артистической душой". Вместе с тем, эта группа более склонна к невротическим проявлениям - на 12% выше уровень тревожности и стрессов, что делает их более чувствительными к окружающей среде.
Как и их пушистые любимцы, они предпочитают проводить больше времени в одиночестве, где часто рождаются самые интересные и новаторские идеи. Однако, такая уединенность порой может быть омрачена внутренними переживаниями и заботами.
Интересно, что среди опрошенных предпочтения распределились неравномерно. Около 50% респондентов признались, что больше любят собак, тогда как лишь 12% отдали предпочтение кошкам.
Примерно четверть участников (более 25%) положительно относятся к обоим видам животных, а 15% заявили, что не испытывают симпатии ни к кошкам, ни к собакам.
|
Другие интересные новости:
▪ Планшеты ASUS ZenPad 8 (Z380M) и ZenPad 10 (Z300M)
▪ Умные очки Icis от Laforge Optical
▪ Роботы построят гигантский телескоп на Луне
▪ Новый связующий материал для аккумуляторов
▪ Квантовые компьютеры для обработки данных
Лента новостей науки и техники, новинок электроники
Интересные материалы Бесплатной технической библиотеки:
▪ раздел сайта Дозиметры. Подборка статей
▪ статья Быть или не быть. Крылатое выражение
▪ статья Почему Кубрик не ответил на письмо восхищения от Куросавы? Подробный ответ
▪ статья Слесарь по эксплуатации и ремонту подземных газопроводов. Должностная инструкция
▪ статья Однокаскадный усилитель 3Ч. Энциклопедия радиоэлектроники и электротехники
▪ статья Электроустановки специального назначения. Методические указания по испытаниям электрооборудования и аппаратов электроустановок потребителей. Энциклопедия радиоэлектроники и электротехники
Оставьте свой комментарий к этой статье:
Главная страница | Библиотека | Статьи | Карта сайта | Отзывы о сайте

www.diagram.com.ua
2000-2026