Menu Home

Бесплатная техническая библиотека для любителей и профессионалов Бесплатная техническая библиотека


Управление полевыми транзисторами в импульсных преобразователях. Энциклопедия радиоэлектроники и электротехники

Бесплатная техническая библиотека

Энциклопедия радиоэлектроники и электротехники / Радиолюбителю-конструктору

Комментарии к статье Комментарии к статье

Как известно, применение в импульсных преобразователях напряжения мощных полевых транзисторов вместо биполярных дает ряд преимуществ. Об этом можно прочитать в специальной литературе, однако, во-первых, она практически недоступна рядовому читателю и, во-вторых, вопросы управления мощными полевыми транзисторами изложены в ней, как правило, в общем виде, без привязки к конкретным схемам, детальное описание работы преобразователей отсутствует. Автор этой статьи знакомит с особенностями использования полевых транзисторов в подобных устройствах.

Наибольшее распространение в импульсных преобразователях напряжения получили полевые транзисторы структуры МДП с индуцируемым n-каналом. При нулевом напряжении на затворе (по отношению к истоку) транзистор закрыт и открывается плюсовым напряжением с довольно четко выраженным порогом.

На рис. 1 изображена экспериментально снятая зависимость тока стока от напряжения затвор-исток транзистора IRF630. Интервал входного напряжения от полностью закрытого состояния до насыщенного не превышает 0,5 В, а это значит, что транзистор - типично переключательный.

Управление полевыми транзисторами в импульсных преобразователях

Так как в канале нет накопления носителей заряда, отсутствует и время их рассасывания. Длительность фронта и спада импульсов тока стока при соответствующем управляющем сигнале равна 20...30 не при полном рабочем токе, достигающем 9 А. Максимальное рабочее напряжение сток-исток Uси max = 200 В, максимальная рассеиваемая МОЩНОСТЬ P pac max = 75 Вт.

Входное сопротивление транзисторов МДП - чисто емкостное но это не означает, что при подаче на затвор управляющего импульса он будет вести себя как обычный конденсатор. На эквивалентной схеме транзистора различают три основные емкости: входную Сзи - между затвором и истоком; проходную Сcэ - между стоком и затвором, выходную Сcи - между стоком и истоком.

Емкость Сэи заряжается как обычный конденсатор только до порогового напряжения ипор- Как только транзистор открывается, возникает отрицательная ОС по напряжению через емкость Сcз. На кривой зарядки входной емкости появляется горизонтальный участок. Его длительность в зависимости от зарядного тока - от долей до единиц микросекунд, однако он играет важную роль в формировании импульса тока стока.

Для изучения особенностей зарядной кривой был собран узел, схема которого представлена на рис. 2 (без резистора R3). Узел питается от двух источников Uпит1 и Uпит2, так как напряжение на стоке достигает сотен вольт.

Управление полевыми транзисторами в импульсных преобразователях

Диаграммы напряжения в характерных точках узла изображены в произвольном масштабе на рис. 3.

Управление полевыми транзисторами в импульсных преобразователях

До момента плюсовое напряжение на входе поддерживает транзистор VT1 открытым. Длительность фронта и спада запускающих импульсов (в сумме со временем нарастания усилителя осциллографа) не превышала 20 не, поэтому на диаграмме они не отражены. На отрезке t1...t2, когда транзистор VT1 уже закрыт, VT2 тоже еще закрыт и напряжение на его затворе увеличивается по экспоненте с постоянной времени R2Cзи. На экране этот начальный участок выглядит как отрезок прямой линии.

Транзистор VT2 открывается в момент t2, т. е. с некоторой задержкой. Обозначим ее как tзад1 = t2 - t1. С момента t2 начинает действовать отрицательная ОС между стоком и затвором через емкость Ссз (эффект Миллера). Напряжение на затворе перестает увеличиваться, и график б на участке t2...t3 представляет собой на экране горизонтальную прямую. Зато напряжение в точке в с момента t2 начинает уменьшаться из-за увеличения тока стока.

В момент t3 транзистор VT2 открывается полностью, напряжение на его стоке почти достигает нуля и остается постоянным, отрицательная ОС через Ссэ выключается (ток ОС равен нулю). Напряжение на затворе снова начинает увеличиваться по экспоненте до Uпит1.

В момент t4 открывается транзистор VT1 и начинает разряжаться емкость Сзи. Постоянная времени ее разрядки намного меньше, чем зарядки, поэтому напряжение на затворе транзистора VT2 уменьшается очень быстро, и пока оно не достигнет значения Unop (момент t5), транзистор VT2 остается открытым.

В момент t5 он начинает закрываться, напряжение на его стоке начинает увеличиваться и снова вступает в действие отрицательная ОС. На графике б появляется ступенька, но так как закрывание происходит очень быстро, ее длительность очень мала. Транзистор закрывается раньше, чем напряжение на его затворе спадает до нуля. Интервал времени от U до t5 представляет собой время задержки выключения tзад2 = t5 -t4.

Одно из важнейших условий надежной работы импульсных преобразователей напряжения - формирование безопасного режима переключения мощных транзисторов. При открывании транзистора ток стока увеличивается от нуля до максимума, а напряжение на нем уменьшается от максимума почти до нуля. Когда транзистор закрывается, идет обратный процесс. Необходимо, чтобы и ток, и напряжение, и их произведение на всем протяжении траектории рабочей точки не превышали допустимых значений. Должны быть исключены или сведены к минимуму выбросы тока и напряжения в переходных положениях.

Этих целей достигают принудительным замедлением процессов переключения транзисторов. В то же время фронт и спад импульса должны быть как можно короче, чтобы уменьшить выделение тепла в транзисторе, т. е. требуется найти компромисс. Эксперименты показывают, что с полевыми транзисторами задача решается легче, чем с биполярными.

Длительность фронта импульса тока стока равна длительности горизонтального участка t2...t3, которая, в свою очередь, пропорциональна сопротивлению резистора R2 (см. рис. 2). Зависимость длительности фронта tф, от сопротивления резистора R2 изображена на рис. 4. Следовательно, подбирая этот резистор, можно легко установить нужную скорость нарастания тока стока.

Управление полевыми транзисторами в импульсных преобразователях

Включение полевого транзистора по схеме рис. 2 имеет одну интересную особенность, способствующую решению поставленной задачи. Скорость нарастания тока стока в начальной фазе импульса заметно снижается, следствием чего является полное отсутствие выброса на фронте импульса тока стока (о форме импульса тока стока можно судить по форме импульса напряжения в точке в) Время открывания мощного полевого транзистора примерно такое же, что и биполярного, включенного по соответствующей схеме, а время закрывания - раз в десять меньше.

Так, для транзистора IRF630 при Uпит1 = 15 В и R2 = 560 Ом tоткр = 0,5 мкс, tзакр = 0,06 МКС. При такой ВЫСОКОЙ СКОРОСТИ закрывания спад импульса напряжения на стоке имеет выброс, равный 7,5 В при Uпит = 20 В. Амплитуда импульса также равна 20 В, значит, выброс равен 27,5 % от его амплитуды.

Некоторые считают выброс следствием прямого прохождения входного сигнала через емкость Ссэ. Полагаю, что мощность входного сигнала слишком мала для этого, хотя условия для прохождения, конечно, есть. Более вероятной причиной я считаю реакцию цепи питания транзисторов на быстрое уменьшение тока стока.

В любом случае с этим явлением приходится бороться. Проще всего - уменьшить выброс увеличением времени разрядки входной емкости транзистора VT2 (см. рис. 2). Для этого в эмиттерную цепь транзистора VT1 был включен резистор R3, При R3 = 56 Ом амплитуда выброса уменьшилась до 1,75 В или 9 %, а при R3 = 75 Ом - до 1 В или 5 % от амплитуды импульса. С резистором R3 длительность фронта импульса увеличивается незначительно - примерно на 0,1 мкс.

Совершенно неискаженными импульсы получаются, если к верхнему по схеме выводу сопротивления нагрузки Rн подключить цепь из последовательно включенных конденсатора емкостью 0,47... 1 мкФ и резистора сопротивлением 1...2 Ом (второй конец цепи - к общему проводу). Эту цепь надо разместить возможно ближе к выводам транзистора VT2.

В двухтактных преобразователях, кроме перечисленных, появляется еще одна проблема - сквозной ток. Причина его появления в устройствах на биполярных транзисторах состоит в конечном времени рассасывания избыточных неосновных носителей в базе транзисторов, из-за чего приходится искусственно задерживать открывание транзисторов У полевых транзисторов в этих условиях задержка включения и выключения происходит автоматически и длительность задержек стабильна.

Несмотря на то что накопление заряда у полевых транзисторов отсутствует, сквозной ток может появиться, только когда tзад2 > tзад1. Если обеспечить закрывание транзистора в одном плече преобразователя раньше, чем откроется закрытый в другом плече, этого тока не будет. Иначе говоря, между закрыванием одного транзистора и открыванием другого должна быть пауза.

Для открывания полевого транзистора требуется сравнительно небольшая мощность. Управляющие импульсы можно подавать напрямую с выходов логических микросхем без предварительного усиления тока. Выходная мощность самого преобразователя может достигать при этом нескольких сотен ватт. Для управления мощными полевыми транзисторами промышленность выпускает специальные микросхемы, которые допускают на выходе ток до 100 мА и больше. Но это микросхемы универсальные, рассчитанные на управление транзисторами с Свх = 3000...4000 пФ и на частоту преобразования в сотни килогерц.

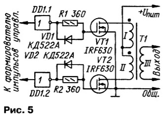
Фрагмент схемы включения транзисторов с управлением от цифровых микросхем показан на рис. 5 Входная емкость транзисторов VT1 и VT2 заряжается через резисторы R1 и R2, а разряжается через диоды VD1, VD2 соответственно, что эквивалентно включению по схеме на рис. 2.

Управление полевыми транзисторами в импульсных преобразователях

На рис. 6 изображены в разных временных масштабах импульсы тока стока транзисторов VT1 и VT2. Сигнал на экране осциллографа выглядит, как прямая линия с узкими зубцами (рис. 6,а). Зубцы - это короткие паузы между импульсами тока стока. Форма паузы в крупном временном масштабе показана на рис. 6,б. Сигнал можно наблюдать на экране двуканального осциллографа в режиме "сумма" с инверсией в одном из каналов.

Управление полевыми транзисторами в импульсных преобразователях

Однако схема на рис. 5 нетипична для построения мощных импульсных блоков питания. В них чаще всего используют полумостовые преобразователи напряжения, в которых цепи управления мощными транзисторами должны быть изолированы одна от другой по постоянному току. Схема полумостового преобразователя (в упрощенном виде - без некоторых вспомогательных узлов) показана на рис. 7. Устройство по схеме рис. 5 использовано здесь в качестве генератора управляющих импульсов и дополнительного источника питания.

Управление полевыми транзисторами в импульсных преобразователях
(нажмите для увеличения)

Этот преобразователь работает на частоте 25 кГц; выходная мощность - 200 Вт. Задающий генератор на логических элементах DD1.1, DD1.2 микросхемы CD4011BCN работает очень стабильно. С другой микросхемой частота может отличаться от указанной, тогда резисторы R2 (и, возможно, R3) придется подбирать. Использовать микросхему К561ЛА7 нежелательно, поскольку напряжение питания задающего генератора равно 15 В, т. е. предельно допустимое для этой микросхемы.

Транзисторы IRFD010 имеют небольшую входную емкость, отчего паузы между импульсами не превышают 0,5 мкс. Длительность пауз можно увеличить, подключив конденсаторы С5 и С6 (показано штриховыми линиями) емкостью от 100 пф и более. Ими можно симметрировать паузы. Если паузы симметричны, то расширить их можно проще, включив конденсатор между затворами транзисторов VT1 и VT2. При этом длительность фронта и спада импульсов увеличивается незначительно.

Симметричности самих импульсов добиваются подборкой резистора R2. У описываемого преобразователя длительность паузы у основания импульсов равна 0,1 мкс и примерно 0,45 мкс между их вершинами.

Импульсы, поступающие с обмоток III и IV трансформатора Т1, открывают мощные транзисторы VT3 и VT4. Такое включение транзисторов эквивалентно показанному на схеме рис. 2 с резистором R3 Форму импульсов на первичной обмотке трансформатора Т2 в произвольном масштабе иллюстрирует рис. 8.

Управление полевыми транзисторами в импульсных преобразователях

Важную роль в устройстве играет резистор R6. Он устраняет выброс на фронте импульсов и подавляет резонансные явления. С него удобно снимать сигнал для наблюдения и контроля параметров импульсов и пауз между ними. Его сопротивление должно быть минимально необходимым для достижения этих целей.

Автор: М.Дорофеев, г.Москва

Смотрите другие статьи раздела Радиолюбителю-конструктору.

Читайте и пишите полезные комментарии к этой статье.

<< Назад

Последние новости науки и техники, новинки электроники:

Оптимальная продолжительность сна 12.11.2025

Сон играет ключевую роль в поддержании здоровья, когнитивных функций и общего самочувствия. Несмотря на широко распространенный стереотип о восьмичасовом сне, последние исследования показывают, что оптимальная продолжительность сна для большинства здоровых взрослых ближе к семи часам. Эволюционный биолог из Гарварда, Дэниел Э. Либерман, утверждает, что традиционная норма восьми часов сна - это скорее культурное наследие индустриальной эпохи, чем биологическая необходимость. По его словам, полевые исследования, проведенные в сообществах, не использующих электричество, показывают, что средняя продолжительность сна составляет 6-7 часов, что значительно отличается от общепринятого стандарта. Современные эпидемиологические данные подтверждают этот взгляд. Исследования выявили так называемую "U-образную кривую" зависимости между продолжительностью сна и рисками для здоровья. Минимальные показатели заболеваемости и смертности наблюдаются именно у людей, спящих около семи часов в сутки. ...>>

Дефицит кислорода усиливает выброс закиси азота 12.11.2025

Парниковые газы играют ключевую роль в изменении климата, а закись азота (N2O) - один из наиболее опасных среди них. Этот газ не только втрое сильнее углекислого газа в удержании тепла, но и разрушает озоновый слой. Недавнее исследование американских ученых показало, что микробы в зонах с низким содержанием кислорода активно производят N2O, усиливая глобальные климатические риски. Команда из Университета Пенсильвании изучала прибрежные воды у Сан-Диего и провела наблюдения на глубинах от 40 до 120 метров в Восточной тропической северной части Тихого океана - одной из крупнейших зон дефицита кислорода. Исследователи сосредоточились на том, как морские микроорганизмы превращают нитраты в закись азота. В ходе работы выяснилось, что существует два пути образования N2O. Один путь начинается с нитрата, другой - с нитрита. На первый взгляд более короткий путь должен быть эффективнее, однако микробы, использующие нитрат, продуцируют больше газа, поскольку этот "сырьевой" источник более д ...>>

Омега-3 помогают молодым кораллам выживать 11.11.2025

Сохранение коралловых рифов становится все более актуальной задачей в условиях глобального изменения климата. Молодые кораллы особенно уязвимы на ранних стадиях развития, когда стрессовые условия и нехватка питательных веществ могут привести к высокой смертности. Недавнее исследование ученых из Технологического университета Сиднея показывает, что специальные пищевые добавки способны существенно повысить выживаемость личинок кораллов. В ходе работы исследователи разработали особый состав "детского питания" для коралловых личинок. В него вошли масла, богатые омега-3 жирными кислотами, а также важные стерины, необходимые для формирования клеточных мембран. Личинки, получавшие эти добавки, развивались быстрее, становились крепче и демонстрировали более высокую устойчивость к стрессовым факторам. Особое внимание ученые уделили липидам. Анализ показал, что личинки активно усваивают эти вещества, что напрямую влияет на их жизнеспособность. Стерины, содержащиеся в корме, повышают устойчи ...>>

Случайная новость из Архива

Материал, поглощающий углекислый газ 05.12.2019

Ученые из Технологического университета Чалмерса и Стокгольмского университета разработали новый материал для улавливания углекислого газа.

В будущем эта технология может использоваться для очистки выбросов промышленных предприятий и снижения выбросов углекислого газа в атмосферу.

В условиях резкого увеличения концентрации углекислого газа в атмосфере ученые по всему миру разрабатывают технологии, которые позволили бы улавливать парниковые газы около поверхности Земли. Такие разработки позволят уменьшить антропогенное влияние человеческой деятельности и снизить темпы глобальных изменений климата.

Ученые предложили еще одно решение для очистки выбросов промышленных предприятий - разработанный ими твердотельный материал из цеолита, целлюлозы и желатина в ходе испытаний позволил не только уловить углекислый газ, но и преобразовать его в карбонат кальция.

Цеолит - алюмосиликатный минерал с пористой структурой, который стоит сравнительно дешево и легко поддается обработке.

Исследователи предлагают обрабатывать пеной из цеолита трубы промышленных предприятий - один слой позволит удалять из выбросов углекислый газ в течение нескольких лет.

Другие интересные новости:

▪ Искусственная древесина

▪ Сервис распознавания человеческого страха

▪ Предложен новый метод поиска аксионов

▪ Мехико уходит в землю

▪ Исследование костей откроет новые прочные материалы

Лента новостей науки и техники, новинок электроники

 

Интересные материалы Бесплатной технической библиотеки:

▪ раздел сайта История техники, технологии, предметов вокруг нас. Подборка статей

▪ статья Жозеф Эрнест Ренан. Знаменитые афоризмы

▪ статья Когда бутанцы узнали, что марихуану можно курить? Подробный ответ

▪ статья Дудник лесной. Легенды, выращивание, способы применения

▪ статья Солнечная панель для зарядки портативных устройств PowerFilm WeatherPro Solar panel фирмы Sundance Solar. Энциклопедия радиоэлектроники и электротехники

▪ статья Автомобильное зарядное устройство для сотового телефона. Энциклопедия радиоэлектроники и электротехники

Оставьте свой комментарий к этой статье:

Имя:


E-mail (не обязательно):


Комментарий:




Комментарии к статье:

Александр
Очень внятно. Даже для меня, я только начинаю. Спасибо.


Главная страница | Библиотека | Статьи | Карта сайта | Отзывы о сайте

www.diagram.com.ua

www.diagram.com.ua
2000-2025